Orders are typically delivered to South Korea within 3-4 days depending on location.
Free delivery to South Korea on orders of $50 USD or more. A delivery charge of $16 USD will be billed on all orders less than $50 USD.
UPS, FedEx or DHL freight pre-paid: CPT (Duty, customs, and taxes due at time of delivery)
Credit account for qualified institutions and businesses
Payment in Advance by Wire Transfer
![]()
![]()
![]()
![]()
![]()
More Products From Fully Authorized Partners
Average Time to Ship 1-3 Days, extra ship charges may apply. Please see product page, cart, and checkout for actual ship speed.
Incoterms: CPT (Duty, customs, and applicable VAT/Tax due at time of delivery)
For more information visit Help & Support
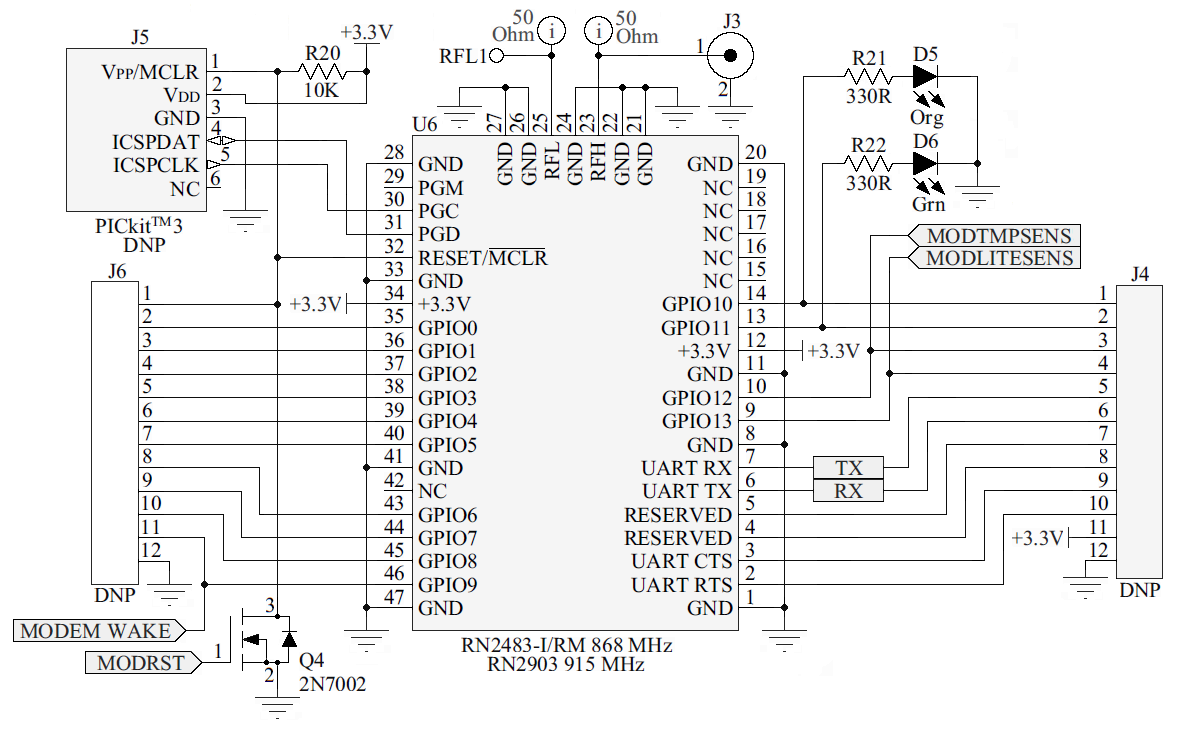
* Only the LoRaMote transceiver is being documented in the 'Specifications'
The DV164140-2 LoRa® Mote is a demonstration board that showcases the Microchip Low-Power Long Range LoRa® Technology Transceiver Module, working at a frequency of 915 MHz for North America Region.
The LoRa® Mote provides access to the module through a convenient USB-to-UART bridge chip and supports connection points to all GPIO-controlled module pins.
The high-speed UART interface and the GPIO ports are available on the module to configure, control and transfer data. The Mote board has an on-board PIC18 supporting USB-to-UART serial bridge, enabling easy serial connection.
Demonstration of the module can be performed by plugging the Mote into a USB port of a PC. The USB port powers the Mote board and enables the user to communicate using the module's ASCII commands.
Development using the module with Microchip's PIC® MCU line is possible via the 24-pin card edge connectors on the Mote board.
| Manufacturer | Microchip Technology |
|---|---|
| Category | Wireless Communication |
| Sub-Category | Transceivers - TXRX |
| Eval Board Part Number | DV164140-2-ND |
| Eval Board Supplier | Microchip Technology |
| Eval Board |
Board not Stocked
|
| Protocol |
FSK
GFSK LoRa |
| Data Rate (Max) |
12500 bps (LoRa), 300 kbps (FSK)
|
| Frequency |
915 MHz
|
| Range |
15 km (Suburban), 5 km (Urban)
|
| Features |
CPU on-chip
GPIO: 14 GUI / Design Software Memory Available On-Board UART USB Interface |
| Component Count + Extras |
58 + 6
|
| Design Author |
Microchip Technology
|
| Application / Target Market |
Factory Automation
RF / Wireless RF: Home Automation RF: Metering |
| Main I.C. Base Part |
RN2903
|
| Date Created By Author | 2015-08 |
| Date Added To Library | 2018-06 |
Co-Browse
By using the Co-Browse feature, you are agreeing to allow a support representative from DigiKey to view your browser remotely. When the Co-Browse window opens, give the session ID that is located in the toolbar to the representative.
DigiKey respects your right to privacy. For more information please see our Privacy Notice and Cookie Notice.
Yes, Continue to Co-BrowseGet fast and accurate answers from DigiKey's Technicians and Experienced Engineers on our TechForum.
Please visit the Help & Support area of our website to find information regarding ordering, shipping, delivery and more.
Registered users can track orders from their account dropdown, or click here. *Order Status may take 12 hours to update after initial order is placed.
Users can begin the returns process by starting with our Returns Page.
Quotes can be created by registered users in myLists.
Visit the Registration Page and enter the required information. You will receive an email confirmation when your registration is complete.
Orders are typically delivered to South Korea within 3-4 days depending on location.
Free delivery to South Korea on orders of $50 USD or more. A delivery charge of $16 USD will be billed on all orders less than $50 USD.
UPS, FedEx or DHL freight pre-paid: CPT (Duty, customs, and taxes due at time of delivery)
Credit account for qualified institutions and businesses
Payment in Advance by Wire Transfer
![]()
![]()
![]()
![]()
![]()
More Products From Fully Authorized Partners
Average Time to Ship 1-3 Days, extra ship charges may apply. Please see product page, cart, and checkout for actual ship speed.
Incoterms: CPT (Duty, customs, and applicable VAT/Tax due at time of delivery)
For more information visit Help & Support
Thank you!
Keep an eye on your inbox for news and updates from DigiKey!
Please enter an email address