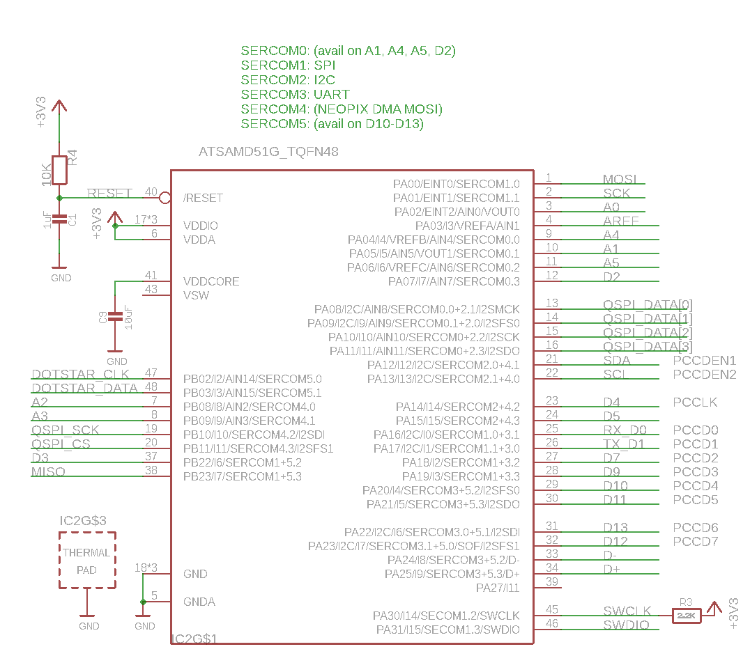
What's smaller than a Feather but larger than a Trinket? It's an Adafruit ItsyBitsy M4 Express featuring the Microchip ATSAMD51! Small, powerful, with a ultra fast ATSAMD51 Cortex M4 processor running at 120 MHz - this microcontroller board is perfect when you want something very compact, with a ton of horsepower and a bunch of pins. This Itsy is like a bullet train, with it's 120MHz Cortex M4 with floating point support and 512KB Flash and 192KB RAM. Your code will zig and zag and zoom, and with a bunch of extra peripherals for support, this will for sure be your favorite new chipset.
ItsyBitsy M4 Express is only 1.4" long by 0.7" wide, but has 6 power pins, 23 digital GPIO pins (7 of which can be analog in, 2 x 1 MSPS analog out DACs, and 18 x PWM out). It's the same chip as the Adafruit Metro M4 but really really small. So it's great once you've finished up a prototype on a Metro M4 or (the upcoming) Feather M4, and want to make the project much smaller. It even comes with 2MB of SPI Flash built in, for data logging, file storage, or CircuitPython code.
The most exciting part of the ItsyBitsy M4 is that while you can use it with the Arduino IDE, we are shipping it with CircuitPython on board. When you plug it in, it will show up as a very small disk drive with main.py on it. Edit main.py with your favorite text editor to build your project using Python, the most popular programming language. No installs, IDE or compiler needed, so you can use it on any computer, even ChromeBooks or computers you can't install software on. When you're done, unplug the Itsy' and your code will go with you.
| Manufacturer | Adafruit Industries LLC |
|---|---|
| Category | Open Source MCU Platforms |
| Eval Board Part Number | 1528-2619-ND |
| Eval Board Supplier | Adafruit Industries LLC |
| IDE |
Arduino IDE, with Software Add-on
CircuitPython MakeCode |
| Speed |
120 MHz
|
| Bits |
32 Bit
|
| Memory, Flash/RAM |
512 kB + 2MB / 192 kB
|
| Digital I/O |
23 I/O, 18 PWM
|
| Interface |
I²C x1
SPI x1 UART x1 USB Device |
| Analog Outputs (DACs) |
2 x 12 Bit
|
| Analog Inputs (ADCs) |
7 x 12 Bit
|
| DMA Channels |
32
|
| Features |
1 x NeoPixel Output
Cryptographic Acceleration Unit Power/Enable Pin Timers True Random Number Generator Watch Dog Timers |
| Radio |
-
|
| Interrupt Pins |
23
|
| I/O Voltage |
3.3 V
|
| Voltage In |
3.5 ~ 6 V
|
| Touch Sensing Pins |
0
|
| Program/Debug Interface |
USB Type-Micro B
|
| Area |
632² mm, 0.98² In
|
| Main I.C. Base Part |
ATSAMD51
|
| Design Author |
Adafruit
|
| Date Created By Author | 2018-06 |
| Date Added To Library | 2019-11 |