Lithium Ion Battery Stack Monitor with Both Signal and Power Isolation
Contributed By DigiKey
2011-12-06
Circuit function and benefits
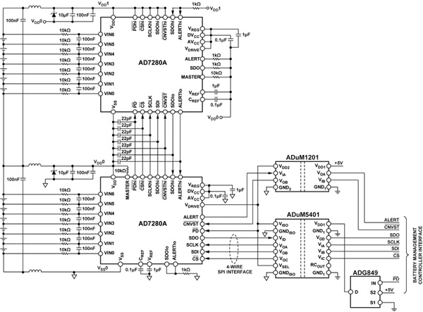
Lithium ion (Li-Ion) battery stacks contain a large number of individual cells that must be monitored correctly in order to enhance the battery efficiency and prolong the battery life. The 6-channel AD7280A devices in the circuit shown in Figure 1 act as the primary monitor providing accurate measurement data to the Battery Management Controller (BMC). The AD7280A contains an internal ±3 ppm reference that allows a cell voltage measurement accuracy of ±1.6 mV. The ADC resolution is 12 bits and allows conversion of up to 48 cells within 7 μs.
The AD7280A, which resides on the high voltage side of the Battery Management System (BMS), has a daisy-chain interface, which allows up to eight AD7280As to be stacked together and allows for 48 Li-Ion cell voltages to be monitored. Adjacent AD7280As in the stack can communicate directly, passing data up and down the stack without the need for isolation. The AD7280A master device on the bottom of the stack uses the SPI interface to communicate with the BMC, and it is only at this point that high voltage galvanic isolation is required in order to protect the low-voltage side of the BMS. The ADuM1201 digital isolator and the ADuM5401 isolator with integrated DC-to-DC converter combine to provide the required six channels of isolation in a compact and cost effective solution.
Circuit description
The AD7280A daisy chain obtains its power from the battery cells it monitors. The ADuM5401 includes an integrated DC-to-DC converter which is used to power the high voltage side of the ADuM1201, provide the VDRIVE supply to the AD7280A SPI interface, and provide the power-down (PD) signal to the AD7280A daisy chain circuit. If the +5 V supply is pulled low on the low voltage side of the BMS, the isolators and the chain of AD7280A’s will power down. Likewise, if the PD signal from the BMC is taken low, the low voltage supply to the ADuM5401 routed through the ADG849 switch is driven low and also provides a hardware power down of the isolators and the chain of AD7280A devices.
To optimize the performance of the daisy-chain communication under noisy conditions, for example, when experiencing electromagnetic interference, the daisy-chain signals are shielded on an inner layer of the printed circuit board (PCB). Shielding is provided above and below by a VSS supply plane, which is connected to the VSS pin of the upper device in the chain. Figure 2 shows the top layer of the EVAL-AD7280AEDZ PCB which contains the upper shielding. Figure 3 shows the inner layer (Layer 2), which contains the shielded daisy-chain signals, and the shielding below is carried out on Layer 3 as shown in Figure 4. Individual 22 pF capacitors are placed on each daisy-chain connection and are terminated to either the VSS pin of the upper device or the VDD pin of the lower device, depending on the direction in which data is flowing on the daisy chain. The PD, CS, SCLK, SDI, and CNVST daisy-chain connections pass data up the chain, and the 22 pF capacitors on these pins are terminated to the VSS of the upper device in the chain.
The SDOlo and ALERTlo daisy-chain connections pass data down the chain, and the 22 pF capacitors on these pins are terminated to the VDD of the lower device in the chain. A direct low impedance trace is used to connect the VDD of the lower device with the VSS of the upper device to hold the two potentials as close as possible together in a noisy environment.

Figure 1: AD7280A daisy-chain configuration circuit with isolation. (Simplified schematic: all connections and decoupling not shown)

Figure 2: Top layer of the EVAL-AD7280AEDZ PCB contains the upper shielding for the daisy-chain signals.

Figure 3: Layer 2 of the EVAL-AD7280AEDZ PCB contains the shielded daisy-chain signals.

Figure 4: Layer 3 of the EVAL-AD7280AEDZ PCB contains the shielding below the daisy-chain signals.
A ground fence at the isolation barrier is used to enclose the low voltage side, which consists of the left hand side of the PCB. This fence consists of a guard ring laced together by vias and connects to the digital ground on all layers throughout the board. Noise on power and ground planes that reach the edge of the circuit board can radiate causing emissions, but with this shielded structure the noise is reflected back.
Input-to-output dipole radiation can also be generated when driving a current source across a gap between ground planes. To help minimize this, a continuous shield is used at the isolation gap whereby the ground planes are extended on all layers throughout the PCB to create a cross-barrier coupling using overlapping shields; and the isolation gap on each layer is kept to a minimum, with a gap of 0.4 mm used on the tested board. For further recommendations to control radiated emissions with isoPower® devices, such as the ADuM5401 used in this circuit, please refer to Application Note AN-0971.
Test results
An important measure of the performance of the circuit is the amount of noise in the final output voltage measurement.
Figure 5 shows a histogram of 10,000 measurement samples taken for the VIN3−VIN2 channel. This data was taken with the AD7280 Evaluation Board connected to the EVAL-CED1Z Converter Evaluation and Development Board. Details of the setup are described in the Circuit Evaluation and Test section of this circuit note.
A resistor divider string driven by the supply voltage was used to simulate the cell voltages. The captured code of 2675 represents 3.612 V, which is representative of a typical lithium ion cell voltage. Note that there are only a small percentage of codes that fall outside the primary bin due to noise.

Common variations
The circuit is proven to work with good stability and accuracy. Other combinations of isolated channels can be used with the iCoupler® isolation products. For example, an extra channel of isolation could be added to accommodate the PD signal to the AD7280A instead of saving on a channel and using the VISO output supply to drive the PD signal on the AD7280A, as in this circuit. The signals chosen to pass through each isolator can also vary. In this circuit, the 4 SPI signals (SCLK, CS, SDI, and SDO) are passed through the ADuM5401 isolator, and the CNVST and ALERT signals are passed through the ADuM1201 isolator.
Circuit evaluation and test
The circuit shown in Figure 1 is used on the AD7280A Evaluation Board. Details of the AD7280A Evaluation board and test methods can be found in the Evaluation Board User Guide UG-252.
Equipment needed
When using the AD7280A Evaluation Board with the EVAL-CED1Z board, all supplies, with the exception of the battery connections, are provided from the EVAL-CED1Z through a 96-way connector. When the board is shipped, the assumption is that the user will operate with the EVAL-CED1Z board. The appropriate links are set so that all power supplies and control signals are supplied by the EVAL-CED1Z. Software to communicate with the EVAL-CED1Z and AD7280A is provided with the AD7280A evaluation board package. The EVAL-CED1Z board provides all the supplies for the evaluation board. It is powered from a +7 V, 15 W "wall wart" power supply that accepts input voltages from 100 V to 240 V ac and contains the relevant adaptors for worldwide use. The power supply is provided with the EVAL-CED1Z. Connection between the EVAL-CED1Z and the USB port of a PC is via a standard USB 2.0 connection cable that is provided as part of the EVAL-CED1Z package.
Getting started
Complete details of setting up the hardware and installing the software are contained in UG-252.
Functional block diagram
A block diagram of the AD7280A evaluation board is shown in Figure 1 of this circuit note and in UG-252.
Setup and test
The basic test setup consists of the AD7280A Evaluation Board connected to the EVAL-CED1Z Converter Evaluation Board. The only other connections required are to the lithium-ion battery stack. The battery stack can be simulated with a resistor divider, which is driven by a precision DC supply voltage.
Learn more
CN0197 Design Support Package: http://www.analog.com/CN0197-DesignSupport
Cantrell, Mark. Application Note AN-0971, Recommendations for Control of Radiated Emissions with isoPower Devices, Analog Devices.
Chen, Baoxing. 2006. iCoupler® Products with isoPower™ Technology: Signal and Power Transfer Across Isolation Barrier Using Microtransformers. Analog Devices, Inc.
MT-004 Tutorial, The Good, the Bad, and the Ugly Aspects of ADC Input Noise—Is No Noise Good Noise? Analog Devices, Inc.
Wayne, Scott. “iCoupler® Digital Isolators Protect RS-232, RS-485, and CAN Buses in Industrial, Instrumentation, and Computer Applications.” Analog Dialogue (October 2005).
Disclaimer: The opinions, beliefs, and viewpoints expressed by the various authors and/or forum participants on this website do not necessarily reflect the opinions, beliefs, and viewpoints of DigiKey or official policies of DigiKey.


