턴키 소스 및 측정 플랫폼을 활용하여 계측기급 정밀 아날로그 특성 평가 실현하기
DigiKey 북미 편집자 제공
2026-01-21
고정밀 컨버터와 초저잡음 아날로그 시스템의 등장으로 인해, 성능을 보다 정확하게 검증할 수 있는 테스트 솔루션에 대한 필요성이 증가하고 있습니다. 이를 위한 자체 플랫폼을 구축할 수도 있지만, 그러한 방법은 비용과 지연이 발생하게 됩니다. 한편, 개별적인 발생기와 분석기로 구성된 기존의 설정은 왜곡과 변동성을 유발할 수 있으며, 이로 인해 정확도가 저하되고 이러한 장치와 시스템에 대한 특성 평가 요구 사항을 충족하지 못하게 될 수 있습니다.
이 기사에서는 설계자가 고급 오디오, 혼합 신호 및 자동화된 테스트 환경을 개발할 때 직면하게 되는 문제를 간략하게 살펴봅니다. 그런 다음, 복잡한 계측의 과정 없이 초저왜곡 자극 생성 및 고해상도 측정을 지원하는 Analog Devices의 편리한 통합 정밀 소스 및 측정 플랫폼을 소개합니다.
자극 생성 및 측정 기능에 대한 수요 증가
정밀 오디오, 혼합 신호 및 자동화된 테스트 환경에서, 콤팩트하고 통합된 형태의 장치에서 계측기급 성능이 요구되는 경우가 많아지고 있습니다. 고해상도 아날로그 디지털 컨버터(ADC) 테스트, 헤드폰, 마이크, 보청기의 오디오 대역 충실도 검증, 고처리량 자동 테스트 장비(ATE) 워크플로 지원 등, 자극 소스 및 측정 기능에 대한 요구가 점점 더 증가하고 있습니다.
고성능 테스트는 극도로 순수한 사인파 자극과 낮은 광대역 잡음에 의존하므로, 소스의 왜곡 및 잡음 기여도가 테스트 대상 장치(DUT)의 잡음 기여도보다 훨씬 낮습니다. 동적 분석 및 고속 푸리에 변환(FFT) 평가를 위해서는, 스펙트럼 누설을 줄이고 일관성을 달성할 수 없는 경우 측정 충실도를 유지하기 위해 가간섭성 샘플링 또는 윈도잉 기능이 필요합니다.
고성능 오디오 장치에 대한 수요로 인해, 왜곡, 상호 변조 및 잡음 기여도를 드러내기 위해 오디오 대역 전반에 걸쳐 깨끗하고 반복 가능한 톤과 멀티톤 패턴에 대한 필요가 증가하고 있습니다. 이러한 요구는 고처리량 생산 워크플로가 결정론적 자극 동작, 사전 정의된 파형 프로파일 및 안정적인 보정 조건에 의존하는 자동화된 테스트 환경에서도 동일하게 적용됩니다.
또한 혼합 신호 개발은 직류(DC), 사인, 이중 톤 및 임의 파형을 생성할 수 있는 자극 소스를 통해 광범위한 작동 조건에서의 평가를 지원할 수 있다는 이점이 있습니다.
Analog Devices의 ADMX1001B 플랫폼은 이러한 문제를 해결하는 데 필요한 특성을 모두 제공합니다.
ADMX1001B 플랫폼으로 정밀한 특성 평가를 실현하는 방법
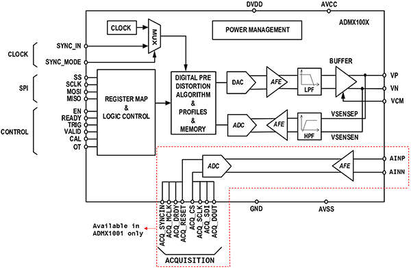
크기가 40mm × 60mm에 불과한 Analog Devices의 ADMX1001B는 단일 톤, 이중 톤, DC, 임의 파형을 사용하여 정밀 오디오 대역 평가에 필요한 충실도, 반복성 및 제어 기능을 제공하도록 설계된 시스템 온 모듈(SoM)입니다. ADMX1001B의 아키텍처를 기반으로 하는 시스템 온 칩(SoC)은 파형 합성, 타이밍, 메모리를 관리하는 동시에 패턴 제어, 하우스키핑, 모니터링 기능을 통합합니다. 이 SoC에서 관리되는 전용 신호 체인은 SoM의 정밀 파형 생성 및 측정 기능을 제공합니다(그림 1).
그림 1: ADMX1001B SoM은 전용 파형 생성 및 수집 신호 체인을 온보드 SoC의 제어 하에 통합하여 정밀 오디오 대역 평가를 지원합니다(이미지 출처: Analog Devices).
신뢰할 수 있는 특성 평가를 위해서는 필터링 또는 재구성 중에 아티팩트가 발생하지 않고 필요한 진폭과 주파수 범위에서 선형성을 유지하면서 DUT보다 훨씬 낮은 고조파 왜곡을 나타내는 자극 소스가 필요합니다. ADMX1001B는 일반적인 총 고조파 왜곡(THD)이 -130dB인 톤을 생성할 수 있어, 차세대 오디오 대역 장치에 필요한 수준의 성능을 구현합니다.
ADMX1001B는 이러한 성능을 달성하기 위해 다양한 기술을 적용합니다. SoM의 완전 차동 신호 체인은 DAC 코드 전환과 관련된 글리치 에너지를 필터링하고 샘플링 속도의 배수로 나타나는 원하는 아날로그 신호의 대역 외 스펙트럼 복제 또는 이미지 신호를 감쇠하는 신호 조정 단계를 통해, 20비트 디지털 아날로그 컨버터(DAC)의 출력을 라우팅합니다.
ADMX1001B는 특정 주파수-진폭 조합의 선형성을 개선하기 위해 한 번만 실행해야 하는 특허받은 디지털 전치 왜곡(DPD) 알고리즘을 사용하여 단일 톤의 출력 순도를 최대 20kHz까지 향상시킵니다. DPD 알고리즘은 DPD 감지 경로(그림 1의 VSENSEP 및 VSENSEN)를 통해 피드백된 출력 신호를 사용하여, 출력 신호를 디지털 방식으로 재구성하고 이를 모델과 비교하여 사인파의 순도를 크게 개선하는 보정 파라미터를 생성합니다(그림 2).
그림 2: DPD를 적용하지 않은 단일 톤 출력(왼쪽)과 비교하여 DPD를 적용하면(오른쪽) 고조파 성분이 크게 감소하고 전반적인 스펙트럼 순도가 향상됩니다(이미지 출처: Analog Devices).
ADMX1001B는 이렇게 생성된 파라미터를 비휘발성 메모리 스토리지에 파형 프로파일로 유지하며, 단일 톤, DPD가 포함된 단일 톤, 이중 톤 및 DC 파형에 대해 최대 15개의 프로파일과 사용자 제공 임의 파형 프로파일에 대해 하나의 프로파일을 보유합니다(이는 SoM의 27kHz 출력 필터의 대역폭 제약 조건에 따라 달라질 수 있음). 하드웨어 또는 소프트웨어 제어를 통해 이러한 프로파일을 다시 로드하면, 사용자는 장치 테스트 중에 신호 순도를 손상시키지 않고 다양한 파형 유형 간에 빠르게 전환할 수 있습니다.
측정의 측면에서 볼 때, ADMX1001B는 7개의 프로그래밍 가능 측정 범위를 갖춘 아날로그 프런트 엔드(AFE)를 통합합니다. 적절한 측정 범위를 설정하면 클리핑이 방지되고 SoM의 ±7.5V 차동 및 ±7V 공통 모드 한계 내에서 입력 신호에 대한 SoM 입력 채널의 전체 동적 범위를 보존할 수 있습니다. 이 신호 경로에는 24비트, 256kS/s ADC가 변환을 수행하기 전에 신호를 조절하는 4차 앤티앨리어싱 필터도 포함되어 있습니다(그림 1 다시 참조). 이 필터는 사용 가능한 획득 대역폭을 정의하기 때문에, 더 높은 주파수의 성분은 ADC에 도달하기 전에 감쇠됩니다. 앤티앨리어싱 필터는 최대 -130dB의 제거율을 제공하는 반면, 획득 채널은 일반적인 THD -115dB(전체 범위 1kHz 입력 톤)로 최대 128dB의 총 작동 범위를 달성합니다.
이러한 신호 생성 및 수집 기능을 종합해서 고려해 본다면, ADMX1001B는 고순도 자극과 동기화된 측정을 제공하는 소형 계측기급 모듈이라고 할 수 있습니다. Analog Devices는 개발자가 이러한 기능의 장점을 최대한 활용할 수 있도록 ADMX1001B의 기능을 즉시 평가할 수 있는 한 쌍의 기판을 제공하여, 즉시 사용 가능한 정밀한 테스트 벤치로 사용해 볼 수 있도록 합니다.
턴키 테스트 벤치 환경으로 신속한 평가 지원
Analog Devices는 ADMX1001B를 EVAL-ADMX100X-FMCZ 평가 기판(그림 3) 및 SDP-H1(EVAL-SDP-CH1Z) 컨트롤러 기판과 결합하는 완벽한 평가 플랫폼을 제공합니다. 이러한 기판들을 함께 사용하면, ADMX1001B SoM을 호스트 PC에 연결하고 전력 및 클록킹을 제공하며 구성 및 측정을 위한 모듈의 신호 생성 및 수집 경로를 노출하는 턴키 환경을 구성할 수 있습니다.
그림 3: EVAL-ADMX100X-FMCZ 평가 기판은 ADMX1001B의 신호 생성 및 수집 경로에 액세스하는 데 필요한 전력, 신호 라우팅 및 외부 연결성을 제공합니다(이미지 출처: Analog Devices).
이러한 구성에서 EVAL-ADMX100X-FMCZ 기판은 ADMX1001B SoM의 기본 인터페이스 역할을 담당하여, 전력 분배 및 신호 연결을 위해 메자닌 커넥터를 통해 ADMX1001B SoM을 기판에 연결합니다. 출력 포트(OUTP/OUTN)는 초저왜곡 소스에 대한 액세스를 제공하며, 해당 차동 입력 포트(AINP/AINN)는 DPD 보정 중에 사용되는 외부 신호 수집 또는 루프백 구성을 지원합니다. 추가 커넥터를 통해 DPD 센스 경로, 하드웨어 트리거 및 동기화 신호, 그리고 생성, 획득, 보정 워크플로를 위한 모드 선택 제어 신호가 제공됩니다.
EVAL-ADMX100X-FMCZ 평가 기판은 FMC 커넥터를 통해 SDP-H1 고속 컨트롤러 기판에 연결되며(그림 4), 호스트 PC에서 ADMX1001B를 작동하는 데 필요한 USB 및 고속 병렬 인터페이스를 제공합니다. 전용 필드 프로그래밍 가능 게이트 어레이(FPGA)와 디지털 신호 프로세서를 중심으로 구축된 컨트롤러 기판은 평가 기판에 전력을 공급하고 USB 통신, 구성 전송, 프로파일 로딩 및 고속 획득을 관리합니다.
그림 4: 평가 기판을 SDP-H1 컨트롤러 기판에 연결하면 ADMX1001B 구성, 파형 생성 및 신호 측정을 위한 턴키 시스템이 완성됩니다(이미지 출처: Analog Devices).
Analog Devices는 파형 생성, DPD 학습 및 획득 설정을 관리할 수 있는 ADMX100X 그래픽 사용자 인터페이스(GUI) 소프트웨어 도구를 제공합니다(그림 5).
그림 5: GUI가 포함된 소프트웨어 도구는 파형 생성, 수집 제어 및 DPD 보정 관리를 지원합니다(이미지 출처: Analog Devices).
개발자는 소프트웨어 도구를 사용하여 파형 유형을 선택하고, 톤 파라미터를 조정하며, 임의의 패턴을 로드하고, 저장된 프로파일 간에 전환할 수 있습니다. DPD 학습 시, 이 도구는 자극 생성, 감지 경로 캡처, 보정 파라미터 계산을 조정하고 사용자가 프로파일을 비휘발성 메모리에 저장할 수 있도록 합니다. 또한 시간 도메인 캡처, FFT 보기 및 ADC에서 샘플 내보내기를 위한 수집 채널의 측정 범위와 샘플링 제어 기능을 제공합니다. 하드웨어 설정에 바로 액세스할 수 있는 GUI는 정밀한 자극 생성 및 측정을 위한 ADMX1001B의 기능을 설정하고 이를 최대한 활용할 수 있도록 지원합니다.
결론
고급 오디오 대역 컨버터와 혼합 신호 시스템이 지속적으로 증가하는 상황에서, 일반적인 테스트 벤치 구성의 경우 성능 측정의 정확성과 반복성을 제한하는 왜곡과 변동성 문제가 초래되는 경우가 많습니다. Analog Devices의 통합 파형 생성 및 측정 플랫폼은 고분해능 장치의 특성을 정밀하게 평가하는 데 필요한 초저왜곡 및 저잡음을 제공합니다. 이러한 기능을 통해 개발자는 고성능 응용 제품을 위한 차세대 오디오 대역 컨버터와 서브 시스템을 보다 효과적으로 평가할 수 있습니다.
면책 조항: 이 웹 사이트에서 여러 작성자 및/또는 포럼 참가자가 명시한 의견, 생각 및 견해는 DigiKey의 의견, 생각 및 견해 또는 DigiKey의 공식 정책과 관련이 없습니다.

