RF Synthesizers up to 16 Gigahertz
STMicroelectronics
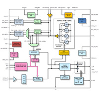
This presentation will introduce the STuW81300 and STW81200 RF synthesizers, and include a brief review of ST’s RF synthesizer offerings. The tutorial will focus on ST’s standard product RF synthesizers, covering frequencies from 47 MHz up to 16 GHz. It will highlight the STuW81300 mWave synthesizer and the STW81200 wide band RF synthesizer. The presentation will also discuss the potential markets for these devices.
Related Parts
| 이미지 | 제조업체 부품 번호 | 제품 요약 | 입력 | 주문 가능 수량 | 가격 | 세부 정보 보기 | |
|---|---|---|---|---|---|---|---|
![]() | ![]() | HCF4046M013TR | IC PHASE LOCK LOOP 16SO | CMOS | 0 - 즉시 | $465.41 | 세부 정보 보기 |
![]() | ![]() | STW81100AT-1 | IC FREQ SYNTH 28VFQFPN | 클럭, 수정 | 0 - 즉시 | $14,644.64 | 세부 정보 보기 |
![]() | ![]() | STW81100ATR-1 | IC FREQ SYNTH 28VFQFPN | 클럭, 수정 | 0 - 즉시 | $14,638.31 | 세부 정보 보기 |
![]() | ![]() | STW81101AT | IC FREQ SYNTH 28VFQFPN | 클럭, 수정 | 0 - 즉시 | $10,257.13 | 세부 정보 보기 |
![]() | ![]() | STW81101ATR | IC FREQ SYNTH 28VFQFPN | 클럭, 수정 | 0 - 즉시 | See Page for Pricing | 세부 정보 보기 |
![]() | ![]() | STW81102AT | IC FREQ SYNTH 28VFQFPN | 클럭, 수정 | 0 - 즉시 | See Page for Pricing | 세부 정보 보기 |
![]() | ![]() | STW81102ATR | IC FREQ SYNTH 28VFQFPN | 클럭, 수정 | 0 - 즉시 | See Page for Pricing | 세부 정보 보기 |
![]() | ![]() | STW81200T | IC SYNTHESIZER VFQFPN | 클럭 | 1267 - 즉시 | $24,185.00 | 세부 정보 보기 |
![]() | ![]() | STW81200TR | IC SYNTHESIZER VFQFPN | 클럭 | 525 - 즉시 | $24,185.00 | 세부 정보 보기 |
![]() | ![]() | TDA7427AD1 | IC PLL FREQ SYNTH 28SO | 클럭, 수정 | 0 - 즉시 | $4,901.44 | 세부 정보 보기 |
![]() | ![]() | TDA7427D | IC PLL FREQ SYNTH 20SO | 클럭, 수정 | 0 - 즉시 | $4,838.28 | 세부 정보 보기 |





