Using Satellite Links to Deliver On-Board Wi-Fi
DigiKey 유럽 편집자 제공
2014-05-15
Satellite links are now enabling Wi-Fi on aircraft for real-time, always-on browsing, but the technology is still in its infancy. In-flight Wi-Fi is now accessible on around 40% of US flights and on international long-haul flights via companies such as Lufthansa, Emirates and Qatar Airways. Norwegian and Turkish airlines offer the service for free, while Scandinavian airline SAS is testing it on some of its aircraft. However, the bandwidth is distinctly limited at the moment.
There are several different topologies and architectures that can be used to deliver data to the aircraft seat, but the focus has to be on reducing weight and power to minimize the fuel costs of adding this capability. Some operators such as GoGo in the US are using 3G ground transmitters to link to aircraft, which can allow equipment such as phones and broadband ‘dongles’ to receive signals directly without adding a receiver in the aircraft, but has limited bandwidth of around 3 Mbit/s for the entire aircraft and no international use. GoGo is currently rolling out its ATG-4 technology that uses dual modems and directional antennas to boost the link to a theoretical maximum of 9.8 Mbit/s, but it is still limited to the continental US.
Others have been implementing links through geostationary satellites with the Ka-band (12-18 GHz) receivers, but this similarly has low bandwidth and requires a satellite receiver on-board coupled with a Wi-Fi transceiver that can handle multiple channels. Lufthansa's FlyNet system claims download speeds to the aircraft of up to 50 Mbit/s, but this can mean as little as 1 Mbit/s to the seat. Similarly, Panasonic Avionics and GoGo have teamed up with European satellite operator SES to boost in-flight connectivity for passengers on trans-Atlantic flights using Ku-band links from the newly launched SES-6 satellite.
The development of this equipment needs to focus on weight and power consumption to be acceptable to airline operators. The new systems also have to meet safety approvals in all the countries where the airline operates and demonstrate that the use of the equipment does not affect the avionics systems.
The next generation of Ka-band (26.5-40 GHz) satellite transponders is now being used to provide high-speed broadband links to aircraft. Satellite operator ViaSat says it can guarantee 12 Mbit/s to the seat using this technology, and the cost of providing the bandwidth over satellite links could fall by as much as a factor of five as it rolls out in volume.

Implementation
Understanding how passengers will use an in-flight Internet connection is essential to identifying the right communications topology. E-mail attachments, web surfing and VPN connections require an intermediate Internet connection while graphic-intensive surfing, large attachments and video conferencing will require a high-speed Internet connection. All of this determines the type of connection from the plane, as the Wi-Fi within the aircraft can handle the required bandwidth.
Connection performance can be significantly improved using various acceleration technologies like virtual bandwidth, compression technology and byte-level caching. Acceleration techniques also help reduce service costs by reducing IP data packet size.
Network security options are vital to consider for a wireless system. If passengers work with sensitive data, the system will need to support encryption and a secure network connection.
Aircraft antennas vary by size, weight, shape, beam width, signal direction and strength. These variations offer different advantages in signal reception, transmission and speed.
A low-gain antenna (LGA) supports slower connection speeds that are suitable for texting and e-mail without attachments. These are fuselage-mounted on the aircraft, which makes them much more suitable for installation on smaller-bodied aircraft, like Learjets, Citations and Hawkers.
A high-gain antenna (HGA) offers the best quality of service and speed, and is suitable for regular Internet browsing and attachments, but not video. These are bigger and heavier than LGAs and can also be tail-mounted, but tend to be more suitable for installation on larger aircraft.
For installation onboard the aircraft, the equipment must be of aviation-grade. Such equipment often has Federal Aviation Administration (FAA) or European Aviation Safety Agency (EASA) certifications, a Supplemental Type Certification (STC) or Approved Model List Supplemental Type Certification (AML-STC) that accompanies them.
After a Wi-Fi system is installed, it should be tested in the same way that passengers will use it. Standard connectivity and speed tests will indicate if the equipment is performing basic functions, and the wireless connection is available throughout the aircraft. From there it will be up to the operator and their IT department to further define the details of system configuration. If smartphone connectivity is a priority, make sure to test the system with a range of make, model and system configurations as the wireless connection performance can vary from one handset to another; the problem may be with the handset rather than the wireless access point. It is important to also remember that other technologies such as VPN client software will be used, and this should be tested through the customer’s laptop.
Device selection
Power consumption and weight are key criteria for building the access point in the aircraft. There are two key elements for this: multiple front-end transceivers and the router that handles the multiple channels and the connection to the satellite receiver. Integrating these devices for an avionics system means optimizing for low power. While this can be a challenge for industrial systems where the need is long range, the opposite is the case for an on-board wireless access point. This has to have limited power output to minimize any potential interference with the avionics systems, and only has to reach a matter of meters to cover the whole aircraft. There is also limited bandwidth available which further allows the power output to be scaled back.
Modern Wi-Fi transceivers are also optimized for battery power, using advanced CMOS process technology for lower power consumption. While devices qualified for use in avionics systems will not be using leading-edge technologies, the more mature CMOS processes still deliver low power and high performance with the reliability that is essential for use in aircraft.
All this helps reduce the weight of the system, as less cooling will be needed. The access point will also tend to be an on-board system rather than tail mounted with the satellite antenna as this reduces any potential channel interference.
Interface modules
While space and weight considerations may mean an optimized transceiver design based around the discrete 2.4 GHz transceiver that is required, using a module can reduce the complexity of the overall design and provide flexibility in both repair and upgrading the access point to support more passengers over time. Replacing a single module can be more cost effective in reducing repair and downtime than replacing and re-testing an entire unit.
The WF111 from Bluegiga is a fully-integrated, single 2.4 GHz band 802.11b/g/n module, intended for portable and battery-powered applications. It integrates an IEEE 802.11b/g/n radio, antenna or U.FL antenna connector and SDIO or CSPI host interfaces.

The module provides a low cost and simple Wi-Fi solution for devices that run an operating system and a TCP/IP stack on-board, but still offers the benefits of a module: small form-factor, easy integration, and certifications. Bluegiga also provides WF111 drivers for the Linux operating system.
The WF111 has hardware support for Wi-Fi encryption protocols and for various coexistence schemes, which enables performance during simultaneous use of Wi-Fi and Bluetooth with a single antenna. This can be important with the increasing use of Bluetooth headsets on the aircraft. Any interference can potentially require higher power output or result in reduced bandwidth to the seat.
Similarly the SG901-1098 Wi-Fi module from Sagrad is a shielded and FCC-certified radio module that is optimized to simplify integration into systems requiring the latest performance with small size. This certified module is a highly-integrated single-chip-based 802.11b/g/n WLAN radio for embedded, low power, and extremely-small-form-factor mobile applications. The module supports 802.11g/n modulations from 6 to 65 Mbps, and 802.11b modulations.

The SG901-1098 is a fully-integrated wireless radio including RF Synthesizer/VCO, high-speed data converters, digital baseband processor, onboard MAC and PHY processors, power management, and power amplifier. On-chip auto-calibration eliminates unit-specific and customer calibration while an on-board crystal and filter simplify system integration. The addition of 2.3 to 4.8 V and 1.8 V supplies, antenna, and host communication provides a complete Wi-Fi solution.
The Roving Networks WiFly radio module from Microchip is a complete, standalone embedded wireless LAN access device. The device has an on-board TCP/IP stack and applications, and in the simplest hardware configuration requires only four pins (power, TX, RX, and ground). The fully-qualified and Wi-Fi-certified 2.4 GHz 802.11b/g transceiver uses intelligent, built-in power management with programmable wakeup and accepts a 3.3 V power supply or 2 to 3 V battery when using boost regulators. The RN171 uses 4 μA in sleep mode, 35 mA in receiver mode and 185 mA when transmitting at 12 dBm, and the transmit power is configurable.
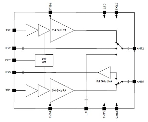
The SE5511T from Skyworks is a complete 802.11n WLAN RF front-end module providing all the functionality of the power amplifiers, LNA, power detector, antenna switches, filtering and associated matching. It provides a complete 2.4 GHz and 5 GHz WLAN RF solution from the output of the transceiver to the antennas in a compact form-factor.

The receive path is designed to maximize performance by providing a 5 GHz low noise amplifier with bypass mode for use when high-power signals are being received. Designed for ease of use, all RF ports are matched to 50 Ω to simplify PCB layout and the interface to the transceiver RFIC. The SE5511T also includes a transmitter power detector for each band with 20 dB of dynamic range.
Routing
The Texas Instruments CC3000 module is a self-contained wireless network processor that simplifies the implementation of Internet connectivity. TI's SimpleLink minimizes the software requirements of the host microcontroller (MCU) and is aimed at low power implementations by easing certification, and minimizes the RF expertise required. The complete platform solution includes software drivers, sample applications, API guide and user documentation. The module includes a 802.11b/g integrated radio, modem, and MAC supporting WLAN communication as a BSS station with CCK and OFDM rates from 1 to 54 Mbps in the 2.4 GHz ISM band.
The auto-calibrated radio with a single-ended 50 Ω interface enables easy connection to the antenna without requiring expertise in radio circuit design, and the advanced connection manager with seven user-configurable profiles stored in an NVMEM allows automatic fast connection to an access point without user or host intervention. It supports all Wi-Fi security modes for personal networks: WEP, WPA, and WPA2 with on-chip security accelerators and WLAN provisioning tools to allow customers to connect a headless device to a WLAN network using a smartphone, tablet, or PC.

Network stack
The device uses an integrated IPv4 TCP/IP stack with BSD socket APIs for simple Internet connectivity with any microcontroller, microprocessor, or ASIC and supports four simultaneous TCP or UDP sockets. Built-in network protocols for ARP, ICMP, DHCP client, and DNS client enable easy connection to the local network and to the Internet, simplifying integration with the satellite modem. It interfaces over a 4-wire serial peripheral interface (SPI) with any microcontroller or processor at clock speeds up to 16 MHz, and simple APIs enable easy integration with any single- or multi-threaded application. It is also programmable through an I²C interface or over APIs from the host, allowing over-the-air firmware upgrades.
Conclusion
As Ka-band satellite services start to deliver true broadband data rates to aircraft, the demand on the on-board Wi-Fi systems will increase. While current modules and devices can more than deliver the bandwidth to the passenger seat, there are other key considerations. Being able to scale the wireless access point to support hundreds of channels within a tight power and weight budget will be a major challenge. Taking advantage of the shorter range and the ability to scale back the power to match the lower data rates and save power, avionic-qualified versions of commercial Wi-Fi devices can deliver an effective always-on capability to every passenger.

면책 조항: 이 웹 사이트에서 여러 작성자 및/또는 포럼 참가자가 명시한 의견, 생각 및 견해는 DigiKey의 의견, 생각 및 견해 또는 DigiKey의 공식 정책과 관련이 없습니다.