Specialized Low Input Voltage Boost Converters Enhance Efficiency in Energy-Harvesting Designs
Electronic Products 제공
2013-02-27
Energy harvesting from ambient sources can offer a sustained source of power, suitable for many applications. Yet the output from available energy storage devices and transducers, used to extract that energy, can fall below levels suitable for typical components. In building efficient energy-harvesting designs, engineers can draw on available boost converter devices able to operate with input voltages well below 1 V, offered by manufacturers including Intersil, Linear Technology, Maxim Integrated, Microchip, and Texas Instruments, among others.
Ambient energy sources pervade the environment, yet typically provide a trickle of power at microwatt levels (Figure 1). In a typical energy-harvesting design, transducers needed to convert solar, mechanical, thermal, or RF energy consequently might produce hundreds or even just tens of millivolts on a consistent basis. Many DC/DC converters, such as those designed for use with multicell battery sources, offer high-efficiency operation, but could easily require input voltage levels above the levels generated in typical energy-harvesting applications. Other specialized boost converters are able to operate from low input voltages – maximizing energy extraction and delivering sufficient power to enable operation of application circuitry from even the weakest sources of ambient energy.
| Energy Source | Characteristics | Efficiency | Havested Power |
| Light | Outdoor Indoor |
10~24% | 100 mW/cm² 100 μW/cm² |
| Thermal | Human Industrial |
~0.1% ~3% |
60 μW/cm² ~1-10 mW/cm² |
| Vibration | ~Hz-human ~kHz-machines |
25~50% | ~4 μW/cm³ ~800 μW/cm³ |
| RF | GSM 900 MHz Wi-Fi™ |
~50% | 0.1 μW/cm² 0.001 μW/cm² |
Figure 1: Common ambient energy sources are estimated to yield power at microwatt levels. (Courtesy of Texas Instruments.)
Converter topology
The traditional boost converter takes advantage of an inductor's ability to store and release energy, using switches to direct charge and discharge cycles and using capacitors to reduce the ripple in output resulting from this energy cycling. In operation, the switches alternate in opening and closing at a rate and duration determined by pulse-width modulation of the signals that control switch operation. Faster switching permits use of smaller inductors, but reduces overall efficiency.
As illustrated in Figure 2, switch B is open and switch A is closed during tON, allowing current flow from VIN to ground so energy is stored in the inductor L. During tOFF, switch B is closed and switch A is open, so energy stored in the inductor is discharged into the load.

Figure 2: Topology of a traditional boost regulator (a) and associated waveforms (b). (Courtesy of Analog Devices.)
This operation can occur in continuous or discontinuous mode. In continuous conduction mode (CCM), the inductor current never drops to zero; when operating in discontinuous conduction mode (DCM), the inductor current can drop to zero. Boost converters rely on voltage or current feedback to regulate output voltage, using a control loop to maintain regulation even as the load changes.
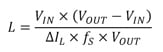
Inductor value
The choice of inductor value (see inductor L in Figure 2a) is critical for achieving optimum performance. In general, lower inductor values result in reduced efficiency, higher ripple, and increased noise. Higher inductor values result in higher maximum output current because of reduced ripple current, but also result in a larger footprint in the final design.
In general, manufacturers provided recommended inductor values for converters. When an inductor range is not available, the following equation offers a good estimation for a properly sized inductor:

Where:
VIN = typical input voltage
VOUT = desired output voltage
fS = minimum switching frequency of the converter
ΔIL = estimated inductor ripple current
Inductor ripple current can be estimated at 20 percent to 40 percent of the output current, so the following equation can provide an estimate of this parameter:

Where IOUT(max) = maximum output current required for the application
Low-voltage input devices
Designers can find a variety of boost converters designed to operate with voltage sources below 1 V. The Intersil ISL9111 offers a minimum operating voltage of 0.7 V with a startup voltage of 0.8 V, while the ISL9111A achieves even lower values: 0.5 V minimum operating voltage and 0.6 V startup. The device requires only a few additional components (Figure 3a), including an inductor specified at 4.7 μH and achieves efficiency values ranging from 60 percent to more than 90 percent, depending on input voltage and output current (Figure 3b).

Figure 3: Boost converters such as the Intersil ISL9111 require only a few components including an inductor with a manufacturer recommended 4.7 μH inductance value (a) to achieve efficiency levels approaching 90 percent even at input voltages below 1 V (b). (Courtesy of Intersil.)
For light loads, the ISL9111 enters a skip mode that drops power consumption to a 20 µA quiescent current, further enhancing efficiency at light loads. In normal operation, the device relies on a control circuit that uses a ramp signal derived from the inductor current to create PWM gating signals for the boost converter switches. During periods of light loads, when the inductor current is sensed to cross zero a predetermined number of times, the converter leaves PWM mode and enters skip mode.
Linear's LTC34xx and LTC35xx series comprise a family of boost converters providing 0.5 V input voltage operation at a range of switching frequencies up to 3 MHz. For example, the Linear LTC3429 and LTC3429B are synchronous fixed-frequency boost converters operating at 500 kHz, while the LTC3528 and LTC3528B operate at 1 MHz switching frequency. Linear recommends an external inductor value of 4.7 μH for devices in this series, but notes that larger inductance values up to about 10 μH will increase output current capability by reducing inductor ripple current (Figure 4).

In normal mode, devices in the LTC34xx and LTC35xx series power themselves from VOUT instead of VIN. As a result, the voltage of the energy source can drop to a value as low as 0.5 V without affecting circuit operation. Furthermore, these devices feature an anti-ringing circuit to help reduce EMI by damping the inductor as inductor current goes to zero in discontinuous mode.
The devices operate at high efficiency ratings – 96 percent for the LTC3429/LTC3429B and 94 percent for the LTC3528/LTC3528B. During light loads, these devices are able to further conserve energy by automatically switching to burst-mode operation in the case of the LTC3429 and LTC3528, or continuous switching in the case of the LTC3429B and LTC3528B. During burst-mode operation, only the circuitry required to monitor the output is kept alive and the rest of the device is turned off. When the output voltage falls to a preset threshold, the device wakes up and resumes normal PWM operation. At this point, the output capacitor recharges and causes the part to re-enter the sleep state if the output load remains less than the burst-mode threshold.
The Texas Instruments TPS6122x boost converters fall into this same class of device, operating with input voltages of 0.7 V. The device is available in fixed- and adjustable-voltage output versions. In fixed versions, the output voltage is set by an internal resistor divider, while an external resistor divider is used with the adjustable versions.
As with other devices in this class, TPS6122x devices are specified with a recommended external inductor value of 4.7 μH, which offers nominal performance across the entire input and output voltage envelope. Texas Instruments notes that choosing other inductor values affects switching frequency according to the following equation:

Consequently, the use of inductor values higher than 4.7 μH will improve efficiency by reducing switching frequency and associated switching losses.
The TPS6122x devices use a hysteretic current mode architecture, which provides an inherently stable solution that offers fast response to changing loads. The device's hysteretic current mode controller regulates output voltage by maintaining inductor ripple current at a fixed 200 mA and adjusting the offset of inductor current depending on the output load (Figure 5). In low-load conditions, the inductor current is changed to discontinuous operation to maintain high efficiency.

Figure 5: Devices such as the Texas Instruments TPS6122x that use a hysteretic current mode architecture regulate voltage output by adjusting the offset of the inductor current depending on the load. (Courtesy of Texas Instruments.)
The Microchip MCP1640B/C/D IC operates with startup voltages as low as 0.65 V and consumes only 19 μA while operating in no-load operation. Microchip offers the part in variations able to support different combinations of PWM and PFM modes. PWM mode ensures that output ripple remains low and frequency constant, while PFM improves efficiency during light-load operations. The MCP1640B/1640D devices operate only in PWM mode even during periods of light-load operation.
The MCP1640C can operate in both PWM and PFM modes to maintain optimum efficiency at all loads (Figure 6). The device switches to PFM mode if the output load current falls below an internally programmed threshold. When the output voltage drops below its nominal value, PFM operation brings the output back into regulation. If the output load current rises above the upper threshold, the MCP1640C returns to PWM mode.

Along with these sub-1-V devices, manufacturers have targeted energy-harvesting applications with devices that feature on-chip boost circuitry designed to operate with ultra-low-input voltages. Employing specialized boost converters, devices such as the Linear Technology LTC3108/LTC3109, Maxim Integrated MAX17710, and Texas Instruments bq25504, are able to use input voltages in the tens of millivolts while providing multiple voltage output sources for application circuits.
MCU boost
For MCU-based designs, integrated or supplemental boost ICs help achieve required operating levels for supplies. Engineers can find boost converter ICs designed specifically to support a manufacturer’s line of MCUs.
For example, the Microchip MCP1623/1624 is a compact, high-efficiency, fixed frequency, synchronous step-up DC-DC converter designed specifically as a simple power supply solution for Microchip's PIC MCU family. The device features low-voltage technology that allows the regulator to start up from an input voltage as low as 0.65 V. To achieve its high efficiency operation, the device integrates a low resistance n-channel boost switch and synchronous p-channel switch – as well as all associated compensation and protection circuitry. As a result, the device requires a minimal complement of external components to provide a complete power source for PIC MCUs. At the same time, the device requires only 19 μA while operating at no load in standby mode.
Designers can also find MCUs with integrated boost converters. For example, the Silicon Labs C8051F9xx family includes integrated boost converter functionality that can support operation with supply voltages as low as 0.9 V.
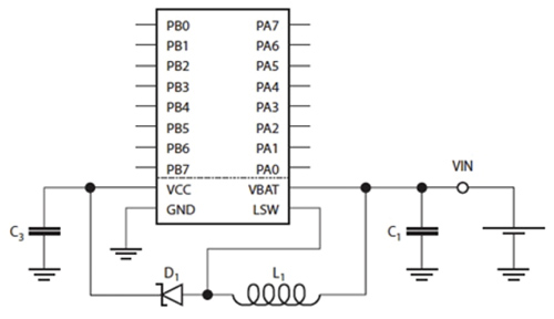
The Atmel ATtiny43U 8-bit MCU features an integrated boost converter that requires only an external inductor, diode and bypass capacitors to support an operating voltage as low as 0.7 V (Figure 7). Operating independently of the MCU, the on-chip converter starts automatically as soon as sufficient voltage is present at VBAT, although the designer can disable this boost feature. The boost converter alternately stores and extracts energy to and from the external inductor, which must fall into a range of inductance values specified by the manufacturer. Using inductance values that are too low increases peak currents in the inductor and lowers converter efficiency, while values that are too high can push the converter into unstable states.

Cypress Semiconductor offers a boost converter component that allows engineers to configure its PSoC boost-converter hardware block to modify the default 1.8 V input voltage to values as low as 0.5 V. The boost feature supports standby and active operating modes, providing output voltage up to 5.5 V in active mode. Still, the built-in switch mode pump is typically limited to driving a 50 to 70 mA load current due to the relatively high resistance of an internal switch used in the internal pump circuitry. By using external switches rather than relying on the internal switches, however, engineers can achieve higher output current levels – as high as 500 mA – needed to drive periodic peak loads such as wireless communications.
Conclusion
Able to operate with input voltages below 1 V, specialized boost converters play a key role in energy-harvesting designs. Using switching topologies and minimal external components, these devices step up low voltage levels from transducers and energy storage devices to levels required for application circuits. For ultra-low-input-voltage requirements, a special class of energy-harvesting ICs can work with input voltages in the range of tens of millivolts, maximizing energy extraction from weak sources. Finally, boost converters designed specifically for MCUs simplify the creation of suitable power sources for MCU-based energy-harvesting designs. By taking advantage of available boost converters, engineers can design highly efficient energy-harvesting applications able to maintain full operation despite the very low voltage levels often available from ambient energy sources.
면책 조항: 이 웹 사이트에서 여러 작성자 및/또는 포럼 참가자가 명시한 의견, 생각 및 견해는 DigiKey의 의견, 생각 및 견해 또는 DigiKey의 공식 정책과 관련이 없습니다.


