브러시리스 DC 모터 제어 소개
Electronic Products 제공
2013-03-27
브러시리스 DC(BLDC) 모터는 기존 모터에서 사용되는 기계 정류자를 제거하고 장치의 신뢰성과 내구성을 향상시키는 전자 장치로 교체하기 때문에 자동차(특히 전기 자동차(EV)), HVAC, 흰색 가전 및 산업 같은 분야에서 점점 많이 사용되고 있습니다.
BLDC 모터의 또 다른 이점은 동일한 전력 출력을 갖는 브러시 유형보다 작고 가볍게 만들 수 있어 공간이 협소한 응용 제품에 적합하다는 것입니다.
단점은 BLDC 모터 작동에 전자 관리가 필요하다는 것입니다. 예를 들어, 회전자의 위치를 나타내는 센서로부터의 입력을 사용하는 마이크로 컨트롤러는 정확한 순간에 정적 코일에 동력을 구동해야 합니다. 정밀 타이밍은 정확한 속도와 토크 제어를 허용할 뿐만 아니라 피크 효율에서의 모터 실행을 보장합니다.
이 기사는 BLDC 모터 작동의 기본 사항을 알아보고 3상 장치의 작동을 위한 일반적 제어 회로를 설명합니다. 이 기사는 또한 BLDC 모터 제어를 위해 특별히 설계되어 있어 설계자가 회로 설계의 부담을 덜 수 있도록 하는 일부 통합 모듈을 고려합니다.
브러시리스 작동의 이점
기본 모터의 브러시는 동력 공급 시 고정 자기장으로 향하는 회전자 날개에 전력을 전달합니다. 고정 브러시와 회전자의 회전 금속 접점 사이의 마찰은 마모를 일으킵니다. 또한 금속 접점 및 아크에 대한 잘못된 브러시로 인해 전력이 손실될 수 있습니다.
BLDC 모터는 브러시를 없애고 대신 '전자 정류자'를 사용하므로 이러한 마모의 근원 및 전력 손실을 제거함으로써 모터의 신뢰성 및 효율성을 향상시킵니다. 또한, BLDC 모터는 향상된 속도와 토크 특성, 보다 빠른 동적 응답, 무잡음 작동 및 더 높은 속도 범위를 비롯하여 브러시 DC 모터와 유도 모터에 비해 여러 다른 이점을 자랑합니다.1
게다가 모터의 크기를 기준으로 제공되는 토크 비율이 높기 때문에, 세탁기나 EV 같이 고전력이 필요하지만 압축성과 밝기도 중요한 응용 제품에 적합한 선택입니다. (그러나 브러시 유형 DC 모터는 시작 토크가 더 높습니다.)
BLDC 모터는 고정자와 회전자에서 생성되는 자기장이 동일한 주파수로 회전하기 때문에 '동기식' 유형으로 알려져 있습니다. 이러한 배열의 한 가지 이점은 BLDC 모터에 유도 모터의 전형적인 '미끄럼'이 발생하지 않는다는 것입니다.
모터는 1상, 2상 또는 3상 유형으로 제공되는데 이 중 3상이 가장 일반적인 유형이며 여기에서 논의할 버전이기도 합니다.
BLDC 모터의 고정자는 내부 주변부를 따라 심지어 여러 권선을 수용하도록 축방향으로 슬롯된 강철 래미네이트로 구성되어 있습니다(그림 1). BLDC 모터 고정자는 유도 모터의 고정자와 유사하지만 권선은 다른 방식으로 분배되어 있습니다.

회전자는 2개 ~ 8개 N-S 극쌍을 갖는 영구 자석으로 구성되어 있습니다. 자석 쌍이 많으면 토크가 증가하고 토크 리플이 제거되어 모터에서의 전력 제공을 고르게 합니다. 단점은 제어 시스템의 복잡도와 비용이 증가하고 최대 속도가 감소한다는 것입니다.
일반적으로 영구 자석을 만드는 데에는 페라이트 자석이 사용되었지만 현대 장치는 희토류 자석을 사용하는 경향이 있습니다. 이러한 자석은 비용이 더 많이 들지만 향상된 플럭스 밀도를 생성하므로 제공된 토크에 대해 회전자를 더 작게 만들 수 있습니다. 이 강력한 자석의 사용은 BLDC 모터가 동일한 크기의 브러시 유형 DC 모터에 비해 더 높은 전력을 제공할 수 있는 핵심 이유입니다.
BLDC 모터의 구성 및 작동에 대한 자세한 내용은 Microchip Technology에서 제공하는 응용 참고 사항(AN885)에서 확인할 수 있습니다.2
작동 기본 사항
BLDC 모터의 전자 정류자는 주변으로 회전자를 '드래그'하는 회전 전기장을 생성하는 고정자 코일에 순차적으로 동력을 구동합니다. N '전자 회전'은 기계적 회전과 동일하며 여기서 N은 자석 쌍의 수입니다.
3상 모터의 경우, 3개 홀 효과 센서가 고정자에 내장되어 있어 컨트롤러에 대한 고정자와 회전자의 상대 위치를 나타내므로 정확한 시퀀수로 정확한 시간에 권선에 동력을 공급할 수 있습니다. 홀 센서는 대개 장치의 비구동 엔드에 실장되어 있습니다(그림 2).

회전자 자기극이 홀 센서를 전달하면 고(한쪽 극) 또는 저(반대 극) 신호가 생성됩니다. 아래에 자세히 설명된 대로 정류의 정확한 시퀀스는 3개 센서에서의 신호를 조합하여 결정할 수 있습니다.
연관된 자기장을 통한 권선의 이동으로 인해 모든 전기 모터에서 전위 전압을 생성합니다. 이 전위는 기전력(EMF)으로 알려져 있으며 렌츠의 법칙에 따라 자기 플럭스의 원래 변경에 반대되는 자기장으로 권선에 전류를 발생시킵니다. 더 간단히, 이는 EMF가 모터의 회전에 저항하는 경향이 있음을 의미하며 따라서 '역' EMF로 참조됩니다. 고정된 자기 플럭스 및 권선 수의 지정된 모터에 대해 EMF는 회전자의 각속도에 비례합니다.
그러나 역 EMF는 모터에 일부 '드래그'를 추가하는 동안 장점으로 사용할 수 있습니다. 마이크로 컨트롤러는 역 EMF를 모니터링하여 홀 효과 센서 없이도 고정자와 회전자의 상대 위치를 결정할 수 있습니다. 이로 인해 모터 구성이 간소화되므로 비용을 줄일 뿐만 아니라, 센서를 지원하는 데 필요할 수 있는 모터에 대한 추가 권선 및 연결을 제거할 수 있습니다. 따라서 먼지와 습도가 있는 경우 신뢰성이 향상됩니다.
그러나 고정 모터는 역 EMF를 생성하지 않으므로 시동 시 마이크로 컨트롤러에서 모터 부품의 위치를 결정할 수 없습니다. 해결 방법은 마이크로 컨트롤러에서 모터 감시를 수행할 수 있도록 충분한 EMF가 생성될 때까지 개방 루프 구성에서 모터를 시작하는 것입니다. 이 '센서리스' BLDC 모터가 인기를 얻고 있습니다.
BLDC 모터 제어
BLDC 모터는 기계적 측면에서 상대적으로 간단하지만 정교한 제어 전자 부품과 정격 전원 공급 장치가 필요합니다. 설계자는 효율적으로 실행하기 위해 정밀한 제어를 필요로 하는 3상 고전력 시스템을 처리해야 하는 문제에 직면하고 있습니다.
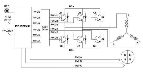
그림 3은 홀 효과 센서로 BLDC 모터를 구동하기 위한 일반적 배열을 보여줍니다. (역 EMF 측정을 사용하는 센서리스 BLDC 모터의 제어는 이후 기사에서 설명합니다.) 이 시스템은 'Y'형으로 배열된 모터의 3개 코일, Microchip PIC18F2431 마이크로 컨트롤러, 절연 게이트 양극 트랜지스터(IGBT) 구동기, 6개 IGBT로 구성된 3상 인버터(고전력 스위칭의 경우 산화 금속 반도체 전계 효과 트랜지스터(MOSFET)를 사용할 수도 있음)를 보여줍니다. 마이크로 컨트롤러의 출력(IGBT 구동기에 의해 반영됨)은 코일에 대한 평균 전압 및 평균 전류를 결정하는(모터 속도와 토크 결정됨) 펄스 폭 변조(PWM) 신호로 구성됩니다. 이 모터는 3개 홀 효과 센서(A, B, C)를 사용하여 회전자 위치를 나타냅니다. 회전자 자체에서는 2쌍의 영구 자석을 사용하여 자기 플럭스를 생성합니다.

이 시스템은 각각의 전기적 회전에 대해 6스텝 정류 시퀀스를 사용합니다. 모터에는 2쌍의 자석이 있으므로, 모터를 1회 회전시키는 데 2회의 전기적 회전이 필요합니다.
그림 4는 6스텝 각각에 대해 그림 3의 모터에 대한 동일한 코일 배열에서의 전류 흐름을 보여주고(이번에는 U, V, W로 레이블 지정됨) 그림 5는 후속 홀 효과 센서 출력 및 코일 전압을 보여줍니다.


한 쌍의 홀 효과 센서는 마이크로 컨트롤러가 코일에 동력을 구동하는 시기를 결정합니다. 이 예제에서 센서 H1 및 H2는 코일 U의 스위칭을 결정합니다. H2에서 N 자극을 감지하면, 코일 U가 양의 방향으로 동력을 구동합니다. H1에서 N 자극을 감지하면 코일 U가 개방됩니다. H2에서 S 자극을 감지하면 코일 U가 음의 방향으로 스위칭됩니다. 마지막으로 H1에서 S 자극을 감지하면 코일 U가 다시 개방됩니다. 마찬가지로, 센서 H2 및 H3은 코일 V의 동력 구동을 결정하고, H1 및 H3은 코일 W를 처리합니다.
각 스텝에서 1개 위상이 모터에 전류를 공급함에 따라 2개 위상이 온 상태가 됩니다. 다른 1개는 전류 귀환 경로를 제공합니다. 다른 위상은 개방 상태입니다. 마이크로 컨트롤러는 2개 활성 코일에 양성적으로 또는 음성적으로 동력을 구동하기 위해 3상 인버터의 어떤 2개 스위치가 폐쇄되어야 하는지 제어합니다. 예를 들어, 그림 3에서 Q1을 스위칭하면 코일 A에 양성적으로 동력을 구동하고 Q2를 스위칭하면 코일 B에 음성적으로 동력을 구동하여 귀환 경로를 제공합니다. 코일 C는 개방 상태로 유지됩니다.
설계자는 8비트 마이크로 컨트롤러 기반 개발 키트를 실험하여 실제 크기 모터의 설계에서 제어를 수행하기 전에 미리 시도해 볼 수 있습니다. 예를 들어, Atmel은 ATxmega128A1 8비트 마이크로 컨트롤러를 기반으로 하는 BLDC 모터 제어를 위해 저가형 스타터 키트인 ATAVRMC323을 제조했습니다.4 여러 다른 벤더에서도 유사한 키트를 제공합니다.
BLDC 모터 구동
3상 인버터와 동류인 8비트 마이크로 컨트롤러는 유용하기는 하지만 전체 BLDC 모터 제어 시스템에는 충분하지 않습니다. 작업을 완료하려면 IGBT 또는 MOSFET를 구동하기 위해 정격 전원 공급 장치가 필요합니다(그림 3에는 'IGBT 구동기'가 표시됨). 다행히 여러 주요 반도체 벤더에서 이 작업을 위한 통합 구동기 칩을 특별히 설계하기 때문에 보다 쉽게 작업을 수행할 수 있습니다.
이 장치는 일반적으로 강압('벅') 컨버터(마이크로 컨트롤러 전력 구동 및 기타 시스템 전력 요구 사항), 게이트 구동기 제어 및 고장 처리, 일부 타이밍 및 제어 논리로 구성되어 있습니다. Texas Instruments의 DRV8301 3상 사전 구동기는 좋은 예입니다(그림 6).

이 사전 구동기는 최대 2.3A 싱크 및 1.7A 소스 피크 전류 성능을 지원하며 8V ~ 60V의 입력 전압을 갖춘 단일 전원 공급 장치를 필요로 합니다. 이 장치는 하이사이드/ 로우사이드 IGBT 또는 MOSFET이 전류 슛스루를 방지하도록 스위칭될 때 자동 핸드 셰이킹을 사용합니다.
ON Semiconductor에서는 유사한 칩, LB11696V를 제공합니다. 이 경우, 원하는 출력 전력(전압 및 전류)의 모터 구동기 회로는 출력 회로에 이산 트랜지스터를 추가하여 구현할 수 있습니다. 이 칩은 또한 보호 회로의 전체 구현을 제공하여 높은 신뢰성을 나타내야 하는 응용 제품에 적합합니다. 이 장치는 에어컨 및 주문형 온수기에서 사용되는 모터 같은 대형 BLDC 모터용으로 설계되었습니다.
결론
BLDC 모터는 일반 모터에 비해 여러 이점을 제공합니다. 모터에서 브러시를 없애면 효율성을 감소시키고, 마모되거나 또는 돌발적으로 고장을 일으킬 수 있는 기계 부품이 제거됩니다. 또한 강력한 희토류 자석의 개발로 더 작은 공간에 맞고 브러시 유형과 동일한 전력을 생성할 수 있는 BLDC 모터를 제조할 수 있습니다.
알려져 있는 단점 중 하나는 브러시 유형과 달리 BLDC 모터는 코일의 동력 구동 시퀀스를 감시하고 기타 제어 기능을 제공하는 데 전자 시스템이 필요합니다. 전자 장치 없이는 모터를 작동할 수 없습니다.
그러나 모터 제어용으로 특별히 설계된 저가의 강력한 전자 장치가 급증한다는 것은 회로 설계가 상대적으로 간단하고 비용이 많이 들지 않음을 의미합니다. 실제로, BLDC 모터는 최신 3상 사인파 또는 구형파 생성기 채택을 통해 마이크로 컨트롤러를 사용하지 않고도 기본 구성에서 실행하도록 설정할 수 있습니다. 예를 들어 Fairchild Semiconductor는 이 응용 제품을 위해 FCM8201 칩을 제공하고 관련된 설정 방법을 위한 응용 참고 사항을 게시했습니다.5
마찬가지로, ON Semiconductor의 MC33033 BLDC 모터 컨트롤러는 칩의 회전자 위치 디코더를 통합하므로 마이크로 컨트롤러가 시스템을 완료할 필요가 없습니다. 이 장치는 3상 또는 4상 BLDC 모터를 제어하는 데 사용할 수 있습니다.
그러나 8비트 마이크로 컨트롤러(공장 제공 코드 또는 개발자의 소프트웨어로 프로그래밍 됨)를 사용하면, 제어 시스템에 대한 약간의 비용 추가만으로 향상된 정밀 위치/속도/토크 출력을 제공할 뿐만 아니라 사용자에게 크게 향상된 모터 제어 기능을 제공하여 모터가 최적의 효율성으로 실행될 수 있도록 합니다.
참고 자료:
- “Brushless DC Motor Primer(브러시리스 DC 모터 프라이머),” Muhammad Mubeen, July 2008.
- “Brushless DC (BLDC) Motor Fundamentals(브러시리스 DC(BLDC) 모터 기본 사항),” Padmaraja Yedamale, Microchip Technology 응용 참고 사항 AN885, 2003.
- “Using the PIC18F2431 for Sensorless BLDC Motor Control(센서리스 BLDC 모터 제어를 위한 PIC18F2431 사용),” Padmaraja Yedamale, Microchip Technology 응용 참고 사항 AN970, 2005.
- “AVR1607: Brushless DC Motor (BLDC) Control in Sensor mode using ATxmega128A1 and ATAVRMC323(ATxmega128A1 및 ATAVRMC323을 사용하여 센서 모드의 브러시리스 DC 모터(BLDC) 제어),” Atmel 응용 참고 사항, 2010.
- “FCM8201 Three-Phase Sine-Wave BLDC Motor Controller(3상 사인파 BLDC 모터 컨트롤러),” Fairchild Semiconductor 응용 참고 사항 AN-8201, 2011.
면책 조항: 이 웹 사이트에서 여러 작성자 및/또는 포럼 참가자가 명시한 의견, 생각 및 견해는 DigiKey의 의견, 생각 및 견해 또는 DigiKey의 공식 정책과 관련이 없습니다.