Digi-key logo
scheme-it logo
Home
Design
BOM
Logout My Account
What’s New Digi-Key Tech Forum Keyboard Shortcuts Contact Us Page Help Page Feedback
Scheme-it settings
Auto save
Scheme-it
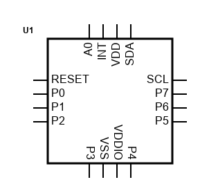
PCA9574HK
PCA9574HK

PCA9574HK

Read more
Open Design

Incorporated Products

IMAGE
MANUFACTURER PART NUMBER
DESCRIPTION
QUANTITY
VIEW DETAILS
1
PCA9574HK
8-bit I²C-bus and SMBus, level translating, low voltage GPIO with reset and interrupt
1
View Details
PCA9574HK
8-bit I²C-bus and SMBus, level translating, low voltage GPIO with reset and interrupt
Quantity: 1
View Details

About this Schematic

Created By
Mike Wilebski
Last Updated
2021-09-22 13:31
What’s New
You are about to delete project

Please type 'DELETE' (without quotes) to the below box to confirm the deletion:

  • Introduction
  • Tutorial Videos
  • Homepage
  • Revision
  • Symbol Editor
  • KiCad Export(beta)
  • Favorite symbols
  • Net
  • Save/Open/Delete Projects
  • Autosave and History
  • Placing Symbols
  • Wiring Symbols
  • Adding/Editing Text
  • Math box
  • Share and Export
  • BOM Manager
  • Digi-Key Catalog
  • FAQ
Title