
CRYSTAL-LESS SOC RF TRANSMITTER
Si4010
Rev. 0.6 9/10 Copyright © 2010 by Silicon Laboratories Si4010
This information applies to a product under development. Its characteristics and specifications are subject to change without notice.
Single Coin-cell Battery Transmitter
Supply voltage: 1.8 to 3.6 V
Standby current < 10 nA
Crystal-less operation
Temperature range –40 to +85 °C
Automotive quality option, AEC-Q100
10-pin MSOP/14-pin SOIC
Pb free/RoHS compliant
RF Transmitter
Frequency range: 27—960 MHz
+10 dBm output power, adjustable
Automatic antenna tuning
Symbol rate up to 100 kbps
FSK/OOK modulation
Manchester, NRZ, 4/5 encoder
Analog Peripherals
LDO regulator with POR circuit
Integrated temperature sensor
Battery voltage monitor
High-Speed 8051 µC Core
Pipeline instruction architecture
70% of instructions in 1 or 2 clocks
Up to 24 MIPs with 24 MHz clock
Memory
4 kB RAM/8kB NVM
128 bit EEPROM
256 byte of internal data RAM
256 byte of external data RAM (XREG)
12 kB ROM embedded functions
8 byte low leakage RAM
Digital Peripherals
128 bit AES Accelerator
4/8 GPIO with wakeup functionality
1 LED driver
Data serializer
High-speed frequency counter
RTC, Timers 2, 3
On-chip debugging - C2
Clock Sources
High-speed crystal-less VCO
Programmable low-power osc - LPOSC
Ultra low-power sleep timer
Optional crystal oscillator input
Applications
Garage and gate door openers
Home automation and security
Remote keyless entry
Si4010
NVM
8 Kbyte EEPROM
128-bit
VDD
GND
PA
RAM/
ROM
PUSH
BUTTONS
CR2032
COIN CELL
1.8 – 3.6 V DIVIDER
I/O
INTERFACE
GPIO
4/8
INTEGRATED 8051 MCU
LDO REGULATOR
TXM
TXP LOOP
ANTENNA
FSK OOK
LED
VDD

Si4010
2 Rev. 0.6

Si4010
3 Rev. 0.6
TABLE OF CONTENTS
1. System Overview. . . . . . . . . . . . . . . . . . . . . . . . . . . . . . . . . . . . . . . . . . . . . . . . . . . . . . . . .11
2. Test Circuit. . . . . . . . . . . . . . . . . . . . . . . . . . . . . . . . . . . . . . . . . . . . . . . . . . . . . . . . . . . . . . 13
3. Typical Application Schematic . . . . . . . . . . . . . . . . . . . . . . . . . . . . . . . . . . . . . . . . . . . . .14
3.1. Si4010 Used in a 5-Button RKE System with LED Indicator . . . . . . . . . . . . . . . . . . .14
3.2. Si4010 with an External Crystal in a 4-Button RKE System with LED Indicator . . . .14
4. Ordering Information . . . . . . . . . . . . . . . . . . . . . . . . . . . . . . . . . . . . . . . . . . . . . . . . . . . . .15
5. Pin Definitions . . . . . . . . . . . . . . . . . . . . . . . . . . . . . . . . . . . . . . . . . . . . . . . . . . . . . . . . . . .16
5.1. MSOP, Application . . . . . . . . . . . . . . . . . . . . . . . . . . . . . . . . . . . . . . . . . . . . . . . . . . .16
5.2. MSOP, Programming/Debug Mode . . . . . . . . . . . . . . . . . . . . . . . . . . . . . . . . . . . . . .17
5.3. SOIC Package, Application . . . . . . . . . . . . . . . . . . . . . . . . . . . . . . . . . . . . . . . . . . . .18
5.4. SOIC Package, Programming/debug Mode. . . . . . . . . . . . . . . . . . . . . . . . . . . . . . . .19
6. Package Specifications . . . . . . . . . . . . . . . . . . . . . . . . . . . . . . . . . . . . . . . . . . . . . . . . . . .20
6.1. 10-Pin MSOP . . . . . . . . . . . . . . . . . . . . . . . . . . . . . . . . . . . . . . . . . . . . . . . . . . . . . . .20
6.2. 14-pin SOIC Package . . . . . . . . . . . . . . . . . . . . . . . . . . . . . . . . . . . . . . . . . . . . . . . .21
7. PCB Land Pattern 10-Pin MSOP . . . . . . . . . . . . . . . . . . . . . . . . . . . . . . . . . . . . . . . . . . . .22
8. PCB Land Pattern 14-pin SOIC Package. . . . . . . . . . . . . . . . . . . . . . . . . . . . . . . . . . . . . .24
9. Electrical Characteristics . . . . . . . . . . . . . . . . . . . . . . . . . . . . . . . . . . . . . . . . . . . . . . . . . .26
10. System Description. . . . . . . . . . . . . . . . . . . . . . . . . . . . . . . . . . . . . . . . . . . . . . . . . . . . . .33
10.1. Overview . . . . . . . . . . . . . . . . . . . . . . . . . . . . . . . . . . . . . . . . . . . . . . . . . . . . . . . . .33
10.2. Setting Basic Si4010 Transmit Parameters . . . . . . . . . . . . . . . . . . . . . . . . . . . . . . .35
10.2.1. Package Type.....................................................................................................35
10.2.2. Output Power......................................................................................................35
10.2.3. Modulation, Encoding, and Data Rate................................................................37
10.2.4. Output Frequency...............................................................................................37
10.2.5. Battery Life Calculation.......................................................................................38
10.3. Applications Programming Interface (API) Commands............................................39
11. Power Amplifier. . . . . . . . . . . . . . . . . . . . . . . . . . . . . . . . . . . . . . . . . . . . . . . . . . . . . . . . .42
11.1. Register Description. . . . . . . . . . . . . . . . . . . . . . . . . . . . . . . . . . . . . . . . . . . . . . . . .44
12. Output Data Serializer (ODS) . . . . . . . . . . . . . . . . . . . . . . . . . . . . . . . . . . . . . . . . . . . . . .46
12.1. Description . . . . . . . . . . . . . . . . . . . . . . . . . . . . . . . . . . . . . . . . . . . . . . . . . . . . . . . .46
12.2. Timing . . . . . . . . . . . . . . . . . . . . . . . . . . . . . . . . . . . . . . . . . . . . . . . . . . . . . . . . . . .46
12.3. Register Description. . . . . . . . . . . . . . . . . . . . . . . . . . . . . . . . . . . . . . . . . . . . . . . . .47
13. LC Oscillator (LCOSC) . . . . . . . . . . . . . . . . . . . . . . . . . . . . . . . . . . . . . . . . . . . . . . . . . . .52
13.1. Register Description. . . . . . . . . . . . . . . . . . . . . . . . . . . . . . . . . . . . . . . . . . . . . . . . .52
14. Low Power Oscillator and System Clock Generator . . . . . . . . . . . . . . . . . . . . . . . . . . .53
14.1. Register Description. . . . . . . . . . . . . . . . . . . . . . . . . . . . . . . . . . . . . . . . . . . . . . . . .53
15. Crystal Oscillator (XO) . . . . . . . . . . . . . . . . . . . . . . . . . . . . . . . . . . . . . . . . . . . . . . . . . . .55
15.1. Register Description. . . . . . . . . . . . . . . . . . . . . . . . . . . . . . . . . . . . . . . . . . . . . . . . .55
16. Frequency Counter . . . . . . . . . . . . . . . . . . . . . . . . . . . . . . . . . . . . . . . . . . . . . . . . . . . . . .56
16.1. Register Description. . . . . . . . . . . . . . . . . . . . . . . . . . . . . . . . . . . . . . . . . . . . . . . . .58
17. Sleep Timer . . . . . . . . . . . . . . . . . . . . . . . . . . . . . . . . . . . . . . . . . . . . . . . . . . . . . . . . . . . .60
18. Bandgap and LDO . . . . . . . . . . . . . . . . . . . . . . . . . . . . . . . . . . . . . . . . . . . . . . . . . . . . . . .60
19. Low Leakage HVRAM . . . . . . . . . . . . . . . . . . . . . . . . . . . . . . . . . . . . . . . . . . . . . . . . . . . .60

Si4010
4 Rev. 0.6
20. Temperature Sensor . . . . . . . . . . . . . . . . . . . . . . . . . . . . . . . . . . . . . . . . . . . . . . . . . . . . .60
21. CIP-51 Microcontroller . . . . . . . . . . . . . . . . . . . . . . . . . . . . . . . . . . . . . . . . . . . . . . . . . . .61
21.1. Instruction Set . . . . . . . . . . . . . . . . . . . . . . . . . . . . . . . . . . . . . . . . . . . . . . . . . . . . .62
21.1.1. Instruction and CPU Timing................................................................................62
21.2. CIP-51 Register Descriptions. . . . . . . . . . . . . . . . . . . . . . . . . . . . . . . . . . . . . . . . . .67
22. Memory Organization . . . . . . . . . . . . . . . . . . . . . . . . . . . . . . . . . . . . . . . . . . . . . . . . . . . .71
22.1. Program Memory . . . . . . . . . . . . . . . . . . . . . . . . . . . . . . . . . . . . . . . . . . . . . . . . . . .72
22.2. Internal Data Memory. . . . . . . . . . . . . . . . . . . . . . . . . . . . . . . . . . . . . . . . . . . . . . . .72
22.3. External Data Memory . . . . . . . . . . . . . . . . . . . . . . . . . . . . . . . . . . . . . . . . . . . . . . .72
22.4. General Purpose Registers . . . . . . . . . . . . . . . . . . . . . . . . . . . . . . . . . . . . . . . . . . .72
22.5. Bit Addressable Locations . . . . . . . . . . . . . . . . . . . . . . . . . . . . . . . . . . . . . . . . . . . .73
22.6. Stack . . . . . . . . . . . . . . . . . . . . . . . . . . . . . . . . . . . . . . . . . . . . . . . . . . . . . . . . . . . .73
22.7. Special Function Registers (SFR) . . . . . . . . . . . . . . . . . . . . . . . . . . . . . . . . . . . . . .73
22.8. Registers Mapped to XDATA Address Space (XREG) . . . . . . . . . . . . . . . . . . . . . .73
22.9. NVM (OTP) Memory . . . . . . . . . . . . . . . . . . . . . . . . . . . . . . . . . . . . . . . . . . . . . . . .73
22.10. MTP (EEPROM) Memory. . . . . . . . . . . . . . . . . . . . . . . . . . . . . . . . . . . . . . . . . . . .74
23. System Boot and NVM Programming . . . . . . . . . . . . . . . . . . . . . . . . . . . . . . . . . . . . . . .75
23.1. Startup Overview . . . . . . . . . . . . . . . . . . . . . . . . . . . . . . . . . . . . . . . . . . . . . . . . . . .75
23.2. Reset . . . . . . . . . . . . . . . . . . . . . . . . . . . . . . . . . . . . . . . . . . . . . . . . . . . . . . . . . . . .76
23.3. Chip Program Levels . . . . . . . . . . . . . . . . . . . . . . . . . . . . . . . . . . . . . . . . . . . . . . . .76
23.4. NVM Organization . . . . . . . . . . . . . . . . . . . . . . . . . . . . . . . . . . . . . . . . . . . . . . . . . .77
23.5. Device Boot Process . . . . . . . . . . . . . . . . . . . . . . . . . . . . . . . . . . . . . . . . . . . . . . . .78
23.6. Error Handling During Boot . . . . . . . . . . . . . . . . . . . . . . . . . . . . . . . . . . . . . . . . . . .79
23.7. CODE/XDATA RAM Address Map. . . . . . . . . . . . . . . . . . . . . . . . . . . . . . . . . . . . . .79
23.8. Boot Status Variables. . . . . . . . . . . . . . . . . . . . . . . . . . . . . . . . . . . . . . . . . . . . . . . .81
23.9. Boot Routine Destination Address Space . . . . . . . . . . . . . . . . . . . . . . . . . . . . . . . . 84
23.10. NVM Programming. . . . . . . . . . . . . . . . . . . . . . . . . . . . . . . . . . . . . . . . . . . . . . . . .85
23.11. Retest and Retest Configuration . . . . . . . . . . . . . . . . . . . . . . . . . . . . . . . . . . . . . .86
23.12. Boot and Retest Protection Control Register . . . . . . . . . . . . . . . . . . . . . . . . . . . . .88
23.13. Chip Protection Control Register . . . . . . . . . . . . . . . . . . . . . . . . . . . . . . . . . . . . . .89
24. On-Chip Registers. . . . . . . . . . . . . . . . . . . . . . . . . . . . . . . . . . . . . . . . . . . . . . . . . . . . . . .90
24.1. Special Function Registers . . . . . . . . . . . . . . . . . . . . . . . . . . . . . . . . . . . . . . . . . . .90
24.2. XREG Registers. . . . . . . . . . . . . . . . . . . . . . . . . . . . . . . . . . . . . . . . . . . . . . . . . . . .93
25. Interrupts . . . . . . . . . . . . . . . . . . . . . . . . . . . . . . . . . . . . . . . . . . . . . . . . . . . . . . . . . . . . . .96
25.1. MCU Interrupt Sources and Vectors . . . . . . . . . . . . . . . . . . . . . . . . . . . . . . . . . . . .97
25.2. Interrupt Priorities. . . . . . . . . . . . . . . . . . . . . . . . . . . . . . . . . . . . . . . . . . . . . . . . . . .97
25.3. Interrupt Latency . . . . . . . . . . . . . . . . . . . . . . . . . . . . . . . . . . . . . . . . . . . . . . . . . . . 97
25.4. Interrupt Register Descriptions. . . . . . . . . . . . . . . . . . . . . . . . . . . . . . . . . . . . . . . . . 98
25.5. External Interrupts . . . . . . . . . . . . . . . . . . . . . . . . . . . . . . . . . . . . . . . . . . . . . . . . .104
26. Power Management Modes . . . . . . . . . . . . . . . . . . . . . . . . . . . . . . . . . . . . . . . . . . . . . .106
26.1. Idle Mode . . . . . . . . . . . . . . . . . . . . . . . . . . . . . . . . . . . . . . . . . . . . . . . . . . . . . . . .106
26.2. Stop Mode . . . . . . . . . . . . . . . . . . . . . . . . . . . . . . . . . . . . . . . . . . . . . . . . . . . . . . .106
27. AES Hardware Accelerator. . . . . . . . . . . . . . . . . . . . . . . . . . . . . . . . . . . . . . . . . . . . . . .108
27.1. AES SFR Registers . . . . . . . . . . . . . . . . . . . . . . . . . . . . . . . . . . . . . . . . . . . . . . . .108
28. Reset Sources . . . . . . . . . . . . . . . . . . . . . . . . . . . . . . . . . . . . . . . . . . . . . . . . . . . . . . . . .111
28.1. Device Boot Outline . . . . . . . . . . . . . . . . . . . . . . . . . . . . . . . . . . . . . . . . . . . . . . . .111

Si4010
Rev. 0.6 5
28.2. External Reset . . . . . . . . . . . . . . . . . . . . . . . . . . . . . . . . . . . . . . . . . . . . . . . . . . . .111
28.3. Software Reset. . . . . . . . . . . . . . . . . . . . . . . . . . . . . . . . . . . . . . . . . . . . . . . . . . . .111
29. Port Input/Output. . . . . . . . . . . . . . . . . . . . . . . . . . . . . . . . . . . . . . . . . . . . . . . . . . . . . . .112
29.1. GPIO Pin Special Roles . . . . . . . . . . . . . . . . . . . . . . . . . . . . . . . . . . . . . . . . . . . . .115
29.2. Pullup Roff Option . . . . . . . . . . . . . . . . . . . . . . . . . . . . . . . . . . . . . . . . . . . . . . . . .116
29.3. Matrix Mode Option . . . . . . . . . . . . . . . . . . . . . . . . . . . . . . . . . . . . . . . . . . . . . . . .116
29.4. Pullup Roff and Matrix Mode Option Control . . . . . . . . . . . . . . . . . . . . . . . . . . . . .118
29.5. Special GPIO Modes Control . . . . . . . . . . . . . . . . . . . . . . . . . . . . . . . . . . . . . . . . .119
29.6. LED Driver on GPIO[5]. . . . . . . . . . . . . . . . . . . . . . . . . . . . . . . . . . . . . . . . . . . . . .121
30. Clock Output Generation . . . . . . . . . . . . . . . . . . . . . . . . . . . . . . . . . . . . . . . . . . . . . . . .127
30.1. Register Description. . . . . . . . . . . . . . . . . . . . . . . . . . . . . . . . . . . . . . . . . . . . . . . .128
31. Control and System Setting Registers . . . . . . . . . . . . . . . . . . . . . . . . . . . . . . . . . . . . .130
32. Real Time Clock Timer . . . . . . . . . . . . . . . . . . . . . . . . . . . . . . . . . . . . . . . . . . . . . . . . . .132
32.1. RTC Interrupt Flag Time Uniformity . . . . . . . . . . . . . . . . . . . . . . . . . . . . . . . . . . . .133
32.2. Register Description. . . . . . . . . . . . . . . . . . . . . . . . . . . . . . . . . . . . . . . . . . . . . . . .133
33. Timers 2 and 3 . . . . . . . . . . . . . . . . . . . . . . . . . . . . . . . . . . . . . . . . . . . . . . . . . . . . . . . . .135
33.1. Interrupt Flag Generation . . . . . . . . . . . . . . . . . . . . . . . . . . . . . . . . . . . . . . . . . . . .136
33.2. 16-bit Timer with Auto Reload (Wide Mode) . . . . . . . . . . . . . . . . . . . . . . . . . . . . .137
33.3. 16-bit Capture Mode (Wide Mode). . . . . . . . . . . . . . . . . . . . . . . . . . . . . . . . . . . . .137
33.4. 8-bit Timer/Timer Mode (Split Mode) . . . . . . . . . . . . . . . . . . . . . . . . . . . . . . . . . . .138
33.5. 8-bit Capture/Capture Mode (Split Mode) . . . . . . . . . . . . . . . . . . . . . . . . . . . . . . .139
33.6. 8-bit Timer/Capture Mode (Split Mode) . . . . . . . . . . . . . . . . . . . . . . . . . . . . . . . . .140
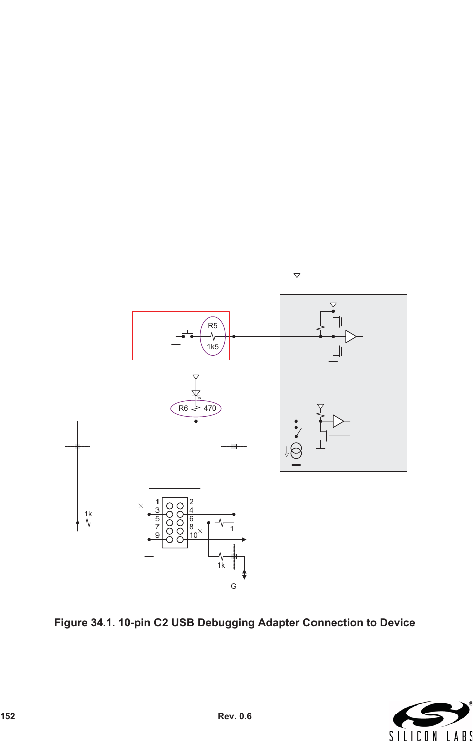
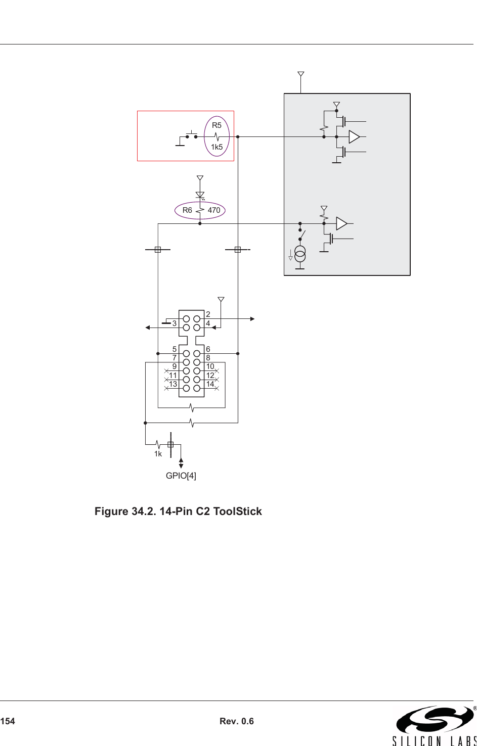
34. C2 Interface . . . . . . . . . . . . . . . . . . . . . . . . . . . . . . . . . . . . . . . . . . . . . . . . . . . . . . . . . . .152
34.1. C2 Pin Sharing . . . . . . . . . . . . . . . . . . . . . . . . . . . . . . . . . . . . . . . . . . . . . . . . . . . .152
35. IDE Development Environment and Debugging Chain . . . . . . . . . . . . . . . . . . . . . . . .155
35.1. Functionality Limitations While Using IDE Development Environment . . . . . . . . . 155
35.2. Chip Shutdown Limitation . . . . . . . . . . . . . . . . . . . . . . . . . . . . . . . . . . . . . . . . . . .156
35.3. LED Driver Usage while Using IDE Debugging Chain . . . . . . . . . . . . . . . . . . . . . .156
35.4. LED Driver and Application Development Issues . . . . . . . . . . . . . . . . . . . . . . . . . 157
36. Additional Reference Resources . . . . . . . . . . . . . . . . . . . . . . . . . . . . . . . . . . . . . . . . . .158
Document Change List . . . . . . . . . . . . . . . . . . . . . . . . . . . . . . . . . . . . . . . . . . . . . . . . . . . . .159
Contact Information . . . . . . . . . . . . . . . . . . . . . . . . . . . . . . . . . . . . . . . . . . . . . . . . . . . . . . .160

Si4010
6 Rev. 0.6
LIST OF FIGURES
Figure 1.1. Si4010 Block Diagram ......................................................................................12
Figure 2.1. Test Block Diagram with 10-pin MSOP ............................................................13
Figure 3.1. Si4010 Used in a 5-button RKE System with LED Indicator .............................14
Figure 3.2. Si4010 with an External Crystal in a 4-button RKE System with LED Indicator 14
Figure 6.1. 10-pin MSOP Package .....................................................................................20
Figure 6.2. 14-pin SOIC Package .......................................................................................21
Figure 7.1. 10-Pin MSOP Recommended PCB Land Pattern ............................................22
Figure 8.1. 14-pin SOIC Recommended PCB Land Pattern ...............................................24
Figure 10.1. Functional Block Diagram ...............................................................................33
Figure 11.1. Simplified PA Block Diagram ..........................................................................42
Figure 12.1. OOK Timing Example .....................................................................................46
Figure 12.2. FSK Timing Example ......................................................................................46
Figure 16.1. Frequency Counter Block Diagram .................................................................56
Figure 21.1. CIP-51 Block Diagram ....................................................................................61
Figure 22.1. Address Space Map after the Boot .................................................................71
Figure 23.1. NVM Address Map ..........................................................................................78
Figure 23.2. CODE/XDATA RAM Address Map .................................................................80
Figure 23.3. Boot Routine Destination CPU Address Space for Copy from NVM ..............84
Figure 29.1. Device Package and Port Assignments ........................................................112
Figure 29.2. GPIO[3:1] Functional Diagram ......................................................................114
Figure 29.3. Other GPIO Functional Diagram ...................................................................114
Figure 29.4. Push Button Organization in Matrix Mode ....................................................117
Figure 29.5. GPIO[5] LED Driver Block Diagram ..............................................................121
Figure 30.1. Output Clock Generator Block Diagram .......................................................127
Figure 32.1. RTC Timer Block Diagram ............................................................................132
Figure 33.1. Timer Interrupt Generation ...........................................................................136
Figure 33.2. Timer 16-bit Mode Block Diagram (Wide Mode) ...........................................137
Figure 33.3. Capture 16-bit Mode Block Diagram (Wide Mode) .......................................138
Figure 33.4. Two 8-bit Timers in Timer/Timer Configuration (Split Mode) ........................139
Figure 33.5. Two 8-bit Timers in Capture/Capture Configuration (Split Mode) .................140
Figure 33.6. Two 8-bit TImers in Timer/Capture Configuration (Split Mode) ....................141
Figure 33.7. Two 8-bit Timers In Capture/Timer Configuration (Split Mode) ....................142
Figure 34.1. 10-pin C2 USB Debugging Adapter Connection to Device ...........................152
Figure 34.2. 14-pin C2 ToolStick Connection to Device ...................................................154

List of Tables
Rev. 0.6 7
LIST OF TABLES
Table 4.1. Product Selection Guide ....................................................................................15
Table 6.1. Package Dimensions .........................................................................................20
Table 6.2. Package Dimensions .........................................................................................21
Table 7.1. 10-Pin MSOP Dimensions .................................................................................23
Table 8.1. PCB Land Pattern Dimensions ..........................................................................25
Table 9.1. Recommended Operating Conditions ................................................................26
Table 9.2. Absolute Maximum Ratings1,2 ...........................................................................26
Table 9.3. DC Characteristics .............................................................................................27
Table 9.4. Si4010 RF Transmitter Characteristics ..............................................................28
Table 9.5. Low Battery Detector Characteristics .................................................................31
Table 9.6. Optional Crystal Oscillator Characteristics .........................................................31
Table 9.7. EEPROM Characteristics ...................................................................................31
Table 9.8. Low Power Oscillator Characteristics ................................................................32
Table 9.9. Sleep Timer Characteristics ...............................................................................32
Table 21.1. CIP-51 Instruction Set Summary .....................................................................63
Table 23.1. Boot XDATA Status Variables .........................................................................81
Table 23.2. Run Chip Retest Protection Flags: NVM Programmer .....................................86
Table 24.1. Special Function Register (SFR) Memory Map ...............................................90
Table 24.2. Special Function Registers ..............................................................................91
Table 24.3. XREG Register Memory Map in External Memory ..........................................94
Table 24.4. XREG Registers ...............................................................................................95
Table 25.1. Interrupt Summary ...........................................................................................98
Table 29.1. 10–Pin Mode ..................................................................................................113
Table 29.2. 14–Pin Mode ..................................................................................................113
Table 29.3. GPIO Special Roles .......................................................................................115
Table 29.4. GPIO Special Roles Control and Order .........................................................120

Si4010
8 Rev. 0.6
LIST OF XREG REGISTERS
XREG Definition 11.2. wPA_CAP ..........................................................................................44
XREG Definition 11.3. bPA_TRIM ..........................................................................................45
XREG Definition 14.1. bLPOSC_TRIM ..................................................................................53
XREG Definition 15.1. bXO_CTRL .........................................................................................55
XREG Definition 16.3. lFC_COUNT .......................................................................................59
XREG Definition 22.1. abMTP_RDATA[16] ........................................................................... 74

Si4010
9 Rev. 0.6
LIST OF SFR REGISTERS
SFR Definition 11.1. PA_LVL ...................................................................................................44
SFR Definition 12.1. ODS_CTRL .............................................................................................47
SFR Definition 12.2. ODS_TIMING ..........................................................................................48
SFR Definition 12.3. ODS_DATA .............................................................................................49
SFR Definition 12.4. ODS_RATEL ...........................................................................................49
SFR Definition 12.5. ODS_RATEH ..........................................................................................50
SFR Definition 12.6. ODS_WARM1 .........................................................................................50
SFR Definition 12.7. ODS_WARM2 .........................................................................................51
SFR Definition 13.1. LC_FSK ...................................................................................................52
SFR Definition 14.2. SYSGEN .................................................................................................54
SFR Definition 16.1. FC_CTRL ................................................................................................58
SFR Definition 16.2. FC_INTERVAL ........................................................................................59
SFR Definition 21.1. DPL .........................................................................................................67
SFR Definition 21.2. DPH .........................................................................................................67
SFR Definition 21.3. SP ...........................................................................................................68
SFR Definition 21.4. ACC .........................................................................................................68
SFR Definition 21.5. B .............................................................................................................. 69
SFR Definition 21.6. PSW ........................................................................................................70
SFR Definition 23.1. BOOT_BOOTSTAT .................................................................................82
SFR Definition 23.2. BOOT_FLAGS ........................................................................................83
SFR Definition 23.3. PROT3_CTRL .........................................................................................88
SFR Definition 23.4. PROT0_CTRL .........................................................................................89
SFR Definition 25.1. IE .............................................................................................................99
SFR Definition 25.2. IP ...........................................................................................................100
SFR Definition 25.3. EIE1 ......................................................................................................101
SFR Definition 25.4. EIP1 ......................................................................................................102
SFR Definition 25.5. INT_FLAGS ...........................................................................................103
SFR Definition 25.6. PORT_INTCFG .....................................................................................105
SFR Definition 26.1. PCON ....................................................................................................107
SFR Definition 27.1. GFM_DATA ...........................................................................................109
SFR Definition 27.2. GFM_CONST ........................................................................................109
SFR Definition 27.3. SBOX_DATA .........................................................................................110
SFR Definition 29.1. P0 ..........................................................................................................122
SFR Definition 29.2. P0CON ..................................................................................................123
SFR Definition 29.3. P1 ..........................................................................................................123
SFR Definition 29.4. P1CON ..................................................................................................124
SFR Definition 29.5. P2 ..........................................................................................................124
SFR Definition 29.6. PORT_CTRL .........................................................................................125
SFR Definition 29.7. PORT_SET ...........................................................................................126
SFR Definition 30.1. CLKOUT_SET .......................................................................................128
SFR Definition 31.1. GPR_CTRL ...........................................................................................130
SFR Definition 31.2. GPR_DATA ...........................................................................................130
SFR Definition 31.3. RBIT_DATA ..........................................................................................131

Si4010
10 Rev. 0.6
SFR Definition 32.1. RTC_CTRL ...........................................................................................134
SFR Definition 33.1. TMR_CLKSEL .......................................................................................143
SFR Definition 33.2. TMR2CTRL ...........................................................................................144
SFR Definition 33.3. TMR2RL ................................................................................................146
SFR Definition 33.4. TMR2RH ...............................................................................................146
SFR Definition 33.5. TMR2L ..................................................................................................147
SFR Definition 33.6. TMR2H ..................................................................................................147
SFR Definition 33.7. TMR3CTRL ...........................................................................................148
SFR Definition 33.8. TMR3RL ................................................................................................150
SFR Definition 33.9. TMR3RH ...............................................................................................150
SFR Definition 33.10. TMR3L ................................................................................................151
SFR Definition 33.11. TMR3H ................................................................................................151

Rev. 0.6 11
Si4010
1. System Overview
The Si4010 is a fully integrated crystal-less CMOS SoC RF transmitter with an embedded CIP-51 8051
MCU designed for the sub 1 GHz ISM frequency bands. This chip is optimized for battery powered applica-
tions with operating voltages from 1.8 to 3.6 V and ultra-low current consumption with a standby current of
less than 10 nA. The high power amplifier can supply up to +10 dBm output power with 19.5 dB of pro-
grammable range. Moreover, the SoC transmitter includes a patented antenna tuning circuit that automati-
cally fine tunes the resonance frequency and impedance matching between the PA output and the
connected antenna for optimum transmit efficiency and low harmonic content. FSK and OOK modulation is
supported with symbol rates up to 100 kbps. Like all wireless devices, users are responsible for complying
with applicable local regulatory requirements for radio transmissions.
The embedded CIP-51 8051 MCU provides the core functionality of the Si4010. User software has com-
plete control of all peripherals, and may individually shut down any or all peripherals for power savings. A
space of 8 kB of on-chip one-time programmable NVM memory is available to store the user program and
can also store unique transmit IDs. In case of power outages due to battery removal, 128 bits of EEPROM
is available for counter or other operations providing non-volatile storage capability. A library of useful soft-
ware functions such as AES encryption, a patented 32-bit counter providing 1 M cycles of read/write
endurance, and many other functions are included in the 12 kB of ROM to reduce user design time and
code space. General purpose input/output pins with push button wake-on touch capability, a programma-
ble system clock, and ultra low power timers are also available to further reduce current consumption.
The Si4010 includes Silicon Laboratories' 2-wire C2 Debug and Programming interface. This debug logic
supports memory inspection, viewing and modification of special function registers (SFR), setting break
points, single stepping, and run and halt commands. All analog and digital peripherals are fully functional
while debugging using C2. The two C2 interface pins can be shared with user functions, allowing in-system
debugging without occupying package pins.
The device leverages Silicon Labs' patented and proven crystal-less oscillator technology and offers better
than ±150 ppm carrier frequency stability over the temperature range of 0 to + 70 °C and ±250 ppm carrier
frequency stability over the industrial range of –40 to + 85 °C without the use of an external crystal or fre-
quency reference. The internal MCU automatically calibrates the on-chip voltage controlled oscillator
(LCOSC) which forms the output carrier frequency for process and temperature variations. An external 1-
pin crystal oscillator option is available for applications requiring tighter frequency tolerances.
Digital integration reduces the amount of required external components compared to traditional offerings,
resulting in a solution that only requires a printed circuit board (PCB) implementation area of approximately
25 by 50 mm (including battery, switches, and 25 mm2 antenna). The high integration of the Si4010
improves the system manufacturing reliability and quality and minimizes costs. This chip offers industry
leading RF performance, high integration, flexibility, low BOM, small board area, and ease of design. No
production alignment is necessary as all RF functions are integrated into the device.

Si4010
12 Rev. 0.6
Figure 1.1. Si4010 Block Diagram
Si4010
SFR
BUS
C2
PORT
CONTR
TEMP
DEMOD
ODS
FREQ
COUNTER
CIP-51 8051
CONTROLLER CORE
256 BYTE IRAM
256 BYTE XREG
4K BYTE RAM
12K BYTE ROM
DIGITAL PERIPHERALS
INTC
RTC
TMR 2,3
AES 128b ACCEL
GPIO0/XTAL/VPP
GPIO1
GPIO2
GPIO3
GPIO4/C2DAT
GPIO5/C2CLK/LED
GPIO6
GPIO7
GPIO8
GPIO9
NVM
8 KB EEPROM
128-bit
MEMORY
CONTROLLER
14P SOIC
Package
Only
LCOSC
PADIVIDER
XTAL
OSC
HVRAM
8 Byte
AUTO
TUNE
FSK
OOK
LPOSC
TEMP
SENSOR
LDO
POR
BANDGAP
VA
VD
TXP
TXM
VDD
GND
SLP
TMR
RF ANALOG CORE

Rev. 0.6 13
Si4010
2. Test Circuit
Figure 2.1. Test Block Diagram with 10-Pin MSOP
U1
Si4010-GT
GPIO0
GND
TXM
TXP
VDD
GPIO1
GPIO2
GPIO3
GPIO4
LED
1
2
3
4
5
10
9
8
7
6
C1
1 uF
TESTER
INTERFACE
GP1
GP2
GP3
GP4
GP5
TEST
EQUIPMENT
GP0
VDD
MATCHING
NETWORK

Si4010
14 Rev. 0.6
3. Typical Application Schematic
3.1. Si4010 Used in a 5-Button RKE System with LED Indicator
Figure 3.1. Si4010 Used in a 5-button RKE System with LED Indicator
3.2. Si4010 with an External Crystal in a 4-Button RKE System with LED Indicator
Figure 3.2. Si4010 with an External Crystal in a 4-button RKE System with LED Indicator
U1
Si4010-GT
GPI0
GND
TXM
TXP
VDD
GPIO1
GPIO2
GPIO3
GPIO4
LED
1
2
3
4
5
10
9
8
7
6
CR2032
COIN CELL
1.8 to 3.6 V
LOOP
A
NTENN
A
C1
1uF
SW1
D1
SW0
SW2
SW3
SW4
C2
U1
Si4010-GT
GPI0
GND
TXM
TXP
VDD
GPIO1
GPIO2
GPIO3
GPIO4
LED
1
2
3
4
5
10
9
8
7
6
CR2032
COIN CELL
1.8 to 3.6 V
LOOP
ANTENNA
C1
1uF
SW1
D1
SW2
SW3
SW4
C2
X1
C3

Rev. 0.6 15
Si4010
4. Ordering Information
Table 4.1. Product Selection Guide
Ordering Part Number1
MIPS (Peak)
NVM (OTP) Memory (Bytes)
RAM (Bytes)
Embedded ROM Functions
Internal Data RAM (Bytes)
HVRAM (Bytes)
EEPROM (Bits)
128-bit AES Accelerator
GPIO with Wakeup2
LED Driver
Sleep Timer
+10 dBm RF Transmitter
LDO with POR Circuit
Integrated Temperature Sensor
Low Battery Detector
Automotive Qualified
Lead-free (RoHS Compliant)
Package
Si4010-C2-GT 24 8k 4k Y 256 8 128 Y 41YYYYY—YMSOP-10
Si4010-C2-GS 24 8k 4k Y 256 8 128 Y 81YYYYY—YSOIC-14
Si4010-C2-AT 24 8k 4k Y 256 8 128 Y 41YYYYYYYMSOP-10
Si4010-C2-AS 24 8k 4k Y 256 8 128 Y 81YYYYYYYSOIC-14
Notes:
1. Add an “(R)” at the end of the device part number to denote tape and reel option.
2. Assumes LED driver is used and no external crystal.

Si4010
16 Rev. 0.6
5. Pin Definitions
5.1. MSOP, Application
Pin Number(s) Name Description
1GPIO0/XTAL General purpose input pin.
Can be configured as an input pin for a crystal.
2GND Ground. Connect to ground plane on PCB.
3, 4 TXM, TXP Transmitter differential outputs.
5VDD Power.
6LED Dedicated LED driver.
7, 8, 9, 10 GPIO[4:1] General purpose input/output pins.
GPIO0/XTAL
Si4010-GT
2
3
6
7
8
4
5
9GPIO2
GPIO3
GPIO4
LEDVDD
TXP
GND
TXM
110 GPIO1

Rev. 0.6 17
Si4010
5.2. MSOP, Programming/Debug Mode
Pin Number(s) Name Description
1 VPP +6.5 V required for NVM (OTP) Memory programming.
2GND
Ground. Connect to ground plane on PCB.
3TXM
Transmitter differential output.
4TXP
Transmitter differential output.
5VDD
Power.
6 C2CLK C2 clock interface.
7C2DAT
C2 data input/output pin.
8, 9, 10 GPIO[3:1] General purpose input/output pins.
VPP/GPIO0/XTAL
Si4010-GT
2
3
6
7
8
4
5
9GPIO2
GPIO3
C2DAT/GPIO4
C2CLK/LEDVDD
TXP
GND
TXM
110 GPIO1

Si4010
18 Rev. 0.6
5.3. SOIC Package, Application
Pin
Number(s)
Name Description
1 GPIO9 General purpose input/output pin
2 GPIO0/XTAL General purpose input pin. Can be configured as an input
pin for a crystal
3 GND Ground. Connect to ground plane on PCB
4,5 TXM, TXP Transmitter differential outputs
6VDDPower
7,8 GPIO[7:6] General purpose input/output pins
9 LED Dedicated LED driver
10,11,12,13 GPIO[4:1] General purpose input/output pins
14 GPIO8 General purpose input/output pin
Si4010-GS
3
4
9
10
11
5
6
12 GPIO2
GPIO3
GPIO4
LEDVDD
GPIO0/XTAL
TXP
GND
TXM
213 GPIO1
GPIO9 114 GPIO8
87GPIO6GPIO7

Rev. 0.6 19
Si4010
5.4. SOIC Package, Programming/debug Mode
Pin
Number(s)
Name Description
1 GPIO9 General purpose input/output pin
2 VPP +6.5 V required for NVM (OTP) Memory programming
3 GND Ground. Connect to ground plane on PCB
4,5 TXM, TXP Transmitter differential outputs
6VDDPower
7,8 GPIO[7:6] General purpose input/output pins
9 C2CLK C2 clock interface
10 C2DAT C2 data input/output pin
11,12,13 GPIO[4:1] General purpose input/output pins
14 GPIO8 General purpose input/output pin
Si4010-GS
3
4
9
10
11
5
6
12 GPIO2
GPIO3
C2DAT/GPIO4
C2CLK/LEDVDD
VPP/GPIO0/XTAL
TXP
GND
TXM
213 GPIO1
GPIO9 114 GPIO8
87GPIO6GPIO7

Si4010
20 Rev. 0.6
6. Package Specifications
6.1. 10-Pin MSOP
Figure 6.1 illustrates the package details for the Si4010, 10-pin MSOP package. Table 6.1 lists the values
for the dimensions shown in the illustration.
Figure 6.1. 10-Pin MSOP Package
Table 6.1. Package Dimensions
Symbol Millimeters Symbol Millimeters
Min Nom Max Min Nom Max
A — — 1.10 e 0.50 BSC
A1 0.00 — 0.15 L 0.40 0.60 0.80
A2 0.75 0.85 0.95 L2 0.25 BSC
b 0.17 — 0.33 q 0° — 8°
c 0.08 — 0.23 aaa — — 0.20
D 3.00 BSC bbb — — 0.25
E 4.90 BSC ccc — — 0.10
E1 3.00 BSC ddd — — 0.08
Notes:
1. All dimensions are shown in millimeters (mm).
2. Dimensioning and tolerancing per ASME Y14.5M-1994.
3. This drawing conforms to JEDEC Outline MO-187, Variation “BA.”
4. Recommended card reflow profile is per the JEDEC/IPC J-STD-020 specification for Small Body Components.

Rev. 0.6 21
Si4010
6.2. 14-pin SOIC Package
Figure 6.2 illustrates the package details for the Si4010, 14-pin SOIC package. Table 6.2 lists the values
for the dimensions shown in the illustration.
Figure 6.2. 14-Pin SOIC Package
Table 6.2. Package Dimensions
Symbol Min Max Symbol Min Max
A — 1.75 L 0.40 1.27
A1 0.10 0.25 L2 0.25 BSC
b 0.33 0.51 Q 0° 8°
c 0.17 0.25 aaa 0.10
D 8.65 BSC bbb 0.20
E 6.00 BSC ccc 0.10
E1 3.90 BSC ddd 0.25
e 1.27 BSC
Notes:
1. All dimensions are shown in millimeters (mm).
2. Dimensioning and tolerancing per ASME Y14.5M-1994.
3. This drawing conforms to JEDEC Outline MS012, variation AB.”
4. Recommended card reflow profile is per the JEDEC/IPC J-STD-020 specification for
Small Body Components.

Si4010
22 Rev. 0.6
7. PCB Land Pattern 10-Pin MSOP
Figure 7.1. 10-Pin MSOP Recommended PCB Land Pattern

Rev. 0.6 23
Si4010
Table 7.1. 10-Pin MSOP Dimensions
Dimension MIN MAX
C1 4.40 REF
E 0.50 BSC
G1 3.00 —
X1 — 0.30
Y1 1.40 REF
Z1 — 5.80
Notes:
General
1. All dimensions shown are in millimeters (mm) unless otherwise noted.
2. Dimensioning and Tolerancing per ASME Y14.5M-1994.
3. This Land Pattern Design is based on the IPC-7351 guidelines.
4. All dimensions shown are at Maximum Material Condition (MMC).
Least Material Condition (LMC) is calculated based on a Fabrication
Allowance of 0.05mm.
Solder Mask Design
1. All metal pads are to be non-solder mask defined (NSMD). Clearance
between the solder mask and the metal pad is to be 60 m minimum, all
the way around the pad.
Stencil Design
1. A stainless steel, laser-cut and electro-polished stencil with
trapezoidal walls should be used to assure good solder paste release.
2. The stencil thickness should be 0.125mm (5 mils).
3. The ratio of stencil aperture to land pad size should be 1:1.
Card Assembly
1. A No-Clean, Type-3 solder paste is recommended.
2. The recommended card reflow profile is per the JEDEC/IPC J-STD-
020 specification for Small Body Components.

Si4010
24 Rev. 0.6
8. PCB Land Pattern 14-pin SOIC Package
Figure 8.1. 14-Pin SOIC Recommended PCB Land Pattern

Rev. 0.6 25
Si4010
Table 8.1. PCB Land Pattern Dimensions
Dimension MIN MAX
C1 5.30 5.40
E 1.27 BSC
X1 0.50 0.60
Y1 1.45 1.55
Notes:
General
1. All dimensions shown are in millimeters (mm) unless otherwise noted.
2. This land pattern design is based on the IPC-7351 guidelines.
Solder Mask Design
1. All metal pads are to be non-solder mask defined (NSMD). Clearance
between the solder mask and the metal pad is to be 60 µm minimum,
all the way around the pad.
Stencil Design
1. A stainless steel, laser-cut and electro-polished stencil with
trapezoidal walls should be used to assure good solder paste release.
2. The stencil thickness should be 0.125 mm (5 mils).
3. The ratio of stencil aperture to land pad size should be 1:1 for all
perimeter pads.
Card Assembly
1. A No-Clean, Type-3 solder paste is recommended.
2. The recommended card reflow profile is per the JEDEC/IPC J-STD-
020 specification for Small Body Components.

Si4010
26 Rev. 0.6
9. Electrical Characteristics
Table 9.1. Recommended Operating Conditions
Parameter Symbol Test Condition Min Typ Max Unit
Supply Voltage VDD 1.8 — 3.6 V
Supply Voltage Slew Rate Initial Battery Insertion* 20 — 650 mV/
us
Ambient Temperature TA –40 25 85 °C
Digital Input Range Digital Input Signals –0.3 — VDD +
0.3
V
*Note: Recommend bypass capacitor = 1 µF; slew rate measured 1 V < VDD ,< 1.7 V.
Table 9.2. Absolute Maximum Ratings1,2
Parameter Symbol Value Unit
Supply Voltage VDD –0.5 to 3.9 V
Input Current3IIN 10 mA
Input Voltage4VIN –0.3 to (VDD + 0.3) V
Junction Temperature TOP –40 to 90 qC
Storage Temperature TSTG –55 to 125 qC
Notes:
1. Permanent device damage may occur if the absolute maximum ratings are exceeded. Functional operation
should be restricted to the conditions as specified in the operational sections of this data sheet. Exposure
beyond recommended operating conditions for extended periods may affect device reliability.
2. Handling and assembly of these devices should only be done at ESD-protected workstations.
3. All input pins besides VDD.
4. For GPIO pins configured as inputs.

Rev. 0.6 27
Si4010
Table 9.3. DC Characteristics
(TA = 25° C, VDD = 3.3 V, RL = 550:, unless otherwise noted)
Parameter Symbol Test Condition Min Typ Max Unit
Supply Current IVDD +10 dBm output, OOK,
Manchester
— 14.2 — mA
+6.5 dBm output, OOK,
Manchester
— 11.3 — mA
+10 dBm, FSK — 19.8 — mA
+6.5 dBm output, FSK — 14.1 — mA
Sleep Timer Mode IST Only sleep timer is enabled — 700 — nA
Standby Supply Current ISB All GPIO floating or held high — 10 — nA
LED Sink Current ILED VOUT > 200 mV — 0.68 — mA
GPIO[0-9] Pull Up Resis-
tance
RPU 48 55 62 k:
High Level Input Voltage1VIH Trip point at 0.45 x VDD 0.506
x VDD
V
Low Level Input Voltage1VIL Trip point at 0.45 x VDD 0.42 x
VDD
V
High Level Input Current1IIH VIN = VDD —TBD — µA
Low Level Input Current1IIL VIN = 0 — TBD — µA
High Level Output Voltage2VOH ISOURCE = TBD — TBD — V
Low Level Output Voltage2VOL ISINK = TBD — TBD — V
Notes:
1. For GPIO pins configured as inputs.
2. For GPIO pins configured as outputs.

Si4010
28 Rev. 0.6
Table 9.4. Si4010 RF Transmitter Characteristics
(TA = 25° C, VDD = 3.3 V, RL = 550:,, SOIC package unless otherwise noted)
Parameter Symbol Test Condition Min Typ Max Unit
Frequency Range1FRF 27 — 960 MHz
Frequency Noise (rms)2Allen deviation, measured
across 1 ms interval
—0.3 —ppm
Phase Noise @ 915 MHz 10 kHz offset — –70 — dBc/Hz
100 kHz offset — –100 — dBc/Hz
1 MHz offset — –105 — dBc/Hz
Frequency Tuning Time — 5 — ms
Selected Frequencies in
Range of 27–960 MHz
Discrete frequencies — 100 — MHz
—315 —MHz
—390 —MHz
— 433.92 — MHz
—868 —MHz
—915 —MHz
Carrier Frequency
Accuracy
0°C TA 70° C –150 — +150 ppm
–40°C TA 85° C –250 — +250 ppm
FRF = 100 MHz
0°C TA 70° C
–15 — 15 kHz
FRF = 100 MHz
–40°C TA 85° C
–25 — 25 kHz
FRF = 315 MHz
0°C TA 70° C
–47.3 — 47.3 kHz
FRF = 315 MHz
–40°C TA 85° C
–78.8 — 78.8 kHz
FRF = 433.92 MHz
0°C TA 70° C
–65.1 — 65.1 kHz
FRF = 433.92 MHz
–40°C TA 85° C
–108 — 108 kHz
FRF = 868 MHz
0°C TA 70° C
–130 — 130 kHz
FRF = 868 MHz
–40°C TA 85° C
–217 — 217 kHz
FRF = 915 MHz
0°C TA 70° C
–137 — 137 kHz
FRF = 915 MHz
–40°C TA 85° C
–229 — 229 kHz
Notes:
1. The frequency range is continuous over the specified range.
2. The frequency step size is limited by the frequency noise.
3. Optimum differential load is equal to 4 V/(11.5mA/2 * 4/PI) = 550 :Therefore the antenna load resistance in
parallel with the Si4010 differential output resistance should equal 50:
4. Total NVM copy time = 2 ms + (NVM copy Boot Time per kB) x (NVM data in kB).

Rev. 0.6 29
Si4010
Frequency Error
Contribution with
External Crystal
–10 — +10 ppm
Transmit Power3Maximum programmed Tx
power, with optimum differen-
tial load, Vdd > 2.2 V
— 10 — dBm
Minimum programmed TX
power, with optimum differen-
tial load,
VDD > 2.2 V
—–13 —dBm
Power variation vs temp and
supply, with optimum
differential load, VDD > 2.2 V
–1.0 — 0.5 dB
Power variation vs temp and
supply, with optimum
differential load, VDD > 1.8 V
–2.5 — 0.5 dB
Transmit power step size
from –13 to 10 dBm
—0.25 — dB
PA Edge Ramp Rate
Programmable Range
OOK mode 0.34 — 10.7 us
Data Rate OOK 0.1 — 50 kBaud
FSK 0.1 — 100 kBaud
Table 9.4. Si4010 RF Transmitter Characteristics(Continued)
(TA = 25° C, VDD = 3.3 V, RL = 550:,, SOIC package unless otherwise noted)
Parameter Symbol Test Condition Min Typ Max Unit
Notes:
1. The frequency range is continuous over the specified range.
2. The frequency step size is limited by the frequency noise.
3. Optimum differential load is equal to 4 V/(11.5mA/2 * 4/PI) = 550 :Therefore the antenna load resistance in
parallel with the Si4010 differential output resistance should equal 50:
4. Total NVM copy time = 2 ms + (NVM copy Boot Time per kB) x (NVM data in kB).

Si4010
30 Rev. 0.6
FSK Deviation Max frequency deviation — 300 — ppm
Deviation resolution — 2 — ppm
Deviation accuracy TBD ppm
Max frequency deviation,
100 MHz
— 30 — kHz
Deviation resolution,
100 MHz
—200 — Hz
Max frequency deviation,
315 MHz
— 95 — kHz
Deviation resolution,
315 MHz
—630 — Hz
Max frequency deviation,
433.92 MHz
— 130 — kHz
Deviation resolution,
433.92 MHz
—868 — Hz
Max frequency deviation,
868 MHz
— 260 — kHz
Deviation resolution,
868 MHz
— 1740 — Hz
Max frequency deviation,
915 MHz
— 275 — kHz
Deviation resolution,
915 MHz
— 1830 — Hz
OOK Modulation depth 60 — — dB
Antenna Tuning
Capacitive Range
(Differential)
315 MHz 2.4 — 12.5 pF
NVM Copy Boot Time
per kB4
—3.6 —ms/
kB
Table 9.4. Si4010 RF Transmitter Characteristics(Continued)
(TA = 25° C, VDD = 3.3 V, RL = 550:,, SOIC package unless otherwise noted)
Parameter Symbol Test Condition Min Typ Max Unit
Notes:
1. The frequency range is continuous over the specified range.
2. The frequency step size is limited by the frequency noise.
3. Optimum differential load is equal to 4 V/(11.5mA/2 * 4/PI) = 550 :Therefore the antenna load resistance in
parallel with the Si4010 differential output resistance should equal 50:
4. Total NVM copy time = 2 ms + (NVM copy Boot Time per kB) x (NVM data in kB).

Rev. 0.6 31
Si4010
Table 9.5. Low Battery Detector Characteristics
(TA = 25° C, VDD = 3.3 V, RL = 550:, unless otherwise noted)
Parameter Symbol Test Condition Min Typ Max Unit
Battery Voltage Measurement
Accuracy
—2 —%
Table 9.6. Optional Crystal Oscillator Characteristics
(TA = 25° C, VDD = 3.3 V, RL = 600:, unless otherwise noted)
Parameter Symbol Test Condition Min Typ Max Unit
Crystal Frequency Range GPI0 configured as crystal
oscillator
10 — 13 MHz
Input Capacitance (GPIO0) GPI0 configured as crystal
oscillator
—5 —pF
Crystal ESR GPI0 configured as crystal
oscillator
—— 50:
Start-up Time Crystal oscillator only,
60 mH motional arm
inductance
—9 —ms
Table 9.7. EEPROM Characteristics
Parameter Conditions Min Typ Max Units
Program Time Independent of number of bits
changing values
—840ms
Maximum Count per Counter Using API 1000000 cycles
Write Endurance (per bit)* 50000 — — cycles
Note: *API uses coding technique to achieve write endurance of 1M cycles per bit.

Si4010
32 Rev. 0.6
Table 9.8. Low Power Oscillator Characteristics
VDD = 1.8 to 3.6 V; TA = –40 to +85 °C unless otherwise specified. Use factory-calibrated settings.
Parameter Conditions Min Typ Max Units
Programmable Frequency
Range
Programmable divider in
powers of 2 up to 128
.1875 — 24 MHz
Frequency Accuracy –1 — +1 %
Table 9.9. Sleep Timer Characteristics
VDD = 1.8 to 3.6 V; TA = –40 to +85 °C unless otherwise specified. Use factory-calibrated settings.
Parameter Conditions Min Typ Max Units
Maximum Programmable Time — — 6800 s
Time Accuracy Using API to program timer –1.5 — 1.5 %

Rev. 0.6 33
Si4010
10. System Description
Figure 10.1. Functional Block Diagram
10.1. Overview
The Si4010 is a fully integrated crystal-less CMOS SoC RF transmitter with an embedded CIP-51 8051
MCU as the core processor of the system. The device is designed for low power battery applications with
standby currents of less than 10 nA to optimize battery life. Upon power up, the device immediately enters
standby mode. In this mode, all blocks are powered down except for the low leakage high-voltage RAM
(HVRAM) which provides 8 bytes of memory that retains its state as long as the battery voltage is applied
and above 1.8 V. The Si4010 is awakened from standby mode by a falling edge to ground on any one of
the GPIO pins. In addition, the Si4010 has a low-power sleep timer for applications where the device is
required to wake up and periodically check for events instead of being wakened by a GPIO falling edge.
Upon wake up, the boot loader copies data from the one time programmable (OTP) NVM to CODE/XDATA
RAM (4 kB) because the MCU can only operate with programs stored in RAM or ROM. The copy process
occurs on each wake-up event and requires approximately 2 ms of fixed time plus 3.6 ms per kB of data or
16.4 ms to fill the full 4 kB of CODE/XDATA RAM. After the NVM boot copy process is completed, the MCU
runs the user program in RAM and can also run functions from ROM that are called by the user program
such as button service routines to facilitate button debouncing, button time stamps, etc. A complete list of
all the API functions is given in Section 10.3 and a detailed description is given in application note “AN370:
Si4010 Software Programming Guide.”
Si4010
SFR
BUS
C2
PORT
CONTR
TEMP
DEMOD
ODS
FREQ
COUNTER
CIP-51 8051
CONTROLLER CORE
256 BYTE IRAM
256 BYTE XREG
4K BYTE RAM
12K BYTE ROM
DIGITAL PERIPHERALS
INTC
RTC
TMR 2,3
AES 128b ACCEL
GPIO0/XTAL/VPP
GPIO1
GPIO2
GPIO3
GPIO4/C2DAT
GPIO5/C2CLK/LED
GPIO6
GPIO7
GPIO8
GPIO9
NVM
8 KB EEPROM
128-bit
MEMORY
CONTROLLER
14P SOIC
Package
Only
LCOSC
PADIVIDER
XTAL
OSC
HVRAM
8 Byte
AUTO
TUNE
FSK
OOK
LPOSC
TEMP
SENSOR
LDO
POR
BANDGAP
VA
VD
TXP
TXM
VDD
GND
SLP
TMR
RF ANALOG CORE

Si4010
34 Rev. 0.6
The Si4010 has three timing sources. The LCOSC is the most accurate timing source native to the chip.
Each device is factory trimmed and programmed at Silicon Labs to produce a frequency accuracy of better
than ±150 ppm over the temperature range of 0 to + 70 °C and ±250 ppm over the industrial range of –40
to +85 °C. The LCOSC is fitted to a multiple-degree polynomial to compensate for temperature variations
both from the on-chip power amplifier (PA) and also from the external environment. This LCOSC oscillates
around 3.9 GHz and provides the clock (via the DIVIDER) used to modulate the PA for OOK and FSK
transmission. The low power oscillator (LPOSC) is the second timing source and operates at 24 MHz. The
LPOSC is always the source of clocking for the MCU and is turned off only in standby mode. The system
clock is programmable allowing the MCU to operate with lower clock frequencies while waiting between
packets to save power. The RTC and timers 2 and 3 are derived from the LPOSC. The last clock source is
the crystal oscillator (XTALOSC). This crystal oscillator is unused in many customer applications and used
only when a highly accurate carrier frequency is desired. When enabled, it is used before the beginning of
a transmission to correct the frequency of the LCOSC and is then shutdown to save power. An internal fre-
quency counter is implemented in hardware to allow for quick frequency ratio measurements to calibrate
the different clock sources.
The high efficiency PA is a CMOS open drain output driver capable of producing 4 Vpk differential output
swing with a supply voltage of 2.2 V or higher. The PA output has 2.4 to 12.5 pF of differential variable
capacitance that is automatically adjusted to resonate the antenna at the start of each packet transmission.
This automatic adjustment is realized with a firmware algorithm in the ROM and some additional hardware
in the PA. Maximum power can be transferred to the inductive antenna load when the antenna and output
driver are at resonance and the real component of the load is equal to the optimum load resistance of
Vpk/(4/Pi * Itail/2) where Vpk is the peak differential voltage and Itail is the tail current of the PA. At higher
resistances the PA is voltage limited and at lower resistances the PA is current limited. The PA tail current
is programmable from 810 uA up to 7.67 mA in 0.25 dB steps and there is a boost current bit that multiplies
the tail current by 1.5 times allowing it to go up to 11.5 mA. With an antenna load resistance of about 550 :
an output power of +10 dBm is achievable. Edge rate control is also included for OOK mode to reduce har-
monics that may otherwise violate government regulations.
The on-chip temperature sensor (TEMP SENSOR) measures the internal temperature of the chip and tem-
perature demodulator (TEMP DEMOD) converts the TEMP SENSORs’ output into a binary number repre-
senting temperature and is used to compensate the frequency of the LCOSC when the temperature
changes. Each device is frequency and temperature calibrated in the factory.
The output data serializer (ODS) is responsible for synchronizing the output data to the required data rate
and maintaining a steady data flow when data is available. This block produces the edge rate control for
the PA in OOK mode and the frequency deviation in FSK mode. The block also schedules the power on/off
times of the LCOSC, DIVIDER, and PA to conserve battery power during transmission.
Power management is provided on chip with low-drop-out (LDO) regulators for the internal analog and dig-
ital supplies, VA and VD, respectively. The power-on reset (POR) circuit monitors the power applied to the
chip and generates a reset signal to set the chip into a known state. The bandgap produces voltage and
current references for the analog blocks in the chip and can be shut down when the analog blocks are not
used.
The embedded CIP-51 8051 MCU provides the core functionality of the Si4010. User software has com-
plete control of all peripherals, and may individually shut down any or all peripherals for power savings. 8K
bytes of on-chip one-time programmable NVM memory is available to store the user program and can also
store unique transmit IDs. 128 bits of EEPROM is available for counter or other operations providing non-
volatile storage capability in case of power outages due to battery removal. A library of useful software
functions such as AES encryption, a patented 32-bit counter providing 1M cycles of read/write endurance,
and many other functions are included in the 12 kB of ROM to reduce user design time and code space.
General purpose input/output pins with push button wake-on touch capability are available to further
reduce current consumption.

Rev. 0.6 35
Si4010
The Si4010 includes Silicon Laboratories' 2-wire C2 Debug and Programming interface. This debug logic
supports inspection memory, viewing and modification of special function registers (SFR), setting break
points, single stepping, and run and halt commands. All analog and digital peripherals are fully functional
while debugging using C2. The two C2 interface pins can be shared with user functions, allowing in-system
debugging without occupying package pins.
10.2. Setting Basic Si4010 Transmit Parameters
The basic transmit parameters such as output power, modulation type, data rate, and operating frequency
are set by using applications programming interface (API) function commands. When using these func-
tions certain parameters are determined by using a calculator spread sheet. The Si4010 development kit
(part number 4010-DKKF 434) includes a calculator spread sheet that helps developers set the API func-
tion arguments to meet their desired design requirements. A summary of the calculator operations are
given below and more detailed descriptions are given in the individual sections of this data sheet and in
AN370: Si4010 Software Programming Guide.
10.2.1. Package Type
The Si4010 has two package type options: 10-pin MSOP or 14-pin SOIC. The customer should choose the
package type they are using to properly model the Si4010 RF behavior.
10.2.2. Output Power
The output power of the Si4010 depends on many parameters including the antenna impedance, the out-
put impedance of the PA, the nominal varactor setting, the battery supply voltage, and the bias current of
the PA. The calculator spreadsheet can calculate the required antenna impedance needed to achieve the
desired output power or it can estimate the output power given the antenna impedance. It has the following
input parameters:
Power Setup:
Power Target (dBm): This is the desired output power in dBm. The spreadsheet will always try and hit
this target.
Choose One of the Following: Maximize Radiated Power or Minimize PA current while Maximizing
Radiated Power. If only radiated power is to be maximized, the PA current is maximized and an
antenna impedance is found that maximizes the possible radiated power. Usually, this tends to
minimize the antenna impedance relative to the chip impedance. If the PA current is to be minimized
while still maximizing radiated power, the solution tends to equalize the antenna and on-chip
impedances. This increases the effective impedance of the system, which saves PA current at the
expense of radiation efficiency (as more power will now be consumed on-chip).
Frequency (MHz): The RF frequency of operation, range is 27 to 960 MHz.
Nominal Cap Word: This is the nominal setting of the power amplifier varactor that is part of the antenna
tuning circuit, range is 0 to 511.
External Diff Cap (pF): This is an external capacitor placed across the TXP and TXM pins. Assuming
this has a much larger quality factor than the on-chip varactor, there may be antenna efficiency
advantages of using this external component.
Q-Factor External Cap: This is the quality factor of the external capacitor. Typical values would be 250-
300.
Antenna Setup:
Alpha (bLevel/deg C): The sensitivity of the antenna resistance vs temperature change. If constant
radiated power vs temperature is desired, this constant may be used to compensate the PA drive
strength. See the API section on power control.
Approx Efficiency (%): The approximate antenna efficiency used to estimate radiated power.

Si4010
36 Rev. 0.6
Manual Impedance Entry: Determines if the antenna impedance is calculated to meet a desired output
power or if the antenna impedance is entered and the spread sheet calculates the resulting impedance.
The current drive is adjusted to meet the power target (if possible).
Antenna Real(Z) (Ohms): The antenna resistance at the operating frequency.
Antenna Imag(Z) (Ohms): The antenna reactance at the operating frequency.
These parameters are discussed in more detail in the Power Amplifier section of the data sheet. Based on
these input parameters the calculator will provide the following outputs:
PA Design Values:
Iout Target (mA): Theoretical output current that meets the power target.
Attenuation Factor: Theoretical attenuation factor due to losses from the chip
Actual Iout (mA): The actual output current delivered to the antenna that accounts for quantization
effects and chip losses.
Rdif at PA (Ohms): Theoretical optimum differential load resistance that includes chip, antenna, and
external capacitance loading.
Total Power (dBm): The estimated output power based on all loss mechanisms.
Max Diff Vpk at PA (V): The calculated peak differential voltage swing.
Antenna Targets:
Real_Z (Ohms): The required resistance of the antenna at the frequency of operation to meet the
desired output power.
Imag_Z (Ohms): The required reactance of the antenna at the frequency of operation to meet the
desired output power.
Power dissipated in Antenna (dBm): The expected power delivered to the antenna.
Expected Radiated Power (dBm): The expected radiated power of the device given the antenna
efficiency
Chip Impedance:
Total Diff Cap due to Chip + External Load (pF): The equivalent differential capacitance seen looking
into the package pins. It includes the on-chip varactor, the package and external differential capacitor (if
used).
Real_Z (Ohms): The resistance of the chip at the frequency of operation to meet the desired output
power
Imag_Z (Ohms): The reactance of the chip at the frequency of operation to meet the desired output
power
API: PA Setup:
bMaxDrv—value for this API parameter
bLevel—value for this API parameter
wCap—value for this API parameter
fAlpha—value for this API parameter
fBeta—value for this API parameter. The sensitivity of the antenna resistance vs capacitance change. If
constant radiated power vs tuning capacitance change is desired this constant may be used to
compensate the PA drive strength. See the API section on power control. The algorithm attempts to
keep the PA output voltage multiplied by the PA capacitance constant due to fluctuations in the external
component values of the loop antenna.

Rev. 0.6 37
Si4010
10.2.3. Modulation, Encoding, and Data Rate
The output data serializer (ODS) API function commands set the modulation type, encoding method, and
data rate of the transmitter. The calculator has the following inputs:
Serializer Setup:
Bit (or Data) Rate (Kbits/s): This is the bit or data rate of the transmitter
Encoding: The encoding methods supported are Manchester, NRZ+4b/5b, and NRZ encoding.
Modulation: OOK or FSK.
FSK Deviation (kHz): This is the FSK frequency deviation of the carrier frequency in response to a data
signal.
Manual Ramp Rate Entry: If Yes, used to set the ramp rate for turning on and off the PA, otherwise the
ramp rate will be automatically calculated
Target Ramp Rate (us): This parameter is the target ramp rate. Only used if the Manual Ramp Rate
Entry is Yes
The outputs of the calculator are the following:
Serializer Control:
Ramp Time (µs): The actual ramp time of turning on and off the PA. If Manual Rate Entry is Yes, this will
represent the closest possible match to the user entry. If Manual Rate Entry is No, this is automatically
calculated based on the target bit rate. The chosen rate insures the resulting spectrum will be
FCC/ETSI compliant.
Actual Symbol Rate (Ksym/s): The actual symbol rate produced by the chip after taking into account
encoding and quantization effects due to the timers.
Ramp Time/Symbol Rate: The ratio of the ramp time divided by the symbol rate.
API: ODS Setup:
bModulation Type—value for this API parameter
bClkDiv—value for this API parameter
bEdgeRate—value for this API parameter
bGroupWidth—value for this API parameter
wBitRate—value for this API parameter
bDivWarmInt, bLcWarmInt, and bPaWarmInt—value for this API parameter
API: FSK Controls:
biFskDev—value for this API parameter
Expected FSK Deviation (kHz): The expected FSK deviation with quantization error
10.2.4. Output Frequency
The output frequency does not require the use of the calculator and is set by using the following API com-
mands:
vFCast_Setup()
vFCast_Tune(desired frequency)

Si4010
38 Rev. 0.6
10.2.5. Battery Life Calculation
The calculator also estimates battery life of a system given the packet setup and number of button pushes
per day. The inputs to the calculator are all of the above inputs plus the following:
Packet Setup:
Number of bits in Packet—Number of bits in the packet excluding the preamble bits
Preamble bits—Number of bits in the preamble
Time Prior to Transmit (ms)—The time required to boot the chip and send a packet out
Number of Packets—The number of packets sent out per button press
Time Between Packets (ms)—The time between repeating packets
Button Pushes/Day—The number of button pushes per day
The outputs of the calculator are the following:
Battery Life:
Avg Transmit Current (mA)—The average transmit current
Peak Transmit Current (mA)—The peak transmit current
Charge/Year (mAH)—The charge per year in mAH
220 mAH Battery Life (Years)—The estimated battery life of a 220 mAH battery

Rev. 0.6 39
Si4010
10.3. Applications Programming Interface (API) Commands
The following is a list of API commands for the Si4010. For detailed descriptions of the API commands see
the application note AN370: Si4010 Software Programming Guide.
AES Module Functions:
vAes_Cipher
vAes_InvGenKey
vAes_InvCipher
Button Service Module Functions:
vBsr_Setup
wBsr_Pop
wBsr_GetCurrentButton
vBsr_InitPts
bBsr_GetPtsItemCnt
vBsr_Service
bBsr_GetTimestamp
Demodulator Temperature Sensor Module Functions:
vDmdTs_Setup
iDmdTs_GetData
iDmdTs_GetLatestDmdSample
iDmdTs_GetLatestTemp
vDmdTs_ClearDmd
vDmdTs_ClearDmdIntFlag
vDmdTs_IsrCall
bDmdTs_GetSamplesTaken
vDmdTs_Enable
vDmdTs_RunForTemp
vDmdTs_ResetCounts
Encoding Module Functions:
vEnc_4b5bEncode
vEnc_Set4b5bLastBit
bEnc_ManchesterEncode
Frequency Counter Module Functions:
vFc_Setup
vFc_StartCount
vFc_PollDone
lFc_GetCount
lFc_StartPollGetCount

Si4010
40 Rev. 0.6
Frequency Casting Module Functions:
vFCast_Setup
vFCast_XoSetup
vFCast_Tune
vFCast_FineTune
vFCast_FskAdj
HVRAM Module Functions:
vHvram_Write
bHvram_Read
Multi-Time Programmable Module Functions:
lMtp_GetDecCount
vMtp_IncCount
vMtp_SetDecCount
bMtp_Write
vMtp_Strobe
pbMtp_Read
Battery Measurement Module Functions:
iMVdd_Measure
Non-Volatile Memory Copy Module Functions:
vNvm_SetAddr
wNvm_GetAddr
bNvm_CopyBlock
vNvm_McEnableRead
vNvm_McDisableRead
Output Data Serializer Module Functions:
vOds_Setup
vOds_Enable
vOds_WriteData
Power Amplifier Module Functions:
vPa_Setup
vPa_Tune
Single Transmission Loop Module Functions:
vStl_EncodeSetup
vStl_EncodeByte
vStl_PreLoop
vStl_SingleTxLoop
vStl_PostLoop

Rev. 0.6 41
Si4010
System Module Functions:
vSys_Setup
vSys_BandGapLdo
vSys_ForceLc
wSys_GetRomId
wSys_GetChipId
bSys_GetRevId
lSys_GetProdId
wSys_GetKeilVer
vSys_SetClkSys
lSys_GetMasterTime
vSys_IncMasterTime
vSys_SetMasterTime
vSys_LedIntensity
vSys_LpOscAdj
vSys_Shutdown
bSys_GetBootStatus
vSys_FirstPowerUp
vSys_16BitDecLoop
vSys_8BitDecLoop
Sleep Timer Module Functions:
lSleepTim_GetCount
vSleepTim_SetCount
bSleepTim_CheckDutyCycle
vSleepTim_AddTxTimeToCounter
lSleepTim_GetOneHourValue

Si4010
42 Rev. 0.6
11. Power Amplifier
Figure 11.1. Simplified PA Block Diagram
The CMOS power amplifier (PA) is a differential open drain amplifier capable of delivering +10 dBm of out-
put power. Maximum power can be transferred to an inductive antenna load when the antenna and output
driver of the PA are at resonance and the real component of the combined load is equal to the optimum
load resistance of Vpk/(4/Pi x Itail/2) where Vpk is the peak differential voltage of the PA and Itail is the tail
current of the PA. This optimum load resistance is the parallel combination of the PA output resistance and
the differential antenna resistance. At higher resistances the PA is voltage limited and at lower resistances
the PA is current limited. The PA tail current is programmable from 810 µA up to 7.67 mA (SFR register
PA_LVL) in 0.25 dB steps and there is a boost current bit (XREG PA_TRIM.PA_MAX_DRV) that multiplies
the tail current by 1.5 times allowing it to go up to 11.5mA. The maximum differential peak-to-peak voltage
is 4 V when the supply is 2.2 to 3.6 V and drops linearly down to 3.4V when the supply is at 1.8V
The calculator spreadsheet tool computes the required antenna impedance and API settings to achieve
the user desired output power. Proper layout and matching techniques are all necessary to ensure optimal
performance. Figure 9.1 shows a typical application schematic of the Si4010 for a differential loop
antenna. Application note "AN369: Antenna Interface for the Si401x Transmitters" provides detailed infor-
mation about designing the antenna interface for the Si401X transmitters. With proper filtering and layout
techniques, the Si4010 can conform to US FCC part 15.231 and European EN 300 220 regulations. Edge
rate control is also included for OOK mode to reduce harmonics that may otherwise violate government
regulations. Edge shaping is accomplished by gradually turning on and off the driver transistors of the PA.
The edge shaping parameters are controlled by the ODS block and is automatically determined by the cal-
culator spread sheet based on the desired data rate and encoding method. Users must comply with local
radio frequency transmission regulations.
Off-chip capacitor tolerances, loop antenna manufacturing tolerances, and environmental variations can
lead to impedance mismatch at the PA output causing reduced radiated power level. The Si4010 includes
an automatic antenna tuning circuit to reduce the mismatch by adjusting the on-chip variable capacitor to
resonate with the inductance of the antenna. The PA output has 2.4 to 12.5 pF of variable capacitance that
is adjusted to tune the antenna to the correct frequency using a firmware assisted algorithm and on-chip
hardware.The variable capacitance is adjusted at the start of each packet transmission during the pream-
ble. The switching network in the capacitor array is compensated over process, voltage, and temperature
Itail
FEEDBACK (HW, SW)
FREQUENCY TUNE, CONST PWR
PA
TXP
INPUT
TXM

Rev. 0.6 43
Si4010
(PVT) to keep its quality factor (Q) nearly constant at 50 (at 434 MHz). The starting value of the 9-bit
capacitor word (XREG PA_CAP) is chosen with the help of the calculator spreadsheet. In general, a high
operating frequency requires a smaller capacitance and hence a low value capacitive word. The output
resistance of the PA is a strong function of the capacitive word because the variable capacitor is imple-
mented with a capacitor and a MOS switch. When more capacitance is turned on (higher capacitive word),
more switches turn on and with a constant Q design, the output resistance of the PA decreases and has
more loss. Thus another consideration for the nominal capacitive word besides the operating frequency is
how the resistive loading of the varactor affects the optimum load resistance and the required antenna
resistance. The calculator illustrates how the nominal value of the capacitive word affects the desired
antenna resistance.
In addition to the algorithm used to tune the antenna for resonance, a software control loop using the
Power Amplifier Module API can keep the transmit radiated power constant due to changes in temperature
and/or capacitance of the antenna. For example, if changes in the temperature of the transmitter and/or
the capacitance of the antenna cause the impedance of the load (the parallel combination of the PA and
antenna resistances) to decrease, this will cause a decrease in the output voltage of the PA and hence the
radiated power. Both the operating temperature and the capacitor tuning word are monitored by the chip
and may be used to increase the nominal drive current to bring the product of the output voltage and driver
capacitance back to what it was prior to the environmental change. In order for this loop to operate cor-
rectly, the parameters Alpha and Beta need to be determined from measured antenna characteristics.
Alpha represents the required change in bLevel (the nominal power level programmed through the API
interface) given changes in temperature. Beta represents the required change in bLevel given changes in
programmed driver capacitance. Remember that each LSB change in bLevel corresponds to a 0.25 dBm
change in power. For example, if experimental measurement shows that the radiated power changes by
1 dBm over a 50 °C change in temperature, alpha would be set to 4/50=0.08. In this alpha equation, the 4
is derived from 1 dBm/0.25 dBm per step in bLevel. Thus, the units of alpha are (LSB steps in
bLevel)/(change in temp). Beta can be measured by forcing the external antenna capacitance to change
by some small amount and measuring the corresponding change in tuning capacitance and radiated
power. For example, if the antenna capacitor is changed by 5%, it is seen that the resulting capacitor word
changed by 30 LSBs and the power decreased by 2dBm. In this case, Beta would be calculated as
8/30=0.27 and has the units of (LSB steps in bLevel)/(LSB steps in capacitor word). These two parameters
can be measured and entered as parameters to the API to provide accurate adjustments to the radiated
power. In addition to these parameters, the differential peak voltage and current drive of the PA should not
be maximized prior to using this loop so adjustments in the current drive, which affects the differential peak
voltage, can be made by the feedback loop. If either the current or voltage is maximized prior to using the
loop, the loop would not be able to further adjust the current or voltage and hence fail to operate properly.

Si4010
44 Rev. 0.6
11.1. Register Description
SFR Address = 0xCE
XREG Address = 0x400C
SFR Definition 11.1. PA_LVL
Bit76543210
Name PA_LVL_NSLICE[4:0] PA_LVL_BIAS[2:0]
Type R/W R/W
Reset 00
Bit Name Function
7:3
PA_LVL_
NSLICE
[4:0]
Number of Slices Enabled in the PA Driver.
+-This parameter determines the output current drive of the PA. The values entered
into this register come from the Power Amplifier Module API.
2:0
PA_LVL_
BIAS
[2:0]
PA Level Bias.
This parameter determines the bias current per slice of the PA. The values entered
into this register come from the Power Amplifier Module API.
XREG Definition 11.2. wPA_CAP
Bit876543210
Name PA_CAP[8:0]
Type R/W
Reset 000000000
Bit Name Function
8:0 PA_CAP
[8:0]
PA Variable Capacitance.
Linear control of the output capacitance of the PA. Range: 2.4–-12.5 pF (not exact
values). The resonance frequency and impedance matching between the PA output
and the connected antenna can be tuned by changing this value. This register is set
by the Power Amplifier Module API.

Rev. 0.6 45
Si4010
XREG Address = 0x4012
XREG Definition 11.3. bPA_TRIM
Bit76543210
Name PA_MAX_
DRV
Reserved Reserved Reserved Reserved
Type R/W
Reset 0
Bit Name Function
7:5 Unused
4PA_MAX_
DRV
PA MAX Drive Bit.
This parameter boost the bias current of the PA by 1.5 times up to 10.5 mA. The
values entered into this register come from the Power Amplifier Module API. This bit
should be set without changing the other bits.
3:0 Reserved Reserved.

Si4010
46 Rev. 0.6
12. Output Data Serializer (ODS)
12.1. Description
The ODS block is responsible for synchronizing the output data to the required data rate and maintaining a
steady data flow during transmission. The serializer accomplishes the following functions:
Controls the edge rate of the PA on/off transitions.
Schedules PA, DIVIDER, LCOSC on/off power transitions for minimal power consumption.
Controls the serial data rate.
Provides handshake interface and a 1 byte pipeline to allow a software process to maintain steady
dataflow.
Modulates a 7 bit “frequency deviation” bus to the LC oscillator to allow for FSK operation.
Provides test features to force on the power state of the LCOSC, DIVIDER, and PA; recirculating a fixed
pattern; forcing the FSK offset frequency.
The SFR and XREG settings of this block are determined from the desired modulation, data rate, and
encoding method and are automatically set by the ODS API in conjunction with the calculator. Users are
recommended to use the ODS API module functions for setting these registers.
12.2. Timing
Figure 12.1. OOK Timing Example
Figure 12.2. FSK Timing Example
PA_LVL_NSLICE[4:0]
LC_ENA
LC_W ARM UP
DIV_ENA
DIV_WARMUP
PA_ENA
PA_WARMUP
SYMBOL TIME
EDGE TIME
PA_LVL_NSLICE[4:0]
LC_ENA
DIV_ENA
PA_ENA
FSK_SHIFT[6:0]

Rev. 0.6 47
Si4010
12.3. Register Description
SFR Address = 0xA9
SFR Definition 12.1. ODS_CTRL
Bit76543210
Name ODS_SHIFT_CTRL
[1:0]
FSK_FOR
CE_DEV
FSK_
MODE
FORCE_
LC
FORCE_
DIV
FORCE_
PA
ODS_EN
Type R/W R/W R/W R/W R/W R/W R/W R/W
Reset 00000000
Bit Name Function
7:6
ODS_
SHIFT_
CTRL[1:0]
ODS Output Control on Last Bit.
Controls behavior of serializer when data runs out.
00: The PA, DIVIDER, and LCOSC shutdown after last bit.
01: Reuse the last symbol group for transmission.
10: All 0s data.
11: All 1s data.
5
FSK_
FORCE_
DEV
Force FSK Deviation.
0: Normal operation.
1: Force the LCOSC to frequency deviate regardless of data pattern or FSK_MODE.
4FSK_MODE
Selects Modulation Mode.
0: OOK mode.
1: FSK mode.
3FORCE_LC
Force LCOSC On.
.0: Normal operation.
1: Force LSCOSC on.
2 FORC_DIV
Force DIVIDER On.
.0: Normal operation.
1: Force DIVIDER on.
1FORCE_PA
Force PA On.
.0: Normal operation.
1: Force PA on. In addition, PA_LVL_NSLICE[4:0] in PA_LVL register is passed
directly through the serializer, unchanged.
0ODS_EN
Enable the Serializer.
0: Disable the ODS.
1: Enable the ODS.

Si4010
48 Rev. 0.6
SFR Address = 0xAA
SFR Definition 12.2. ODS_TIMING
Bit76543210
Name ODS_GROUP_WIDTH[2:0] ODS_EDGE_TIME
[1:0]
ODS_CK_DIV[2:0]
Type R/W R/W R/W R/W R/W R/W R/W R/W
Reset 00000000
Bit Name Function
7:5
ODS_
GROUP_
WIDTH[2:0]
Controls Symbol Group width, from 2–8 Symbols.
Set to 4 to transmit 5 symbol groups obtained from 4/5 encoding. Or set to 7 to send
8 symbol group obtained from Manchester encoding of 4 bits. Note that
ods_group_width can be changed dynamically prior to writing the ODS_DATA regis-
ter, should you want to (for example) add 2 more symbols to the end of a
transmission which was previously using 8 symbol groups.
4:3
ODS_
EDGE_
TIME
[1:0]
Controls PA Edge Time.
Additional division factor in range 1-4 (ods_edge time+1). PA controlled edge rates
are: 8*(ods_ck_div+1)*(ods_edge_time+1)/25 MHz. When clk_ods is in range of 3-
8 MHz, edge rate can be selected from 1us to 10.7us. Study has indicated that in the
worst case (20Kbps Manchester), edge rates somewhat higher than 4us are needed.
2:0 ODS_CK_
DIV[2:0]
Controls the Clock of the ODS.
Sets the division factor of the 24 MHz system clock to produce clk for the ODS mod-
ule.
Division factors are 1–8 (ods_ck_div+1). Generally should select factor which
produces serializer clock in range of ~ 3-8 MHz

Rev. 0.6 49
Si4010
SFR Address = 0xAB
SFR Address = 0xAC
SFR Definition 12.3. ODS_DATA
Bit76543210
Name ODS_DATA[7:0]
Type R/W
Reset 00000000
Bit Name Function
7:0 ODS_DATA
[7:0]
ODS Input Data.
Symbol group register. Side effect of writing is clearing of ODS_EMPTY flag. It gener-
ates a single pulse for the ODS to notify the Tx ODS data SFR holding register been
written to and contains new data. The pulse is a registered write pulse, so it will be
generated when the data is stable in the holding register. ODS data format is little
endian.
SFR Definition 12.4. ODS_RATEL
Bit76543210
Name ODS_RATEL[7:0]
Type R/W R/W R/W R/W R/W R/W R/W R/W
Reset 00000000
Bit Name Function
7:0 ODS_RATEL
[7:0]
Lower Byte of the 15-bit Wide ODS Data Rate Field.
Symbol rate produced by the serializer is 24MHz/(ods_datarate*(ods_ck_div+1))

Si4010
50 Rev. 0.6
SFR Address = 0xAD
SFR Address = 0xAE
SFR Definition 12.5. ODS_RATEH
Bit76543210
Name Reserved ODS_RATEH[6:0]
Type R R/W R/W R/W R/W R/W R/W R/W
Reset 00000000
Bit Name Function
7 Reserved Read as 0. Write has no effect.
6:0
ODS_
RATEH
[6:0]
Upper Bits of 15-bit ODS Data Rate Field.
See the ODS_RATEL for description of the serializer data rates.
SFR Definition 12.6. ODS_WARM1
Bit76543210
Name ODS_WARM_DIV[3:0] ODS_WARM_PA[3:0]
Type R/W R/W R/W R/W R/W R/W R/W R/W
Reset 00000000
Bit Name Function
7:4
ODS_
WARM_
DIV[3:0]
Sets Warm-Up Time for DIVIDER.
Sets the "warm up" interval for the DIVIDER, where it is biased up prior to transmis-
sion or on the transition from OOK Zero bit to OOK One bit.
Interval is in 4 * clk_ods cycles resolution
Interval = 4*ods_warm_pa*(ods_ck_div+1)/24 MHz
When clk_ods is in range of 3-8 MHz, warm-up interval range is from 7.6 to 20 µs.
3:0
ODS_
WARM_
PA[3:0]
Sets Warm-Up Time for PA.
Sets the "warm up" interval for the PA, where it is biased up prior to transmission or
on the transition from OOK Zero bit to OOK One bit. Interval is directly in clk_ods
cycles. Interval = ods_warm_pa x (ods_ck_div+1)/24 MHz
When clk_ods is in range of 3–8 MHz, warm-up interval range is from 1.9 to 5 µs.

Rev. 0.6 51
Si4010
SFR Address = 0xAF
SFR Definition 12.7. ODS_WARM2
Bit76543210
Name Reserved ODS_WARM_LC[3:0]
Type RR/W
Reset 00000000
Bit Name Function
7:4 Reserved Read as 0x0. Write has no effect.
3:0
ODS_
WARM_
LC[3:0]
Sets Warm-Up Time for the LCOSC.
Sets the "warm up" interval for the LC oscillator, where it is biased up prior to
transmission or on the transition from OOK. Zero bit to OOK One bit.
Interval is in 64*clk_ods cycles resolution
Interval = 64 x ods_warm_pa x (ods_ck_div+1)/24 MHz
When clk_ods is in range of 3-8 MHz, warm-up interval range is from 30 to 80 µs.

Si4010
52 Rev. 0.6
13. LC Oscillator (LCOSC)
The Si4010 VCO is a fully integrated CMOS LC oscillator that operates at approximately 3.9 GHz. This
block in conjunction with a programmable frequency divider generates the transmit carrier frequency. The
technology behind the VCO is based on the Silicon Laboratories Si500 crystal-less oscillator chip and
forms the core of the Si4010s' crystal-less operation. After this device is factory trimmed, the VCO fre-
quency is the most accurate frequency on the chip and sets the chips transmit frequency stability unless an
external crystal oscillator is used. The device achieves ±150 ppm frequency stability over the commercial
temperature range of 0 to 70°C and ±250 ppm frequency stability over the industrial temperature range of
–40 to 85 °C.
The transmit carrier frequency is set by using the API functions vFCast_Tune (desired carrier) and
vFCast_Setup(). For FSK modulation, the frequency deviation is also a parameter to the freq_adjustment
function. Users are recommended to use the API functions to set the corresponding SFR registers.
13.1. Register Description
SFR Address = 0xE4
SFR Definition 13.1. LC_FSK
Bit7 6543210
Name Reserved FSK_DEVIATION[6:0]
Type R/W R/W
Reset 0 0000000
Bit Name Function
7 Reserved Do not write to this bit.
6:0
FSK_
DEVIATION
[6:0]
FSK Deviation.
These bits determine the FSK deviation. The values of these bits are calculated and
entered from the API vFCast_FskAdj.

Rev. 0.6 53
Si4010
14. Low Power Oscillator and System Clock Generator
The source of all digital system clocks is derived from the low power oscillator (LPOSC) and system clock
generator. The LPOSC produces a 24 MHz clock signal and is used by the system clock generator to pro-
duce the system clock. This system clock is applied to all digital blocks including the MCU and is program-
mable via the SYSGEN SFR register which is useful for power savings. Users are recommended to use
the System Module Function API to set the registers.
14.1. Register Description
XREG Address = 0x4002
XREG Definition 14.1. bLPOSC_TRIM
Bit76543210
Name LPOSC_TRIM[7:0]
Type R/W
Reset 11111111
Bit Name Function
7:0 LPOSC_
TRIM[7:0]
Low Power Oscillator Trimming.
±16% range with 0.14 % resolution. Setting all the bits to low will maximize the fre-
quency of operation.

Si4010
54 Rev. 0.6
SFR Address = 0xBE
SFR Definition 14.2. SYSGEN
Bit76543210
Name SYSGEN_
SHUT-
DOWN
Re-served PWR_1ST
_TIME
RTC_
TICKCLR
PORT_
HOLD
SYSGEN_DIV[2:0]
Type R/W R R W R/W R/W
Reset 00—00000
Bit Name Function
7
SYSGEN_
SHUT-
DOWN
System General Shutdown.
Setting this bit causes shutdown of MCU and most analog. Recovery from this is via
falling edge on any GPIO, which results in a power up and a power on reset. This is
THE bit that shuts down the power to nearly everything.
0: Normal operation
1: Shutdown. Do not use this bit directly. It is recommended to use the
vSys_Shutdown() API call.
6 Reserved Read as 0. Write has no effect.
5PWR_1ST_
TIME
Initial Powerup Indicator.
Read only register. It will get set when power up was caused by a battery insertion.
4RTC_
TICKCLR
Real Time Clock Clear.
0: Normal operation
1: Clears the real time clock 5.12us counter.
3PORT_
HOLD
Port Hold.
This bit needs to be set before shutting down, it delays any button pushes that occur
between this bit setting and shutdown until the chip completes shutdown, to ensure
the shutdown process cannot be interrupted.
0: Normal operation
1: Holds GPIO port values until shutdown is complete
2:0 SYSGEN_
DIV[2:0]
System Clock Generator Divider.
System clock divider control to generate the system clock.
000: 24 MHz; div = 1
001: 12 MHz; div = 2
010: 6.0 MHz; div = 4
011: 3.0 MHz; div = 8
100: 1.5 MHz; div = 16
101: 0.75 MHz; div = 32
110: 0.375 MHz; div = 64
111: 0.1875 MHz; div = 128

Rev. 0.6 55
Si4010
15. Crystal Oscillator (XO)
The crystal oscillator produces an accurate clock reference for applications demanding a high-accuracy
transmit carrier frequency. It uses a 1-pin crystal oscillator circuit (Colpitt's oscillator) and the output is con-
nected to the frequency counter.
15.1. Register Description
XREG Address = 0x4016
XREG Definition 15.1. bXO_CTRL
Bit76543210
Name Reserved Reserved Reserved Reserved XO_TST[1:0] XO_LOW
CAP
XO_ENA
Type R/W R/W R/W
Reset 00000000
Bit Name Function
7:4 Reserved Reserved.
3:2 XO_
TST[1:0]
Measurement of the XO Regenerative Amplifier Bias Current.
0: No connection
1: Sense
2: Force
3: Sense and force
1XO_
LOWCAP
XO Low Capacitance.
Bit should be set for crystals that require less than 14 pF of total capacitance.
0: Crystals with 14 pF or more of total capacitance.
1: Crystals with less than 14 pF of total capacitance.
0XO_ENA
Enable XO.
Note that operation of the XO requires that the bandgap be enabled with the System
Module Function API. The input XO_CKGOOD status bit is in the SFR SYSTEM reg-
ister.
0: Crystal oscillator disabled.
1: Crystal oscillator enabled.

Si4010
56 Rev. 0.6
16. Frequency Counter
The frequency counter allows the measurement of the ratio of two selected clock sources: a low frequency
clock which defines a counting interval, and a high frequency clock which is counted.
The frequency counter consists of an interval counter, driven by one of the six clock sources. Programming
of the interval counter determines how long the main counter will count one of the two high speed clocks,
LC oscillator or DIVIDER output.
Figure 16.1. Frequency Counter Block Diagram
The block diagram of the frequency counter is in Figure 16.1. When the FC_MODE=0, the frequency coun-
ter is disabled. The only way to disable the frequency counter is to set the FC_MODE=0. The frequency
counter stops counting immediately, so it can be restarted by setting FC_MODE to some functional mode
immediately.
If the frequency counter is enabled by setting FC_MODE to other than the 0 value, it enters the idle state.
To start the counter, the interval counter has to be triggered by writing 1 to the FC_BUSY bit. By writing
FC_BUSY=1, the FC_DONE bit gets cleared as well. The user can also clear the FC_DONE bit in software
after reading the main FC_COUNT value.
Once the interval counter is triggered, and after several clk_sys cycles synchronization delay it waits for
the first rising edge of the clk_int clock, which is the output of the interval counter clock selector mux. It
then enables the main frequency counter FC_COUNT clock. After the interval counter counts the interval
specified by FC_INTERVAL SFR register, another rising edge of the clk_int stops the clocks to the main
FC_COUNT counter. The interval counter edge to edge counting and main FC_COUNT clock enable is
measured very accurately in between the clk_int rising edges.
Interval
Counter
FC_COUNT
(LWORD lFcCount)
FC_CTRL
FC_DONE
FC_BUSY
FC_DIV_SEL
Interrupt
FC_MODE
FC_INTERVAL
0
1
0
1
2
3
4
5
5
7
FC_CTRL
FC_DONE
FC_BUSY
FC_DIV_SEL
FC_MODE
3
New count trigger
Long word 4 byte result count
read from XREG
LC_OSC
DIVIDER
clk_ref
Port
Controller
GPIO[3]
clk_osc (24MHz)
clk_sys
Xtal
Oscillator
clk_xo
GPIO[0]
RESERVED
SLEEP TIMER
Freq counter
disabled
clk_int
RESERVED

Rev. 0.6 57
Si4010
When the interval counter is finished with the interval count, it clears the FC_BUSY=0 bit and after a few
cycles of clk_sys synchronization delay it sets the FC_DONE=1 bit. Both interval counter and main
FC_COUNT counter are stopped and the main FC_COUNT keeps the accumulated value until the fre-
quency counter is disabled or triggered again. The 23 bit FC_COUNT value can be read as a 4 byte long
word, lFcCount, from the XREG register in XDATA. When the counter is counting and FC_BUSY=1, then
reading the FC_COUNT value returns the on the fly changing value of the FC_COUNT counter.
The frequency counter is restartable. If 1 is written to FC_BUSY while the frequency counter is busy then
the current FC_COUNT result is discarded, main FC_COUNT is reset, and the interval counter is trig-
gered, waiting for the first rising edge of the clk_int clock.
The count interval is chosen with the FC_INTERVAL SFR register. The number of interval count cycles
(count cycles of the low frequency clock) = (2+FC_INTERVAL[0])*(2^FC_INTERVAL[5:1]).
Note: FC_INTERVAL is not allowed to take on numbers higher than 43. If the number is higher than 43, then the
interval counted is forced to 1.
The output of the frequency counter is in the XREG FC_COUNT. The user is recommended to use the Fre-
quency Counter Module Function API to set the following registers.

Si4010
58 Rev. 0.6
16.1. Register Description
SFR Address = 0x9B
SFR Definition 16.1. FC_CTRL
Bit76543210
Name FC_DONE FC_BUSY FC_DIV_
SEL
Reserved FC_MODE[2:0]
Type R/W R/W R/W R R/W
Reset 000 0 0
Bit Name Function
7 FC_DONE
Frequency Counter Done.
Counting done, interrupt generation level signal. Must be cleared by software ISR. It
is also cleared if 1 is written to fc_busy, which denotes the start of the next count. Any
value can be written here, so one can invoke interrupt just writing 1 here.
0: Frequency counter is counting
1: Frequency counter done counting, must be cleared by software ISR
6FC_BUSY
Frequency Counter Busy.
Frequency counter is busy counting. Falling edge of the fc_busy signal sets the
FC_DONE=1. Writing 1 to this bit triggers a new FC counting cycle. FC is restartable,
so any Wr 1 to this bit restarts the FC and discards what the FC was currently doing.
0: Frequency counter is not busy, falling edge sets FC_DONE=1
1: Writing 1 restarts the Frequency Counter
5FC_DIV_
SEL
Frequency Counter Divider Select.
Selection control of source of clock. It chooses between LC and DIVIDER. If the fre-
quency counter is not enabled, FC_MODE=0, then both signals mentioned above are
in their inactive states.
0: LCOSC
1: DIVIDER
4:3 Reserved Read as 0x0. Write has no effect.
2:0 FC_MODE
[2:0]
Frequency Counter Mode Control Register.
000: Frequency counter disabled
001: Interval: clk_ref .. reference clock from GPIO
010: Interval: clk_osc .. undivided output of Low Power Osc (24 MHz)
011: Interval: clk_sys .. system clock, divided output of Low Power Osc
100: Interval: clk_xo .. XO oscillator
101: Reserved
110: Interval: Sleep Timer output
111: Reserved

Rev. 0.6 59
Si4010
SFR Address = 0x9D
XREG Address = 0x4008
SFR Definition 16.2. FC_INTERVAL
Bit76543210
Name Reserved Reserved FC_INTERVAL[5:0]
Type R/W
Reset 00
Bit Name Function
7:6 Reserved Reserved.
5:0
FC_
INTERVAL
[5:0]
Frequency Counter Interval.
Controls number of interval clock cycles in an interval.
n_cycles = (2+fcnt_interval[0])*(2^fcnt_interval[5:1])
Note that fcnt_interval is allowed to take on values no higher than 43. If the number
higher than 43 is used then the the interval counted is forced to n_cycles = 1.
XREG Definition 16.3. lFC_COUNT
Bit 22 21 ... 1 0
Name FC_COUNT[22:0]
Type R
Reset 00... 00
Bit Name Function
22:0 FC_COUNT
[22:0]
Frequency Counter Output.
Counter output value. When the counter is running and the value is read then the
current on the fly value will be read

Si4010
60 Rev. 0.6
17. Sleep Timer
The Si4010 includes a very low-power sleep timer that can be used to support the transmit duty cycle
requirements of the ETSI specification or self-wakeup for button independent applications. It consist of a
low speed (~2.1 kHz), very low power oscillator with a 24 bit down counter. When programmed to its maxi-
mum interval it takes ~2.1 hours to count down to zero. When it counts down to zero, it automatically pow-
ers down completely. The sleep timer can also be programmed to wake up the chip if the chip was
powered down. Control of the sleep timer is done with the API Sleep Timer Module functions.
18. Bandgap and LDO
Power management is provided on chip with LDO regulators for the internal analog and digital supplies, VA
and VD, respectively. The power-on reset circuit monitors the power applied to the chip and generates a
reset signal to set the chip into a known state. The bandgap produces voltage and current references for
the analog blocks in the chip and can be shut down when the analog blocks are not used. Control of the
bandgap and LDO is done with the System Module Function API vSys_BandGapLdo.
19. Low Leakage HVRAM
The low-leakage HVRAM provides 8 bytes of RAM memory which keeps its contents in all states including
standby mode as long as the supply voltage is applied to the chip. Control of the HVRAM is done with the
API HVRAM Module Functions.
20. Temperature Sensor
The on-chip temperature sensor measures the internal temperature of the chip and the temperature
demodulator converts the temperature sensors’ output into a binary number representing temperature and
is used to compensate the frequency of the LCOSC when the temperature changes. Temperature com-
pensation of the LCOSC is automatically taken care of by the Single Transmission Loop Module Function
API. The Demodulator Temperature Sensor Module Function APIs can be used to get samples of the cur-
rent temperature when not transmitting. Each device is frequency and temperature calibrated in the fac-
tory.

Rev. 0.6 61
Si4010
21. CIP-51 Microcontroller
The MCU system controller core is the CIP-51 microcontroller. The CIP-51 is fully compatible with the
MCS-51™ instruction set; standard 803x/805x assemblers and compilers can be used to develop soft-
ware. The MCU family has a superset of all the peripherals included with a standard 8051. The CIP-51
also includes on-chip debug hardware, and interfaces directly with the analog and digital subsystems pro-
viding a complete RF transmitter solution in a single integrated circuit.
The CIP-51 Microcontroller core implements the standard 8051 organization and peripherals as well as
additional custom peripherals and functions to extend its capability. The CIP-51 includes the following fea-
tures:
Performance
The CIP-51 employs a pipelined architecture that greatly increases its instruction throughput over the stan-
dard 8051 architecture. In a standard 8051, all instructions except for MUL and DIV take 12 or 24 system
clock cycles to execute, and usually have a maximum system clock of 12 MHz. By contrast, the CIP-51
core executes 70% of its instructions in one or two system clock cycles, with no instructions taking more
than eight system clock cycles.
Figure 21.1. CIP-51 Block Diagram
lFully Compatible with MCS-51 Instruction Set
l24 MIPS Peak Throughput with 24 MHz Clock
l0 to 24 MHz Clock Frequency
lExtended Interrupt Handler
lPower Management Modes
lOn-chip Debug Logic
lProgram and Data Memory Security
DATA BUS
TMP1 TMP2
PRGM. ADDRESS REG.
PC INCREMENTER
ALU
PSW
DATA BUS
DATA BUS
MEMORY
INTERFACE
MEM_ADDRESS
D8
PIPELINE
BUFFER
DATA POINTER
INTERRUPT
INTERFACE
SYSTEM_IRQs
EMULATION_IRQ
MEM_CONTROL
CONTROL
LOGIC
A16
PROGRAM COUNTER (PC)
STOP
CLOCK
RESET
IDLE
POWER CONTROL
REGISTER
DATA BUS
SFR
BUS
INTERFACE
SFR_ADDRESS
SFR_CONTROL
SFR_WRITE_DATA
SFR_READ_DATA
D8
D8
B REGISTER
D8
D8
ACCUMULATOR
D8
D8
D8
D8
D8
D8
D8
D8
MEM_WRITE_DATA
MEM_READ_DATA
D8
SRAM
ADDRESS
REGISTER
SRAM
D8
STACK POINTER
D8

Si4010
62 Rev. 0.6
With the CIP-51's maximum system clock at 24 MHz, it has a peak throughput of 24 MIPS. The CIP-51 has
a total of 109 instructions. The table below shows the total number of instructions in the function of the
required clock cycles.
21.1. Instruction Set
The instruction set of the CIP-51 System Controller is fully compatible with the standard MCS-51™ instruc-
tion set. Standard 8051 development tools can be used to develop software for the CIP-51. All CIP-51
instructions are the binary and functional equivalent of their MCS-51™ counterparts, including opcodes,
addressing modes and effect on PSW flags. However, instruction timing is different than that of the stan-
dard 8051.
21.1.1. Instruction and CPU Timing
In many 8051 implementations, a distinction is made between machine cycles and clock cycles, with
machine cycles varying from 2 to 12 clock cycles in length. However, the CIP-51 implementation is based
solely on clock cycle timing. All instruction timings are specified in terms of clock cycles.
Due to the pipelined architecture of the CIP-51, most instructions execute in the same number of clock
cycles as there are program bytes in the instruction. Conditional branch instructions take one less clock
cycle to complete when the branch is not taken as opposed to when the branch is taken. Table 21.1 is the
CIP-51 Instruction Set Summary, which includes the mnemonic, number of bytes, and number of clock
cycles for each instruction.
Clocks to Execute 1 22/333/444/55 8
Number of Instructions 26 50 5 14 7 3 1 2 1

Rev. 0.6 63
Si4010
Table 21.1. CIP-51 Instruction Set Summary
Mnemonic Description Bytes Clock
Cycles
Arithmetic Operations
ADD A, Rn Add register to A 1 1
ADD A, direct Add direct byte to A 2 2
ADD A, @Ri Add indirect RAM to A 1 2
ADD A, #data Add immediate to A 2 2
ADDC A, Rn Add register to A with carry 1 1
ADDC A, direct Add direct byte to A with carry 2 2
ADDC A, @Ri Add indirect RAM to A with carry 1 2
ADDC A, #data Add immediate to A with carry 2 2
SUBB A, Rn Subtract register from A with borrow 1 1
SUBB A, direct Subtract direct byte from A with borrow 2 2
SUBB A, @Ri Subtract indirect RAM from A with borrow 1 2
SUBB A, #data Subtract immediate from A with borrow 2 2
INC A Increment A 1 1
INC Rn Increment register 1 1
INC direct Increment direct byte 2 2
INC @Ri Increment indirect RAM 1 2
DEC A Decrement A 1 1
DEC Rn Decrement register 1 1
DEC direct Decrement direct byte 2 2
DEC @Ri Decrement indirect RAM 1 2
INC DPTR Increment Data Pointer 1 1
MUL AB Multiply A and B 1 4
DIV AB Divide A by B 1 8
DA A Decimal adjust A 1 1
Logical Operations
ANL A, Rn AND Register to A 1 1
ANL A, direct AND direct byte to A 2 2
ANL A, @Ri AND indirect RAM to A 1 2
ANL A, #data AND immediate to A 2 2
ANL direct, A AND A to direct byte 2 2
ANL direct, #data AND immediate to direct byte 3 3
ORL A, Rn OR Register to A 1 1
ORL A, direct OR direct byte to A 2 2
ORL A, @Ri OR indirect RAM to A 1 2
ORL A, #data OR immediate to A 2 2
ORL direct, A OR A to direct byte 2 2
ORL direct, #data OR immediate to direct byte 3 3
XRL A, Rn Exclusive-OR Register to A 1 1
XRL A, direct Exclusive-OR direct byte to A 2 2
XRL A, @Ri Exclusive-OR indirect RAM to A 1 2
XRL A, #data Exclusive-OR immediate to A 2 2
XRL direct, A Exclusive-OR A to direct byte 2 2

Si4010
64 Rev. 0.6
XRL direct, #data Exclusive-OR immediate to direct byte 3 3
CLR A Clear A 1 1
CPL A Complement A 1 1
RL A Rotate A left 1 1
RLC A Rotate A left through Carry 1 1
RR A Rotate A right 1 1
RRC A Rotate A right through Carry 1 1
SWAP A Swap nibbles of A 1 1
Data Transfer
MOV A, Rn Move Register to A 1 1
MOV A, direct Move direct byte to A 2 2
MOV A, @Ri Move indirect RAM to A 1 2
MOV A, #data Move immediate to A 2 2
MOV Rn, A Move A to Register 1 1
MOV Rn, direct Move direct byte to Register 2 2
MOV Rn, #data Move immediate to Register 2 2
MOV direct, A Move A to direct byte 2 2
MOV direct, Rn Move Register to direct byte 2 2
MOV direct, direct Move direct byte to direct byte 3 3
MOV direct, @Ri Move indirect RAM to direct byte 2 2
MOV direct, #data Move immediate to direct byte 3 3
MOV @Ri, A Move A to indirect RAM 1 2
MOV @Ri, direct Move direct byte to indirect RAM 2 2
MOV @Ri, #data Move immediate to indirect RAM 2 2
MOV DPTR, #data16 Load DPTR with 16-bit constant 3 3
MOVC A, @A+DPTR Move code byte relative DPTR to A 1 3
MOVC A, @A+PC Move code byte relative PC to A 1 3
MOVX A, @Ri Move external data (8-bit address) to A 1 3
MOVX @Ri, A Move A to external data (8-bit address) 1 3
MOVX A, @DPTR Move external data (16-bit address) to A 1 3
MOVX @DPTR, A Move A to external data (16-bit address) 1 3
PUSH direct Push direct byte onto stack 2 2
POP direct Pop direct byte from stack 2 2
XCH A, Rn Exchange Register with A 1 1
XCH A, direct Exchange direct byte with A 2 2
XCH A, @Ri Exchange indirect RAM with A 1 2
XCHD A, @Ri Exchange low nibble of indirect RAM with A 1 2
Boolean Manipulation
CLR C Clear Carry 1 1
CLR bit Clear direct bit 2 2
SETB C Set Carry 1 1
SETB bit Set direct bit 2 2
CPL C Complement Carry 1 1
CPL bit Complement direct bit 2 2
Table 21.1. CIP-51 Instruction Set Summary (Continued)
Mnemonic Description Bytes Clock
Cycles

Rev. 0.6 65
Si4010
ANL C, bit AND direct bit to Carry 2 2
ANL C, /bit AND complement of direct bit to Carry 2 2
ORL C, bit OR direct bit to carry 2 2
ORL C, /bit OR complement of direct bit to Carry 2 2
MOV C, bit Move direct bit to Carry 2 2
MOV bit, C Move Carry to direct bit 2 2
JC rel Jump if Carry is set 2 2/3
JNC rel Jump if Carry is not set 2 2/3
JB bit, rel Jump if direct bit is set 3 3/4
JNB bit, rel Jump if direct bit is not set 3 3/4
JBC bit, rel Jump if direct bit is set and clear bit 3 3/4
Program Branching
ACALL addr11 Absolute subroutine call 2 3
LCALL addr16 Long subroutine call 3 4
RET Return from subroutine 1 5
RETI Return from interrupt 1 5
AJMP addr11 Absolute jump 2 3
LJMP addr16 Long jump 3 4
SJMP rel Short jump (relative address) 2 3
JMP @A+DPTR Jump indirect relative to DPTR 1 3
JZ rel Jump if A equals zero 2 2/3
JNZ rel Jump if A does not equal zero 2 2/3
CJNE A, direct, rel Compare direct byte to A and jump if not equal 3 4/5
CJNE A, #data, rel Compare immediate to A and jump if not equal 3 3/4
CJNE Rn, #data, rel Compare immediate to Register and jump if not
equal
33/4
CJNE @Ri, #data, rel Compare immediate to indirect and jump if not
equal
34/5
DJNZ Rn, rel Decrement Register and jump if not zero 2 2/3
DJNZ direct, rel Decrement direct byte and jump if not zero 3 3/4
NOP No operation 1 1
Table 21.1. CIP-51 Instruction Set Summary (Continued)
Mnemonic Description Bytes Clock
Cycles

Si4010
66 Rev. 0.6
Notes on Registers, Operands and Addressing Modes:
Rn—Register R0–R7 of the currently selected register bank.
@Ri—Data RAM location addressed indirectly through R0 or R1.
rel—8-bit, signed (twos complement) offset relative to the first byte of the following instruction. Used by
SJMP and all conditional jumps.
direct—8-bit internal data location’s address. This could be a direct-access Data RAM location (0x00–
0x7F) or an SFR (0x80–0xFF).
#data—8-bit constant
#data16—16-bit constant
bit—Direct-accessed bit in Data RAM or SFR
addr11—11-bit destination address used by ACALL and AJMP. The destination must be within the
same 2 kB page of program memory as the first byte of the following instruction.
addr16—16-bit destination address used by LCALL and LJMP. The destination may be anywhere within
the 8 kB program memory space.
There is one unused opcode (0xA5) that performs the same function as NOP.
All mnemonics copyrighted © Intel Corporation 1980.

Rev. 0.6 67
Si4010
21.2. CIP-51 Register Descriptions
Following are descriptions of SFRs related to the operation of the CIP-51 System Controller. Reserved bits
should always be written to the value indicated in the SFR description. Future product versions may use
these bits to implement new features in which case the reset value of the bit will be the indicated value,
selecting the feature's default state. Detailed descriptions of the remaining SFRs are included in the sec-
tions of the data sheet associated with their corresponding system function.
SFR Address = 0x82
SFR Address = 0x83
SFR Definition 21.1. DPL
Bit76543210
Name DPL[7:0]
Type R/W
Reset 00000000
Bit Name Function
7:0 DPL[7:0] Data Pointer Low.
The DPL register is the low byte of the 16-bit DPTR.
SFR Definition 21.2. DPH
Bit76543210
Name DPH[7:0]
Type R/W
Reset 00000000
Bit Name Function
7:0 DPH[7:0] Data Pointer High.
The DPH register is the high byte of the 16-bit DPTR.

Si4010
68 Rev. 0.6
SFR Address = 0x81
SFR Address = 0xE0; Bit-Addressable
SFR Definition 21.3. SP
Bit76543210
Name SP[7:0]
Type R/W
Reset 00000111
Bit Name Function
7:0 SP[7:0]
Stack Pointer.
The Stack Pointer holds the location of the top of the stack. The stack pointer is incre-
mented before every PUSH operation. The SP register defaults to 0x07 after reset.
SFR Definition 21.4. ACC
Bit76543210
Name ACC[7:0]
Type R/W
Reset 00000000
Bit Name Function
7:0 ACC[7:0] Accumulator.
This register is the accumulator for arithmetic operations.

Rev. 0.6 69
Si4010
SFR Address = 0xF0; Bit-Addressable
SFR Definition 21.5. B
Bit76543210
Name B[7:0]
Type R/W
Reset 00000000
Bit Name Function
7:0 B[7:0] B Register.
This register serves as a second accumulator for certain arithmetic operations.

Si4010
70 Rev. 0.6
SFR Address = 0xD0; Bit-Addressable
SFR Definition 21.6. PSW
Bit76543210
Name CY AC F0 RS[1:0] OV F1 PARITY
Type R/W R/W R/W R/W R/W R/W R
Reset 00000000
Bit Name Function
7CY
Carry Flag.
This bit is set when the last arithmetic operation resulted in a carry (addition) or a bor-
row (subtraction). It is cleared to logic 0 by all other arithmetic operations.
6AC
Auxiliary Carry Flag.
This bit is set when the last arithmetic operation resulted in a carry into (addition) or a
borrow from (subtraction) the high order nibble. It is cleared to logic 0 by all other arith-
metic operations.
5F0
User Flag 0.
This is a bit-addressable, general purpose flag for use under software control.
4:3 RS[1:0]
Register Bank Select.
These bits select which register bank is used during register accesses.
00: Bank 0, Addresses 0x00-0x07
01: Bank 1, Addresses 0x08-0x0F
10: Bank 2, Addresses 0x10-0x17
11: Bank 3, Addresses 0x18-0x1F
2OV
Overflow Flag.
This bit is set to 1 under the following circumstances:
lAn ADD, ADDC, or SUBB instruction causes a sign-change overflow.
lA MUL instruction results in an overflow (result is greater than 255).
lA DIV instruction causes a divide-by-zero condition.
The OV bit is cleared to 0 by the ADD, ADDC, SUBB, MUL, and DIV instructions in all
other cases.
1F1
User Flag 1.
This is a bit-addressable, general purpose flag for use under software control.
0PARITY
Parity Flag.
This bit is set to logic 1 if the sum of the eight bits in the accumulator is odd and cleared
if the sum is even.

Rev. 0.6 71
Si4010
22. Memory Organization
The memory organization of the Si4010 is similar to that of a standard 8051. There are two separate mem-
ory spaces: program memory and data memory. Program and data memory share the same address
space but are accessed via different instruction types. However, this device is unique since it has the pro-
gram and data memory spaces combined into one. This is called a unified CODE and XDATA memory.
The device has a standard 8051 program and data address configuration. It includes 256 bytes of data
RAM, with the upper 128 bytes dual-mapped. Indirect addressing accesses the upper 128 bytes of general
purpose RAM, and direct addressing accesses the 128 byte SFR address space. The lower 128 bytes of
RAM are accessible via direct and indirect addressing. The first 32 bytes are addressable as four banks of
general purpose registers, and the next 16 bytes can be byte addressable or bit addressable.
Apart from the CPU core related internal memory, the device has the following memories:
4.5 kB of RAM .. it can be used both as program CODE and external data XDATA memory
12 kB of ROM .. it holds the Silicon Labs provided API (Application Programming Interface) routines.
The ROM is not readable by the user.
256B hardware control registers mapped to XDATA address space (XREG)
8 kB of one time programmable (OTP) non-volatile memory (NVM)
128 bits of multiple time programmable (MTP) EEPROM. Each bit can change value at most 50,000
times.
See Figure 22.1 for the MCU system memory map:
Figure 22.1. Address Space Map after the Boot
0x0000
RAM 4.5K
0xFFFF
0x0000
0xFFFF
Direct &
Inidirect
Addressing
Upper 128
RAM
Indirect Addressing
Only
SFR
(DATA)
Direct Addressing
Only
0x00
0x20
0x80
0xFF
0x80
0xFF
CODE/
XDATA XDATA
0x8000 0x8000
0x4000
0xC000
0x4000
64KB
16KB
MCU view of unified RAM address space
NVM (OTP) 8K
MTP (EEPROM)
128 bits
ROM 12K
XREG
Registers
0x1F
Bit
Addressable
0x2F
0x30
0x7F
DATA/IDATA
Lower 128 RAM
bytes,
Direct and Indirect
Addressing
0x11FF
0xAFFF
0x40FF

Si4010
72 Rev. 0.6
22.1. Program Memory
Program memory consists of 4.5 kB for RAM and 12 kB of ROM. The device employs a unified
CODE/XDATA RAM memory. On 8051 architecture the external data memory (XDATA) space is physically
different from the program memory (CODE); they can be accessed with different instructions. On this
device the RAM can store both CODE and XDATA at any location. The program memory is commonly
called CODE memory, residing in CODE address space.
Both MOVC and MOVX instructions can be used to read data from the CODE/XDATA address space.
The ROM holds the Silicon Labs proprietary code and cannot be read by a user. Only code can be exe-
cuted from ROM. If read is attempted by MOVC or MOVX instructions from ROM area the read value is
undetermined. The NVM and MTP memories are not mapped to the CPU address space.
22.2. Internal Data Memory
The device implements 256 bytes of internal RAM mapped into the data memory space from 0x00 through
0xFF. The lower 128 bytes of data memory are used for general purpose registers and memory. Either
direct or indirect addressing may be used to access the lower 128 bytes of data memory. Locations 0x00
through 0x1F are addressable as four banks of general purpose registers, each bank consisting of eight
byte-wide registers. The next 16 bytes, locations 0x20 through 0x2F, may either be addressed as bytes or
as 128 bit locations accessible with the direct addressing mode.
The upper 128 bytes of data memory are accessible only by indirect addressing. This region occupies the
same address space as the Special Function Registers (SFR) but is physically separate from the SFR
space. The addressing mode used by an instruction when accessing locations above 0x7F determines
whether the CPU accesses the upper 128 bytes of data memory space or the SFRs. Instructions that use
direct addressing will access the SFR space. Instructions using indirect addressing above 0x7F access the
upper 128 bytes of data memory. Figure 22.1 illustrates the data memory organization.
22.3. External Data Memory
Even though it is called external memory, it resides on the chip. This is the data memory, up to 64 kB in
size, which is accessible by MOVX instructions. For the original MCS-51™ architecture this memory
resided physically external to the chip. This memory is commonly referred as XDATA memory.
The device implements shared CODE/XDATA memory. The 4.5 kB of RAM is shared between the CODE
and XDATA. The CPU can run code from any location of that RAM, can read any location using MOVC and
MOVX instructions, and can write any location by using MOVX instruction.
Important note: Linker of the user application has to be given proper regions of CODE and XDATA mem-
ory, which are mutually exclusive. Therefore, for example, the user cannot set the CODE region to be
0x0000 .. 0x1000 and XDATA region to be the very same at the same time. One has to specify two non-
overlapping regions in the RAM area instead.
22.4. General Purpose Registers
The lower 32 bytes of data memory, locations 0x00 through 0x1F, may be addressed as four banks of gen-
eral-purpose registers. Each bank consists of eight byte-wide registers designated R0 through R7. Only
one of these banks may be enabled at a time. Two bits in the program status word, RS0 (PSW.3) and RS1
(PSW.4), select the active register bank. This allows fast context switching when entering subroutines and
interrupt service routines. Indirect addressing modes use registers R0 and R1 as index registers.

Rev. 0.6 73
Si4010
22.5. Bit Addressable Locations
In addition to direct access to data memory organized as bytes, the sixteen data memory locations at 0x20
through 0x2F are also accessible as 128 individually addressable bits. Each bit has a bit address from
0x00 to 0x7F. Bit 0 of the byte at 0x20 has bit address 0x00 while bit 7 of the byte at 0x20 has bit address
0x07. Bit 7 of the byte at 0x2F has bit address 0x7F. A bit access is distinguished from a full byte access by
the type of instruction used (bit source or destination operands as opposed to a byte source or destina-
tion).
The MCS-51™ assembly language allows an alternate notation for bit addressing of the form XX.B where
XX is the byte address and B is the bit position within the byte.
For example, the instruction:
MOV C, 22.3h
moves the Boolean value at 0x13 (bit 3 of the byte at location 0x22) into the Carry flag.
22.6. Stack
A programmer's stack can be located anywhere in the 256 byte data memory. The stack area is designated
using the Stack Pointer (SP, address 0x81) SFR. The SP will point to the last location used. The next value
pushed on the stack is placed at SP+1 and then SP is incremented. A reset initializes the stack pointer to
location 0x07; therefore, the first value pushed on the stack is placed at location 0x08, which is also the
first register (R0) of register bank 1. Thus, if more than one register bank is to be used, the SP should be
initialized to a location in the data memory not being used for data storage. The stack depth can extend up
to 256 bytes.
22.7. Special Function Registers (SFR)
The direct-access data memory locations from 0x80 to 0xFF constitute the special function registers
(SFRs). The SFRs provide control and data exchange with the CIP-51's resources and peripherals. The
CIP-51 duplicates the SFRs found in a typical 8051 implementation as well as implementing additional
SFRs used to configure and access the sub-systems unique to the MCU. This allows the addition of new
functionality while retaining compatibility with the MCS-51™ instruction set. Table 24.1 lists the SFRs
implemented in the device.
The SFR registers are accessed whenever the direct addressing mode is used to access memory loca-
tions from 0x80 to 0xFF. SFRs with addresses ending in 0x0 or 0x8 (e.g. P0, P1, IE, etc.) are bit-address-
able as well as byte-addressable. All other SFRs are byte-addressable only. Unoccupied addresses in the
SFR space are reserved for future use. Accessing these areas will have an indeterminate effect and
should be avoided. Refer to the corresponding pages of the data sheet for a detailed description of each
register.
22.8. Registers Mapped to XDATA Address Space (XREG)
Given the extensive requirement for the numerous hardware registers some of the registers are mapped to
the XDATA space as shown in Figure 22.1. Those registers are accessible only by MOVX instructions and
are viewed from the CPU as a regular external XDATA memory. Registers which are more than single byte
wide are organized in big endian fashion (most significant byte on the lowest address) to comply with the
Keil development toolchain. They can be declared as regular variables in higher level languages, like C.
Map of user accessible XREG registers is in Table 24.3.
22.9. NVM (OTP) Memory
NVM memory is only accessible indirectly through Silicon Labs provided API functions for NVM access ini-
tialization and read of formatted blocks of data generated by the NVM programmer. Programming of the
NVM can be only done by Silicon Labs provided tools. It is not possible to program the NVM by writing to
registers.

Si4010
74 Rev. 0.6
22.10. MTP (EEPROM) Memory
The MTP memory is a special block not organized as a usual memory. The memory output is mapped to
the XDATA address space as a XREG register (abMTP_RDATA[16]) 16 byte read only array at addresses
0x4040 .. 0x404F. Writing to the MTP memory can be done only indirectly by using the Silicon Labs pro-
vided API ROM functions.
To write to MTP the user must prepare an array of all 16 bytes in CODE/XDATA RAM. There is no byte
access to MTP. Even if only a single bit is to be changed in MTP, the current content must be copied to the
CODE/XDATA RAM in full, all 16 bytes. Then the desired bit has to be changed in that RAM copy and an
API function has to be called to program the 16 byte changed data from RAM to MTP. The user can use
the API MTP copy call to get the current content of MTP into CODE/XDATA RAM for modifications. If the
MTP bit is not changing value the programming cycle is not counted against the maximum bit change dura-
bility of MTP. Therefore, programming the 16 byte MTP content unchanged from the current value has no
effect on the longevity of the MTP.
There is no direct write access to MTP through registers. Silicon Labs API ROM functions must be used.
XREG Address = 0x4040
XREG Definition 22.1. abMTP_RDATA[16]
Byte 15 14 ... 1 0
Name abMTP_RDATA[0:15]
Type R
Reset ——... ——
Byte Name Function
15:0 abMTP_
RDATA[0:15]
MTP Read Data.
MTP 16-byte read only array.

Rev. 0.6 75
Si4010
23. System Boot and NVM Programming
The device does not include a Flash memory for permanent code or data storage. Instead, the device con-
tains 4. 5kB of RAM, which can serve as a unified CODE and XDATA RAM memory. The device contains
of 8 kB of NVM (OTP) memory for user code and data storage. Small part of the NVM is reserved for Sili-
con Labs factory use and is not available to a user. In general more than 7 kB of NVM will be available for
user application use.
23.1. Startup Overview
The code cannot be run directly from NVM, since it is not mapped directly to the CPU address space.
Instead, upon device reset, the device goes through a boot process during which the factory chip configu-
ration and the user application code and data is copied from NVM to the CODE/XDATA RAM. Only after
the boot process finishes the user code starts being executed from CODE/XDATA RAM address 0x0000.
Therefore upon reset the device does not execute the user code immediately, but only after the boot pro-
cess finishes. The time in between the device wakeup, either caused by cycling the power or waking up
from the shutdown mode by button press, depends on the size of the user code load.
In general the startup time is about 2ms of fixed time plus 3.6 ms per 1 kB of user application code. For
example, 4 kB application will incur
Tstartup = 2 ms + 3.6 ms x User_KB = 2 ms + 3.6 ms x 4 = 16.4 ms
startup time before the user application starts being executed.
For debugging purposes user will not program the NVM, but will use the RAM for code development. In
that case the device will only contain factory settings and go through much shorter startup routine, which
would take less than 2 ms to finish.

Si4010
76 Rev. 0.6
23.2. Reset
Reset circuitry allows the controller to be easily placed in a predefined default condition. There is only one
external reset source for the device, which is power on reset. It get invoked at two occasions:
1. Power is supplied to the device. This means connecting the power supply to disconnected device.
2. The device is waking up from a shutdown mode. The power supply was connected before, but the
device was put into the shutdown mode. When it is awaken the power is supplied internally to all the
device systems.
On entry to this reset state, the following occur:
CIP-51 halts program execution
Special Function Registers (SFR) are initialized to their defined reset values
XDATA registers (XREG) are initialized to their defined reset values
External Port pins are forced to a known state
Interrupts and timers are disabled
All SFRs are reset to the predefined values noted in the SFR detailed descriptions. The contents of internal
data memory is lost, since the power got cycled.
The Port I/O latches are reset to 0xFF (all logic ones) in open-drain mode.
On exit from the reset state, the program counter (PC) is reset, and the system clock defaults to the inter-
nal oscillator. Device starts its boot sequence. See other sections for description of the boot sequence.
23.3. Chip Program Levels
The boot process starts by reading the NVM configuration bytes in the Factory region of NVM. The infor-
mation about the programmed level of the chip is read first and the boot process acts accordingly.
After boot, the program level of the chip can be read as NVM_BLOWN[2:0] field in the PROT0_CTRL
register.
From user point of view there are 3 program levels of the chip:
1. Factory .. blank part leaving the factory. The factory chip calibration is written into NVM. ROM and
NVM Factory region is not readable by the user. Part can be used with debugging chain for software
development and User load can be programmed to the part. Boot process initializes the part based on
the Factory settings.
2. User .. same as Factory (blank) part, but with the User region in the NVM programmed with user code.
The boot process will initialize the part according to the Factory settings and then (see Note 1. in
section “23.5. Device Boot Process”) copies the User load to the CODE/XDATA or IRAM based on the
User load. The code is not automatically run (see Note 2. in section “23.5. Device Boot Process”). The
part can be used with IDE for further software development. The part is still opened for further NVM
programming and the user can add additional data to the User region in the NVM. Debugging of the
code loaded from NVM is possible. The user can modify the boot behavior of the User part by
controlling two bits described later in the boot sequence description.
This program level can be used two ways:
User programs the User code to check the load before finalizing the product.
Silicon Labs program most of the User code into the chip. Then the customer will add additional
information specific for each chip on his own. For example, the customer may chose to let Silicon
Labs program all the application data, but wants to program security keys into each chip on their
own. This User level would be the chip program level delivered to a customer.
3. Run .. mission mode part, fully programmed for use in the field. No further NVM programming possible,
no C2 interface access enabled, with the exception of special mode for retest. No possibility of IDE
debug. The boot process is the same as in the case of User part, but after the user load is copied from

Rev. 0.6 77
Si4010
NVM to RAM, the boot loader executes a jump to RAM address 0x0000 and the user application is
executed. The C2 is not enabled in this mode with the retest exception, briefly described in this
document.
The IDE debugging environment can be used only with the Factory and User program chip levels, not with
the Run part.
23.4. NVM Organization
The 8 kB NVM (OTP) memory is virtually mapped to the device address space 0xE000 .. 0xFFFF. How-
ever, CPU can access NVM only indirectly using the predefined API calls in ROM.
The NVM address region is organized in the following fashion:
1. Factory region .. factory settings critical for chip functions. Size is variable based on the device
configuration.
2. User region .. region available for User application load at boot time. If the user application is not going
to use overlays, then this will be the only user data region used.
3. User App optional region .. optional region not visible at boot time. If the user application is using
overlays, then the overlay code will be stored in this region. It will be up to the user to load the
application code from the NVM to CODE/XDATA RAM at runtime based on the user application
request. Application note will be devoted to this technique.
4. Reserved region .. last 64 bytes of NVM are reserved for factory use and not available for user load.
The User load can occupy the rest of the NVM. The user may decide that he will use overlays. That means
that the boot routine will not copy all the data from NVM to RAM upon boot, but during the runtime of the
user program the program itself will load data from NVM to the RAM as desired. Only the User region is
known to boot routine and will be loaded during boot.
The User App region is the data region available to the user for a load to be loaded at runtime by the user
program. The user will have to call the API NVM copy routine in that case. The application note will
describe this process in detail. In such a scenario, this NVM region will not be loaded by boot, but by the
user application. That region of NVM is labeled as User App region in Figure 23.1, “NVM Address Map”.
Boot routine will not know about the data there.

Si4010
78 Rev. 0.6
Figure 23.1. NVM Address Map
23.5. Device Boot Process
The boot process works in the following sequence:
1. Boot is invoked by cycling power to the internals of the chip (which includes power cycle to the whole
chip) or waking up by button press, or by pressing a Reset button in the IDE development platform.
2. The device will read the Factory part of the NVM to determine the device configuration and load the
configuration values to appropriate registers and CODE/XDATA memory locations. Part of this process
is setting the boot variable block at the end of the CODE/XDATA memory.
3. If the program level is Factory then the boot process will stop and will not execute any code. It will wait
in an infinite loop for the debugging chain to load a user application to CODE/XDATA RAM and to allow
that code execution from the IDE. More specifically, the boot hardware waits for the CODE_RUN_POR
or CODE_RUN_SYS bits to be set in the BOOT_FLAGS register. When using debugging chain and
IDE, this is taken care of automatically by the IDE and there is no user intervention required.
4. If the program level is User then the same procedure is followed as for the Factory device. After that
the boot procedure automatically (see Note 1.) continues to load User region from NVM to
CODE/XDATA RAM and IRAM. After it finishes the device does not execute any code (see Note 2.) and
goes to the same waiting infinite loop as described in item 3. for Factory device.
The user can modify the boot behavior of the User part by controlling the following two bits:
Note 1. BOOT_TRIM_POR bit in BOOT_FLAGS .. Register cleared on power on reset. If this bit is
1, the boot loader will not load the User load but enables C2 and goes to the boot_flags
waiting loop. The part will behave as a Factory part. This bit has higher priority than the one
below. Convenient for debugging until the power is cycled.
Note 2. USER_CONT bit in PROT3_CTRL in NVM .. Bit in the NVM protection register. Once set it
cannot be cleared. When this bit is 1, then after the Factory and User loads are loaded from
NVM 8KB
0xE000
Factory
Setup
User
(Boot)
User App
(App Use)
Optional
Reserved
64 bytes
0xFFFF
0xFFC0
wBoot_NvmUserBeg
Set by the
factory setup
Optional gap
First unread NVM byte address .. User/Run part
wBoot_NvmCopyAddr

Rev. 0.6 79
Si4010
NVM the boot loader enables C2 and runs the user code immediately, without any wait, by
executing long jump to RAM address 0x0000. The IDE can still halt the chip and connect to
it in a usual fashion. From the debug point of view there is no change. This bit corresponds
to the Exe User Boot checkout on the NVM programmer GUI application.
5. If the program level is Run then the same boot procedures is followed as for the User device. When
loading the User region is done, the user code is run by jumping to the 0x0000 address in
CODE/XDATA RAM. The C2 interface is disabled and the chip can no longer be used with debug chain
and IDE. The Run chip can be opened for retest, but the user has an option to limit Retest access or
lock the chip out completely. See Section “23.11. Retest and Retest Configuration”.
Note: If the Factory or User part is powered up, the part will wait in an infinite loop, consuming power.
Only the Run part executes code in CODE/XDATA RAM automatically. The user can also optionally make
the User part to execute loaded code automatically as described above.
23.6. Error Handling During Boot
At the end of the boot process the bBoot_BootStat byte variable contains the final status of the whole
boot process. Bit field meanings are summarized in SFR Definition 23.1. The user application code should
read that variable and if its value is other then 0x00 or 0x80, then it should decide whether it is safe to run
the application at all. The boot success/fail single bit information is also contained in the BOOT_FLAGS
SFR register for easier access.
23.7. CODE/XDATA RAM Address Map
The 4.5 kB for internal RAM at the address range 0x0000 .. 0x11FF is the main area for the user program
(CODE) and external data (XDATA). It is a unified memory, referred to as CODE/XDATA RAM in this docu-
ment, so both CPU code (CODE) can be executed there and external data (XDATA) can reside there.
External data are the data accessible by MOVX instructions. MOVC instructions can also be used to
access data in that region.
After the boot of a Run part the CPU starts executing code from address 0x0000 in RAM. Therefore, user
code must occupy the beginning of the RAM, followed by the XDATA.
Important: Linker of the user application has to be given proper regions of CODE and XDATA memory,
which are mutually exclusive. Therefore, for example, the user cannot set the CODE region to be 0x0000 ..
0x1000 and XDATA region to be the very same at the same time. One has to specify two non-overlapping
regions for CODE and XDATA in the CODE/XDATA RAM area instead.
The end of the CODE/XDATA RAM is reserved for internal Silicon Labs use. The CODE/XDATA RAM
address space is divided into three parts:
1. User CODE/XDATA .. user application load. The boot process copies the user code and external
initialized data from NVM to this region.
2. Factory data values .. variable length. Reserved for Silicon Labs use. The actual beginning of the
Silicon Labs reserved area in RAM can be obtained by reading the boot WORD (2 byte) variable
wBoot_DpramTrimBeg. In big endian fashion it contains an address of the first reserved byte of the
RAM. User can use the range 0x0000 .. (wBoot_DpramTrimBeg) - 1 for application CODE and
XDATA
3. Boot status variables .. variables in the region 0x11F3 .. 0x11FF are boot status variables set at the end
of the boot process to inform the user application about the RAM size available for user application and
about the final status of the boot process.
The visual representation of the RAM is in Figure 23.2. The detailed explanation of the boot control data
variables are in Table 23.1 to SFR Definition 23.1.
The user code or user development environment need to pay attention to the content of the following vari-
ables. All are stored in big endian fashion (MSB at the lower address):

Si4010
80 Rev. 0.6
wBoot_DpramTrimBeg .. this variable points to the first occupied (by factory data) address of RAM.
Therefore, the user development platform needs to read this variable to determine what the available
RAM area for user CODE/XDATA is.
bBoot_BootStat .. boot status result. User code should check this value at its beginning. If the value is
different than 0x00 then the user could decide not to run its application since there was a problem with
the boot.
Critical registers and variables corresponding to the NVM programming:
PROT0_CTRL .. this register, described in SFR Definition 23.4, contains the value of the current
program level of chip. Depending on that value, the NVM programming utility will decide what can and
cannot be programmed into the NVM.
PROT3_CTRL .. internal byte in the Factory region of the NVM controlling the boot process. It contains
all the user code protection bits and modification of the User part boot process.
wBoot_NvmUserBeg .. address in NVM of the beginning of the User load. For programming the User
load into the NVM, the NVM programming utility has to be properly configured by using this value. The
value is read automatically by the NVM programming utility, and also is available through the IDE.
Depending on the size of the Factory load the value of this variable can vary in between chip revisions.
It could also vary from chip to chip, but that is unlikely.
wBoot_NvmCopyAddr .. first unread address of the NVM during boot. This address contains the NVM
address the boot routine would read next. The last byte of the last data block read is at the address that
is one less than the content of this variable: (wBoot_NvmCopyAddr) - 1. The NVM programmer will
use this information when additional block User data is needed to be programmed. As long as the part
is in a program state User additional blocks can be added to the User load.
Figure 23.2. CODE/XDATA RAM Address Map
Boot_AfterTrimExe
Boot_PatchExe
Reserved
Boot XDATA
0x0000
Factory
XDATA
bBoot_BootStat
wBoot_NvmCopyAddr
wBoot_NvmUserBeg
wBoot_DpramTrimBeg
User
CODE/
XDATA
0x11FF
0x11FD
0x11F3
0x11F5
CODE/XDATA
RAM 4.5KB
0x11F7

Rev. 0.6 81
Si4010
23.8. Boot Status Variables
End of the CODE/XDATA RAM are reserved for boot status variables.
The user must pay attention to the content of the wBoot_DpramTrimBeg variable. Its content points to the
first reserved address for Factory Silicon Labs use.
Important: The CODE/XDATA area from this address on (increasing address) is reserved and must not be
overwritten by User NVM load at boot time nor by user application at runtime.
If this area is accidentally overwritten by user application the chip will behave unpredictably. There is no
hardware protection for this region.
Note that depending on the revision of the chip the Factory XDATA area can vary in size. The area is
refreshed when reset is issued.
Boot status byte can or should be read by the user application at the very beginning to determine whether
the copying of the Factory and User data from NVM to desired RAM destination was successful or not.
When there are no errors, the value the bBoot_BootStat variable should be 0x00 or 0x80. Any other value
denotes a boot error. The user application then can decide whether to run or stall, if the user application
was actually loaded to RAM. If the boot fails and the user application is not loaded to RAM, then
unpredictable results may occur. The bit 7 of this variable contains a read value of GPIO[0] at the very
beginning of the boot before the XO was optionally turned on.
Table 23.1. Boot XDATA Status Variables
Register Addr Type Description
wBoot_DpramTrimBeg 0x11F3 WORD* Address of the first occupied byte by the Silicon Labs
factory data in CODE/XDATA RAM. This variable is set
after the boot. User must read the variable to determine
where is the end of the usable CODE/XDATA RAM mem-
ory for user’s use. The address is stored in big endian
fashion; address MSB byte at the variable address loca-
tion, followed by LSB byte on the next (address + 1) loca-
tion.
wBoot_NvmUserBeg 0x11F5 WORD Byte address of the first byte of the User load in the NVM
memory. It is set by the Factory load. The User load MUST
start at that address in NVM. Boot routine reads this vari-
able before loading the User code after it finished loading
the Factory load.
wBoot_NvmCopyAddr 0x11FD WORD First unread data address in NVM by the NVM copy routine
bNvm_CopyBlock. After the boot is done this variable
contains, in big endian, the NVM address of the first NVM
byte not read by NVM copy routine. This is the first “empty”
byte in NVM which is available for new data.
The value of this variable is essential when the user wants
to add more data to NVM later on.
bBoot_BootStat 0x11FF BYTE Boot status. User program can read this byte and decide
whether the boot finished correctly. If not, then it can blink
LED or not to continue with running the code. See the
bBoot_BootStat bit description table.
*Note: WORD is an unsigned 16 bit value, BYTE is an unsigned 8 bit value.

Si4010
82 Rev. 0.6
XREG Address = 0x11FF
Apart from the CODE/XDATA RAM memory region there is a boot control and status SFR register,
BOOT_FLAGS. It controls the end of the boot and has error status bit, which is set when bBoot_BootStat
variable has other than 0x00 value. That is added for convenience so the user code can just check a single
bit in SFR register rather than reading XDATA variable to determine whether boot finished successfully or
not. If the bBoot_BootStat XDATA variable is not 0x00, the boot fail flag is set in the BOOT_FLAGS SFR.
The other bits control whether the user code will run after the boot. If the debugging chain is used and user
code is loaded through IDE, this process is transparent to the user. Whenever the IDE connects to the
device, it resets and halts the device, awaiting user. The user will generally not write to the BOOT_FLAGS
register.
However, if the user wants to make the User part to behave as a Factory part, then it is possible to write
value 0x20 to the BOOT_FLAGS register through IDE (see View -> Debug Windows -> SFR -> Boot
window). Don’t forget to press the Refresh IDE button for the change to take effect. Then until the power
to the part is cycled the part would behave as a Factory part.
SFR Definition 23.1. BOOT_BOOTSTAT
Bit76543210
Name BS_GPIO_
XTAL
RESERVED BS_ERR_FACTORY[2:0] BS_ERR_
USER_
NEXT
BS_ERR_
USER_
FIRST
Type RRR R RR
Reset 0/10000000
Bit Name Function
7BS_GPIO_
XTAL
GPIO0 Read before Boot.
Read GPIO0 value at the very beginning of the boot prior to optionally turning on the XO
(crystal oscillator).
6:5 Reserved Reserved.
4:2
BS_ERR_
FACTORY
[2:0]
Load of the Factory Data.
Load of the Factory data failed if value is other than 0x0
1
BS_ERR_
USER_
NEXT
Load of the Second or Subsequent User block.
Load of the second or subsequent user block failed if other than 0.
0
BS_ERR_
USER_
FIRST
Load of the First User block.
Load of the first user block failed if other than 0.

Rev. 0.6 83
Si4010
SFR Address = 0xDD
SFR Definition 23.2. BOOT_FLAGS
Bit76543210
Name Reserved Reserved BOOT_
TRIM_
POR
CODE_
RUN_
POR
Reserved BOOT_
FAIL_
SYS
BOOT_
DONE_
SYS
CODE_
RUN_SYS
Type R/W R/W R/W R/W R/W R/W R/W R/W
Reset 00000000
Bit Name Function
7:6 Reserved Reserved.
5BOOT_TRI
M_POR
Force User Part to Act as a Factory Part.
For User part only: During the boot process load only Factory values and stop. By other
words, act like a Factory part. Must be set for additional programming of the User part or for
loading user test code to RAM when the part is programmed as User part. This bit has higher
priority then the PROT3_CTRL.USER_CONT bit.
4
CODE_
RUN_
POR
Run User Code in RAM.
Same functionality as CODE_RUN_SYS.
3 Reserved Reserved.
2
BOOT_
FAIL_
SYS
Boot Loading Process Failed.
This is an information flag, independent of the BOOT_DONE_SYS. This bit is set
when the boot status XDATA variable bBoot_BootStat is not equal to 0x00, signal-
ling error during boot.
It is recommended that the user code reads this bit and possibly make decisions
whether to continue with the execution of the loaded RAM code, which might not be
complete, or signal to a user a problem, by, for example, blinking LED in some not-
ordinary fashion.
1
BOOT_
DONE_
SYS
Boot Routine Finished Flag.
Always set to 1 at the end of the boot.
0CODE_
RUN_SYS
Run User Code in RAM.
Used for Factory and User program states, ignored in Run state. When this bit is set
the boot routine will jump to CODE address 0x0000. Forced by the debugging chain if
the device is connected to the IDE.

Si4010
84 Rev. 0.6
23.9. Boot Routine Destination Address Space
The boot process reads the formatted data from NVM and writes it to the desired destination. The format
supports different address regions based on the destination (write) address. The destination address is
part of the NVM content data frame format.
Figure 23.3. Boot Routine Destination CPU Address Space for Copy from NVM
The address space of the NVM image destinations depend on the program level of the chip and is shown
in Figure 23.3:
0x0000 .. 0x11FF .. CODE/XDATA RAM. The end of the RAM is reserved for the boot control data.
0x7000 .. 0x70FF .. virtually mapped 256 byte of IRAM for DATA/IDATA indirect access. Whenever the
destination address in the NVM image is in this region the data destination is going to be DATA/IDATA
IRAM space. However, only region 0x7020 .. 0x70EF is writable. That means that the first 32 and last
16 bytes of the IRAM are not writable by a boot process. Note that the mapping is for indirect internal
IRAM access (DATA/IDATA), so SFR registers cannot be initialized by this process.
It is up to the user to generate IntelHEX files to be passed to the NVM programmer. The NVM programmer
will ensure that the NVM gets programmed with a proper data structures such that the data values pro-
vided in the IntelHEX files will appear at the RAM and IRAM addresses specified in the IntelHEX input file
after the boot is done.
64KB
16KB
0x0000
RAM 4.5K
0xFFFF
0x8000
0x4000
0x7000 IRAM 256B
0x11FF
Boot routine view of the CPU memory space for writing
User data from the NVM to the RAM/register spaces

Rev. 0.6 85
Si4010
Note that by using the unified CODE/XDATA memory and by mapping the IRAM to the boot process
address space the user can initialize both XDATA and IRAM variables directly from the User NVM load
without the need for running any startup code to do variable initializations, resulting in the saving of a code
size.
One application of the data initialization by a boot process could be copying of keys from the NVM to fixed
locations without any code intervention. The user can program all the chips with the same application in
the factory and then add only a very small, per chip, User block with keys, specifying where to the XDATA
and/or IRAM memories the boot process should copy the values of the keys.
For example, to initialize IRAM location 0x56 to 0xA4 value the user will provide and IntelHEX file specify-
ing that at the address 0x7056 the data value should be 0xA4.
23.10. NVM Programming
The NVM programming can be done only by the Silicon Labs provided data preparer and programmer. The
data preparer will take user generated application IntelHEX files, user directives, and will generate data to
be programmed into the NVM. The NVM programmer then programs the data into the NVM. In the end the
NVM programming will be handled by a single stand alone application.
During the programming process the user will have control of the following:
1. Make Factory part a User part .. program User data into the NVM
2. Update User part .. add additional User data block to the existing User data already in NVM. This
process can be done many times as long as there is a space in NVM.
3. Make User part a Run part .. mark a part as a final mission mode part. When making the part a Run
part the user can decide whether the part retest will be allowed and if so, then what protection
restrictions the user is going to impose during the retest process.
These steps can be combined into a single programming step. Step 2. is optional and is convenient when
part specific data needs to be added later to the NVM load.

Si4010
86 Rev. 0.6
23.11. Retest and Retest Configuration
When the part is programmed as a Run part, the C2 interface is disabled and nobody can access the part
externally. However, Silicon Labs needs to be able to retest the part in case it returns as a failed part from
a customer application. Silicon Labs understands that customer may have programmed sensitive informa-
tion into the NVM which should not be revealed to anybody, not even to Silicon Labs, during the retest pro-
cess. During the process of making the part a Run part the user will have one time option to control the
access to the chip during the retest process.
To be able to retest the fully programmed Run part, a special sequence of pin values needs to be applied
at a particular time during the boot process. Once that sequence is recognized by the part, the boot pro-
cess loads only the Factory region of the NVM and will not load any of the User regions from the NVM.
Then before the boot process opens the C2 interface for factory retest communication, it consults the user
retest protection control flags programmed into the PROT3_CTRL byte in NVM when the part was made a
Run part and acts on the values immediately. Only after all the actions prescribed by the flags settings are
completed can the chip open for retest communication.
When making a Run part, the user can set the following retest protection flags when using the NVM
programmer.
Note that if the bits are set into the PROT3_CTRL NVM byte before the part is programmed as Run part
(for example, those bits are set when making a User part), the settings are ignored. The boot process will
monitor these values only after the part is programmed to be the Run part.
Table 23.2. Run Chip Retest Protection Flags: NVM Programmer
Flag Name Description
c2_off Disable the C2 interface for good. No retest possible.
Warning: When set then the part is locked out, C2 interface is disabled forever, and SiLabs
cannot retest the chip. There is no back door to the part. All other settings below are ignored,
since they have no effect.
This bit is set in PROT0_CTRL.C2_OFF and it corresponds to C2 Disable checkbox on the
NVM programmer GUI.
mem_c2_prot Protect CODE/XDATA and IRAM RAM memories. When set then the boot process clears
CODE/XDATA and IRAM RAM's when the Run chip is opened for retest. CODE/XDATA and
IRAM RAM's get cleared with 0, excluding the Factory region at the end of CODE/XDATA. The
IRAM gets also cleared completely outside of the register bank 0 (bottom 8 registers). This
ensures that there is no lingering User code or data values, like keys, in any of the RAM’s.
This bit is in PROT3_CTRL.MEM_C2_PROT and it corresponds to RAM Clear checkbox on
the NVM programmer GUI.

Rev. 0.6 87
Si4010
Once these options are programmed to the part they cannot be undone or changed. Additional setting of
these options after the part is made a Run part is not possible either.
mtp_c2_prot Protect MTP. When set then both Wr and Rd access to MTP is disabled. Forces boot process
to set MTP_PROT=1 to disable MTP communication completely. Reading from MTP returns
0x00 values, writing is not possible. Customer may want to set this option if there is a sensitive
information written into the MTP EEPROM during the lifetime of the part.
This bit is in PROT3_CTRL.MTP_C2_PROT and it corresponds to MTP Disable checkbox on
the NVM programmer GUI.
nvm_c2_prot Protect NVM. When set then both Wr and Rd access to NVM is disabled. It forces boot
process to write NVM_PROT=1 at the end of the boot process to disable NVM access. This
protects User load in NVM from being read by SiLabs.
If this option is used then the SiLabs can still do the following with NVM content during retest:
1. Calculate CRC32 over the Factory region of NVM.
2. Calculate CRC32 over the user portion of the NVM, which is the whole NVM excluding
the Factory region and the last 64 bytes of NVM.
3. Read the end 64 bytes of the NVM, which is a reserved NVM region for SiLabs use.
When this option is set then SiLabs cannot do anything else with NVM during retest.
This bit is in PROT3_CTRL.NVM_C2_PROT and it corresponds to NVM Disable checkbox on
the NVM programmer GUI.
Table 23.2. Run Chip Retest Protection Flags: NVM Programmer
Flag Name Description

Si4010
88 Rev. 0.6
23.12. Boot and Retest Protection Control Register
The boot process monitors the value of an NVM byte called PROT3_CTRL. There is not a corresponding
hardware register to this byte. It is a value in the Factory region at the beginning of NVM. The register
contains Retest protection flags described above and modification of the boot for User part.
Each bit is write 1 once. Once the bit is programmed it cannot be cleared. The bits are programmable
though the checkboxes in the NVM programmer. Once the bit is set, there is no way to monitor the current
status of the bit in the PROT3_CTRL NVM byte on the device.
SFR Address = 0xDA
SFR Definition 23.3. PROT3_CTRL
Bit76543210
Name NVM_C2_
PROT
MTP_C2_
PROT
MEM_C2_
PROT
BOOT_XO
_ENA
Reserved USER_
CONT
Reserved
Type W WWW R W R
Reset 0 000 0x0 0 0
Bit Name Function
7NVM_C2_
PROT
NVM Protection (Disable) When Entering Retest Mode.
This bit corresponds to NVM Disable checkbox on the NVM programmer GUI.
6MTP_C2_PR
OT
MTP Protection (Disable) When Entering Retest Mode.
This bit corresponds to MTP Disable checkbox on the NVM programmer GUI.
5MEM_C2_
PROT
RAM Clearing (Content Protection) When Entering Retest Mode.
This bit corresponds to RAM Clear checkbox on the NVM programmer GUI.
4BOOT_XO_
ENA
Enable the Crystal Oscillator (XO) at the Beginning of the Boot Process.
This is valid in any device programming level, including Factory. Since it can take up to 10ms
for the XO to stabilize and about 3.6 ms to load 1 kB of data from NVM to RAM, the user may
decide to enable the XO at the beginning of the boot process so the XO will be stabilizing
while the device is going through the boot process to save time in the main application.
This bit corresponds to XO Early Enable checkbox on the NVM programmer GUI.
2:3 Reserved Reserved.
1USER_CONT
Run the User Code in User Part after Boot Automatically.
For User programming level only, has no effect in other programming levels. Normally when
the part is programmed as User the user code is loaded from NVM to RAM, but is not
executed automatically. If this bit is set, then the user load is executed automatically after boot.
This bit corresponds to Exe User Boot checkbox on the NVM programmer GUI.
0Reserved Reserved.

Rev. 0.6 89
Si4010
23.13. Chip Protection Control Register
The boot process sets the values of the device protection and configuration SFR register, PROT0_CTRL.
The user can read the register and check the programming level of the device as well as protections set to
control access to the NVM and MTP memories and C2 interface. The register is user writable, but once a
value of 1 is written to any of the bits in the register it cannot be undone. Protections can only be made
stronger, not weaker.
SFR Address = 0xDA
SFR Definition 23.4. PROT0_CTRL
Bit76 5 43210
Name NVM_
PROT
C2_OFF Reserved MTP_
PROT
NVM_
WR_
PROT
NVM_BLOWN[2:0]
Type R/W R/W R R/W R/W R/W R/W R/W
Reset 00 1 00000
Bit Name Function
7
NVM_
PROT
NVM Protection.
Disable NVM access completely. Neither read nor write to NVM is possible. Write 1
sets the bit, write 0 has no effect.
6C2_OFF
C2 Interface Disable.
Write 1 sets the bit, write 0 has no effect. This bit is reset by the main digital power on
reset. Power has to be cycled to reset this bit or chip has to wake up from shutdown.
If C2 is disabled then the chip is not accessible by a debug chain and not available for
retest.
5 Reserved Reserved.
4MTP_
PROT
MTP Protection.
Disable MTP access. If set then MTP will be completely disabled. All reads from MTP
will be 0x00. Write 1 sets the bit, write 0 has no effect.
3
NVM_
WR_
PROT
NVM Write Protection.
If this bit is set the NVM is write protected. However, the value is used only if the chip
program level is Run, NVM_BLOWN=3’b11x. In all other cases the value of this bit is
ignored.
2:0
NVM_
BLOWN
[2:0]
Displays Chip Program Level.
The bits can only be set to 1, write 0 has no effect:
001 .. Factory
011 .. User
111 .. Run

Si4010
90 Rev. 0.6
24. On-Chip Registers
There are two register regions on chip:
Special Function Registers region
XREG region
24.1. Special Function Registers
The direct-access data memory locations from 0x80 to 0xFF constitute the special function registers
(SFRs). The SFRs provide control and data exchange with the Si4010's resources and peripherals. The
CIP-51 controller core duplicates the SFRs found in a typical 8051 implementation as well as implementing
additional SFRs used to configure and access the sub-systems unique to the Si4010. This allows the addi-
tion of new functionality while retaining compatibility with the MCS-51™ instruction set. Table 24.2 lists the
SFRs implemented in the Si4010 device family.
The SFR registers are accessed anytime the direct addressing mode is used to access memory locations
from 0x80 to 0xFF. SFRs with addresses ending in 0x0 or 0x8 (e.g. P0, P1, ACC, IE, etc.) are bit-address-
able as well as byte-addressable. All other SFRs are byte-addressable only. Unoccupied addresses in the
SFR space are reserved for future use. Accessing these areas will have an indeterminate effect and
should be avoided. Refer to the corresponding pages of the data sheet, as indicated in Table 24.2, for a
detailed description of each register.
Table 24.1. Special Function Register (SFR) Memory Map
0X80 0x90 0xA0 0xB0 0xC0 0xD0 0xE0 0xF0
0* P0* P1* P2* PSW* ACC* B*
1SP GPR_CTRL
2DPL GPR_DATA
3DPH
4GFM_DATA P0CON LC_FSK
5GFM_CONST P1CON PORT_CTRL
6SBOX_DATA PORT_SET EIE1 EIP1
7PCON PORT_INTCFG
8* IE* IP* TMR2CTRL*
9RBIT_DATA ODS_CTRL TMR3CTRL TMR_CLKSEL
AODS_TIMING TMR3RL TMR2RL PROT0_CTRL
BFC_CTRL ODS_DATA TMR3RH TMR2RH
CRTC_CTRL ODS_RATEL TMR3L TMR2L
DFC_INTERVAL ODS_RATEH TMR3H TMR2H BOOT_FLAGS
EODS_WARM1 SYSGEN PA_LVL SYS_SET
FCLKOUT_SET ODS_WARMS2 INT_FLAGS
*Notes:Bit addressable registers.

Rev. 0.6 91
Si4010
Table 24.2. Special Function Registers
SFRs are listed in alphabetical order. All undefined SFR locations are reserved
Register Address Description Page
ACC 0xE0 Accumulator 68
B0xF0 B Register 69
BOOT_FLAGS 0xDD Boot Flags 83
CLKOUT_SET 0x8F Clock Output Settings 128
DPH 0x83 Data Pointer High 67
DPL 0x82 Data Pointer Low 67
EIE1 0xE6 Extended Interrupt Enable 1 101
EIP1 0xF6 Extended Interrupt Priority 1 102
FC_CTRL 0x9B Frequency Counter Control 58
FC_INTERVAL 0x9D Frequency Counter Interval 59
GFM_CONST 0x85 AES GFM Multiplier Constant 109
GFM_DATA 0x84 AES GFM Data 109
GPR_CTRL 0xB1 General Purpose Control Register 130
GPR_DATA 0xB2 General Purpose Data Register 130
IE 0xA8 Interrupt Enable 99
IP 0xB8 Interrupt Priority 100
INT_FLAGS 0xBF Interrupt Flags 103
LC_FSK 0xE4 LC FSK Deviation 52
ODS_CTRL 0xA9 ODS Control 47
ODS_DATA 0xAB ODS Data 49
ODS_RATEH 0xAD ODS Rate High Byte 50
ODS_RATEL 0xAC ODS Rate Low Byte 49
ODS_TIMING 0xAA ODS Timing Register 48
ODS_WARM1 0xAE ODS Warm up times for PA and Divider 50
ODS_WARM2 0xAF ODS Warm up time for LCOSC 51
P0 0x80 Port 0 Latch 122
P0CON 0xA4 Port 0 Configuration 123
P1 0x90 Port 1 Latch 123
P1CON 0xA5 Port 1 Configuration 124
P2 0xA0 Port 2 Latch 124
PA_LVL 0xCE Power Amplifier Level 44
PCON 0x87 Power Control 107
PORT_CTRL 0xB5 Port Control 125

Si4010
92 Rev. 0.6
PORT_INTCFG 0xB7 Port Interrupt Configuration 105
PORT_SET 0xB6 Port Set 126
PROT0_CTRL 0xDA Protection 0 Control 89
PSW 0xD0 Program Status Word 70
RBIT_DATA 0x99 Read Bit Data 131
RTC_CTRL 0x9C Real Time Clock Control 134
SBOX_DATA 0x86 AES SBOX Data 110
SP 0x81 Stack Pointer 68
SYSGEN 0xBE System Generator Register 54
TMR2CTRL 0xC8 Timer/Counter 2 Control 144
TMR2H 0xCD Timer/Counter 2 High 147
TMR2L 0xCC Timer/Counter 2 Low 147
TMR2RH 0xCB Timer/Counter 2 Reload High 146
TMR2RL 0xCA Timer/Counter 2 Reload Low 146
TMR3CTRL 0xB9 Timer/Counter 3Control 148
TMR3H 0xBD Timer/Counter 3 High 151
TMR3L 0xBC Timer/Counter 3Low 151
TMR3RH 0xBB Timer/Counter 3 Reload High 151
TMR3RL 0xBA Timer/Counter 3 Reload Low 150
TMR_CLKSEL 0xC9 Timer Source Clock Selection 143
Table 24.2. Special Function Registers (Continued)
SFRs are listed in alphabetical order. All undefined SFR locations are reserved
Register Address Description Page

Rev. 0.6 93
Si4010
24.2. XREG Registers
The chip contains another set of registers implemented in the XREG memory area. These registers are
located in the XDATA address space, addressable by MOVX instructions only. From CPU perspective it is
a regular external memory.
The advantage of the XREG registers is that they are viewed by the CPU as a regular memory. Therefore,
they can be declared as different data types, structures, array of bytes, and so on. With SFR we only have
special registers and it is not possible to declare them as long integers, for example. On the other hand the
SFR register access is faster and one can use arithmetic and logical operations on them.
Note registers in the XREG regions are aligned at 8, 16, and 32 bit boundaries and they are stored in big
endian fashion. This is to support Keil C compiler, which uses big endian. Note that if the register is, say
23 bits wide, the 32 bits (4 bytes) are allocated for the register and the register is aligned in big endian
fashion.
Therefore, the LSB byte of the register will be at the address <reg_addr> + 3, while the byte directly at the
<reg_addr> is the MSB byte and is empty (read as 0x0), since the register itself is only 23 bits wide.
Table 24.3 shows a memory map of the XREG registers in the external memory space.

Si4010
94 Rev. 0.6
Table 24.3. XREG Register Memory Map in External Memory
XDATA Address Type Name
0x4002 BYTE bLPOSC_TRIM
MSB Byte
LSB Byte
MSB Byte
LSB Byte
Byte [0]
Byte [15]
0x4003
...
0x4007
<reserved>
0x4008
0x4009
0x400a
0x400b
LWORD IFC_COUNT
0x400c
0x400d
WORD wPA_CAP
0x400e
...
0x4011
<reserved>
0x4012 BYTE bPA_TRIM
0x4013
...
0x4015
<reserved>
0x4016 BYTE bXO_CTRL
0x4017 BYTE bPORT_TST
0x4018
...
0x4026
<reserved>
0x4040
...
0x404f
BYTE abMTP_RDATA[16]
Note: Multiple byte variables, if they are not arrays, are stored in big endian ..
MSB byte stored on lower address. Arrays are stored with byte index [0] at
lower address.

Rev. 0.6 95
Si4010
Description of the XREG register fields on the previous pages includes only the used register bits. The
fields are aligned towards the LSB byte of the XREG register. If the actual XREG register is wider then the
field described the missing bits towards MSB byte are all read as 0's and writing to them has no effect. For
example, the register wPA_CAP contains a single 9 bit field. Since it is more than 8 bits and less then 16 it
occupies two bytes. That's why the prefix letter 'w' denoting a two byte WORD. The bits [15:9] are read as
all zeros and write has no effect. They are aligned towards MSB byte of the wPA_CAP, the one at lower
address since the byte ordering is in big endian fashion.
Table 24.4. XREG Registers
XREGs are listed in alphabetical order.
Register Address Description Page
wPA_CAP 0x400C PA Variable Capacitor 44
bPA_TRIM 0x4012 PA MAX Drive bit 45
bLPOSC_TRIM 0x4002 Low Power Oscillator Trim 53
abMTP_RDATA[16] 0X4040 MTP_Read Data Bytes 74
bXO_CTRL 0x4016 XO Control 55
lFC_COUNT 0x4008 Frequency Counter Output 59

Si4010
96 Rev. 0.6
25. Interrupts
The Si4010 device includes an extended interrupt system supporting a total of 12 interrupt sources with
two priority levels. Each interrupt source has one or more associated interrupt-pending flag(s) located in an
SFR. When a peripheral or external source meets a valid interrupt condition, the associated interrupt-
pending flag is set to logic ‘1’.
If interrupts are enabled for the source, an interrupt request is generated when the interrupt-pending flag is
set. As soon as execution of the current instruction is complete, the CPU generates an LCALL to a prede-
termined address to begin execution of an interrupt service routine (ISR). Each ISR must end with an RETI
instruction, which returns program execution to the next instruction that would have been executed if the
interrupt request had not occurred. If interrupts are not enabled, the interrupt-pending flag is ignored by the
hardware and program execution continues as normal. The interrupt-pending flag is set to logic ‘1’ regard-
less of the interrupt's enable/disable state.
Each interrupt source can be individually enabled or disabled through the use of an associated interrupt
enable bit in the Interrupt Enable and Extended Interrupt Enable SFRs. However, interrupts must first be
globally enabled by setting the EA bit (IE.7) to logic ‘1’ before the individual interrupt enables are recog-
nized.
Setting the EA bit to logic ‘0’ disables all interrupt sources regardless of the individual interrupt-enable set-
tings. Note that interrupts which occur when the EA bit is set to logic ‘0’ will be held in a pending state, and
will not be serviced until the EA bit is set back to logic ‘1’.
Note: Any instruction that clears a bit to disable an interrupt should be immediately followed by an instruc-
tion that has two or more opcode bytes. Using EA (global interrupt enable) as an example:
// in 'C':
EA = 0; // clear EA bit.
EA = 0; // this is a dummy instruction with two-byte opcode.
; in assembly:
CLR EA ; clear EA bit.
CLR EA ; this is a dummy instruction with two-byte opcode.
For example, if an interrupt is posted during the execution phase of a "CLR EA" opcode (or any instruction
which clears a bit to disable an interrupt source), and the instruction is followed by a single-cycle instruc-
tion, the interrupt may be taken. However, a read of the enable bit will return a '0' inside the interrupt ser-
vice routine. When the bit-clearing opcode is followed by a multi-cycle instruction, the interrupt will not be
taken.
On this device no interrupt-pending flags are automatically cleared by the hardware when the CPU vectors
to the ISR. The flags must be cleared by software before returning from the ISR. If an interrupt-pending
flag remains set after the CPU completes the return-from-interrupt (RETI) instruction, a new interrupt
request will be generated immediately and the CPU will re-enter the ISR after the completion of the next
instruction.

Rev. 0.6 97
Si4010
25.1. MCU Interrupt Sources and Vectors
The device supports 12 interrupt sources. Software can simulate an interrupt by setting any interrupt-pend-
ing flag to logic ‘1’. If interrupts are enabled for the flag, an interrupt request will be generated and the CPU
will vector to the ISR address associated with the interrupt-pending flag. MCU interrupt sources, associ-
ated vector addresses, priority order, and control bits are summarized in Table 25.1. Refer to the data
sheet section associated with a particular on-chip peripheral for information regarding valid interrupt condi-
tions for the peripheral and the behavior of its interrupt-pending flag(s).
25.2. Interrupt Priorities
Each interrupt source can be individually programmed to one of two priority levels: low or high. A low prior-
ity interrupt service routine can be preempted by a high priority interrupt. A high priority interrupt cannot be
preempted. Each interrupt has an associated interrupt priority bit in an SFR (IP or EIP1) used to configure
its priority level. Low priority is the default. If two interrupts are recognized simultaneously, the interrupt with
the higher priority is serviced first. If both interrupts have the same priority level, a fixed priority order is
used to arbitrate, given in Table 25.1.
25.3. Interrupt Latency
Interrupt response time depends on the state of the CPU when the interrupt occurs. Pending interrupts are
sampled and priority decoded each system clock cycle. Therefore, the fastest possible response time is 5
system clock cycles: 1 clock cycle to detect the interrupt and 4 clock cycles to complete the LCALL to the
ISR. Additional clock cycles will be required if a chace miss occurs. If an interrupt is pending when a RETI
is executed, a single instruction is executed before an LCALL is made to service the pending interrupt.
Therefore, the maximum response time for an interrupt (when no other interrupt is currently being serviced
or the new interrupt is of greater priority) is when the CPU is performing an RETI instruction followed by a
DIV as the next instruction, and a cache miss event also occurs. If the CPU is executing an ISR for an
interrupt with equal or higher priority, the new interrupt will not be serviced until the current ISR completes,
including the RETI and following instruction.

Si4010
98 Rev. 0.6
25.4. Interrupt Register Descriptions
The SFRs used to enable the interrupt sources and set their priority level are described in this section.
Refer to the data sheet section associated with a particular on-chip peripheral for information regarding
valid interrupt conditions for the peripheral and the behavior of its interrupt-pending flag(s).
Table 25.1. Interrupt Summary
Interrupt Source Interrupt
Vector
Priority
Order
Pending Flag
Bit addressable?
Enable
Flag
Priority
Control
Reset 0x0000 Top None N/A Always
Enabled
Always
Highest
External INT 0 (INT0) 0x0003 0 INT0_FLAG
(INT_FLAGS.0)
N EINT0 (IE.0) PINT0 (IP.0)
Timer 2 Overflow 0x000B 1 TMR2INTL
(TMR2CTRL.6)
TMR2INTH
(TMR2CTRL.7)
YETMR2
(IE.1)
PTMR2
(IP.1)
RESERVED 0x0013 2 N/A N N/A N/A
Real Time Clock Tick 0x001B 3 RTC_INT
(RTC_CTRL.7)
N ERTC (IE.3) PRTC (IP.3)
ODS Ready for Data 0x0023 4 ODS_FLAG
(INT_FLAGS.2)
N EODS (IE.4) PODS (IP.4)
Timer 3 Overflow 0x002B 5 TMR3INTL
(TMR3CTRL.6)
TMR3INTH
(TMR3CTRL.7)
NETMR3
(IE.5)
PTMR3
(IP.5)
External INT1 0x0033 6 INT1_FLAG
(INT_FLAGS.1)
N EINT1 (IE.6) PINT1 (IP.6)
Reserved 0x003B 7 N/A N/A N/A N/A
Reserved 0x0043 8 N/A N/A N/A N/A
Frequency Counter
Count Done
0x004B 9 FC_DONE
(FC_CTRL.7)
NEFC
(EIE1.2)
PFC
(EIP1.2)
Software Source 0
(RESERVED)
0x0053 10 VOID0_FLAG
(INT_FLAGS.3)
N EVOID0
(EIE1.3)
PVOID0
(EIP1.3)
Software Source 1
(RESERVED)
0x005B 11 VOID1_FLAG
(INT_FLAGS.4)
N EVOID1
(EIE1.4)
PVOID1
(EIP1.4)

Rev. 0.6 99
Si4010
SFR Address = 0xA8; Bit-Addressable
SFR Definition 25.1. IE
Bit76543 2 10
Name EA EINT1 ETMR3 EODS ERTC Reserved ETMR2 EINT0
Type R/W R/W R/W R/W R/W R/W R/W R/W
Reset 00000 0 00
Bit Name Function
7EA
Enable All Interrupts.
Globally enables/disables all interrupts. It overrides individual interrupt mask settings.
0: Disable all interrupt sources.
1: Enable each interrupt according to its individual mask setting.
6EINT1
Enable External Edge Interrupt 1.
This bit sets the masking of External Interrupt 1.
0: Disable external interrupt 1.
1: Enable interrupt requests generated by the INT1 input.
5ETMR3
Enable Timer 3 Interrupt.
This bit sets the masking of the Timer 3 interrupt.
0: Disable Timer 3 interrupt.
1: Enable interrupt requests generated by the TF3L or TF3H flags.
4EODS
Enable Output Data Serializer Interrupt.
This bit sets the masking of the ODS interrupt.
0: Disable ODS interrupt.
1: Enable ODS interrupt.
3ERTC
Enable Real Time Clock Interrupt.
This bit sets the masking of the RTC interrupt.
0: Disable all RTC interrupt.
1: Enable RTC interrupt.
2 Reserved Do not write 1 to this bit.
1ETMR2
Enable Timer 2 Interrupt.
This bit sets the masking of the Timer 2 interrupt.
0: Disable all Timer 2 interrupt.
1: Enable interrupt requests generated by the TF2 flag.
0EINT0
Enable External Edge Interrupt 0.
This bit sets the masking of External Interrupt 0.
0: Disable external interrupt 0.
1: Enable interrupt requests generated by the INT0 input.

Si4010
100 Rev. 0.6
SFR Address = 0xB8; Bit-Addressable
SFR Definition 25.2. IP
Bit76543 2 10
Name Reserved PINT1 PTMR3 PODS PRTC Reserved PTMR2 PINT0
Type R/W R/W R/W R/W R/W R/W R/W R/W
Reset 10000 0 00
Bit Name Function
7 Reserved Read = 1, Write = Don't Care.
6PINT1
External Edge Interrupt 1 Priority Control.
This bit sets the priority of the External Interrupt 1 interrupt.
0: External Interrupt 1 set to low priority level.
1: External Interrupt 1 set to high priority level.
5PTMR3
Timer 3 Interrupt Priority Control.
This bit sets the priority of the Timer 3 interrupt.
0: Timer 3 interrupt set to low priority level.
1: Timer 3 interrupt set to high priority level.
4PODS
Output Data Serializer Interrupt Priority Control.
This bit sets the priority of the ODS interrupt.
0: ODS interrupt set to low priority level.
1: ODS interrupt set to high priority level.
3PRTC
Real Time Clock Interrupt Priority Control.
This bit sets the priority of the RTC interrupt.
0: RTC interrupt set to low priority level.
1: RTC interrupt set to high priority level.
2 Reserved Do not write 1 to this bit.
1PTMR2
Timer 2 Interrupt Priority Control.
This bit sets the priority of the Timer 2 interrupt.
0: Timer 2 interrupt set to low priority level.
1: Timer 2 interrupt set to high priority level.
0PINT0
External Edge Interrupt 0 Priority Control.
This bit sets the priority of the External Interrupt 0 interrupt.
0: External Interrupt 0 set to low priority level.
1: External Interrupt 0 set to high priority level.

Rev. 0.6 101
Si4010
SFR Address = 0xE6
SFR Definition 25.3. EIE1
Bit7654321 0
Name Reserved Reserved Reserved EVOID1 EVOID0 EFC Reserved Reserved
Type RRRR/WR/WR/WR R
Reset 0000000 0
Bit Name Function
7:5 Reserved Read as 0x0. Write has no effect.
4EVOID1
Enable VOID1 Interrupt (Reserved).
This bit sets the VOID1 interrupt.(Reserved)
0: Disable VOID1 interrupts.
1: Enable interrupt requests generated by VOID1 flags (Reserved).
3EVOID2
Enable VOID2 Interrupt (Reserved).
This bit sets the VOID2 interrupt.(Reserved)
0: Disable VOID2 interrupts.
1: Enable interrupt requests generated by VOID2 flags (Reserved).
2EFC
Enable Frequency Counter Interrupt.
This bit sets the Frequency Counter interrupt.
0: Disable Frequency Counter interrupt.
1: Enable interrupt requests generated by Frequency Counter.
1:0 Reserved Reset value 0x0 must not be changed.

Si4010
102 Rev. 0.6
SFR Address = 0xF6
SFR Definition 25.4. EIP1
Bit76543210
Name Reserved PVOID1 PVOID0 PFC Reserved
Type R R/W R/W R/W R/W
Reset 0 000 0
Bit Name Function
7:5 Reserved Read as 0x0. Write has no effect.
4PVOID1
VOID1 Interrupt Priority Control.
This bit sets the priority of the VOID1 interrupt.
0: VOID1 interrupt set to low priority level.
1: VOID1 interrupt set to high priority level.
3PVOID0
VOID0 Interrupt Priority Control.
This bit sets the priority of the VOID0 interrupt.
0: VOID0 interrupt set to low priority level.
1: VOID0 interrupt set to high priority level.
2PFC
Frequency Counter Interrupt Priority Control.
This bit sets the priority of the Frequency Counter interrupt.
0: Frequency Counter interrupt set to low priority level.
1: Frequency Counter interrupt set to high priority level.
1:0 Reserved Reset value 0x0 must not be changed.

Rev. 0.6 103
Si4010
SFR Definition 25.5. INT_FLAGS
SFR Address = 0xBF
Bit76543210
Name Reserved Reserved Reserved VOID1_
FLAG
VOID0_
FLAG
ODS_
FLAG
INT1_
FLAG
INT0_
FLAG
Type R R R R/W R/W R/W R/W R/W
Reset 00000000
Bit Name Function
7:5 Reserved Read as 0x0. Write has no effect.
4VOID1_
FLAG
Spare Interrupt Flag for Future Hardware Expansion.
Interrupt can be invoked by software only by writing 1 here. Test use only.
3VOID0_
FLAG
Spare Interrupt Flag for Future Hardware Expansion.
Interrupt can be invoked by software only by writing 1 here. Test use only.
2
ODS_
FLAG
Set when TX Data Holding Register becomes Empty.
It must be cleared by software BEFORE writing a new byte into the ODS Tx data
register. Hardware will not clear this bit.
1INT1_
FLAG
Set by Selected GPIO Input by a Selected Edge.
It gets set irrespective of the EINT0 setting. It must be cleared by software. Hard-
ware will not clear this bit.
0INT0_
FLAG
Set by Selected GPIO Input by a Selected Edge.
It gets set irrespective of the EINT0 setting. It must be cleared by software. Hard-
ware will not clear this bit.

Si4010
104 Rev. 0.6
25.5. External Interrupts
The INT0 and INT1 external interrupt sources are configurable as active high or low. They are edge sensi-
tive only, not level sensitive. These are not the same INT0 and INT1 as found on original 8051 architecture.
Each of the INT0 and INT1 can invoke interrupt on the rising edge, falling edge, or both edges of the
selected GPIO pins associated with the INT0 and INT1, respectively.
The single edge or double edge feature is controlled by the EDGE_INT0 and EDGE_INT1 bits in the
PORT_SET register. The edge polarity is defined in the PORT_INTCFG register.
INT0 and INT1 are assigned to Port pins as defined in the PORT_INTCFG register. Note that the corre-
sponding pending flag for INT0 or INT1 is not automatically cleared by the hardware when the CPU vec-
tors to the ISR. This is a departure from the original 8051 architecture where if external interrupts were
configured to be edge sensitive the corresponding interrupt flag was cleared by hardware upon the exit
from the ISR routine.
The detection of the edges of INT0 and INT1 sources is done by sampling the associated port inputs by the
internal system clock. Therefore, the edge detector will miss pulses shorter than 2 periods of the internal
system clock periods. Note that the internal system clock frequency is programmable and can be as low as
24 MHz/128. It is up to the user to recognize possible external interrupt delays associated with sampling of
the INT0 and INT1 by the system clock at the current, user selected, clock frequency.
The INT1 and INT0 internal signals are also used as capture event signals for timer 3 and 2, respectively,
if they are running in capture mode.

Rev. 0.6 105
Si4010
SFR Address = 0xB7
SFR Definition 25.6. PORT_INTCFG
Bit76543210
Name NEG_
INT1
SEL_INT1[2:0] NEG_
INT0
SEL_INT0[2:0]
Type R/W R/W R/W R/W
Reset 00000000
Bit Name Function
7
NEG_
INT1
Negative INT1 Polarity.
This bit selects whether the selected INT1 GPIO input will get inverted or pass as is
before going to the edge detector. Note the edge detector detects either the rising
edge or both. The mode is selectable by EDGE_INT1 bit is separate register.
0: Inverts the selected GPIO.
1: Pass the selected GPIO unchanged.
6:4 SEL_
INT1[2:0]
INT1 Port Pin Selection Bits.
These bits select which Port pin is assigned to INT1.
000: Select GPIO0
001: Select GPIO1
010: Select GPIO2
011: Select GPIO3
100: Select GPIO4
101: Select GPIO9
110: Select GPIO6
111: Select GPIO7
3
NEG_
INT0
Negative INT0 Polarity.
This bit selects whether the selected INT0 GPIO input will get inverted or pass as is
before going to the edge detector. Note the edge detector detects either the rising
edge or both. The mode is selectable by EDGE_INT0 bit is separate register.
0: Inverts the selected GPIO.
1: Pass the selected GPIO unchanged.
2:0
SEL_
INT0[2:0]
INT0 Port Pin Selection Bits.
These bits select which Port pin is assigned to INT0.
000: Select GPIO0
001: Select GPIO1
010: Select GPIO2
011: Select GPIO3
100: Select GPIO4
101: Select GPIO8
110: Select GPIO6
111: Select GPIO7

Si4010
106 Rev. 0.6
26. Power Management Modes
The CIP-51 core has two software programmable power management modes: Idle and Stop. Idle mode
halts the CPU while leaving the external peripherals and internal clocks active. In Stop mode, the CPU is
halted, all interrupts and timers are inactive. The system clock is still running when the CPU is in Stop
mode. Since clocks are running, power consumption is dependent upon the system clock frequency and
the number of peripherals left in active mode before entering Idle or Stop. See the SFR definition of the
Power Control Register (PCON) used to control the CPU power management modes.
Although the CIP-51 has Idle and Stop modes built in (as with any standard 8051 architecture), power
management of the entire MCU is better accomplished by enabling/disabling individual peripherals as
needed. Each analog peripheral can be disabled when not in use and put into low power mode. Digital
peripherals, such as timers, draw little power whenever they are not in use.
The devices feature an additional shutdown mode, which shuts the device down. The device then can be
woken up by pulling GPIO input to ground. See other sections for details.
26.1. Idle Mode
Setting the Idle Mode Select bit (PCON.0) causes the CIP-51 to halt the CPU and enter Idle mode as soon
as the instruction that sets the bit completes. All internal registers and memory maintain their original data.
All analog and digital peripherals can remain active during Idle mode.
Idle mode is terminated when an enabled interrupt or reset is asserted. The assertion of an enabled inter-
rupt will cause the Idle Mode Selection bit (PCON.0) to be cleared and the CPU to resume operation. The
pending interrupt will be serviced and the next instruction to be executed after the return from interrupt
(RETI) will be the instruction immediately following the one that set the Idle Mode Select bit. If Idle mode is
terminated by an external reset, the CIP-51 performs a normal reset sequence.
Note: Any instruction which sets the IDLE bit should be immediately followed by an instruction which has two or more
opcode bytes. For example:
In C:
PCON |= 0x01; // Set IDLE bit
PCON = PCON; // ... Followed by a 3-cycle Dummy Instruction;
In assembly:
ORL PCON, #01h ; Set IDLE bit
MOV PCON, PCON ; ... Followed by a 3-cycle Dummy Instruction
If the instruction following the write to the IDLE bit is a single-byte instruction and an interrupt occurs during
the execution of the instruction of the instruction which sets the IDLE bit, the CPU may not wake from IDLE
mode when a future interrupt occurs.
26.2. Stop Mode
Setting the Stop Mode Select bit (PCON.1) causes the CIP-51 to enter Stop mode as soon as the instruc-
tion that sets the bit completes. In Stop mode, the CPU is stopped, effectively shutting down all digital
peripherals. Each analog peripheral must be shut down individually prior to entering Stop mode. Stop
mode can only be terminated by an external reset. On reset, the CIP-51 performs the normal reset
sequence and begins program execution based on the program level of the chip.
The system clock is not stopped when in Stop mode.

Rev. 0.6 107
Si4010
SFR Address = 0x87
SFR Definition 26.1. PCON
Bit76543210
Name GF[5:0] STOP IDLE
Type R/W R/W R/W
Reset 00000000
Bit Name Function
7:2 GF[5:0] General Purpose Flags 5–0.
These are general purpose flags for use under software control.
1STOP
Stop Mode Select.
Setting this bit will place the CIP-51 in Stop mode. This bit will always be read as 0.
1: CPU goes into Stop mode (internal oscillator stopped).
0IDLE
Idle Mode Select.
Setting this bit will place the CIP-51 in Idle mode. This bit will always be read as 0.
1: CPU goes into Idle mode. (Shuts off clock to CPU, but clock to Timers, Interrupts,
Serial Ports, and Analog Peripherals are still active.)

Si4010
108 Rev. 0.6
27. AES Hardware Accelerator
The device implements the AES (Advanced Encryption Standard) hardware accelerator. It is not a full
hardware solution. The hardware accelerator is used by the Silicon Labs API firmware to implement AES
128 bit encrypt/decrypt functions. If the user wants to implement proprietary AES implementation in firm-
ware it is possible to use the AES hardware accelerator.
The accelerator has two parts:
1. AES Galois field (GF) hardware multiplier
2. AES SBox/Inverse SBox hardware module
The Galois field multiplier is designed to multiply two AES Galois field 8-bit elements, even though the AES
just multiplies values by a constant. It is up to the firmware to setup the constant and data to multiply.
The hardware implements efficient SBox/Inverse SBox data processing.
Consult the AES standard for details.
27.1. AES SFR Registers
There are three SFR registers associated with the AES accelerator.
To use the GF multiplier the user must first write the GFM_CONST register. The write is needed only if the
user desires to change the previous value in that register. It holds its value until overwritten. To perform the
multiply operation the data has to be written to GFM_DATA register. Writing data to GFM_DATA register
invokes the actual multiply operation. It takes 2 system clock cycles to perform the multiplication and the
calculated result appears in the GFM_DATA register, overwriting the user input data. Therefore, at least a
single cycle dummy instruction must be added in between writing the data to be multiplied to the
GFM_DATA register and reading the result from there:
mov GFM_DATA, #data ; Invoke a GF multiply
nop ; At least single cycle wait instruction
mov A, GFM_DATA ; Read the result
Usage of the SBox/Inverse SBox hardware is controlled by the AES_DECRYPT bit in the SYS_SET regis-
ter (SYS_SET.3). For encryption, the SBox operation is selected, for decryption the Inverse SBox opera-
tion is selected.
To pass data through the SBox the user has to write the data to the SBOX_DATA register. Writing data
there invokes the conversion operation. The result appears in the SBOX_DATA register, overwriting the
original data. It takes 2 system clock cycles to perform the conversion. Therefore, at least a single cycle
dummy instruction must be added in between writing the data to be converted to the SBOX_DATA register
and reading the result from there:
mov SBOX_DATA, #data ; Invoke a SBox conversion
nop ; At least single cycle wait instruction
mov A, SBOX_DATA ; Read the result
If the Silicon Labs device API AES implementation is used by the user application, all the AES accelerator
communication is handled by the API functions and is hidden from the user.

Rev. 0.6 109
Si4010
SFR Definition 27.1. GFM_DATA
SFR Address = 0x84
SFR Definition 27.2. GFM_CONST
SFR Address = 0x85
Bit7654321 0
Name GFM_DATA[7:0]
Type R/W R/W R/W R/W R/W R/W R/W R/W
Reset 0000000 0
Bit Name Function
7:0 GFM_DATA
[7:0]
GFM Multiplier Data Processing.
Writing of a value here registers the data for processing. Processed data is regis-
tered into the same register with single CLK_SYS cycle delay. Read from this reg-
ister reads the processed multiplied data. The register GFM_CONST must be
written before GFM_DATA is written.
Bit7654321 0
Name GFM_CONST[7:0]
Type R/W R/W R/W R/W R/W R/W R/W R/W
Reset 0000000 0
Bit Name Function
7:0 GFM_CONST
[7:0]
GFM Multiplier Constant Register.
This is the constant by which the GFM_DATA is multiplied by. It has to be written
prior to GFM_DATA.

Si4010
110 Rev. 0.6
SFR Definition 27.3. SBOX_DATA
SFR Address = 0x86
Bit7654321 0
Name SBOX_DATA[7:0]
Type R/W R/W R/W R/W R/W R/W R/W R/W
Reset 0000000 0
Bit Name Function
7:0 SBOX_DATA
[7:0]
AES SBox Processing.
Writing of a value here registers the data for processing. Processed data is regis-
tered into the same register with single CLK_SYS cycle delay. Read from this reg-
ister reads the processed data. The type of SBox processing is controlled by
AES_DECRYPT bit

Rev. 0.6 111
Si4010
28. Reset Sources
Reset circuitry allows the controller to be easily placed in a predefined default condition. There is only one
external reset source for the device, which is power on reset. It gets invoked at two occasions:
1. Power is supplied to the device. This means connecting the power supply to disconnected device or
cycling the external power to the device.
2. The device is waking up from a shutdown/standby mode. The power supply was connected before, but
the device was put into the shutdown/standby mode. When it is awaken the power is supplied internally
to all the device systems.
On entry to the reset state, the following events occur:
CIP-51 halts program execution
Special Function Registers (SFR) are initialized to their defined reset values
XDATA registers (XREG) are initialized to their defined reset values
External Port pins are forced to a known state
Interrupts and timers are disabled
All SFRs are reset to the predefined values noted in the SFR detailed descriptions. The contents of internal
data memory is lost since the power got cycled.
The Port I/O latches are reset to 0xFF (all logic ones) in open-drain mode.
On exit from the reset state, the program counter (PC) is reset, and the system clock defaults to the inter-
nal oscillator frequency of 24 MHz. Device starts its startup boot procedure. See other sections for descrip-
tion of the boot procedure. The user code starts being executed only after the boot procedure finishes. See
section 23. System Boot and NVM Programming for details.
28.1. Device Boot Outline
Since the device does not have flash memory to permanently hold user code, the device has to go through
a boot sequence in which the user code is copied from the one time programmable NVM memory to the
CODE/XDATA RAM. After that is done the user program execution starts at address 0x0000.
It takes about fixed 2 ms plus about 3.6 ms per 1 kB of user data to be copied from NVM to RAM. When
the user puts the device into shutdown mode this will be the estimated time for waking up the chip from
shutdown mode by applying any GPIO to ground and the execution of the first instruction of the user code
in CODE/XDATA RAM.
For debugging purposes the user will not program the NVM, but will use the RAM for code development. In
that case the device will go through much shorter startup routine, which would take less than 2 ms to con-
clude.
See “23. System Boot and NVM Programming” on page 75 for details.
28.2. External Reset
There is no external reset. There is no pin dedicated to the device reset. The Silicon Labs debug chain
using USB debug adapter or ToolStick has access to the proprietary reset control on chip to facilitate user
code debug and development. During the debugging sessions on unprogrammed part the content of the
CODE/XDATA RAM is preserved in between IDE environment invoked resets (Reset button inside IDE).
28.3. Software Reset
There is no software reset other than what a running program can invoke by software means. The only
thing the running program can do is to put the device into the shutdown mode, effectively disconnecting
power to internal systems of the device. User can wake the device up by connecting any of the GPIO ports
to ground.

Si4010
112 Rev. 0.6
29. Port Input/Output
Digital resources are available through up to 10 I/O pins. The number of I/O depends on the package:
10 pin package .. 6 port pins organized as 6 bottom bits of Port 0.
14 pin package .. 10 port pins organized as a full 8-bit Port 0 and 2 bottom bits of Port 1.
The package pin assignment is in Figure 29.1.
Figure 29.1. Device Package and Port Assignments
8 9 10 11 12 13 14
7 6 5 4 3 2 1
GD
TXM
TXP
VDD
10 pin package
GPIO[9]
GPIO[0]/
XO VPP
GPIO[7]
GPIO[1]MatDrv/Roff
GPIO[2]MatDrv/Roff
GPIO[3]MatDrv
GPIO[4]C2DAT
GPIO[5]/
LED
C2CLK
GPIO[6]
GPIO[8]

Rev. 0.6 113
Si4010
Pin assignments for 10– and 14–pin packages are shown in Table 29.1 and Table 29.2.
The GPIO Port I/O can be configured as either open-drain or push-pull in SFR registers P0CON and
P1CON.
The GPIO functional diagrams and related digital control are in Figure 29.2 and Figure 29.3.
The option for Matrix and Roff modes is available only on GPIO[3:1].
Table 29.1. 10–Pin Mode
Package Pin
Number
Package Pin
Name
1 GPIO0/XO
10 GPIO1
9GPIO2
8GPIO3
7GPIO4
6 GPIO5/LED
Table 29.2. 14–Pin Mode
Package Pin
Number
Package Pin
Name
2 GPIO0/XO
13 GPIO1
12 GPIO2
11 GPIO3
10 GPIO4
9 GPIO5/LED
8GPIO6
7GPIO7
14 GPIO8
1GPIO9

Si4010
114 Rev. 0.6
Figure 29.2. GPIO[3:1] Functional Diagram
Functional diagram of the other GPIO ports is in Figure 29.3. It is the general GPIO circuit that can be
forced by digital control to have limited functionality (e.g., as input only, etc.).
Figure 29.3. Other GPIO Functional Diagram
Vcc
GPIO[n]
gpio_dataout[n]
gpio_push_pull[n]
gpio_in[n]
port_dataout[n]
port_oe[n]
port_push_pull[n]
GPIO PadsDigital logic
Rd: PORT_MATRIX
Rd: PORT_ROFF
E
E
2
3
2
PORT_STROBE
Wr: PORT_ROFF
Wr: PORT_MATRIX
~50k
1
Vcc
GPIO[n]
gpio_dataout[n]
gpio_push_pull[n]
gpio_in[n]
port_dataout[n]
port_oe[n]
port_push_pull[n]
GPIO PadsDigital logic
~50k

Rev. 0.6 115
Si4010
29.1. GPIO Pin Special Roles
Not all GPIO ports can be configured as both input and outputs. Given the limited number of GPIO each
pin can assume different functionality based on the software configuration of the ports. The functionality of
each GPIO is described in Table 29.3.
It is important to emphasize the following:
GPIO[0] can be used only as input for user application. It can also serve as a crystal oscillator input.
During device NVM programming the programming VPP=6.5V voltage is applied to this pin.
GPIO[5] can be used only as a up to 1mA LED current driver. The LED should be connected directly in
between the GPIO[5] and VCC. In a development system this pin is used as a C2 interface C2CLK. In
the development system the LED has to be isolated from the pin as shown in Figure 34.1 and
Figure 34.2. The LED is disabled during debugging.
Table 29.3. GPIO Special Roles
GPIO Number Other Special Roles C2 FOB Can Drive
Low During
Sleep
Pullup Roff
Option
0 XO/VPP11button
1buttonYY
2buttonYY
3 clk_ref2button Y
4 clk_out out C2DAT button
5 C2CLK LED3
6 (14 pin only) clk_out out4button
7 (14 pin only) button
8 (14 pin only) button
9 (14 pin only) button
Notes:
1. Can be set as GPIO input only. Special roles are crystal oscillator (XO) and VPP=6.5V NVM
programming voltage supply during NVM programming.
2. Reference clock source for frequency counter.
3. Current mode driver for LED connected directly to VCC supply. GPIO[5] cannot be used for any
other purpose in user application.
4. Optional customer clock clk_out output can be set independently on GPIO[4] and GPIO[6], or on
both at the same time.

Si4010
116 Rev. 0.6
29.2. Pullup Roff Option
There is an option to disable the weak pullup pad resistors. This feature is called Roff option. The Roff
option is controlled directly by the GPIO pads and persist when the chip is in the shutdown mode. Control
of the Roff control bit in the GPIO is described in section 29.4. Pullup Roff and Matrix Mode Option Con-
trol.
29.3. Matrix Mode Option
The target application of the device is the button intensive application, which samples button pushes at the
device inputs and acts accordingly.
Given the pin limited package, the target user application could use at most 5 buttons on a 10-pin package
and 9 buttons on 14-pin package. If the chip is in a shutdown mode, any button push (connection to any
GPIO to ground) wakes the chip up.
For the applications requiring more push button inputs than the available GPIO inputs, Matrix button mode
should be implemented on the device. This allows the buttons to be organized in 3x2 matrix for 10 pin
package or 3x6 matrix for the 14-pin package, allowing for up to 6 push buttons for 10 pin package and up
to 18 buttons on the 14-pin package. It is up to the firmware to scan the matrix sequentially to determine
the status of the buttons.
When the buttons are organized in Matrix mode any button push must wake the chip up from a shutdown
mode. Since the buttons are not connecting GPIO to ground, but connecting an input GPIO to some output
GPIO, the output GPIO must be connected to ground during the chip shutdown. That is achieved by setting
the Matrix option control bit in the GPIO latch. When that bit is set then the GPIO[3:1] are actively pulled to
ground when the chip is in the shutdown mode and digital logic has no power internally.
Note that to use the Matrix mode the Roff option must not be used. In other words, all the pullup resistors
must stay in place for all the GPIO. There should be values PORT_MATRIX=1 and PORT_ROFF=0
latched into GPIO options control latch.
When the Matrix mode is latched into the GPIO control latch the pullup resistors of the GPIO[3:1] are dis-
connected and the pull down transistor on those GPIOs is activated.
Important: Before invoking a Matrix mode the user is responsible for programming all GPIO[3:1] as
inputs. This is achieved by writing 1 to P0[3:1] and writing 0 to P0CON[3:1]. Only after that the Matrix
option can be invoked.
If the chip went to shutdown with Matrix option set, then it will be woken up by any button press of the but-
ton matrix. It is a responsibility of the user application which must turn the Matrix mode off before the soft-
ware can scan the button matrix for current button status. The button scanning is usually done scanning
the matrix driver pins GPIO[3:1] with one-cold pattern, applying sequential binary patterns GPIO[3:1]=110,
101, 011, and 111 using open drain configuration of the GPIO[3:1]. By collecting corresponding responses
on the GPIO[4,0] or GPIO[4,0,9:6], input GPIOs to the driving one-cold patterns firmware can determine
what buttons are currently pushed.

Rev. 0.6 117
Si4010
Figure 29.4. Push Button Organization in Matrix Mode
Pushbuttons connecting
the crossing wires:
GPIO[4]
GPIO[1]
GPIO[2]
GPIO[3]
E
PORT_STROBE
Wr: PORT_MATRIX
GPIO[0]
=
GPIO[6]
GPIO[7]
GPIO[8]
GPIO[9]
14 pin package only

Si4010
118 Rev. 0.6
29.4. Pullup Roff and Matrix Mode Option Control
Both Roff and Matrix mode options are controlled by the GPIO pad itself. The control is implemented as 2
bit latch inside of the GPIO pads. Both options stay in their used defined states during chip shutdown. In
other words, if the chip is in shutdown mode, the digital logic does not have power, but the two GPIO
latches keep the user set values of those options.
The options are controlled by the PORT_CTRL SFR register. The user has to strobe the desired values to
the GPIO latches by software sequence. The latch enable is a PORT_STROBE bit in the PORT_CTRL
register.
For example, to disable the both Matrix and Roff options at the beginning of use application, the user code
should look like this in assembly:
anl PORT_CTRL, #10011111B ; Clear PORT_MATRIX and PORT_ROFF
orl PORT_CTRL, #10000000B ; Set PORT_STROBE=1
anl PORT_CTRL, #01111111B ; Clear PORT_STROBE=0
Using Silicon Labs provided masks in the header:
anl PORT_CTRL, #NOT(M_PORT_MATRIX OR M_PORT_ROFF)
orl PORT_CTRL, #M_PORT_STROBE
anl PORT_CTRL, #NOT(M_PORT_STROBE)
The toggle of the PORT_STROBE from 0 to 1 back to 0 latches the current register values of
PORT_MATRIX and PORT_ROFF.
To summarize: To change the values of the Matrix an Roff options, the following software sequence is
required:
1. Set the desired values of PORT_MATRIX and PORT_ROFF bits in the PORT_CTRL register.
2. Toggle the PORT_STROBE bit in the PORT_CTRL register from 0 to 1 back to 0 while not changing
any other bit in the PORT_CTRL register. The new Matrix and Roff control values are latched into the
GPIO.
3. Note that while reading the PORT_CTRL the current value of the Matrix and Roff options is read from
the GPIO, not the value of the write register for the new Matrix and Roff setting.
Invoking a Matrix mode requires the following sequence:
1. Set the GPIO[3:1] as inputs, which means writing 1 to the port value and making the driver open drain.
2. Latch PORT_MATRIX=1 and PROT_ROFF=0 values to the GPIO option control latch.

Rev. 0.6 119
Si4010
In assembly:
orl P0, #00001110B ; Turn GPIO[3:1] as inputs
anl P0CON, #NOT 00001110B
anl PORT_CTRL, #NOT(M_PORT_MATRIX OR M_PORT_ROFF)
orl PORT_CTRL, #M_PORT_MATRIX ; Set Matrix mode and keep resistors
orl PORT_CTRL, #M_PORT_STROBE ; Strobe new Matrix/Roff modes to GPIO
anl PORT_CTRL, #NOT(M_PORT_STROBE)
29.5. Special GPIO Modes Control
Some of the GPIO serves multiple purposes. Special configuration registers PORT_CTRL and PORT_SET
are used to configure GPIO for other purpose then regular GPIO. Some GPIO can server multiple special
purposes.
Table 29.4 shows all the functionality the GPIO can assume along with control signals and priority of the
functionality. The lower the priority number, the higher the functional priority. For example, if the functional-
ity with priority 1 is programmed, then controls selecting functionality of priority 2 and above will be ignored
no matter what the control settings are.

Si4010
120 Rev. 0.6
Table 29.4. GPIO Special Roles Control and Order
GPIO Roles Order Control Comment
0 VPP 1 NVM programming voltage
VPP = 6.5 V
XO 2 XO_CTRL.XP_ENA
GPIO 3 P0.0 fixed as input only
1GPIO1P0.1
P0CON.1
Matrix Ind* PORT_CTRL
2GPIO1P0.2
P0CON.2
Matrix, Roff Ind* PORT_CTRL
3 Reference
clk_ref
1PORT_SET.PORT_REFEN Reference interval clock for frequency
counter
GPIO 2 P0.3
P0CON.3
Matrix, Roff Ind* PORT_CTRL
4 C2DAT 1 Automatically “stolen” from application
during C2 transaction.
Output
clk_out
2PORT_SET.PORT_CLKEN
PORT_SET.PORT_CLKOUT[0]
Cannot be used in the development
system, since C2 transaction disrupts
the output.
GPIO 3 P0.4
P0CON.4
5 C2CLK 1 Acts as if a C2 debug clock input of
the LED driver is not turned on.
LED driver 2 P0.5
PORT_CTRL.PORT_LED[1:0]
Port forced as output. To read the
actual LED driver status (on/off) the
user should read
RBIT_DATA.GPIO_LED_DRIVE
6 Output
clk_out
1PORT_SET.PORT_CLKEN
PORT_SET.PORT_CLKOUT[1]
14 pin only
GPIO 2 P0.6
P0CON.6
7GPIO1P0.7
P0CON.7
14 pin only
8GPIO1P1.0
P1CON.0
14 pin only
9GPIO1P1.1
P1CON.1
14 pin only
*Note: Ind stands for “Independent” setting. The Matrix and Roff modes are controlled in analog pad circuitry.

Rev. 0.6 121
Si4010
29.6. LED Driver on GPIO[5]
For application mode the GPIO[5] is shared with LED current driver. The LED current driver provides three
levels of LED current, 1mA maximum. The current levels are described in SFR Definition 29.6. User can
set the current intensity and then control the LED on and off by P0.5, port P0 bit 5, as a regular output.
There is no need to modify the P0CON.5 bit, since the GPIO[5] output driver is set to be open drain. When
the LED driver is on by setting the P0.5=1 then the pulldown output transistor is disabled. The GPIO[5] is
used as a regular open drain output during the C2 debugging sessions only.
During the C2 debug sessions the IDE will forcibly disable the LED driver so the LED drive will not interfere
with the debugging session. There will be an option on IDE to disable the “LED disable”, but it will have to
be used with caution.
When the user hits Disconnect button on the IDE then the IDE clears all breakpoint, removes the LED dis-
able, and runs the application from the point where it was halted. Then the application will control the LED.
The user then can hit the Connect button on the IDE to connect to the chip again. For the IDE to be able
to connect to the chip the LED must not be driven (not lit).
Figure 29.5. GPIO[5] LED Driver Block Diagram
VDD
50k
GPIO[5]/LED
2
Debug LED disable
PORT_CTRL
PORT_STROBE
PORT_ROFF
PORT_LED[1:0]
PORT_5_MIDRANGE
PORT_MIDRANGE
PORT_MATRIX
PORT_DRV2X
P0
P0.7
P0.6
P0.3
P0.2
P0.5
P0.4
P0.1
P0.0
VDD

Si4010
122 Rev. 0.6
SFR Address = 0x80
SFR Definition 29.1. P0
Bit76543210
Name P0[7:0]
Type R/W R/W R/W R/W R/W R/W R/W R/W
Reset 11011111
Bit Name Function
7:0 P0[7:0]
Port 0 Register, GPIO[7:0], Bit Addressable.
Write appears at the GPIO[7:0] outputs, read reads directly the GPIO input values.
Write:
0 .. output low value
1 .. output open-drain or high drive value in push-pull mode
Read:
0 .. GPIO pin is at logic low value
1 .. GPIO pin is at logic high value
Special pins:
The GPIO[0] is input only. Write to GPIO[0] has no effect. The GPIO[5] is output LED
driver only and requires setting of the proper LED drive current. Then GPIO[5] just
turns the LED current on (1) or off (0). Reading from GPIO[5] returns the user
intended driver of LED (1 .. driving, 0 .. off). The read value will be read as 0 if, for
example, the user writes GPIO[5] as 1, but the LED current value
PORT_CTRL.PORT_LED will be 0.
The read GPIO[5] value does not represent the actual driving status of the LED drive,
since the debug logic and C2 can disable the LED. The actual LED driving status can
be read as RBIT_DATA.GPIO_LED_DRIVE bit.

Rev. 0.6 123
Si4010
SFR Address = 0xA4
SFR Address = 0x90
SFR Definition 29.2. P0CON
Bit76543210
Name P0CON[7:0]
Type R/W R/W R/W R/W R/W R/W R/W R/W
Reset 00000000
Bit Name Function
7:0 P0CON[7:0]
Port 0 Configuration Register, for GPIO[7:0].
This bit controls configuration of each corresponding output bit in P0.
0 .. open-drain
1 .. push-pull
If the pin to be input, it must be configured as open-drain and 1 has to be written as
output value to it.
SFR Definition 29.3. P1
Bit76543210
Name P1[7:0]
Type R/W R/W R/W R/W R/W R/W R/W R/W
Reset 00000011
Bit Name Function
7:0 P1[7:0]
Port 1 Register GPIO[15:8], Bit Addressable.
Write appears at the GPIO[15:8] outputs, read reads directly the GPIO input values.
Same as for P0. Only GPIO[9:8] are used, write to the rest of the register has no
effect, read returns 0 at those bits.

Si4010
124 Rev. 0.6
SFR Address = 0xA5
SFR Address = 0xA0
SFR Definition 29.4. P1CON
Bit76543210
Name P1CON[7:0]
Type R/W R/W R/W R/W R/W R/W R/W R/W
Reset 00000000
Bit Name Function
7:0 P1CON[7:0]
POrt 1 Register GPIO[15:8], Bit Addressable.
This bit controls configuration of each corresponding output bit in P1.
0 .. open-drain, pull up resistor connected (see PORT_ROFF)
1 .. push-pull, pull up resistor disabled
If the pin to be input, it must be configured as open-drain and 1 has to be written as
output value to it. Only bits [1:0] corresponding to GPIO[9:8] are used, write to the
rest of the register has no effect, read returns 0 for those bits.
SFR Definition 29.5. P2
Bit76543210
Name P2[7:0]
Type R/W R/W R/W R/W R/W R/W R/W R/W
Reset 00000000
Bit Name Function
7:0 P2[7:0]
Port 2 Register, Bit Addressable.
It is not a port, but a regular register. This register is used as a page MSB address
byte for XDATA addressing in mode, using the PDATA memory accesses. The sole
purpose for it is to support the PDATA model.

Rev. 0.6 125
Si4010
SFR Address = 0xB5
SFR Definition 29.6. PORT_CTRL
Bit76543210
Name PORT_
STROBE
PORT_
ROFF
PORT_
MATRIX
PORT_
DRV2X
PORT_5_
MID-
RANGE
PORT_
MID-
RANGE
PORT_LED[1:0]
Type R/W R/W R/W R/W R/W R/W R/W R/W
Reset 0——01100
Bit Name Function
7PORT_
STROBE
Port Strobe.
Strobe the port_matrix and port_roff bits values from this register to the GPIO pads.
The operation requires additional 2 CPU clock to finish after writing 0->1->0 to this bit.
When 1 is written to this bit the GPIO latches open and the values of port_matrix and
port_off are propagated to GPIO pads. Software must clear this bit to capture those
two bits in the GPIO pads internal HV permanent latches.
6PORT_
ROFF
Port Roff Mode.
Roff mode, read from this bit returns the actual Roff mode value as reported from
GPIO pad. When a 1 is latched into the GPIO pad internal Roff mode HV latch then
the GPIO Roff mode gets invoked. The GPIO[1:2] will have their pull-up resistors
turned off.
5PORT_
MATRIX
Port Matrix Mode.
Matrix mode, read from this bit returns the actual value matrix mode value as
reported from GPIO pad. When a 1 is latched into the GPIO pad internal matrix mode
HV latch then the GPIO matrix mode gets invoked. The GPIO[1:3] are driven low with
resistor pull-ups disabled. This is intended for matrix button mode to wake up from
sleep mode.
4PORT_
DRV2X
Increase Drive Strength by 2x on All Outputs.
3PORT_5_
MIDRANGE
Input GPIO[5] pin trip point set to 45% VDD.
2PORT_
MIDRANGE
Input GPIO Pin Trip Point Set to 45% VDD (except GPIO[5])
1:0 PORT_LED
[1:0]
LED Current Drive Strength.
It must be set to non-zero value for LED to have any current. This is just a current
source setting. The actual turning of the LED on and off is controlled by the GPIO[5]
output bit in P0.
00: LED off
01: LED current = 0.62*600uA
10: LED current = 1.00*600uA
11: LED current = 1.62*600uA

Si4010
126 Rev. 0.6
SFR Address = 0xB6
SFR Definition 29.7. PORT_SET
Bit76543210
Name EDGE_
INT1
EDGE_
INT0
PORT_CLKOUT[1:0] PORT_
CLKEN
PORT_
REFEN
Reserved Reserved
Type R/W R/W R/W R/W R/W R/W R/W R/W
Reset 00000000
Bit Name Function
7
EDGE_
INT1
Edge Control for INT1.
This bit controls whether single edge or both edges invoke the interrupt.
0 .. single edge, polarity specified by NEG_INT1 in PORT_INTCFG
1 .. both edges, which means any edge, invoke INT1 interrupt
6
EDGE_
INT0
Edge Control for INT0.
This bit controls whether single edge or both edges invoke the interrupt.
0 .. single edge, polarity specified by NEG_INT0 in PORT_INTCFG
1 .. both edges, which means any edge, invoke INT0 interrupt
5:4
PORT_
CLKOUT
[1:0]
Select which GPIO Pin is used as Clock Output Pin:
port_clkout[0] .. GPIO[4]: 1 .. clk output, 0 .. normal operation
port_clkout[1] .. GPIO[6]: 1 .. clk output, 0 .. normal operation
Both outputs can be used simultaneously. The actual clock waveform can be
enabled/disabled by port_clken bit, but the GPIO configuration is purely controlled by
port_clkout.
3PORT_
CLKEN
Enable Output Clock, Which is Possibly Coming out on GPIO[4] and/or
GPIO[6].
This bit is just a clock enable/disable, it does not configure the GPIO for clock out-
puts. The port configuration must be done by port_clkout below. The generated clock
division is controlled by CLKOUT_SET register. If the clock is disabled by
PORT_CLKEN=0 the current period in progress will be finished and the output clock
will stop as logic 0.
2PORT_
REFEN
Enable CLK_REF Reference Clock to come from GPIO[3].
The GPIO[3] pad is forced to be an input. There is not need to change p0 or p0con
register values, since port_refen has higher priority.
1:0 Reserved These bits must be left at 0.

Rev. 0.6 127
Si4010
30. Clock Output Generation
The device includes an option to be used as a clock generator for other chips connected to the device. The
generated clock frequency, clk_out, is derived from the internal 24MHz oscillator. System clock division
set in SYSGEN register has no effect on the clk_out frequency.
The clk_out is an output of a divider with programmable division from 1 to 31 in an increment of 1. There-
fore, the output frequency of the output clock can range from 24MHz to 24MHz/31 = 774kHz.
The divider has an option to keep the clk_out duty cycle to 1:1 even for odd division ratios. There is an
option of at which logic level the clk_out stops when the clock generator is disabled.
The clock divider/generator always finishes the period it started before it accepts a new division factor
CLKOUT_DIV. It is recommended to fix all the settings before enabling the output clock generator. The
master enable is PORT_CLKEN bit in the PORT_SET register.
Figure 30.1. Output Clock Generator Block Diagram
24MHz
Divide by
CLKOUT_DIV[4:0]
CLKOUT_SET
CLKOUT_CLR
CLKOUT_INV
CLKOUT_SYM
CLKOUT_DIV
Clear Symmetry
1:1 Duty
Cycle
PORT_SET
EDGE_INT1
EDGE_INT0
PORT_CLKOUT
PORT_CLKEN
PORT_REFEN
Enable
GPIO[6]
GPIO[4]

Si4010
128 Rev. 0.6
30.1. Register Description
SFR Address = 0x8F
SFR Definition 30.1. CLKOUT_SET
Bit76543210
Name CLKOUT_
CLR
CLKOUT_
INV
CLKOUT_
SYM
CLKOUT_DIV[4:0]
Type R/W R/W R/W R/W R/W R/W R/W R/W
Reset 00000000
Bit Name Function
7
CLKOUT_
CLR
CLKOUT Clear.
Write 1 to this bit clears the generated clock divider. The generated clock output is
forced to 0. The pulse must be aligned with the registered write enable for this regis-
ter, therefore the generated clear pulse must be registered.
Reading this bit has CLKOUT_IDLE meaning. If read as 1 then it indicates that the
clock divider generator is idle. It can be used to wait for the clock to get idle after the
user clock output was disabled by PORT_SET.PORT_CLKEN=0. If this bit is read as
1 the clock division generator by factor 2 and above is running and the current user
clock period is still in progress.
The user could use this bit to synchronously switch the CLKOUT_DIV division factor,
but it is not necessary. The synchronous clock period switching is built in the hard-
ware. See the CLKOUT_DIV section above. To switch the clocks immediately without
waiting for the current period to end, write 1 to this bit. The write 1 to this bit can be
combined with setting the new CLKOUT_DIV value in this register at the same time.
6
CLKOUT_
INV
CLKOUT Inversion.
Invert the generated clock. The inverter is at the very end of the clock generation
chain. Normally, if this bit is 0, if the generated clock is disabled the output is at 0.
With this bit set to 1 the output is inverted, therefore the generated clock stops at 1.
This bit must be set before customer clock is enabled to the port output by setting
PORT_SET.PORT_CLKEN=1. If changed later the clock inversion takes effect imme-
diately with possibility of short clock pulse being generated at the clock output.

Rev. 0.6 129
Si4010
5
CLKOUT_
SYM
CLKOUT Symmetry.
If this bit set to 1 then the output clock duty cycle is very close to 1:1 irrespective of
the division factor. However, the generated clock waveform is a combination of
outputs of two flops and therefore might jitter more. If this bit is 0 then for odd division
factor there is a single 24 MHz period difference in between halves of the generation
output clock.
This bit must be set before customer clock is enabled to the port output by setting
PORT_SET.PORT_CLKEN=1.
4:0 CLKOUT_
DIV[4:0]
CLKOUT Division Factor.
Division factor of the 24 MHz oscillator clock for generation of the output customer
clock. The enable of the clock is controlled by the PORT_CLKEN and
PORT_CLKOUT bits in PORT_SET register. The division factors 0 and 1 pass the
24 MHz internal cheap oscillator output as output clocks. Value bigger than 1 is the
actual division factor of the 24 MHz.
If CLKOUT_SYM=0 (recommended), the generated clock is an output of a flop. For
odd division ratios the first part of the period in logic 0 is one 24 MHz clock cycle
shorter than the second high half part of the period of generated clock, assuming
CLKOUT_INV=0.
If the clock is disabled by PORT_CLKEN=0 the current period in progress will be
finished. To monitor when the output gets idle monitor the CLKOUT_CLR bit below.
The CLKOUT_DIV bit can be changed any time. The new setting will take effect only
after the current period finishes. For the new setting to take effect immediately see
CLKOUT_CLR.
Bit Name Function

Si4010
130 Rev. 0.6
31. Control and System Setting Registers
The following are general system setting control registers as well as general purpose scratch pad regis-
ters. GPR_CTRL and GPR_DATA can be used as a general purpose 2 byte SFR register. They do not con-
trol any hardware on the device.
SFR Address = 0xB1
SFR Address = 0xB2
SFR Definition 31.1. GPR_CTRL
Bit76543210
Name GPR_CTRL[7:0]
Type R/W R/W R/W R/W R/W R/W R/W R/W
Reset 00000000
Bit Name Function
7:0 GPR_CTRL[7:0] General Purpose Register.
SFR Definition 31.2. GPR_DATA
Bit76543210
Name GPR_DATA[7:0]
Type R/W R/W R/W R/W R/W R/W R/W R/W
Reset 00000000
Bit Name Function
7:0 GPR_DATA[7:0] General Purpose Register.

Rev. 0.6 131
Si4010
SFR Address = 0xEE
SFR Definition 31.3. RBIT_DATA
Bit 7 6 5 4 3 2 1 0
Name Reserved Reserved GPIO_
LED_
DRIVE
XO_
CKGOOD
ODS_
EMPTY
ODS_NOD
ATA
TRNG_
OUT
PA_
COMPOUT
Type RRR R R R R R
Reset 000 0 1 1 0 0
Bit Name Function
7:6 Reserved Read as 0x0. Write has no effect.
5 GPIO_LED_DRIVE
GPIO LED Drive.
Actual status of the LED drive. If this bit is at 1, then the LED driver is
actually on. The LED driver is controlled by P0.5 bit and the intensity value in
PORT_CTRL register. If the P0.5 bit is read, then it returns user LED
drive request, which does not reflect the actual LED driver status.
4 XO_CKGOOD
Crystal Oscillator Clock Good.
Crystal oscillator XO output is stable. It takes about 5 ms before the
XO_ENA is set to 1 and the XO output becomes stable. When this
signal becomes 1, software must wait additional 3 ms before it can
use the XO output for frequency counting. See the XO_CTRL test
register.
3ODS_EMPTY
ODS Empty.
Supplementary flag indicating that the ODS Tx holding register is
empty. It can be used as an indication for software to write a new
data byte to ODS_DATA register to transmit. This applies to the Tx
holding register only. See ODS_NODATA for the flag related to the
actual Tx shift register.
2ODS_NODATA
ODS No Data.
Supplementary flag that the output digital serializer (ODS) Tx shift
register ran out of data and there is nothing else to transmit.
1TMG_OUT
Thermal Random Number Generator (Rng) Output Bit.
Note that the temperature sensor must be enabled in order to get an inter-
esting result here.
0PA_COMPOUT
Output of the Phase Detection Comparator at the PA Output.
Output of phase detection PA comparator. When PA is enabled, runs at full
clock rate, and is asynchronous to clk_sys. Should be demetastabilized suf-
ficiently by transferring to another register for purposes of getting to CPU.

Si4010
132 Rev. 0.6
32. Real Time Clock Timer
The Si4010 device contains a real time clock (RTC) timer. This dedicated timer provides accurate interrupt
request pulses in precise time intervals. The device does not contain any hardware nor any battery backed
up real time clock. The purpose of RTC timer is to provide accurate time intervals for user application at
run time, not an absolute real calendar time.
The RTC timer clock source is the internal calibrated system clock generator. The RTC constant tick gen-
erator runs from the selected divided internal system clock, which is a power of two division of the 24 MHz
internal oscillator. The frequency ranges from 24 MHz down to 24 MHz/128. The RTC tick generated is a
constant frequency of 24 MHz/128 with tick period 5.33 µs and is independent of the system clock division
setting SYSGEN_DIV in the SYSGEN SFR register.
The user can select what exact time intervals the RTC timer will set its interrupt flag. The time interval is
programmable to be one of the following: 100 µs, 200 µs, 400 µs, 800 µs, 1 ms, 2 ms, and 5 ms. This time
is independent of the selected system clock divider in the SYSGEN SFR register.
Figure 32.1. RTC Timer Block Diagram
OSC
CLKC clk_sys
clk_osc
RTC Tick
24MHz ... 24MHz/128
rtc_tick
5.33us
SYSGEN
SHUTDOWN
POWER_1ST
RTC_TICKCLR
PORT_HOLD
SYSGEN_DIV
RTC
rtc_tick
To TMR2 & 3
RTC_CTRL
RTC_INT
RTC_ENA
RTC_CLR
RTC_DIV
Interrupt
24MHz

Rev. 0.6 133
Si4010
32.1. RTC Interrupt Flag Time Uniformity
Since 100 µs and 200 µs pulse duration is not exactly an integer multiple of the 24 MHz/128 frequency, the
fractional division was used. The 100 µs and 200 µs pulse durations are uniform on average, when
observed over a sufficiently long timer period. Instantaneous time difference in between subsequent
100 µs and 200 µs pulses is not 100 µs or 200 µs, respectively, but fluctuates around those two values.
100 µs pulse train .. the 100 µs pulse train consists of rtc_tick time duration of 19, 19, 19, 18 ticks. That
means that 3 subsequent 100 µs pulses has time difference of 19 x rtc_tick periods, which is 19 x
5.33 µs = 101.33 µs. That is followed by a singe duration or 18 x rtc_tick period duration, which is 18 x
5.33 µs = 96 µs. On average, the 100 µs pulse time period is (3 x 19 + 18)/4 x rtc_tick period, which is
18.75 x 5.33 µs = 100 µs exactly.
200 µs pulse train .. for 200 µs the pulse train consists of rtc_tick time duration of 38, 37 ticks. That
means that the pulse train is an alternation train of 38 x 5.33 µs = 202.66 µs and 37 x 5.33 µs =
197.33 µs, when on average the duration is (38 + 37)/2 x 5.33 µs = 200 µs exactly.
The pulse trains for 400 µs pulses and longer have a uniform, exact, time periods.
32.2. Register Description
The RTC timer is controlled by the RTC_CTRL SFR register. If there is a need for precise beginning of the
RTC timer period, the internal tick generator can be cleared by writing a bit RTC_TICKCLR in the SYSGEN
register.
The rtc_tick generator runs freely whenever the RTC timer is enabled by RTC_ENA=1. If the user needs
to clear the RTC timer to synchronize it with some event, writing 1 to RTC_CLR will clear the timer, which
keeps running. The RTC rtc_tick generator is not cleared by that event. Therefore, there will be up to
5.33 µs time uncertainty in the calculated time period. Clearing of the RTC rtc_tick generator is achieved
by writing 1 into the RTC_TICKCLR bit in SYSGEN register.
To achieve exact synchronization it is recommended to write 1 into the RTC_TICKCLR, then 1 to
RTC_CLR, followed by another 1 into the RTC_TICKCLR. In assembly using the M_<field> masks 8-bit
mask notation from the supplied assembly include file:
orl SYSGEN, #M_RTC_TICKCLR
orl RTC_CTLR, #M_RTC_CLR
orl SYSGEN, #M_RTC_TICKCLR
The reason for splitting the clear is that the RTC tick output, rtc_tick can also be selected as a time source
for TMR2 and TMR3, so there is a need to have separate control over the rtc_tick generator clearing.
To get the RTC tick generator running the RTC_ENA=1 must be set. Therefore, even if the RTC interrupt is
not used, the RTC timer must be enabled if the user wants to use the rtc_tick as a clock source for TMR2
or TMR3.

Si4010
134 Rev. 0.6
SFR Address = 0x9C
SFR Definition 32.1. RTC_CTRL
Bit76543210
Name RTC_INT RTC_ENA RTC_CLR Reserved Reserved RTC_DIV[2:0]
Type R/W R/W W R R R/W
Reset 00000000
Bit Name Function
7RTC_INT
Real Time Clock Interrupt Flag.
Set after the time interval set by RTC_DIV field elapses. Software must clear the flag.
Hardware will not clear the flag
6RTC_ENA
Real Time Clock Enable.
If set to 1 then the RTC_TICK and bottom part of the pulse generator starts running
where it left off. If RTC_DIV >=3 then top half also starts.
0: RTC disabled
1: RTC enabled.
5 RTC_CLR
Real Time Clock Clear.
Writing 1 will clear the pulse generator but will leave the RTC_TICK generator intact.
See the RTC_TICKCLR in the SYSGEN register for clearing the RTC_TICK counter.
0: Normal operation
1: RTC cleared
4:3 Reserved Read as 0x00. Write has no effect.
2:0 RTC_DIV
[2:0]
Real Time Clock Divider.
Select the divider of the RTC_TICK to determine the interval for the RTC interrupt
generation.
000: No interrupt generation
001: 100 µs .. it is a 19/19/19/18 divider
010: 200 µs .. it is a 38/37 divider
011: 400 µs
100: 800 µs
101: 1 ms
110: 2 ms
111: 5 ms

Rev. 0.6 135
Si4010
33. Timers 2 and 3
The Si4010 device includes two identical timers, Timer 2 (TMR2) and Timer 3 (TMR3). Since the timers are
identical, the description will refer to Timer 2 (TMR2). The reader can replace the TMR2 with TMR3 in the
text to get the description of Timer 3 (TMR3). The description refers to a “Timer” as an alias for either
TMR2 or TMR3.
Timer 2 is a 16-bit timer formed by two 8-bit SFRs: TMR2L (low byte) and TMR2H (high byte). Timer may
operate in on of the two width modes:
Wide mode .. timer operates as a single 16 bit wide timer controlled by the control bits related to the low
half of the timer, like TMR2L_MODE, etc. The timer sets the TMR2INTH bit as an interrupt flag.
Split mode .. timer operates as two independent 8 bit wide times, with related control bits related to
high (H) and low (L) half of the overall 16 bit timer.
In each of the width modes each timer or each half of the timer can operate in two different functional
modes:
Timer mode .. the timer runs as a counter counting up, when it overflows it sets corresponding interrupt
flag, reloads initial value, and keeps going, counting up.
Capture mode .. the timer counter is free running counting up. When it overflows it keeps counting up
from 0. When an external capture event happens then the current value of the timer is captured in the
capture register, the counter keeps counting and will not stop. The interrupt flag is set by the capture
event.
Each timer or timer half can be independently clocked from one of 4 clock sources. Clock source can be
independently set for each half of the timer in split mode. The clock sources available for each timer half
are:
1. Current system clock clk_sys. This is 24MHz, possibly divided by N-th power of 2 with N=0, ..., 7. See
SYSGEN SFR register for system clock setting details.
2. Current system clock clk_sys divided by 12 .. clk_sys/12
3. RTC timer tick rtc_tick with 5.33us period (24MHz/128)
4. RTC timer 100us pulse. See the RTC section for an important note related to the uniformity of the
100us pulse train.
All clock sources are synchronous with the system clock.
The capture event is INT0 for TMR2 and INT1 for TMR3. They are edge events coming from external
GPIO and are the same as for the external interrupt generation, INT0 and INT1. To use these events as
capture events they have to be programmed exactly the same way as if they were intended to be used for
interrupt generation. They could generate INT0 and INT1 interrupts at the same time when the are being
used as capture events for TMR2 and TMR3, respectively.
If the timer operates in split mode both halves are completely independent. Therefore, all 4 combinations
of functionality in split mode, timer/timer, timer/capture, capture/timer, and capture/capture are possible.
Each half has separate clock selection. The only common thing is the capture signal, which is the same for
both halves in split mode. The only difference in between of two halves in capture/capture mode can be
the counter clock, set independently for each half.

Si4010
136 Rev. 0.6
33.1. Interrupt Flag Generation
Timer 2 has a single interrupt signal going to interrupt controller. Internally, there are 2 interrupt flags,
TMR2INTH for high half of the timer and TMR2INTL for low half of the timer, which are combined to gener-
ate the final interrupt signal. The low half has a local interrupt flag enable TMR2INTL_EN control bit.
Figure 33.1. Timer Interrupt Generation
Setting of the interrupt flags depends on the width and functional modes of each timer or its half.
Wide mode
lTimer mode
TMR2INTH set if TMR2H overflows
TMR2INTL set if TMR2L overflows
lCapture mode
TMR2INTH set if capture event happens and TMR2H, TMR2L 16-bit value gets captured
TMR2INTL set if TMR2H overflows.
Note: This is an exception when low interrupt flag gets set based on the high half of the timer. This is a
supplemental information for the interrupt handler about the capture, indicating that the 16-bit counter overflew
in between captures.
Split mode
lTimer mode
TMR2INTH set if TMR2H overflows
TMR2INTL set if TMR2L overflows
lCapture mode
TMR2INTH set by capture event when TMR2H gets captured
TMR2INTL set by capture event when TMR2L gets captured
Each of the modes is described in a separate section. There is a clock selection register TMR_CLKSEL
common for both Timer 2 and Timer 3.
TMR2CTRL
TMR2INTH
TMR2INTL
TMR2INTL_EN
TMR2SPLIT
TMR2H_CAP
Interrupt
TMR2L_CAP
TMR2H_RUN
TMR2L_RUN

Rev. 0.6 137
Si4010
33.2. 16-bit Timer with Auto Reload (Wide Mode)
When TMR2SPLIT=0 and TMR2L_CAP=0, the timer operates as a 16-bit timer with auto reload.
As the 16-bit timer register increments and overflows from 0xFFFF to 0x0000, the 16-bit value in the time
reload registers (TMR2RH and TMR2RL) is loaded into the timer register as shown in Figure 33.2, and the
timer High Byte Overflow Flag TMR2INTH (TMR2CTRL.7) is set. If timer interrupts are enabled (see IE
and EIE1 registers), an interrupt will be generated on each timer overflow. Additionally, if timer interrupts
are enabled and the TMR2INTL_EN bit is set (TMR2CTRL.5), an interrupt will be generated each time the
lower 8 bits (TMR2L) overflow from 0xFF to 0x00.
Figure 33.2. Timer 16-bit Mode Block Diagram (Wide Mode)
33.3. 16-bit Capture Mode (Wide Mode)
When TMR2SPLIT=0 and TMR2L_CAP=1, the timer operates in a 16-bit capture mode. The capture event
is INT0 for Timer 2 and INT1 for Timer 3. It is the same edge event as programmed to generate external
interrupt INT0 or INT1, respectively. The capture event can be positive edge, negative edge, or both edges
of the GPIO associated with the INT0 and INT1. Capture mode can be used for measurement of time inter-
vals on external signals.
Timer counts up and overflows from 0xFFFF to 0x0000. Each time a capture event is received, the con-
tents of the timer registers (TMR2H:TMR2L) are latched into the timer reload registers
(TMR2RH:TMR2RL). A timer high half interrupt TMR2INTH is generated by capture event. Additionally, the
low byte interrupt flag TMR2INTL is set whenever the timer overflows from 0xFFFF to 0x0000. This addi-
tional information may be used by and application.
Note that the capture event can also generate its own external interrupt on top of the timer interrupt, if
enabled by the application. Also note that if the capture timer is stopped (TMR2L_RUN=0) the capture
event still captures the current counter registers (TMR2H:TMR2L) into the timer reload registers
(TMR2H:TMR2RL) and sets the flag TMR2INTH.
TMR2CTRL
TMR2INTH
TMR2INTL
TMR2INTL_EN
TMR2SPLIT
TMR2H_CAP
Interrupt
TMR2L_CAP
TMR2H_RUN
TMR2L_RUN
TMR_CLKSEL
TMR3H_MODE
TMR3L_MODE
0
1
TMR2L_RUN
2
3
clk_sys/12
rtc_tick (5.33us)
rtc_pulse (100us)
TMR2H_MODE
TMR2L_MODE
2
TMR2L TMR2H
TMR2RL TMR2RH
clk_sys
TMR2L overflow
Reload

Si4010
138 Rev. 0.6
Figure 33.3. Capture 16-bit Mode Block Diagram (Wide Mode)
33.4. 8-Bit Timer/Timer Mode (Split Mode)
When TMR2SPLIT=1, the timer operates as two independent 8-bit timers. Each of the 8-bit timers can
independently operate in either 8-bit timer or 8-bit capture modes. The only common signals for both 8-bit
timers are capture event input signal and the interrupt output signal. Therefore, four possible configura-
tions are possible in split mode. All of them are described in the subsequent sections.
If TMR2L_CAP=0 and TMR2H_CAP=0, both halves operate as two independent 8-bit timers with indepen-
dently set clocks.
As the 8-bit timer register increments and overflows from 0xFF to 0x00, the 8-bit value in the time reload
registers (TMR2RH or TMR2RL) is loaded into the corresponding timer register (TMR2H or TMR2L), and
the corresponding byte overflow flag TMR2INTH or TMR2INTL are set, respectively. If timer interrupts are
enabled (see IE and EIE1 registers), an interrupt will be generated on each timer overflow.
TMR2CTRL
TMR2INTH
TMR2INTL
TMR2INTL_EN
TMR2SPLIT
TMR2H_CAP
Interrupt
TMR2L_CAP
TMR2H_RUN
TMR2L_RUN
TMR3H_MODE
TMR3L_MODE
0
1
TMR2L_RUN
2
3
clk_sys/12
rtc_tick (5.33us)
rtc_pulse (100us)
TMR2H_MODE
TMR2L_MODE
2
TMR2L TMR2H
TMR2RL TMR2RH
clk_sys
Capture
INT0
TMR_CLKSEL
INT1 for TMR3

Rev. 0.6 139
Si4010
Figure 33.4. Two 8-bit Timers in Timer/Timer Configuration (Split Mode)
33.5. 8-Bit Capture/Capture Mode (Split Mode)
When TMR2SPLIT=1, TMR2L_CAP=1 and TMR2H_CAP=1, both halves operate independently in 8-bit
capture modes. However, the capture event is the same for both timers. The clock sources for each timer
are selected independently, so one timer can capture short pulses while the other one long pulses, for
example.
Each 8-bit timer is free running, counts up and overflows from 0xFF to 0x00. Each time a capture event is
received, the contents of the timer registers (TMR2H and TMR2L) are latched into the corresponding timer
reload registers (TMR2RH and TMR2RL). Common capture event INT0 (INT1 for Timer 3) sets both high
and low half interrupt flags TMR2INTH and TMR2INTL at the same time.
The capture event can also generate its own external interrupt on top of the timer interrupt, if enabled by
the application. If the capture timer is stopped (TMR2L_RUN=0), the capture event still captures the cur-
rent counter register TMR2L into the reload register TMR2RL and sets the flag TRM2INTL. Same indepen-
dently applies to the upper half TMR2H with its respective registers and flags.
TMR3H_MODE
TMR3L_MODE
0
1
TMR2H_RUN
2
3
clk_sys/12
rtc_tick (5.33us)
rtc_pulse (100us)
TMR2H_MODE
TMR2L_MODE
2
clk_sys
TMR_CLKSEL
0
1
TMR2L_RUN
2
3
2
TMR2L
TMR2RL Reload
TMR2H
TMR2RH Reload
TMR2CTRL
TMR2INTH
TMR2INTL
TMR2INTL_EN
TMR2SPLIT
TMR2H_CAP
Interrupt
TMR2L_CAP
TMR2H_RUN
TMR2L_RUN

Si4010
140 Rev. 0.6
Figure 33.5. Two 8-bit Timers in Capture/Capture Configuration (Split Mode)
33.6. 8-Bit Timer/Capture Mode (Split Mode)
When TMR2SPLIT=1, TMR2L_CAP=1 and TMR2H_CAP=0, the split timers operate one in 8-bit timer
mode and the other in 8-bit capture mode. Same situation happens when TMR2L_CAP=0 and
TMR2H_CAP=1, only the roles of the timer 8-bit halves are reversed. The only difference in between these
two scenarios are the interrupt flags settings, since TMR2INTH and TMR2INTL are not symmetrical. The
TMR2INTL has a local enable TMR2INTL_EN. The functionality of the 8-bit timer and 8-bit capture modes
for the respective halves is the same as described above when both halves operate in the same mode.
TMR3H_MODE
TMR3L_MODE
0
1
TMR2H_RUN
2
3
clk_sys/12
rtc_tick (5.33us)
rtc_pulse (100us)
TMR2H_MODE
TMR2L_MODE
2
clk_sys
TMR_CLKSEL
0
1
TMR2L_RUN
2
3
2
TMR2L
TMR2RL
TMR2H
TMR2RH
TMR2CTRL
TMR2INTH
TMR2INTL
TMR2INTL_EN
TMR2SPLIT
TMR2H_CAP
Interrupt
TMR2L_CAP
TMR2H_RUN
TMR2L_RUN
Capture
INT0
Capture
INT1 for TMR3

Rev. 0.6 141
Si4010
Figure 33.6. Two 8-Bit TImers in Timer/Capture Configuration (Split Mode)
TMR3H_MODE
TMR3L_MODE
0
1
TMR2H_RUN
2
3
clk_sys/12
rtc_tick (5.33us)
rtc_pulse (100us)
TMR2H_MODE
TMR2L_MODE
2
clk_sys
TMR_CLKSEL
0
1
TMR2L_RUN
2
3
2
TMR2L
TMR2RL
TMR2H
TMR2RH
TMR2CTRL
TMR2INTH
TMR2INTL
TMR2INTL_EN
TMR2SPLIT
TMR2H_CAP
Interrupt
TMR2L_CAP
TMR2H_RUN
TMR2L_RUN
Capture
INT0
INT1 for TMR3
Reload

Si4010
142 Rev. 0.6
Figure 33.7. Two 8-Bit Timers In Capture/Timer Configuration (Split Mode)
TMR3H_MODE
TMR3L_MODE
0
1
TMR2H_RUN
2
3
clk_sys/12
rtc_tick (5.33us)
rtc_pulse (100us)
TMR2H_MODE
TMR2L_MODE
2
clk_sys
TMR_CLKSEL
0
1
TMR2L_RUN
2
3
2
TMR2L
TMR2H
TMR2CTRL
TMR2INTH
TMR2INTL
TMR2INTL_EN
TMR2SPLIT
TMR2H_CAP
Interrupt
TMR2L_CAP
TMR2H_RUN
TMR2L_RUN
INT0
INT1 for TMR3
TMR2RH
Capture
TMR2RL Reload

Rev. 0.6 143
Si4010
SFR Address = 0xC9
SFR Definition 33.1. TMR_CLKSEL
Bit76543210
Name TMR3H_MODE TMR3L_MODE TMR2H_MODE TMR2L_MODE
Type R/W R/W R/W R/W
Reset 00000000
Bit Name Function
7:6
TMR3H_
MODE
Timer 3 High Byte Mode Select.
Timer 3 high half in split mode or full timer in full mode clock selection. Clock selection
encoding is the same for all 4 halves.
00: CLK_SYS
01: CLK_SYS/12
10: RTC_TICK = 5.33 µs
11: RTC_PULSE = 100 µs
5:4 TMR3L_
MODE
Timer 3 Low Byte Mode Select.
Timer 3 low half in split mode or full timer in full mode clock selection. Clock selection
encoding is the same for all 4 halves.
00: CLK_SYS
01: CLK_SYS/12
10: RTC_TICK = 5.33 µs
11: RTC_PULSE = 100 µs
3:2 TMR2H_
MODE
Timer 2 High Byte Mode Select.
Timer 2 high half in split mode or full timer in full mode clock selection. Clock selection
encoding is the same for all 4 halves.
00: CLK_SYS
01: CLK_SYS/12
10: RTC_TICK = 5.33 µs
11: RTC_PULSE = 100 µs
1:0 TMR2L_
MODE
Timer 2 Low Byte Mode Select.
Timer 2 low half in split mode or full timer in full mode clock selection. Clock selection
encoding is the same for all 4 halves.
00: CLK_SYS
01: CLK_SYS/12
10: RTC_TICK = 5.33 µs
11: RTC_PULSE = 100 µs

Si4010
144 Rev. 0.6
SFR Address = 0xC8; Bit-Addressable
SFR Definition 33.2. TMR2CTRL
Bit76543210
Name TMR2
INTH
TMR2
INTL
TMR2
INTL_EN
TMR2
SPLIT
TMR2H_
CAP
TMR2L_
CAP
TMR2H_
RUN
TMR2L_
RUN
Type R/W R/W R/W R/W R/W R/W R/W R/W
Reset 00000000
Bit Name Function
7TMR2
INTH
Timer 2 High Byte Interrupt Flag.
Interrupt flag for timer high half in split configuration or overall 16 bit timer in wide
configuration. It gets set when the high half of the timer overflows or there is a cap-
ture event for the high half. This bit is not automatically cleared by hardware.
6TMR2
INTL
Timer 2 Low Byte Overflow Flag.
Interrupt flag for the timer low half. It gets set when the low half overflows in timer
mode or by capture event of the low half in capture mode. Software must clear this
bit, hardware will not clear it.
This bit is set when the low half of the timer overflows even if we operate in wide con-
figuration.
When in wide configuration and in capture mode this bit is set when the high half of
the timer overflows. Since in that case the capture event is the same for both halves,
the capture event sets the TMR2INTH interrupt flag. Then this TMR2INTL can be
used as a flag that the timer overflew, serving as an additional 17th timer bit in cap-
ture mode in wide configuration.
5TMR2
INTL_EN
Timer 2 Low Byte Interrupt Enable.
When set to 1, this bit enables Timer 2 Low Byte interrupts. The overall timer inter-
rupt request signal is : TMR2 interrupt request = TMR2INTH | (TMR2INTL &
TMR2INTL_EN)
4TMR2
SPLIT
Timer 2 Split Mode Enable.
0: Timer operates in wide configuration as 16 bit timer. The low half controls the
whole timer.
1: Timer operates in split configuration. Both halves are controlled independently.
3TMR2H_
CAP
Timer 2 High Byte Capture Mode Enable.
If set then TMR2H high half operates in capture mode if the timer is in split configura-
tion mode. Ignored if the timer operates in wide configuration mode.
2TMR2L_
CAP
Timer 2 Low Byte Capture Mode Enable.
If set then TMR2L low half operates in capture mode if the timer is in split configura-
tion, or the whole timer operates in capture mode if in wide configuration mode.

Rev. 0.6 145
Si4010
1TMR2H_
RUN
Timer 2 High Byte Run Model.
TMR2H high byte enable in split configuration, whole timer enable in wide configura-
tion.
0TMR2L_
RUN
Timer 2 Low Byte Run Model.
TMR2L low byte enable in split configuration, whole timer enable in wide configura-
tion.
Bit Name Function

Si4010
146 Rev. 0.6
SFR Address = 0xCA
SFR Address = 0xCB
SFR Definition 33.3. TMR2RL
Bit76543210
Name TMR2RL[7:0]
Type R/W
Reset 00000000
Bit Name Function
7:0 TMR2RL[7:0]
Timer 2 Capture/Reload Register Low Byte.
TMR2RL holds the low byte of the capture/reload value for Timer 2. LSB Byte. Two
halves are not double buffered. Write to each of the halves takes effect immedi-
ately. If the timer or respective half operates in capture mode this register holds the
capture value. If the timer or respective half operates in timer mode this register
holds the reload value.
SFR Definition 33.4. TMR2RH
Bit76543210
Name TMR2RH[7:0]
Type R/W
Reset 00000000
Bit Name Function
7:0 TMR2RH[7:0] Timer 2 Capture/Reload Register High Byte.
TMR2RH holds the high byte of the reload value for Timer 2.

Rev. 0.6 147
Si4010
SFR Address = 0xCC
SFR Address = 0xCD
SFR Definition 33.5. TMR2L
Bit76543210
Name TMR2L[7:0]
Type R/W
Reset 00000000
Bit Name Function
7:0 TMR2L[7:0]
Timer 2 Low Byte Actual Timer Value.
In 16-bit mode, the TMR2L register contains the low byte of the 16-bit Timer 2. In 8-
bit mode, TMR2L contains the 8-bit low byte timer value.
SFR Definition 33.6. TMR2H
Bit76543210
Name TMR2H[7:0]
Type R/W
Reset 00000000
Bit Name Function
7:0 TMR2H[7:0]
Timer 2 High Byte Actual Timer Value.
In 16-bit mode, the TMR2H register contains the high byte of the 16-bit Timer 2. In 8-
bit mode, TMR2H contains the 8-bit high byte timer value.

Si4010
148 Rev. 0.6
SFR Address = 0xB9
;
SFR Definition 33.7. TMR3CTRL
Bit76543210
Name TMR3
INTH
TMR3
INTL
TMR3
INTL_EN
TMR3
SPLIT
TMR3H_
CAP
TMR3L_
CAP
TMR3H_
RUN
TMR3L_
RUN
Type R/W R/W R/W R/W R/W R/W R/W R/W
Reset 00000000
Bit Name Function
7TMR3
INTH
Timer 3 High Byte Interrupt Flag.
Interrupt flag for timer high half in split configuration or overall 16 bit timer in wide
configuration. It gets set when the high half of the timer overflows or there is a cap-
ture event for the high half. This bit is not automatically cleared by hardware.
6TMR3
INTL
Timer 3 Low Byte Overflow Flag.
Interrupt flag for the timer low half. It gets set when the low half overflows in timer
mode or by capture event of the low half in capture mode. Software must clear this
bit, hardware will not clear it.
This bit is set when the low half of the timer overflows even if we operate in wide con-
figuration.
When in wide configuration and in capture mode this bit is set when the high half of
the timer overflows. Since in that case the capture event is the same for both halves,
the capture event sets the TMR3INTH interrupt flag. Then this TMR3INTL can be
used as a flag that the timer overflew, serving as an additional 17th timer bit in cap-
ture mode in wide configuration.
5TMR3
INTL_EN
Timer 3 Low Byte Interrupt Enable.
When set to 1, this bit enables Timer 3 Low Byte interrupts. The overall timer inter-
rupt request signal is : TMR3 interrupt request = TMR3INTH | (TMR3INTL &
TMR3INTL_EN)
4TMR3
SPLIT
Timer 3 Split Mode Enable.
0: Timer operates in wide configuration as 16 bit timer. The low half controls the
whole timer.
1: Timer operates in split configuration. Both halves are controlled independently.
3TMR3H_
CAP
Timer 3 High Byte Capture Mode Enable.
If set then TMR3H high half operates in capture mode if the timer is in split configura-
tion mode. Ignored if the timer operates in wide configuration mode.
2TMR3L_
CAP
Timer 3 Low Byte Capture Mode Enable.
If set then TMR3L low half operates in capture mode if the timer is in split configura-
tion, or the whole timer operates in capture mode if in wide configuration mode.

Rev. 0.6 149
Si4010
1TMR3H_
RUN
Timer 3 High Byte Run Model.
TMR3H high byte enable in split configuration, whole timer enable in wide configura-
tion.
0TMR3L_
RUN
Timer 3 Low Byte Run Model.
TMR3L low byte enable in split configuration, whole timer enable in wide configura-
tion.
Bit Name Function

Si4010
150 Rev. 0.6
SFR Address = 0xBA
SFR Address = 0xBB
SFR Definition 33.8. TMR3RL
Bit76543210
Name TMR3RL[7:0]
Type R/W
Reset 00000000
Bit Name Function
7:0 TMR3RL[7:0]
Timer 3 Capture/Reload Register Low Byte.
TMR3RL holds the low byte of the capture/reload value for Timer 3. LSB Byte. Two
halves are not double buffered. Write to each of the halves takes effect immedi-
ately. If the timer or respective half operates in capture mode this register holds the
capture value. If the timer or respective half operates in timer mode this register
holds the reload value.
SFR Definition 33.9. TMR3RH
Bit76543210
Name TMR3RH[7:0]
Type R/W
Reset 00000000
Bit Name Function
7:0 TMR3RH[7:0] Timer 3 Capture/Reload Register High Byte.
TMR3RH holds the high byte of the reload value for Timer 3.

Rev. 0.6 151
Si4010
SFR Address = 0xBC
SFR Address = 0xBD
SFR Definition 33.10. TMR3L
Bit76543210
Name TMR3L[7:0]
Type R/W
Reset 00000000
Bit Name Function
7:0 TMR3L[7:0]
Timer 3 Low Byte Actual Timer Value.
In 16-bit mode, the TMR3L register contains the low byte of the 16-bit Timer 3. In 8-
bit mode, TMR3L contains the 8-bit low byte timer value.
SFR Definition 33.11. TMR3H
Bit76543210
Name TMR3H[7:0]
Type R/W
Reset 00000000
Bit Name Function
7:0 TMR3H[7:0]
Timer 3 High Byte Actual Timer Value.
In 16-bit mode, the TMR3H register contains the high byte of the 16-bit Timer 3. In 8-
bit mode, TMR3H contains the 8-bit high byte timer value.

Si4010
152 Rev. 0.6
34. C2 Interface
The devices include an on-chip Silicon Laboratories 2-Wire (C2) debug interface in-system debugging with
the production part installed in the end application. The C2 interface uses a clock signal (C2CLK) and a bi-
directional C2 data signal (C2DAT) to transfer information between the device and a host system. The C2
interface is intended to be used by the Silicon Labs or third party development tools. It is not intended to be
used for any other purpose. It can be completely disabled per user programming for fully programmed
chips.
34.1. C2 Pin Sharing
The C2 protocol allows the C2 pins to be shared with user functions so that in-system debugging. This is
possible because C2 communication is typically performed when the device is in the halt state, where all
on-chip peripherals and user software are stalled. In this halted state, the C2 interface can safely borrow
the C2CLK (GPIO[5]) and C2DAT (GPIO[4]) pins. In most applications, external resistors are required to
isolate C2 interface traffic from the user application. A typical isolation configuration is shown in
Figure 34.1 along with the connection to the standard Silicon Labs 10-pin debugging interface header.
Figure 34.1. 10-pin C2 USB Debugging Adapter Connection to Device
GPIO5
C2DAT
C2CLK
VDD
GPIO4
VDD
Device
12
34
5
7
9
6
8
10
1k
1k
VDD
VDD
1k
VBUS (~ +4.6V) Can be used to
generate local VDD
50k
50k
GPIO[4]
For application bidirectional use,
isolated from the C2
R1
R2
R4
USB debug adapter
10 pin header connector
470
LED
1mA max
TMS
C2CLK
1k5
SW_GPIO4
R6
R5
If pushbutton on keyfob
development board, then it
has to be isolated by R5
For debugging chain to
work, LED must be
isolated by R6

Rev. 0.6 153
Si4010
On this device the GPIO[5] is shared with the LED current driver, which can drive up to 1mA of current to
the ground. Normally the LED will be connected in between the GPIO[5] and VDD. For C2 to work the LED
driver is disabled during debugging sessions, so even if the user code tries to turn the LED on, that opera-
tion will not interfere with C2 debug transactions and the actual LED current driver will not be turned on.
Whenever the user disconnects the IDE from the device by hitting the Disconnect button on the IDE, the
IDE clears all the breakpoints, clears the LED driver disable (enables the LED), and runs the currently
loaded user application residing in the CODE/XDATA RAM from the current position where the code was
halted. If IDE is disconnected from the device the user application behaves exactly as programmed, with
the LED driver driving the LED per user application. The user then can connect to the device through IDE
by hitting the Connect button. The connection is only possible when the LED driver is not active. Upon
connection the IDE will disable the LED driver for the duration of the debug session (until the device is
Disconnect-ed).
The GPIO[4] can be used as a bidirectional input/output by a user application, but a resistive network has
to be used to isolate the GPIO[4] from the C2 transactions, as shown in Figure 34.1.
Instead of the USB debug adapter the user can also use Silicon Labs ToolStick development tool. The
ToolStick has a PCB edge 14 pin connector. Connection in between the device and the ToolStick for soft-
ware development and debugging is in Figure 34.2.

Si4010
154 Rev. 0.6
Figure 34.2. 14-Pin C2 ToolStick Connection to Device
GPIO5
C2DAT
C2CLK
VDD
GPIO4
VDD
Device
VDD
VDD
50k
50k
470
LED
1mA max
1k5
SW_GPIO4
R6
R5
If pushbutton on keyfob
development board, then it
has to be isolated by R5
For debugging chain
to work, LED must be
isolated by R6
1k
VBUS (+5V)
Can be used to
generate local VDD
GPIO[4]
Bidirectional for application use,
isolated from the C2
R2
ToolStick PCB
edge connector
12
34
9
11
10
14
78
56
12
13
1k
VDD
VDO (+3.3V/200mA)
Can be used directly
as local VDD
R4
1k
R1

Rev. 0.6 155
Si4010
35. IDE Development Environment and Debugging Chain
The development platform will be provided by Silicon Labs. The debugging chain consists of an evaluation
board or an evaluation keyfob, USB debug adapter or a USB based ToolStick, and the Silicon Labs IDE
development environment.
The debugging chain is using the C2 two wire interface to provide an on-chip debugging capability. The
environment can load the standard OMF-51 object and symbol file only, not any proprietary extensions of
that format as used by some tool manufacturers. For example, on Keil platform it means that the BL51
linker must be used. The IDE will not load outputs generated by the Keil LX51 linker. On Raisonance plat-
form the output is the OMF-51 compliant and the file extension is AOF.
The IDE debugging environment has means to reset the chip without cycling the power. By pressing the
Reset inside of the IDE the digital part of the device is reset and device startup boot sequence is invoked.
All registers are reset to their initial states and all of the Factory values are refreshed in RAM and regis-
ters. If the part is a Factory part, the previously loaded CODE/XDATA RAM content is not disturbed. If the
part is a User part then the User data region is loaded as well, overwriting the content of the CODE/XDATA
RAM.
Using IDE is the only way to reset the chip without cycling the power to it or shutting it down and waking it
up.
35.1. Functionality Limitations While Using IDE Development Environment
Even though using the Silicon Labs IDE development environment preserves almost all of the chip func-
tionality, there are some limitations the user should be aware of. Given that the code is running from RAM
and that the C2CLK shares the pin with LED output current driver (GPIO[5]), they are two functionality lim-
itations for code development while using IDE:
1. The user cannot put a Factory or User chip into the shutdown mode and then wake it up by pressing a
button (pulling any of the GPIO to ground). When the chip is in shutdown mode, the power to all digital
is lost and therefore the RAM content with the user code will get erased.
2. The LED driver cannot be used when the device is connected to the debug adapters (USB debug
adapter or a ToolStick).
3. Once the part is finalized, programmed as Run part, no further debugging is possible.

Si4010
156 Rev. 0.6
35.2. Chip Shutdown Limitation
While developing firmware on an unprogrammed chip the user cannot call the API function
vSys_Shutdown() to shutdown the chip without loosing the RAM code downloaded by IDE.
Instead, the user should comment out the call to the shutdown function and replace it with a temporary
code, which monitors a button press, actually monitoring P0 and P1 port inputs based on the user current
port settings. If the button is pressed (input port value read as 0) then the long jump to address 0x0000
(LJMP 0x0000) should be executed. This would mimic the functionality of the chip shutdown and push but-
ton wakeup.
The limitation of this approach is that the digital logic is not reset and the current values of all the digital
registers are preserved, while during the real shutdown and wakeup they are asynchronously reset during
the process and the whole boot process is invoked.
Therefore, it is advisable not to rely on the reset values of any peripheral control registers and during the
user application peripheral initialization the initial value should by forced to the registers by using MOV
instructions rather then using ORL and ANL instructions to set or clear particular bits while relying on the
SFR registers reset values.
35.3. LED Driver Usage while Using IDE Debugging Chain
To maximize utilization of the package pins the LED current driver output is shared with the debug chain
clock signal C2CLK on the GPIO[5]. The debugging chain internally disables the LED driver while the
device is connected to the debugging adapter. User can develop the code as if the LED were present
without interfering with the debugging chain. The LED driver will not get turned on even if the user
application code requests the driver to be turned on.
To share the LED and C2CLK functionality on a single pin and be able to use IDE for debugging there are
some limitations and rules to follow. Figure 34.1 and Figure 34.2 show the recommended connection of the
debug adapters to the device in the user application. Note that the LED must be isolated by the 470
resistor for the debugging chain to work. If the debugging in the user application is not needed then the
470 resistor is not needed either.
Facts about using the LED with IDE chain:
1. The IDE chain can connect to the device only if the LED current driver is off and the LED is not lit.
2. Once the IDE chain is connected to the device it blocks the device LED driver. Therefore, the
application can be written in a normal fashion using LED as desired in the final application without
worry of being disconnected from the debug chain. The only limitation is that the LED will not be lit
from the application during the IDE debug session. The user will still observe LED activity, but that
activity is related to the debug chain communicating with the device, not the user application driving
the LED.
3. Once the IDE chain is disconnected from the device (by pressing Disconnect button in IDE, for
example), the device is released from halt and at the same time the blocking of the LED driver is
removed. From that point on the application behaves and runs as regular application and the LED
activity reflects what the application desires to do with LED.
4. If the user wants to reconnect the IDE to the device the only requirement is that the LED must not
be lit by the application at that moment. Therefore, if for whatever reason the device user software
is stuck in an infinite loop and driving the LED constantly, the IDE chain will not be able to connect
to the device. In such situations the device power has to be cycled to invoke internal power on reset
by unplugging the keyfob from the programming or ToolStick boards and replugging again. See
item 1. above.

Rev. 0.6 157
Si4010
For example, on the keyfob battery backed up development platform the user can disconnect the keyfob
from the debugging platform (programming board or directly from the ToolSTick) and walk around with
running application using LED as desired by the application. The only thing the user has to do is to
Disconnect the keyfob from the IDE by pressing the Disconnect button. The LED gets enabled and
the application runs from the point where the application is currently halted. To run the application from the
very beginning, the user must press Reset on the IDE before pressing Disconnect.
35.4. LED Driver and Application Development Issues
There is a possible issue related to the LED operation and its interference with the functionality of the
GPIO[4] during applicaiton development when the part is in the Factory or User state. There is no issue if
the part is in the Run state.
See the Errata for possible problem description and the API documentation for possible impact of the
application development and available solutions.

Si4010
158 Rev. 0.6
36. Additional Reference Resources
AN369: Antenna Interface for the Si401x Transmitters
AN370: Si4010 Software Programming Guide
AN511: Si4010 NVM Burner user's guide
AN515: Si4010 Key fob Development Kit Quick-Start Guide
AN518: Si4010 Memory Overlay Technique
AN526: Si4010 ROM 02.00 API Additional Library Description

Si4010
Rev. 0.6 159
DOCUMENT CHANGE LIST
Revision 0.1 to Revision 0.2
Completely revised data sheet revision 0.1 to include
MCU operation
Reformatted data sheet to correspond with MCU
data sheet format
Removed RKE application, focus on general MCU +
Tx usage
Included 14P SOIC package and pin information
Updated Section “4. Ordering Information” on
page 15
Updated Section “9. Electrical Characteristics” on
page 26
Revision 0.2 to Revision 0.5
Updated data sheet for revision B and C silicon
Changed standby supply current to < 10 nA
Increase data rate to 100 kBaud for FSK and
50 kBaud for OOK
Corrected maximum clock frequency of the LPOSC
to 24 MHz
Updated section 2. Ordering Information to reflect
the revision B and C silicon
Updated table 7.3 DC Characteristics to reflect
revision B and C silicon
Updated table 7.4 Si4010 RF Transmitter
Characteristics to reflect revision B and C silicon
Fixed block diagram in figure 8.1. Test Block
Diagram with 10-pin MSOP Package
Updated section 10. System Description text for
revision B and C silicon
Updated section 11. Power Amplifier text for revision
B and C silicon
Updated section 23. System Boot and NVM
Programming for revision B and C silicon
Updated section 36. Additional Reference
Resources to include new application notes
Revision 0.5 to Revision 0.6
Removed revision B part numbers and replaced with
revision C part numbers Si4010-C2-GT and Si4010-
C2-GS

Si4010
160 Rev. 0.6
CONTACT INFORMATION
Silicon Laboratories Inc.
Silicon Laboratories Inc.
400 West Cesar Chavez
Austin, TX 78701
Please visit the Silicon Labs Technical Support web page:
https://www.silabs.com/support/pages/contacttechnicalsupport.aspx
and register to submit a technical support request.
Silicon Laboratories and Silicon Labs are trademarks of Silicon Laboratories Inc.
Other products or brandnames mentioned herein are trademarks or registered trademarks of their respective holders
The information in this document is believed to be accurate in all respects at the time of publication but is subject to change without
notice. Silicon Laboratories assumes no responsibility for errors and omissions, and disclaims responsibility for any consequences
resulting from the use of information included herein. Additionally, Silicon Laboratories assumes no responsibility for the function-
ing of undescribed features or parameters. Silicon Laboratories reserves the right to make changes without further notice. Silicon
Laboratories makes no warranty, representation or guarantee regarding the suitability of its products for any particular purpose,
nor does Silicon Laboratories assume any liability arising out of the application or use of any product or circuit, and specifically
disclaims any and all liability, including without limitation consequential or incidental damages. Silicon Laboratories products are
not designed, intended, or authorized for use in applications intended to support or sustain life, or for any other application in which
the failure of the Silicon Laboratories product could create a situation where personal injury or death may occur. Should Buyer
purchase or use Silicon Laboratories products for any such unintended or unauthorized application, Buyer shall indemnify and
hold Silicon Laboratories harmless against all claims and damages.
Products related to this Datasheet
KIT DEMO EZRADIO ONE-WAY 434MHZ
KIT DEMO EZRADIO ONE-WAY 915MHZ
KIT DEV KEYFOB 434MHZ FOR SI4010
KIT DEV KEYFOB 434MHZ FOR SI4010
KIT DEMO KEYFOB 868MHZ SI4010
KIT DEMO KEYFOB AES SI4010
KIT DEMO EZRADIO ONE-WAY 868MHZ