XP2 Family Datasheet by Lattice Semiconductor Corporation
View All Related Products | Download PDF Datasheet
LatticeXP2™ Family Data Sheet
DS1009 Version 2.2, September 2014

www.latticesemi.com 1-1 DS1009 Introduction_01.4
February 2012 Data Sheet DS1009
© 2012 Lattice Semiconductor Corp. All Lattice trademarks, registered trademarks, patents, and disclaimers are as listed at www.latticesemi.com/legal. All other brand
or product names are trademarks or registered trademarks of their respective holders. The specifications and information herein are subject to change without notice.
Features
flexiFLASH™ Architecture
• Instant-on
• Infinitely reconfigurable
• Single chip
• FlashBAK™ technology
•Serial TAG memory
•Design security
Live Update Technology
• TransFR™ technology
• Secure updates with 128 bit AES encryption
• Dual-boot with external SPI
sysDSP™ Block
• Three to eight blocks for high performance
Multiply and Accumulate
• 12 to 32 18x18 multipliers
• Each block supports one 36x36 multiplier or four
18x18 or eight 9x9 multipliers
Embedded and Distributed Memory
• Up to 885 Kbits sysMEM™ EBR
• Up to 83 Kbits Distributed RAM
sysCLOCK™ PLLs
• Up to four analog PLLs per device
• Clock multiply, divide and phase shifting
Flexible I/O Buffer
• sysIO™ buffer supports:
– LVCMOS 33/25/18/15/12; LVTTL
– SSTL 33/25/18 class I, II
– HSTL15 class I; HSTL18 class I, II
–PCI
– LVDS, Bus-LVDS, MLVDS, LVPECL, RSDS
Pre-engineered Source Synchronous
Interfaces
• DDR / DDR2 interfaces up to 200 MHz
• 7:1 LVDS interfaces support display applications
•XGMII
Density And Package Options
• 5k to 40k LUT4s, 86 to 540 I/Os
• csBGA, TQFP, PQFP, ftBGA and fpBGA packages
• Density migration supported
Flexible Device Configuration
• SPI (master and slave) Boot Flash Interface
• Dual Boot Image supported
• Soft Error Detect (SED) macro embedded
System Level Support
• IEEE 1149.1 and IEEE 1532 Compliant
• On-chip oscillator for initialization & general use
• Devices operate with 1.2V power supply
Table 1-1. LatticeXP2 Family Selection Guide
Device XP2-5 XP2-8 XP2-17 XP2-30 XP2-40
LUTs (K) 5 8 172940
Distributed RAM (KBits) 1018355683
EBR SRAM (KBits) 166 221 276 387 885
EBR SRAM Blocks 9 12 15 21 48
sysDSP Blocks 3 4 5 7 8
18 x 18 Multipliers 1216202832
VCC Voltage 1.2 1.2 1.2 1.2 1.2
GPLL 22444
Max Available I/O 172 201 358 472 540
Packages and I/O Combinations
132-Ball csBGA (8 x 8 mm) 86 86
144-Pin TQFP (20 x 20 mm) 100 100
208-Pin PQFP (28 x 28 mm) 146 146 146
256-Ball ftBGA (17 x17 mm) 172 201 201 201
484-Ball fpBGA (23 x 23 mm) 358 363 363
672-Ball fpBGA (27 x 27 mm) 472 540
LatticeXP2 Family Data Sheet
Introduction

1-2
Introduction
LatticeXP2 Family Data Sheet
Introduction
LatticeXP2 devices combine a Look-up Table (LUT) based FPGA fabric with non-volatile Flash cells in an architec-
ture referred to as flexiFLASH.
The flexiFLASH approach provides benefits including instant-on, infinite reconfigurability, on chip storage with
FlashBAK embedded block memory and Serial TAG memory and design security. The parts also support Live
Update technology with TransFR, 128-bit AES Encryption and Dual-boot technologies.
The LatticeXP2 FPGA fabric was optimized for the new technology from the outset with high performance and low
cost in mind. LatticeXP2 devices include LUT-based logic, distributed and embedded memory, Phase Locked
Loops (PLLs), pre-engineered source synchronous I/O support and enhanced sysDSP blocks.
Lattice Diamond® design software allows large and complex designs to be efficiently implemented using the
LatticeXP2 family of FPGA devices. Synthesis library support for LatticeXP2 is available for popular logic synthesis
tools. The Diamond software uses the synthesis tool output along with the constraints from its floor planning tools
to place and route the design in the LatticeXP2 device. The Diamond tool extracts the timing from the routing and
back-annotates it into the design for timing verification.
Lattice provides many pre-designed Intellectual Property (IP) LatticeCORE™ modules for the LatticeXP2 family. By
using these IPs as standardized blocks, designers are free to concentrate on the unique aspects of their design,
increasing their productivity.

www.latticesemi.com 2-1 DS1009 Architecture_01.8
August 2014 Data Sheet DS1009
© 2014 Lattice Semiconductor Corp. All Lattice trademarks, registered trademarks, patents, and disclaimers are as listed at www.latticesemi.com/legal. All other brand
or product names are trademarks or registered trademarks of their respective holders. The specifications and information herein are subject to change without notice.
Architecture Overview
Each LatticeXP2 device contains an array of logic blocks surrounded by Programmable I/O Cells (PIC). Inter-
spersed between the rows of logic blocks are rows of sysMEM™ Embedded Block RAM (EBR) and a row of sys-
DSP™ Digital Signal Processing blocks as shown in Figure 2-1.
On the left and right sides of the Programmable Functional Unit (PFU) array, there are Non-volatile Memory Blocks.
In configuration mode the nonvolatile memory is programmed via the IEEE 1149.1 TAP port or the sysCONFIG™
peripheral port. On power up, the configuration data is transferred from the Non-volatile Memory Blocks to the con-
figuration SRAM. With this technology, expensive external configuration memory is not required, and designs are
secured from unauthorized read-back. This transfer of data from non-volatile memory to configuration SRAM via
wide busses happens in microseconds, providing an “instant-on” capability that allows easy interfacing in many
applications. LatticeXP2 devices can also transfer data from the sysMEM EBR blocks to the Non-volatile Memory
Blocks at user request.
There are two kinds of logic blocks, the PFU and the PFU without RAM (PFF). The PFU contains the building
blocks for logic, arithmetic, RAM and ROM functions. The PFF block contains building blocks for logic, arithmetic
and ROM functions. Both PFU and PFF blocks are optimized for flexibility allowing complex designs to be imple-
mented quickly and efficiently. Logic Blocks are arranged in a two-dimensional array. Only one type of block is used
per row.
LatticeXP2 devices contain one or more rows of sysMEM EBR blocks. sysMEM EBRs are large dedicated 18Kbit
memory blocks. Each sysMEM block can be configured in a variety of depths and widths of RAM or ROM. In addi-
tion, LatticeXP2 devices contain up to two rows of DSP Blocks. Each DSP block has multipliers and adder/accumu-
lators, which are the building blocks for complex signal processing capabilities.
Each PIC block encompasses two PIOs (PIO pairs) with their respective sysIO buffers. The sysIO buffers of the
LatticeXP2 devices are arranged into eight banks, allowing the implementation of a wide variety of I/O standards.
PIO pairs on the left and right edges of the device can be configured as LVDS transmit/receive pairs. The PIC logic
also includes pre-engineered support to aid in the implementation of high speed source synchronous standards
such as 7:1 LVDS interfaces, found in many display applications, and memory interfaces including DDR and DDR2.
The LatticeXP2 registers in PFU and sysI/O can be configured to be SET or RESET. After power up and device is
configured, the device enters into user mode with these registers SET/RESET according to the configuration set-
ting, allowing device entering to a known state for predictable system function.
Other blocks provided include PLLs and configuration functions. The LatticeXP2 architecture provides up to four
General Purpose PLLs (GPLL) per device. The GPLL blocks are located in the corners of the device.
The configuration block that supports features such as configuration bit-stream de-encryption, transparent updates
and dual boot support is located between banks two and three. Every device in the LatticeXP2 family supports a
sysCONFIG port, muxed with bank seven I/Os, which supports serial device configuration. A JTAG port is provided
between banks two and three.
This family also provides an on-chip oscillator. LatticeXP2 devices use 1.2V as their core voltage.
LatticeXP2 Family Data Sheet
Architecture

2-2
Architecture
LatticeXP2 Family Data Sheet
Figure 2-1. Simplified Block Diagram, LatticeXP2-17 Device (Top Level)
PFU Blocks
The core of the LatticeXP2 device is made up of logic blocks in two forms, PFUs and PFFs. PFUs can be pro-
grammed to perform logic, arithmetic, distributed RAM and distributed ROM functions. PFF blocks can be pro-
grammed to perform logic, arithmetic and ROM functions. Except where necessary, the remainder of this data
sheet will use the term PFU to refer to both PFU and PFF blocks.
Each PFU block consists of four interconnected slices, numbered Slice 0 through Slice 3, as shown in Figure 2-2.
All the interconnections to and from PFU blocks are from routing. There are 50 inputs and 23 outputs associated
with each PFU block.
On-chip
Oscillator
Programmable
Function Units
(PFUs)
SPI Port
sysCLOCK PLLs Flexible Routing
Flash
JTAG Port
sysIO Buffers,
Pre-Engineered Source
Synchronous Support
sysMEM Block
RAM
DSP Blocks

2-3
Architecture
LatticeXP2 Family Data Sheet
Figure 2-2. PFU Diagram
Slice
Slice 0 through Slice 2 contain two 4-input combinatorial Look-Up Tables (LUT4), which feed two registers. Slice 3
contains two LUT4s and no registers. For PFUs, Slice 0 and Slice 2 can also be configured as distributed memory,
a capability not available in PFF blocks. Table 2-1 shows the capability of the slices in both PFF and PFU blocks
along with the operation modes they enable. In addition, each PFU contains logic that allows the LUTs to be com-
bined to perform functions such as LUT5, LUT6, LUT7 and LUT8. There is control logic to perform set/reset func-
tions (programmable as synchronous/asynchronous), clock select, chip-select and wider RAM/ROM functions.
Figure 2-3 shows an overview of the internal logic of the slice. The registers in the slice can be configured as posi-
tive/negative edge triggered or level sensitive clocks.
Table 2-1. Resources and Modes Available per Slice
Slice 0 through Slice 2 have 14 input signals: 13 signals from routing and one from the carry-chain (from the adja-
cent slice or PFU). There are seven outputs: six to routing and one to carry-chain (to the adjacent PFU). Slice 3 has
13 input signals from routing and four signals to routing. Table 2-2 lists the signals associated with Slice 0 to Slice
2.
Slice
PFU BLock PFF Block
Resources Modes Resources Modes
Slice 0 2 LUT4s and 2 Registers Logic, Ripple, RAM, ROM 2 LUT4s and 2 Registers Logic, Ripple, ROM
Slice 1 2 LUT4s and 2 Registers Logic, Ripple, ROM 2 LUT4s and 2 Registers Logic, Ripple, ROM
Slice 2 2 LUT4s and 2 Registers Logic, Ripple, RAM, ROM 2 LUT4s and 2 Registers Logic, Ripple, ROM
Slice 3 2 LUT4s Logic, ROM 2 LUT4s Logic, ROM
Slice 0
LUT4 &
CARRY
LUT4 &
CARRY
D D
Slice 1
LUT4 &
CARRY
LUT4 &
CARRY
Slice 2
LUT4 &
CARRY
LUT4 &
CARRY
From
Routing
To
Routing
Slice 3
LUT4 LUT4
D D D D
FF FF FF FF FF FF

2-4
Architecture
LatticeXP2 Family Data Sheet
Figure 2-3. Slice Diagram
Table 2-2. Slice Signal Descriptions
Function Type Signal Names Description
Input Data signal A0, B0, C0, D0 Inputs to LUT4
Input Data signal A1, B1, C1, D1 Inputs to LUT4
Input Multi-purpose M0 Multipurpose Input
Input Multi-purpose M1 Multipurpose Input
Input Control signal CE Clock Enable
Input Control signal LSR Local Set/Reset
Input Control signal CLK System Clock
Input Inter-PFU signal FCI Fast Carry-In1
Input Inter-slice signal FXA Intermediate signal to generate LUT6 and LUT7
Input Inter-slice signal FXB Intermediate signal to generate LUT6 and LUT7
Output Data signals F0, F1 LUT4 output register bypass signals
Output Data signals Q0, Q1 Register outputs
Output Data signals OFX0 Output of a LUT5 MUX
Output Data signals OFX1 Output of a LUT6, LUT7, LUT82 MUX depending on the slice
Output Inter-PFU signal FCO Slice 2 of each PFU is the fast carry chain output1
1. See Figure 2-3 for connection details.
2. Requires two PFUs.
LUT4 &
CARRY*
LUT4 &
CARRY*
SLICE
A0
C0
D0
FF*
OFX0
F0
Q0
A1
B1
C1
D1
CI
CI
CO
CO
CE
CLK
LSR
FF*
OFX1
F1
Q1
F/SUM
F/SUM D
D
M1
FCI into Slice/PFU, FCO from Different Slice/PFU
FCO from Slice/PFU, FCI into Different Slice/PFU
LUT5
Mux
M0
From
Routing
To
Routing
FXB
FXA
B0
For Slices 0 and 2, memory control signals are generated from Slice 1 as follows:
WCK is CLK
WRE is from LSR
DI[3:2] for Slice 2 and DI[1:0] for Slice 0 data
WAD [A:D] is a 4bit address from slice 1 LUT input
* Not in Slice 3

2-5
Architecture
LatticeXP2 Family Data Sheet
Modes of Operation
Each slice has up to four potential modes of operation: Logic, Ripple, RAM and ROM.
Logic Mode
In this mode, the LUTs in each slice are configured as LUT4s. A LUT4 has 16 possible input combinations. Four-
input logic functions are generated by programming the LUT4. Since there are two LUT4s per slice, a LUT5 can be
constructed within one slice. Larger LUTs such as LUT6, LUT7 and LUT8, can be constructed by concatenating
two or more slices. Note that a LUT8 requires more than four slices.
Ripple Mode
Ripple mode allows efficient implementation of small arithmetic functions. In ripple mode, the following functions
can be implemented by each slice:
• Addition 2-bit
• Subtraction 2-bit
• Add/Subtract 2-bit using dynamic control
• Up counter 2-bit
• Down counter 2-bit
• Up/Down counter with async clear
• Up/Down counter with preload (sync)
• Ripple mode multiplier building block
• Multiplier support
• Comparator functions of A and B inputs
– A greater-than-or-equal-to B
– A not-equal-to B
– A less-than-or-equal-to B
Two carry signals, FCI and FCO, are generated per slice in this mode, allowing fast arithmetic functions to be con-
structed by concatenating slices.
RAM Mode
In this mode, a 16x4-bit distributed Single Port RAM (SPR) can be constructed using each LUT block in Slice 0 and
Slice 2 as a 16x1-bit memory. Slice 1 is used to provide memory address and control signals. A 16x2-bit Pseudo
Dual Port RAM (PDPR) memory is created by using one slice as the read-write port and the other companion slice
as the read-only port.
The Lattice design tools support the creation of a variety of different size memories. Where appropriate, the soft-
ware will construct these using distributed memory primitives that represent the capabilities of the PFU. Table 2-3
shows the number of slices required to implement different distributed RAM primitives. For more information on
using RAM in LatticeXP2 devices, please see TN1137, LatticeXP2 Memory Usage Guide.
Table 2-3. Number of Slices Required For Implementing Distributed RAM
ROM Mode
ROM mode uses the LUT logic; hence, Slices 0 through 3 can be used in the ROM mode. Preloading is accom-
plished through the programming interface during PFU configuration.
SPR 16X4 PDPR 16X4
Number of slices 3 3
Note: SPR = Single Port RAM, PDPR = Pseudo Dual Port RAM

2-6
Architecture
LatticeXP2 Family Data Sheet
Routing
There are many resources provided in the LatticeXP2 devices to route signals individually or as busses with related
control signals. The routing resources consist of switching circuitry, buffers and metal interconnect (routing) seg-
ments.
The inter-PFU connections are made with x1 (spans two PFU), x2 (spans three PFU) or x6 (spans seven PFU)
connections. The x1 and x2 connections provide fast and efficient connections in horizontal and vertical directions.
The x2 and x6 resources are buffered to allow both short and long connections routing between PFUs.
The LatticeXP2 family has an enhanced routing architecture to produce a compact design. The Diamond design
tool takes the output of the synthesis tool and places and routes the design. Generally, the place and route tool is
completely automatic, although an interactive routing editor is available to optimize the design.
sysCLOCK Phase Locked Loops (PLL)
The sysCLOCK PLLs provide the ability to synthesize clock frequencies. The LatticeXP2 family supports between
two and four full featured General Purpose PLLs (GPLL). The architecture of the GPLL is shown in Figure 2-4.
CLKI, the PLL reference frequency, is provided either from the pin or from routing; it feeds into the Input Clock
Divider block. CLKFB, the feedback signal, is generated from CLKOP (the primary clock output) or from a user
clock pin/logic. CLKFB feeds into the Feedback Divider and is used to multiply the reference frequency.
Both the input path and feedback signals enter the Voltage Controlled Oscillator (VCO) block. The phase and fre-
quency of the VCO are determined from the input path and feedback signals. A LOCK signal is generated by the
VCO to indicate that the VCO is locked with the input clock signal.
The output of the VCO feeds into the CLKOP Divider, a post-scalar divider. The duty cycle of the CLKOP Divider
output can be fine tuned using the Duty Trim block, which creates the CLKOP signal. By allowing the VCO to oper-
ate at higher frequencies than CLKOP, the frequency range of the GPLL is expanded. The output of the CLKOP
Divider is passed through the CLKOK Divider, a secondary clock divider, to generate lower frequencies for the
CLKOK output. For applications that require even lower frequencies, the CLKOP signal is passed through a divide-
by-three divider to produce the CLKOK2 output. The CLKOK2 output is provided for applications that use source
synchronous logic. The Phase/Duty Cycle/Duty Trim block is used to adjust the phase and duty cycle of the CLKOP
Divider output to generate the CLKOS signal. The phase/duty cycle setting can be pre-programmed or dynamically
adjusted.
The clock outputs from the GPLL; CLKOP, CLKOK, CLKOK2 and CLKOS, are fed to the clock distribution network.
For further information on the GPLL please see TN1126, LatticeXP2 sysCLOCK PLL Design and Usage Guide.

2-7
Architecture
LatticeXP2 Family Data Sheet
Figure 2-4. General Purpose PLL (GPLL) Diagram
Table 2-4 provides a description of the signals in the GPLL blocks.
Table 2-4. GPLL Block Signal Descriptions
Clock Dividers
LatticeXP2 devices have two clock dividers, one on the left side and one on the right side of the device. These are
intended to generate a slower-speed system clock from a high-speed edge clock. The block operates in a ÷2, ÷4 or
÷8 mode and maintains a known phase relationship between the divided down clock and the high-speed clock
based on the release of its reset signal. The clock dividers can be fed from the CLKOP output from the GPLLs or
from the Edge Clocks (ECLK). The clock divider outputs serve as primary clock sources and feed into the clock dis-
tribution network. The Reset (RST) control signal resets the input and forces all outputs to low. The RELEASE sig-
nal releases outputs to the input clock. For further information on clock dividers, please see TN1126, LatticeXP2
sysCLOCK PLL Design and Usage Guide. Figure 2-5 shows the clock divider connections.
Signal I/O Description
CLKI I Clock input from external pin or routing
CLKFB I
PLL feedback input from CLKOP (PLL internal), from clock net (CLKOP) or from a user clock
(PIN or logic)
RST I “1” to reset PLL counters, VCO, charge pumps and M-dividers
RSTK I “1” to reset K-divider
DPHASE [3:0] I DPA Phase Adjust input
DDDUTY [3:0] I DPA Duty Cycle Select input
WRDEL I DPA Fine Delay Adjust input
CLKOS O PLL output clock to clock tree (phase shifted/duty cycle changed)
CLKOP O PLL output clock to clock tree (no phase shift)
CLKOK O PLL output to clock tree through secondary clock divider
CLKOK2 O PLL output to clock tree (CLKOP divided by 3)
LOCK O “1” indicates PLL LOCK to CLKI
CLKFB
Divider
RST
CLKFB
CLKI
LOCK
CLKOP
CLKOS
RSTK
DPHASE
Internal Feedback
DDUTY
WRDEL
CLKOK2
CLKOK
CLKI
Divider
PFD VCO/
LOOP FILTER
CLKOP
Divider
Phase/
Duty Cycle/
Duty Trim
Duty Trim
CLKOK
Divider
Lock
Detect
3

2-8
Architecture
LatticeXP2 Family Data Sheet
Figure 2-5. Clock Divider Connections
Clock Distribution Network
LatticeXP2 devices have eight quadrant-based primary clocks and between six and eight flexible region-based sec-
ondary clocks/control signals. Two high performance edge clocks are available on each edge of the device to sup-
port high speed interfaces. The clock inputs are selected from external I/Os, the sysCLOCK PLLs, or routing. Clock
inputs are fed throughout the chip via the primary, secondary and edge clock networks.
Primary Clock Sources
LatticeXP2 devices derive primary clocks from four sources: PLL outputs, CLKDIV outputs, dedicated clock inputs
and routing. LatticeXP2 devices have two to four sysCLOCK PLLs, located in the four corners of the device. There
are eight dedicated clock inputs, two on each side of the device. Figure 2-6 shows the primary clock sources.
RST
RELEASE
÷1
÷2
÷4
÷8
CLKOP (GPLL)
ECLK
CLKDIV

2-9
Architecture
LatticeXP2 Family Data Sheet
Figure 2-6. Primary Clock Sources for XP2-17
Primary Clock Sources
to Eight Quadrant Clock Selection
From Routing
From Routing
GPLL
GPLL
PLL Input
PLL Input
Note: This diagram shows sources for the XP2-17 device. Smaller LatticeXP2 devices have two GPLLs.
CLK
DIV
Clock
Input
Clock
Input
PLL Inpu
t
PLL Inpu
t
Clock
Input
Clock
Input
Clock Input
Clock Input
Clock Input
Clock Input
GPLL
GPLL
CLK
DIV

2-10
Architecture
LatticeXP2 Family Data Sheet
Secondary Clock/Control Sources
LatticeXP2 devices derive secondary clocks (SC0 through SC7) from eight dedicated clock input pads and the rest
from routing. Figure 2-7 shows the secondary clock sources.
Figure 2-7. Secondary Clock Sources
Secondary Clock Sources
From Routing
From
Routing
From
Routing
From
Routing
From
Routing
From
Routing
From
Routing
From
Routing
From
Routing
From Routing
Clock Input
Clock
Input
Clock
Input
Clock
Input
Clock
Input
Clock Input
From Routing
From Routing
From Routing
From Routing
Clock Input
Clock Input
From Routing
From Routing

2-11
Architecture
LatticeXP2 Family Data Sheet
Edge Clock Sources
Edge clock resources can be driven from a variety of sources at the same edge. Edge clock resources can be
driven from adjacent edge clock PIOs, primary clock PIOs, PLLs and clock dividers as shown in Figure 2-8.
Figure 2-8. Edge Clock Sources
Eight Edge Clocks (ECLK)
Two Clocks per Edge
Sources for
bottom edge
clocks
Sources for right edge clocks
Clock
Input
Clock
Input
From Routing
From
Routing
From
Routing
From
Routing
From
Routing
Clock Input Clock Input
Clock Input Clock Input
From Routing
From Routing
Clock
Input
Clock
Input
From Routing
Sources for left edge clocks
Sources for top
edge clocks
PLL
Input
PLL
Input
GPLL
CLKOP
CLKOS
PLL
Input
GPLL
CLKOP
CLKOS
CLKOP
CLKOS GPLL
PLL
Input
CLKOP
CLKOS GPLL
Note: This diagram shows sources for the XP2-17 device. Smaller LatticeXP2 devices have two GPLLs.

2-12
Architecture
LatticeXP2 Family Data Sheet
Primary Clock Routing
The clock routing structure in LatticeXP2 devices consists of a network of eight primary clock lines (CLK0 through
CLK7) per quadrant. The primary clocks of each quadrant are generated from muxes located in the center of the
device. All the clock sources are connected to these muxes. Figure 2-9 shows the clock routing for one quadrant.
Each quadrant mux is identical. If desired, any clock can be routed globally.
Figure 2-9. Per Quadrant Primary Clock Selection
Dynamic Clock Select (DCS)
The DCS is a smart multiplexer function available in the primary clock routing. It switches between two independent
input clock sources without any glitches or runt pulses. This is achieved irrespective of when the select signal is
toggled. There are two DCS blocks per quadrant; in total, eight DCS blocks per device. The inputs to the DCS block
come from the center muxes. The output of the DCS is connected to primary clocks CLK6 and CLK7 (see Figure 2-
9).
Figure 2-10 shows the timing waveforms of the default DCS operating mode. The DCS block can be programmed
to other modes. For more information on the DCS, please see TN1126, LatticeXP2 sysCLOCK PLL Design and
Usage Guide.
Figure 2-10. DCS Waveforms
Secondary Clock/Control Routing
Secondary clocks in the LatticeXP2 devices are region-based resources. The benefit of region-based resources is
the relatively low injection delay and skew within the region, as compared to primary clocks. EBR rows, DSP rows
and a special vertical routing channel bound the secondary clock regions. This special vertical routing channel
aligns with either the left edge of the center DSP block in the DSP row or the center of the DSP row. Figure 2-11
shows this special vertical routing channel and the eight secondary clock regions for the LatticeXP2-40.
CLK0 CLK1 CLK2 CLK3 CLK4 CLK5 CLK6 CLK7
30:1 30:1 30:1 30:1 29:1 29:1 29:1 29:130:1 30:1
8 Primary Clocks (CLK0 to CLK7) per Quadrant
DCS DCS
Primary Clock Sources: PLLs + CLKDIVs + PIOs + Routing
CLK0
SEL
DCSOUT
CLK1

2-13
Architecture
LatticeXP2 Family Data Sheet
LatticeXP2-30 and smaller devices have six secondary clock regions. All devices in the LatticeXP2 family have four
secondary clocks (SC0 to SC3) which are distributed to every region.
The secondary clock muxes are located in the center of the device. Figure 2-12 shows the mux structure of the
secondary clock routing. Secondary clocks SC0 to SC3 are used for clock and control and SC4 to SC7 are used for
high fan-out signals.
Figure 2-11. Secondary Clock Regions XP2-40
I/O Bank 0
I/O Bank 7
I/O Bank 2 I/O Bank 3
I/O Bank 6
I/O Bank 1
I/O Bank 5 I/O Bank 4
Secondary Clock
Region 1
Secondary Clock
Region 2
Secondary Clock
Region 3
Secondary Clock
Region 4
Secondary Clock
Region 5
Secondary Clock
Region 6
Secondary Clock
Region 7
Secondary Clock
Region 8
Vertical Routing
Channel Regional
Boundary
DSP Row
Regional
Boundary
EBR Row
Regional
Boundary
EBR Row
Regional
Boundary

2-14
Architecture
LatticeXP2 Family Data Sheet
Figure 2-12. Secondary Clock Selection
Slice Clock Selection
Figure 2-13 shows the clock selections and Figure 2-14 shows the control selections for Slice0 through Slice2. All
the primary clocks and the four secondary clocks are routed to this clock selection mux. Other signals, via routing,
can be used as clock inputs to the slices. Slice controls are generated from the secondary clocks or other signals
connected via routing.
If none of the signals are selected for both clock and control, then the default value of the mux output is 1. Slice 3
does not have any registers; therefore it does not have the clock or control muxes.
Figure 2-13. Slice0 through Slice2 Clock Selection
SC0 SC1 SC2 SC3 SC4 SC5
24:1 24:1 24:1
SC6 SC7
24:1 24:1 24:1 24:1 24:1
4 Secondary Clocks/CE/LSR (SC0 to SC3) per Region
Clock/Control
Secondary Clock Feedlines: 8 PIOs + 16 Routing
High Fan-out Data
4 High Fan-out Data Signals (SC4 to SC7) per Region
Clock to Slice
Primary Clock
Secondary Clock
Routing
Vcc
8
4
12
1
25:1

2-15
Architecture
LatticeXP2 Family Data Sheet
Figure 2-14. Slice0 through Slice2 Control Selection
Edge Clock Routing
LatticeXP2 devices have eight high-speed edge clocks that are intended for use with the PIOs in the implementa-
tion of high-speed interfaces. Each device has two edge clocks per edge. Figure 2-15 shows the selection muxes
for these clocks.
Figure 2-15. Edge Clock Mux Connections
Slice Control
Secondary Clock
Routing
Vcc
3
12
1
16:1
Left and Right
Edge Clocks
ECLK1
Top and Bottom
Edge Clocks
ECLK1/ ECLK2
Clock Input Pad
Routing
Routing
Input Pad
GPLL Input Pad
GPLL Output CLKOP
Left and Right
Edge Clocks
ECLK2
Routing
Input Pad
GPLL Input Pad
GPLL Output CLKOS
(Both Muxes)

2-16
Architecture
LatticeXP2 Family Data Sheet
sysMEM Memory
LatticeXP2 devices contains a number of sysMEM Embedded Block RAM (EBR). The EBR consists of 18 Kbit
RAM with dedicated input and output registers.
sysMEM Memory Block
The sysMEM block can implement single port, dual port or pseudo dual port memories. Each block can be used in
a variety of depths and widths as shown in Table 2-5. FIFOs can be implemented in sysMEM EBR blocks by using
support logic with PFUs. The EBR block supports an optional parity bit for each data byte to facilitate parity check-
ing. EBR blocks provide byte-enable support for configurations with18-bit and 36-bit data widths.
Table 2-5. sysMEM Block Configurations
Bus Size Matching
All of the multi-port memory modes support different widths on each of the ports. The RAM bits are mapped LSB
word 0 to MSB word 0, LSB word 1 to MSB word 1, and so on. Although the word size and number of words for
each port varies, this mapping scheme applies to each port.
FlashBAK EBR Content Storage
All the EBR memory in the LatticeXP2 is shadowed by Flash memory. Optionally, initialization values for the mem-
ory blocks can be defined using the Lattice Diamond design tools. The initialization values are loaded into the Flash
memory during device programming and into the SRAM at power up or whenever the device is reconfigured. This
feature is ideal for the storage of a variety of information such as look-up tables and microprocessor code. It is also
possible to write the current contents of the EBR memory back to Flash memory. This capability is useful for the
storage of data such as error codes and calibration information. For additional information on the FlashBAK capa-
bility see TN1137, LatticeXP2 Memory Usage Guide.
Memory Mode Configurations
Single Port
16,384 x 1
8,192 x 2
4,096 x 4
2,048 x 9
1,024 x 18
512 x 36
True Dual Port
16,384 x 1
8,192 x 2
4,096 x 4
2,048 x 9
1,024 x 18
Pseudo Dual Port
16,384 x 1
8,192 x 2
4,096 x 4
2,048 x 9
1,024 x 18
512 x 36

2-17
Architecture
LatticeXP2 Family Data Sheet
Figure 2-16. FlashBAK Technology
Memory Cascading
Larger and deeper blocks of RAMs can be created using EBR sysMEM Blocks. Typically, the Lattice design tools
cascade memory transparently, based on specific design inputs.
Single, Dual and Pseudo-Dual Port Modes
In all the sysMEM RAM modes the input data and address for the ports are registered at the input of the memory
array. The output data of the memory is optionally registered at the output.
EBR memory supports two forms of write behavior for single port or dual port operation:
1. Normal – Data on the output appears only during a read cycle. During a write cycle, the data (at the current
address) does not appear on the output. This mode is supported for all data widths.
2. Write Through – A copy of the input data appears at the output of the same port during a write cycle. This
mode is supported for all data widths.
Memory Core Reset
The memory array in the EBR utilizes latches at the A and B output ports. These latches can be reset asynchro-
nously or synchronously. RSTA and RSTB are local signals, which reset the output latches associated with Port A
and Port B respectively. GSRN, the global reset signal, resets both ports. The output data latches and associated
resets for both ports are as shown in Figure 2-17.
Figure 2-17. Memory Core Reset
Flash
EBR
JTAG / SPI Port
FPGA Logic
Write From Flash to
EBR During Configuration /
Write From EBR to Flash
on User Command
Make Infinite Reads and
Writes to EBR
Write to Flash During
Programming
Q
SET
D
L
CLR
Output Data
Latches
Memory Core
Port A[17:0]
Q
SET
DPort B[17:0]
RSTB
GSRN
Pro
g
rammable Disable
RSTA
L
CLR

2-18
Architecture
LatticeXP2 Family Data Sheet
For further information on the sysMEM EBR block, please see TN1137, LatticeXP2 Memory Usage Guide.
EBR Asynchronous Reset
EBR asynchronous reset or GSR (if used) can only be applied if all clock enables are low for a clock cycle before the
reset is applied and released a clock cycle after the low-to-high transition of the reset signal, as shown in Figure 2-18.
The GSR input to the EBR is always asynchronous.
Figure 2-18. EBR Asynchronous Reset (Including GSR) Timing Diagram
If all clock enables remain enabled, the EBR asynchronous reset or GSR may only be applied and released after
the EBR read and write clock inputs are in a steady state condition for a minimum of 1/fMAX (EBR clock). The reset
release must adhere to the EBR synchronous reset setup time before the next active read or write clock edge.
If an EBR is pre-loaded during configuration, the GSR input must be disabled or the release of the GSR during
device Wake Up must occur before the release of the device I/Os becoming active.
These instructions apply to all EBR RAM and ROM implementations.
Note that there are no reset restrictions if the EBR synchronous reset is used and the EBR GSR input is disabled.
sysDSP™ Block
The LatticeXP2 family provides a sysDSP block making it ideally suited for low cost, high performance Digital Sig-
nal Processing (DSP) applications. Typical functions used in these applications include Bit Correlators, Fast Fourier
Transform (FFT) functions, Finite Impulse Response (FIR) Filter, Reed-Solomon Encoder/Decoder, Turbo Encoder/
Decoder and Convolutional Encoder/Decoder. These complex signal processing functions use similar building
blocks such as multiply-adders and multiply-accumulators.
sysDSP Block Approach Compare to General DSP
Conventional general-purpose DSP chips typically contain one to four (Multiply and Accumulate) MAC units with
fixed data-width multipliers; this leads to limited parallelism and limited throughput. Their throughput is increased by
higher clock speeds. The LatticeXP2 family, on the other hand, has many DSP blocks that support different data-
widths. This allows the designer to use highly parallel implementations of DSP functions. The designer can opti-
mize the DSP performance vs. area by choosing appropriate levels of parallelism. Figure 2-19 compares the fully
serial and the mixed parallel and serial implementations.
Reset
Clock
Clock
Enable

2-19
Architecture
LatticeXP2 Family Data Sheet
Figure 2-19. Comparison of General DSP and LatticeXP2 Approaches
sysDSP Block Capabilities
The sysDSP block in the LatticeXP2 family supports four functional elements in three 9, 18 and 36 data path
widths. The user selects a function element for a DSP block and then selects the width and type (signed/unsigned)
of its operands. The operands in the LatticeXP2 family sysDSP Blocks can be either signed or unsigned but not
mixed within a function element. Similarly, the operand widths cannot be mixed within a block. DSP elements can
be concatenated.
The resources in each sysDSP block can be configured to support the following four elements:
• MULT (Multiply)
• MAC (Multiply, Accumulate)
• MULTADDSUB (Multiply, Addition/Subtraction)
• MULTADDSUBSUM (Multiply, Addition/Subtraction, Accumulate)
The number of elements available in each block depends on the width selected from the three available options: x9,
x18, and x36. A number of these elements are concatenated for highly parallel implementations of DSP functions.
Table 2-6 shows the capabilities of the block.
Table 2-6. Maximum Number of Elements in a Block
Some options are available in four elements. The input register in all the elements can be directly loaded or can be
loaded as shift register from previous operand registers. By selecting ‘dynamic operation’ the following operations
are possible:
Width of Multiply x9 x18 x36
MULT 841
MAC 2 2 —
MULTADDSUB 4 2 —
MULTADDSUBSUM 2 1 —
Multiplier 0
x
Operand
A
Operand
B
x
Operand
A
Operand
B
x
Operand
A
Operand
B
Multiplier 1 Multiplier k
(k adds)
Output
m/k
loops
Single
Multiplier x
Operand
A
Accumulator
Operand
B
M loops
Function implemented in
General purpose DSP
Function implemented
in LatticeXP2
m/k
accumulate
++

2-20
Architecture
LatticeXP2 Family Data Sheet
• In the ‘Signed/Unsigned’ options the operands can be switched between signed and unsigned on every cycle.
• In the ‘Add/Sub’ option the Accumulator can be switched between addition and subtraction on every cycle.
• The loading of operands can switch between parallel and serial operations.
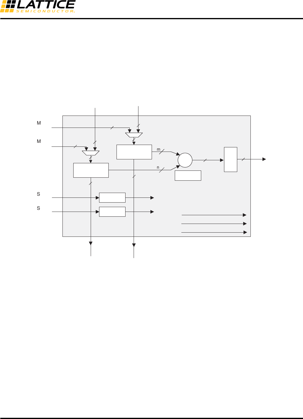
MULT sysDSP Element
This multiplier element implements a multiply with no addition or accumulator nodes. The two operands, A and B,
are multiplied and the result is available at the output. The user can enable the input/output and pipeline registers.
Figure 2-20 shows the MULT sysDSP element.
Figure 2-20. MULT sysDSP Element
Multiplier
x
n
m
m
n
m
n
m
n
n
m
m+n
m+n
(default)
CLK (CLK0,CLK1,CLK2,CLK3)
CE (CE0,CE1,CE2,CE3)
RST(RST0,RST1,RST2,RST3)
Pipeline
Register
Input
Register
Multiplier
Multiplicand
Signed A
Shift Register A InShift Register B In
Shift Register A OutShift Register B Out
Output
Input Data
Register A
Input Data
Register B
Output
Register
To
Multiplier
Input
Register
Signed B To
Multiplier

2-21
Architecture
LatticeXP2 Family Data Sheet
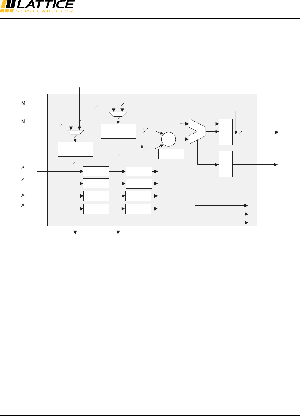
MAC sysDSP Element
In this case, the two operands, A and B, are multiplied and the result is added with the previous accumulated value.
This accumulated value is available at the output. The user can enable the input and pipeline registers but the out-
put register is always enabled. The output register is used to store the accumulated value. The Accumulators in the
DSP blocks in LatticeXP2 family can be initialized dynamically. A registered overflow signal is also available. The
overflow conditions are provided later in this document. Figure 2-21 shows the MAC sysDSP element.
Figure 2-21. MAC sysDSP
Multiplier
x
Input Data
Register A
n
m
Input Data
Register B
m
n
n
n
m
n
n
m
Output
Register
Output
Register
Accumulator
Multiplier
Multiplicand
Signed A
Serial Register B in Serial Register A in
SROB SROA
Output
Addn
Accumsload
Pipeline
CLK (CLK0,CLK1,CLK2,CLK3)
CE (CE0,CE1,CE2,CE3)
RST(RST0,RST1,RST2,RST3)
Input
Pipeline
Register
Input
Register
Pipeline
Register
Input
Register
Pipeline
Register
To Accumulator
Signed B Pipeline
Input To Accumulator
To Accumulator
To Accumulator
Overflow
signal
m+n
(default)
m+n+16
(default)
m+n+16
(default)
Preload
Register
Register
Register
Register

2-22
Architecture
LatticeXP2 Family Data Sheet
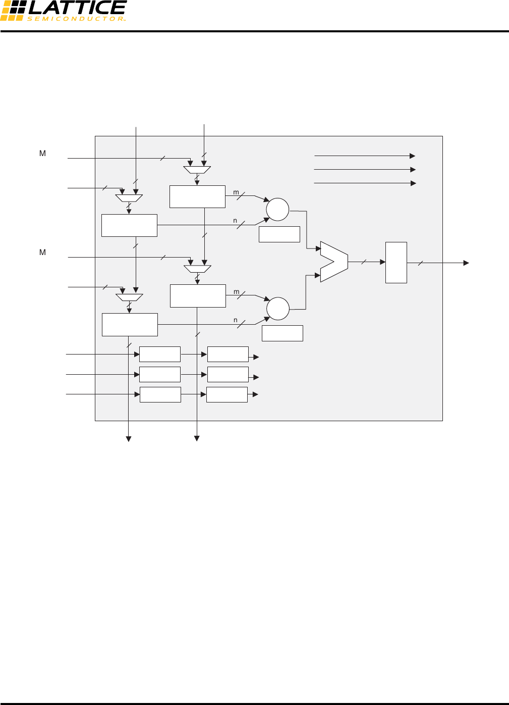
MULTADDSUB sysDSP Element
In this case, the operands A0 and B0 are multiplied and the result is added/subtracted with the result of the multi-
plier operation of operands A1 and B1. The user can enable the input, output and pipeline registers. Figure 2-22
shows the MULTADDSUB sysDSP element.
Figure 2-22. MULTADDSUB
Multiplier
Multiplier
Add/Sub
Pipe
Reg
Pipe
Reg
n
m
m
n
m
n
m
n
n
m
m+n
(default)
m+n+1
(default)
m+n+1
(default)
m+n
(default)
x
x
n
m
m
n
m
n
n
m
Multiplier B0
Multiplicand A0
Multiplier B1
Multiplicand A1
Signed A
Shift Register A InShift Register B In
Shift Register A OutShift Register B Out
Output
Addn
Pipeline
Register
CLK (CLK0,CLK1,CLK2,CLK3)
CE (CE0,CE1,CE2,CE3)
RST (RST0,RST1,RST2,RST3)
Input
Register
Pipeline
Register
Input
Register
Pipeline
Register
Pipeline
Register
Pipe
Reg
Signed B Pipeline
Register
Input
Register
Input Data
Register A
Input Data
Register A
Input Data
Register B
Input Data
Register B
Output
Register
To Add/Sub
To Add/Sub
To Add/Sub

2-23
Architecture
LatticeXP2 Family Data Sheet
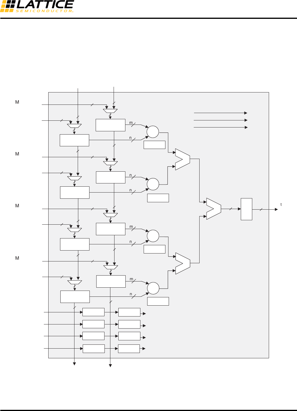
MULTADDSUBSUM sysDSP Element
In this case, the operands A0 and B0 are multiplied and the result is added/subtracted with the result of the multi-
plier operation of operands A1 and B1. Additionally the operands A2 and B2 are multiplied and the result is added/
subtracted with the result of the multiplier operation of operands A3 and B3. The result of both addition/subtraction
are added in a summation block. The user can enable the input, output and pipeline registers. Figure 2-23 shows
the MULTADDSUBSUM sysDSP element.
Figure 2-23. MULTADDSUBSUM
Clock, Clock Enable and Reset Resources
Global Clock, Clock Enable (CE) and Reset (RST) signals from routing are available to every DSP block. From four
clock sources (CLK0, CLK1, CLK2, CLK3) one clock is selected for each input register, pipeline register and output
Multiplier
Add/Sub0
x
n
mm+n
(default)
m+n
(default)
m+n+1
m+n+2 m+n+2
m+n+1
m+n
(default)
m+n
(default)
m
n
m
n
m
n
n
m
x
n
n
m
n
n
m
Multiplier
Multiplier
Multiplier
Add/Sub1
x
n
m
m
n
m
n
m
n
n
m
x
n
m
m
n
m
n
n
m
SUM
Multiplier B0
Multiplicand A0
Multiplier B1
Multiplicand A1
Multiplier B2
Multiplicand A2
Multiplier B3
Multiplicand A3
Signed A
Shift Register B In
Output
Addn0
Pipeline
Register
CLK (CLK0,CLK1,CLK2,CLK3)
CE (CE0,CE1,CE2,CE3)
RST(RST0,RST1,RST2,RST3)
Input
Register
Pipeline
Register
Input
Register
To Add/Sub0
To Add/Sub0, Add/Sub1
Pipeline
Register
Signed B Pipeline
Register
Input
Register To Add/Sub0, Add/Sub1
Pipeline
Register
Input
Register
To Add/Sub1
Addn1
Pipeline
Register
Pipeline
Register
Pipeline
Register
Shift Register A In
Shift Register B Out Shift Register A Out
Input Data
Register A
Input Data
Register A
Input Data
Register A
Input Data
Register A
Input Data
Register B
Input Data
Register B
Input Data
Register B
Input Data
Register B
Output
Register

2-24
Architecture
LatticeXP2 Family Data Sheet
register. Similarly, CE and RST are selected from their four respective sources (CE0, CE1, CE2, CE3 and RST0,
RST1, RST2, RST3) at each input register, pipeline register and output register.
Signed and Unsigned with Different Widths
The DSP block supports other widths, in addition to x9, x18 and x36 widths, of signed and unsigned multipliers. For
unsigned operands, unused upper data bits should be filled to create a valid x9, x18 or x36 operand. For signed
two’s complement operands, sign extension of the most significant bit should be performed until x9, x18 or x36
width is reached. Table 2-7 provides an example of this.
Table 2-7. Sign Extension Example
OVERFLOW Flag from MAC
The sysDSP block provides an overflow output to indicate that the accumulator has overflowed. “Roll-over” occurs
and an overflow signal is indicated when any of the following is true: two unsigned numbers are added and the
result is a smaller number than the accumulator, two positive numbers are added with a negative sum or two nega-
tive numbers are added with a positive sum. Note that when overflow occurs the overflow flag is present for only
one cycle. By counting these overflow pulses in FPGA logic, larger accumulators can be constructed. The condi-
tions for the overflow signal for signed and unsigned operands are listed in Figure 2-24.
Figure 2-24. Accumulator Overflow/Underflow
Number Unsigned
Unsigned
9-bit
Unsigned
18-bit Signed
Two’s Complement
Signed 9 Bits
Two’s Complement
Signed 18 Bits
+5 0101 000000101 000000000000000101 0101 000000101 000000000000000101
-6 N/A N/A N/A 1010 111111010 111111111111111010
000000000
000000001
000000010
000000011
111111101
111111110
111111111
Overflow signal is generated
for one cycle when this
boundary is crossed
0
+1
+2
+3
-3
-2
-1
Unsigned Operation
Signed Operation
255
254
253
252
-254
-255
-256
000000000
000000001
000000010
000000011
111111101
111111110
111111111
Carry signal is generated for
one cycle when this
boundary is crossed
0
1
2
3
509
510
511
255
254
253
252
258
257
256
011111100
011111101
011111110
011111111
100000000
100000001
100000010
011111100
011111101
011111110
011111111
100000000
100000001
100000010

2-25
Architecture
LatticeXP2 Family Data Sheet
IPexpress™
The user can access the sysDSP block via the Lattice IPexpress tool, which provides the option to configure each
DSP module (or group of modules), or by direct HDL instantiation. In addition, Lattice has partnered with The Math-
Works® to support instantiation in the Simulink® tool, a graphical simulation environment. Simulink works with Dia-
mond to dramatically shorten the DSP design cycle in Lattice FPGAs.
Optimized DSP Functions
Lattice provides a library of optimized DSP IP functions. Some of the IP cores planned for the LatticeXP2 DSP
include the Bit Correlator, FFT functions, FIR Filter, Reed-Solomon Encoder/Decoder, Turbo Encoder/Decoder and
Convolutional Encoder/Decoder. Please contact Lattice to obtain the latest list of available DSP IP cores.
Resources Available in the LatticeXP2 Family
Table 2-8 shows the maximum number of multipliers for each member of the LatticeXP2 family. Table 2-9 shows the
maximum available EBR RAM Blocks and Serial TAG Memory bits in each LatticeXP2 device. EBR blocks,
together with Distributed RAM can be used to store variables locally for fast DSP operations.
Table 2-8. Maximum Number of DSP Blocks in the LatticeXP2 Family
Table 2-9. Embedded SRAM/TAG Memory in the LatticeXP2 Family
LatticeXP2 DSP Performance
Table 2-10 lists the maximum performance in Millions of MAC (MMAC) operations per second for each member of
the LatticeXP2 family.
Table 2-10. DSP Performance
For further information on the sysDSP block, please see TN1140, LatticeXP2 sysDSP Usage Guide.
Device DSP Block 9x9 Multiplier 18x18 Multiplier 36x36 Multiplier
XP2-5 3 24 12 3
XP2-8 4 32 16 4
XP2-17 5 40 20 5
XP2-30 7 56 28 7
XP2-40 8 64 32 8
Device EBR SRAM Block
Total EBR SRAM
(Kbits)
TAG Memor y
(Bits)
XP2-5 9 166 632
XP2-8 12 221 768
XP2-17 15 276 2184
XP2-30 21 387 2640
XP2-40 48 885 3384
Device DSP Block
DSP Performance
MMAC
XP2-5 3 3,900
XP2-8 4 5,200
XP2-17 5 6,500
XP2-30 7 9,100
XP2-40 8 10,400

2-26
Architecture
LatticeXP2 Family Data Sheet
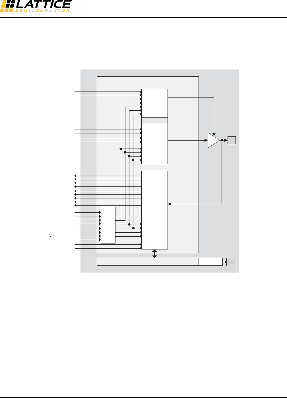
Programmable I/O Cells (PIC)
Each PIC contains two PIOs connected to their respective sysIO buffers as shown in Figure 2-25. The PIO Block
supplies the output data (DO) and the tri-state control signal (TO) to the sysIO buffer and receives input from the
buffer. Table 2-11 provides the PIO signal list.
Figure 2-25. PIC Diagram
Two adjacent PIOs can be joined to provide a differential I/O pair (labeled as “T” and “C”) as shown in Figure 2-25.
The PAD Labels “T” and “C” distinguish the two PIOs. Approximately 50% of the PIO pairs on the left and right
edges of the device can be configured as true LVDS outputs. All I/O pairs can operate as inputs.
OPOS1
ONEG1
TD
INCK
2
INDD
INFF
IPOS0
IPOS1
CLK
CE
LSR
GSRN
CLK1
CLK0
CEO
CEI
sysIO
Buffer
PADA
“T”
PADB
“C”
LSR
GSR
ECLK1
DDRCLKPOL
1
1. Signals are available on left/right/bottom edges only.
2. Selected blocks.
IOLD0
DI
Tristate
Register
Block
Output
Register
Block
Input
Register
Block
Control
Muxes
PIOB
PIOA
OPOS0
OPOS2
1
ONEG0
ONEG2
1
DQSXFER
1
DQS
DEL
QPOS1
1
QNEG1
1
QNEG0
1
QPOS0
1
IOLT0
ECLK2

2-27
Architecture
LatticeXP2 Family Data Sheet
Table 2-11. PIO Signal List
PIO
The PIO contains four blocks: an input register block, output register block, tristate register block and a control logic
block. These blocks contain registers for operating in a variety of modes along with necessary clock and selection
logic.
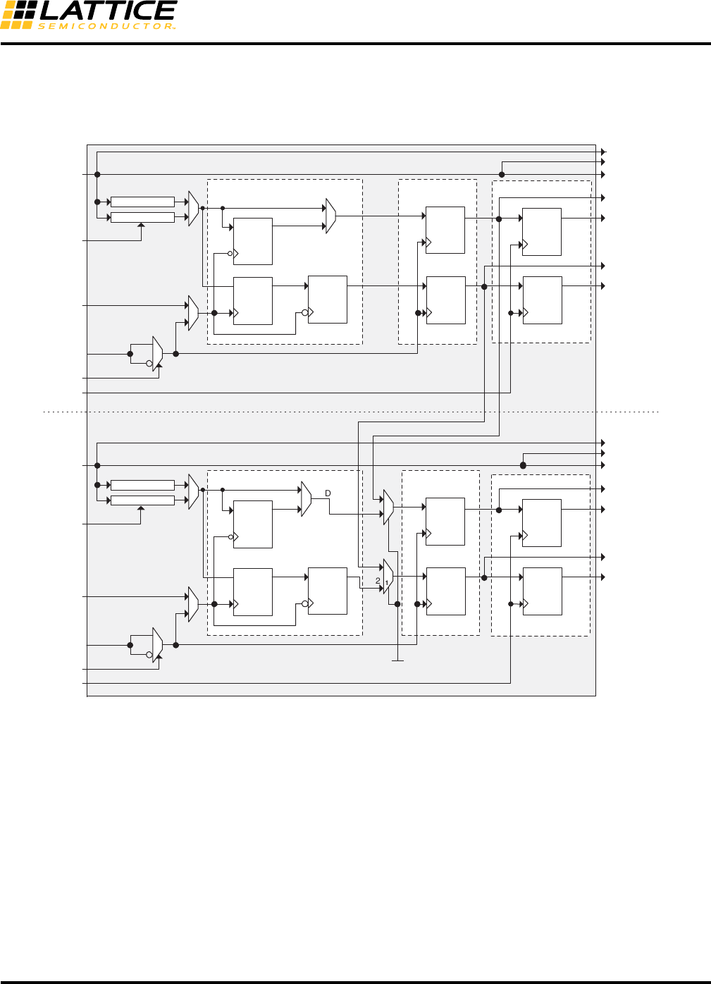
Input Register Block
The input register blocks for PIOs contain delay elements and registers that can be used to condition high-speed
interface signals, such as DDR memory interfaces and source synchronous interfaces, before they are passed to
the device core. Figure 2-26 shows the diagram of the input register block.
Input signals are fed from the sysIO buffer to the input register block (as signal DI). If desired, the input signal can
bypass the register and delay elements and be used directly as a combinatorial signal (INDD), a clock (INCK) and,
in selected blocks, the input to the DQS delay block. If an input delay is desired, designers can select either a fixed
delay or a dynamic delay DEL[3:0]. The delay, if selected, reduces input register hold time requirements when
using a global clock.
The input block allows three modes of operation. In the Single Data Rate (SDR) mode, the data is registered, by
one of the registers in the SDR Sync register block, with the system clock. In DDR mode two registers are used to
sample the data on the positive and negative edges of the DQS signal which creates two data streams, D0 and D2.
D0 and D2 are synchronized with the system clock before entering the core. Further information on this topic can
be found in the DDR Memory Support section of this data sheet.
By combining input blocks of the complementary PIOs and sharing registers from output blocks, a gearbox function
can be implemented, that takes a double data rate signal applied to PIOA and converts it as four data streams,
IPOS0A, IPOS1A, IPOS0B and IPOS1B. Figure 2-26 shows the diagram using this gearbox function. For more
information on this topic, please see TN1138, LatticeXP2 High Speed I/O Interface.
Name Type Description
CE Control from the core Clock enables for input and output block flip-flops
CLK Control from the core System clocks for input and output blocks
ECLK1, ECLK2 Control from the core Fast edge clocks
LSR Control from the core Local Set/Reset
GSRN Control from routing Global Set/Reset (active low)
INCK2 Input to the core Input to Primary Clock Network or PLL reference inputs
DQS Input to PIO DQS signal from logic (routing) to PIO
INDD Input to the core Unregistered data input to core
INFF Input to the core Registered input on positive edge of the clock (CLK0)
IPOS0, IPOS1 Input to the core Double data rate registered inputs to the core
QPOS01, QPOS11 Input to the core Gearbox pipelined inputs to the core
QNEG01, QNEG11Input to the core Gearbox pipelined inputs to the core
OPOS0, ONEG0,
OPOS2, ONEG2 Output data from the core Output signals from the core for SDR and DDR operation
OPOS1 ONEG1 Tristate control from the core Signals to Tristate Register block for DDR operation
DEL[3:0] Control from the core Dynamic input delay control bits
TD Tristate control from the core Tristate signal from the core used in SDR operation
DDRCLKPOL Control from clock polarity bus Controls the polarity of the clock (CLK0) that feed the DDR input block
DQSXFER Control from core Controls signal to the Output block
1. Signals available on left/right/bottom only.
2. Selected I/O.

2-28
Architecture
LatticeXP2 Family Data Sheet
The signal DDRCLKPOL controls the polarity of the clock used in the synchronization registers. It ensures ade-
quate timing when data is transferred from the DQS to system clock domain. For further discussion on this topic,
see the DDR Memory section of this data sheet.
Figure 2-26. Input Register Block
Output Register Block
The output register block provides the ability to register signals from the core of the device before they are passed
to the sysIO buffers. The blocks on the PIOs on the left, right and bottom contain registers for SDR operation that
are combined with an additional latch for DDR operation. Figure 2-27 shows the diagram of the Output Register
Block for PIOs.
In SDR mode, ONEG0 feeds one of the flip-flops that then feeds the output. The flip-flop can be configured as a D-
type or latch. In DDR mode, ONEG0 and OPOS0 are fed into registers on the positive edge of the clock. At the next
clock cycle the registered OPOS0 is latched. A multiplexer running off the same clock cycle selects the correct reg-
ister to feed the output (D0).
By combining output blocks of the complementary PIOs and sharing some registers from input blocks, a gearbox
function can be implemented, to take four data streams ONEG0A, ONEG1A, ONEG1B and ONEG1B. Figure 2-27
Clock Transfer Registers
Clock Transfer Registers
SDR & Sync
Registers
D1
D2
D0
DDR Registers
DQ
D-Type
DQ
D-Type
DQ
D-Type
DQ
D-Type
/LATCH
DQ
D-Type
0
1DQ
DQ
0
1
Fixed Delay
Dynamic Delay
DI
(From sysIO
Buffer)
DI
(From sysIO
Buffer)
INCK2
INDD
IPOS0A
QPOS0A
IPOS1A
QPOS1A
DEL [3:0]
CLK0 (of PIO A)
Delayed
DQS 0
1
CLKA
DQ
DQ
DQ
0
1
0
1DQ
DQ
0
1DQ
DQ
0
1
Fixed Delay
Dynamic Delay
INCK2
INDD
IPOS0B
QPOS0B
IPOS1B
QPOS1B
DEL [3:0]
CLK0 (of PIO B)
Delayed
DQS
CLKB
/LATCH
True PIO (A) in LVDS I/O Pair
Comp PIO (B) in LVDS I/O Pair
D-Type1
D-Type1
D-Type
/LATCH
D-Type
/LATCH
D-Type1
D-Type1
From
Routing
To
Routing
D1 D2
D0
DDR Registers SDR & Sync
Registers
0
1
DDRSRC
Gearbox Configuration Bit
DDRCLKPOL
DDRCLKPOL
1. Shared with output register
2. Selected PIO.
Note: Simplified version does not
show CE and SET/RESET details
From
Routing
To
Routing
To DQS Delay Block2
To DQS Delay Block2
D-TypeD-Type
D-Type

2-29
Architecture
LatticeXP2 Family Data Sheet
shows the diagram using this gearbox function. For more information on this topic, see TN1138, LatticeXP2 High
Speed I/O Interface.
Figure 2-27. Output and Tristate Block
Clock Transfer
Registers
ONEG1
CLKA
TO
OPOS1
From Routing
TD
DQ
DQDQ
0
1
0
1
0
1
DQ
DQDQ
0
1
0
1
DQ
D-Type
*
DQ
Latch
DQ
0
1
0
1
0
1
0
1
ONEG0
OPOS0
DO
Programmable
Control
Programmable
Control
0
1
ECLK1
ECLK2
CLK1
Tristate Logic
Tristate Logic
Output Logic
True PIO (A) in LVDS I/O Pair
To sysIO Buffer
ONEG1
CLKB
TO
OPOS1
From Routing
TD
DQ
DQ
DQ
0
1
0
1
0
1
DQ
D-Type
/LATCH
D-Type
/LATCH
D-Type
/LATCH
D-Type
/LATCH
DQDQ
0
1
0
1
DQ
DQ
Latch D-Type
D-Type Latch
Latch
D-Type Latch
D-Type Latch
DQ
ONEG0
OPOS0
DO
ECLK1
ECLK2
CLK1
Output Logic
To sysIO Buffer
Comp PIO (B) in LVDS I/O Pair
(CLKB)
(CLKA)
D-Type
*
D-Type*
D-Type*
Clock Transfer
Registers
DDR Output
Registers
DDR Output
Registers
* Shared with input register Note: Simplified version does not show CE and SET/RESET details
0
1
DQSXFER
DQSXFER
0
10
1

2-30
Architecture
LatticeXP2 Family Data Sheet
Tristate Register Block
The tristate register block provides the ability to register tri-state control signals from the core of the device before
they are passed to the sysIO buffers. The block contains a register for SDR operation and an additional latch for
DDR operation. Figure 2-27 shows the Tristate Register Block with the Output Block
In SDR mode, ONEG1 feeds one of the flip-flops that then feeds the output. The flip-flop can be configured as D-
type or latch. In DDR mode, ONEG1 and OPOS1 are fed into registers on the positive edge of the clock. Then in
the next clock the registered OPOS1 is latched. A multiplexer running off the same clock cycle selects the correct
register for feeding to the output (D0).
Control Logic Block
The control logic block allows the selection and modification of control signals for use in the PIO block. A clock sig-
nal is selected from general purpose routing, ECLK1, ECLK2 or a DQS signal (from the programmable DQS pin)
and is provided to the input register block. The clock can optionally be inverted.
DDR Memory Support
PICs have additional circuitry to allow implementation of high speed source synchronous and DDR memory inter-
faces.
PICs have registered elements that support DDR memory interfaces. Interfaces on the left and right edges are
designed for DDR memories that support 16 bits of data, whereas interfaces on the top and bottom are designed
for memories that support 18 bits of data. One of every 16 PIOs on the left and right and one of every 18 PIOs on
the top and bottom contain delay elements to facilitate the generation of DQS signals. The DQS signals feed the
DQS buses which span the set of 16 or 18 PIOs. Figure 2-28 and Figure 2-29 show the DQS pin assignments in
each set of PIOs.
The exact DQS pins are shown in a dual function in the Logic Signal Connections table in this data sheet. Addi-
tional detail is provided in the Signal Descriptions table. The DQS signal from the bus is used to strobe the DDR
data from the memory into input register blocks. For additional information on using DDR memory support please
see TN1138, LatticeXP2 High Speed I/O Interface.

2-31
Architecture
LatticeXP2 Family Data Sheet
Figure 2-28. DQS Input Routing (Left and Right)
Figure 2-29. DQS Input Routing (Top and Bottom)
PIO B
PIO A
PIO B
PIO A
Assigned
DQS Pin
DQS
Delay
sysIO
Buffer PADA "T"
PADB "C"
LVDS Pair
PADA "T"
PADB "C"
LVDS Pair
PIO A
PIO B
PA DA " T "
PADB "C"
LVDS Pair
PIO A
PIO B
PA DA " T "
PADB "C"
LVDS Pair
PIO A
PIO B
PADA "T"
PADB "C"
LVDS Pair
PIO A
PIO B
PADA "T"
PADB "C"
LVDS Pair
PIO A
PIO B
PADA "T"
PADB "C"
LVDS Pair
PIO A
PIO B
PA DA " T "
PADB "C"
LVDS Pair
PIO B
PIO A
PIO B
PIO A
Assigned
DQS Pin
DQS
Delay
sysIO
Buffer PADA " T"
PADB "C"
LVDS Pair
PA DA "T "
PADB "C"
LVDS Pair
PIO A
PIO B
PA DA "T "
PADB "C"
LVDS Pair
PIO A
PIO B
PA DA "T "
PADB "C"
LVDS Pair
PIO A
PIO B
PA DA "T "
PADB "C"
LVDS Pair
PIO A
PIO B
PA DA "T "
PADB "C"
LVDS Pair
PIO A
PIO B
PA DA "T "
PADB "C"
LVDS Pair
PIO B
PIO A
PA DA "T "
PADB "C"
LVDS Pair
PIO A
PIO B
PA DA "T "
PADB "C"
LVDS Pair

2-32
Architecture
LatticeXP2 Family Data Sheet
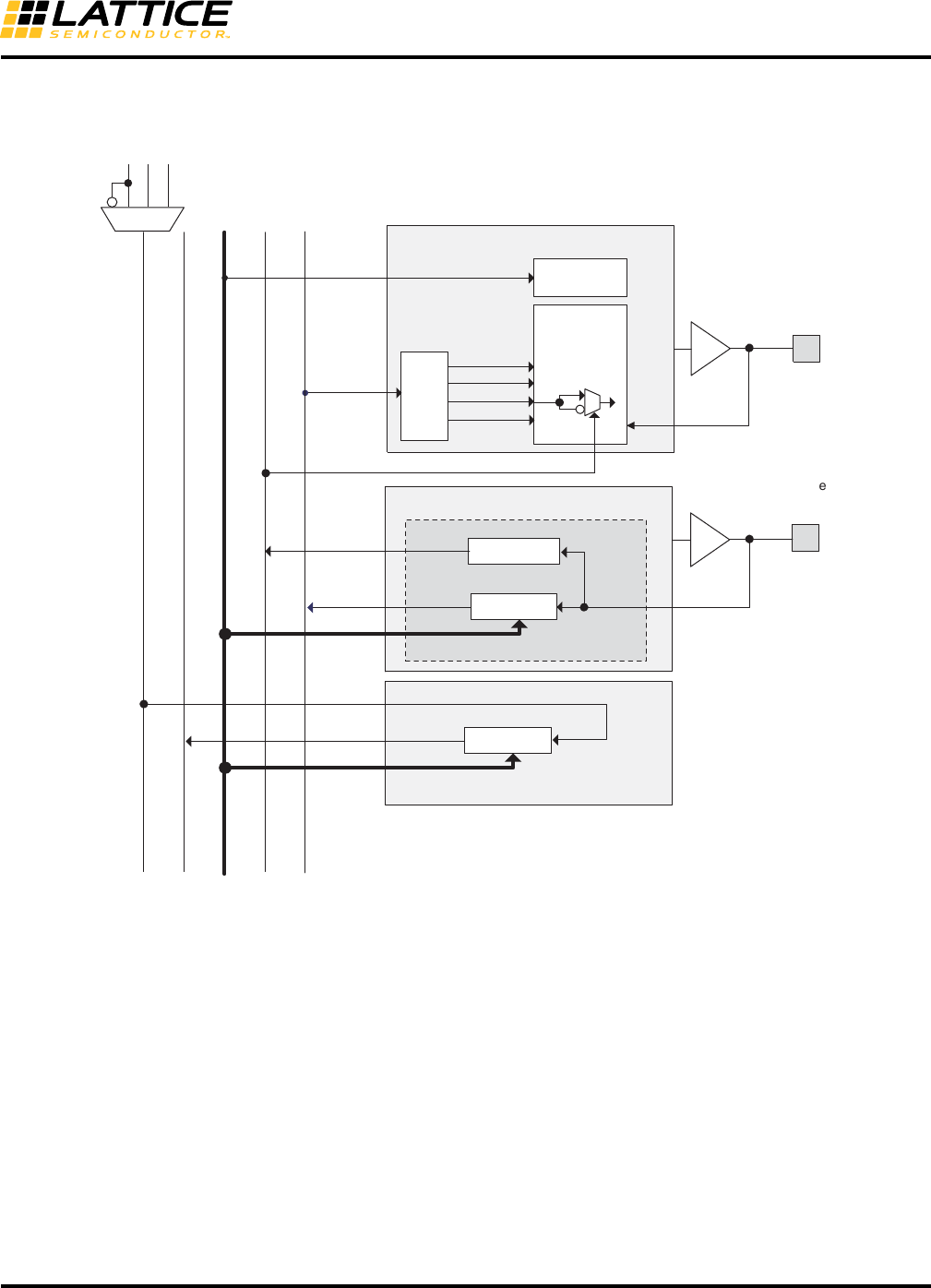
DLL Calibrated DQS Delay Block
Source synchronous interfaces generally require the input clock to be adjusted in order to correctly capture data at
the input register. For most interfaces a PLL is used for this adjustment. However, in DDR memories the clock,
referred to as DQS, is not free-running, and this approach cannot be used. The DQS Delay block provides the
required clock alignment for DDR memory interfaces.
The DQS signal (selected PIOs only, as shown in Figure 2-30) feeds from the PAD through a DQS delay element to
a dedicated DQS routing resource. The DQS signal also feeds polarity control logic which controls the polarity of
the clock to the sync registers in the input register blocks. Figure 2-30 and Figure 2-31 show how the DQS transi-
tion signals are routed to the PIOs.
The temperature, voltage and process variations of the DQS delay block are compensated by a set of 6-bit bus cal-
ibration signals from two dedicated DLLs (DDR_DLL) on opposite sides of the device. Each DLL compensates
DQS delays in its half of the device as shown in Figure 2-30. The DLL loop is compensated for temperature, volt-
age and process variations by the system clock and feedback loop.
Figure 2-30. Edge Clock, DLL Calibration and DQS Local Bus Distribution
I/O Bank 5
I/O Bank 6 I/O Bank 7
I/O Bank 2 I/O Bank 3
I/O Bank 4
I/O Bank 0 I/O Bank 1
DDR_DLL
(Right)
DDR_DLL
(Left)
ECLK1
ECLK2
Delayed
DQS
Polarity Control
DQSXFER
DQS Delay
Control Bus
DQS Input
Spans 18 PIOs
Top & Bottom
Sides
Spans 16 PIOs
Left & Right Sides

2-33
Architecture
LatticeXP2 Family Data Sheet
Figure 2-31. DQS Local Bus
Polarity Control Logic
In a typical DDR memory interface design, the phase relationship between the incoming delayed DQS strobe and
the internal system clock (during the READ cycle) is unknown. The LatticeXP2 family contains dedicated circuits to
transfer data between these domains. To prevent set-up and hold violations, at the domain transfer between DQS
(delayed) and the system clock, a clock polarity selector is used. This changes the edge on which the data is regis-
tered in the synchronizing registers in the input register block and requires evaluation at the start of each READ
cycle for the correct clock polarity.
Prior to the READ operation in DDR memories, DQS is in tristate (pulled by termination). The DDR memory device
drives DQS low at the start of the preamble state. A dedicated circuit detects this transition. This signal is used to
control the polarity of the clock to the synchronizing registers.
sysIO
Buffer
DDR
Datain
PAD
DI
CLK1
CEI
PIO
sysIO
Buffer
GSR
DQS
To Sync
Reg.
DQS To DDR
Reg.
DQS
Strobe
PAD
PIO
DQSDEL
Polarity Control
Logic
DQS
Calibration bus
from DLL
DQSXFER
Output
Register Block
Input
Register Block
DQSXFER
DCNTL[6:0]
Polarity control
DQS
DI
DQSXFERDEL*
DQSXFER
DCNTL[6:0]
*DQSXFERDEL shifts ECLK1 by 90% and is not associated with a particular PIO.
DCNTL[6:0]
ECLK1
CLK1
ECLK2
ECLK1

2-34
Architecture
LatticeXP2 Family Data Sheet
DQSXFER
LatticeXP2 devices provide a DQSXFER signal to the output buffer to assist it in data transfer to DDR memories
that require DQS strobe be shifted 90o. This shifted DQS strobe is generated by the DQSDEL block. The
DQSXFER signal runs the span of the data bus.
sysIO Buffer
Each I/O is associated with a flexible buffer referred to as a sysIO buffer. These buffers are arranged around the
periphery of the device in groups referred to as banks. The sysIO buffers allow users to implement the wide variety
of standards that are found in today’s systems including LVCMOS, SSTL, HSTL, LVDS and LVPECL.
sysIO Buffer Banks
LatticeXP2 devices have eight sysIO buffer banks for user I/Os arranged two per side. Each bank is capable of sup-
porting multiple I/O standards. Each sysIO bank has its own I/O supply voltage (VCCIO). In addition, each bank has
voltage references, VREF1 and VREF2, that allow it to be completely independent from the others. Figure 2-32
shows the eight banks and their associated supplies.
In LatticeXP2 devices, single-ended output buffers and ratioed input buffers (LVTTL, LVCMOS and PCI) are pow-
ered using VCCIO. LVTTL, LVCMOS33, LVCMOS25 and LVCMOS12 can also be set as fixed threshold inputs inde-
pendent of VCCIO.
Each bank can support up to two separate VREF voltages, VREF1 and VREF2, that set the threshold for the refer-
enced input buffers. Some dedicated I/O pins in a bank can be configured to be a reference voltage supply pin.
Each I/O is individually configurable based on the bank’s supply and reference voltages.
Figure 2-32. LatticeXP2 Banks
VREF1(2)
GND
Bank 2
VCCIO2
VREF2(2)
VREF1(3)
GND
Bank 3
VCCIO3
VREF2(3)
VREF1(7)
GND
Bank 7
VCCIO7
VREF2(7)
VREF1(6)
GND
Bank 6
VCCIO6
VREF2(6)
Bank 5 Bank 4
VREF1(0)
GND
Bank 0
VCCIO0
VREF2(0)
VREF1(1)
GND
Bank 1
VCCIO1
VREF2(1)
LEFT
RIGHT
TOP
VREF1(5)
GND
VCCIO5
VREF2(5)
VREF1(4)
GND
VCCIO4
VREF2(4)
BOTTOM

2-35
Architecture
LatticeXP2 Family Data Sheet
LatticeXP2 devices contain two types of sysIO buffer pairs.
1. Top and Bottom (Banks 0, 1, 4 and 5) sysIO Buffer Pairs (Single-Ended Outputs Only)
The sysIO buffer pairs in the top banks of the device consist of two single-ended output drivers and two sets of
single-ended input buffers (both ratioed and referenced). One of the referenced input buffers can also be con-
figured as a differential input.
The two pads in the pair are described as “true” and “comp”, where the true pad is associated with the positive
side of the differential input buffer and the comp (complementary) pad is associated with the negative side of
the differential input buffer.
Only the I/Os on the top and bottom banks have programmable PCI clamps.
2. Left and Right (Banks 2, 3, 6 and 7) sysIO Buffer Pairs (50% Differential and 100% Single-Ended Outputs)
The sysIO buffer pairs in the left and right banks of the device consist of two single-ended output drivers, two
sets of single-ended input buffers (both ratioed and referenced) and one differential output driver. One of the ref-
erenced input buffers can also be configured as a differential input.
The two pads in the pair are described as “true” and “comp”, where the true pad is associated with the positive
side of the differential I/O, and the comp pad is associated with the negative side of the differential I/O.
LVDS differential output drivers are available on 50% of the buffer pairs on the left and right banks.
Typical sysIO I/O Behavior During Power-up
The internal power-on-reset (POR) signal is deactivated when VCC, VCCCONFIG (VCCIO7) and VCCAUX have reached
satisfactory levels. After the POR signal is deactivated, the FPGA core logic becomes active. It is the user’s respon-
sibility to ensure that all other VCCIO banks are active with valid input logic levels to properly control the output logic
states of all the I/O banks that are critical to the application. During power up and before the FPGA core logic
becomes active, all user I/Os will be high-impedance with weak pull-up. Please refer to TN1136, LatticeXP2 sysIO
Usage Guide for additional information.
The VCC and VCCAUX supply the power to the FPGA core fabric, whereas the VCCIO supplies power to the I/O buf-
fers. In order to simplify system design while providing consistent and predictable I/O behavior, it is recommended
that the I/O buffers be powered-up prior to the FPGA core fabric. VCCIO supplies should be powered-up before or
together with the VCC and VCCAUX supplies.
Supported sysIO Standards
The LatticeXP2 sysIO buffer supports both single-ended and differential standards. Single-ended standards can be
further subdivided into LVCMOS, LVTTL and other standards. The buffers support the LVTTL, LVCMOS 1.2V, 1.5V,
1.8V, 2.5V and 3.3V standards. In the LVCMOS and LVTTL modes, the buffer has individual configuration options
for drive strength, bus maintenance (weak pull-up, weak pull-down, or a bus-keeper latch) and open drain. Other
single-ended standards supported include SSTL and HSTL. Differential standards supported include LVDS,
MLVDS, BLVDS, LVPECL, RSDS, differential SSTL and differential HSTL. Tables 2-12 and 2-13 show the I/O stan-
dards (together with their supply and reference voltages) supported by LatticeXP2 devices. For further information
on utilizing the sysIO buffer to support a variety of standards please see TN1136, LatticeXP2 sysIO Usage Guide.

2-36
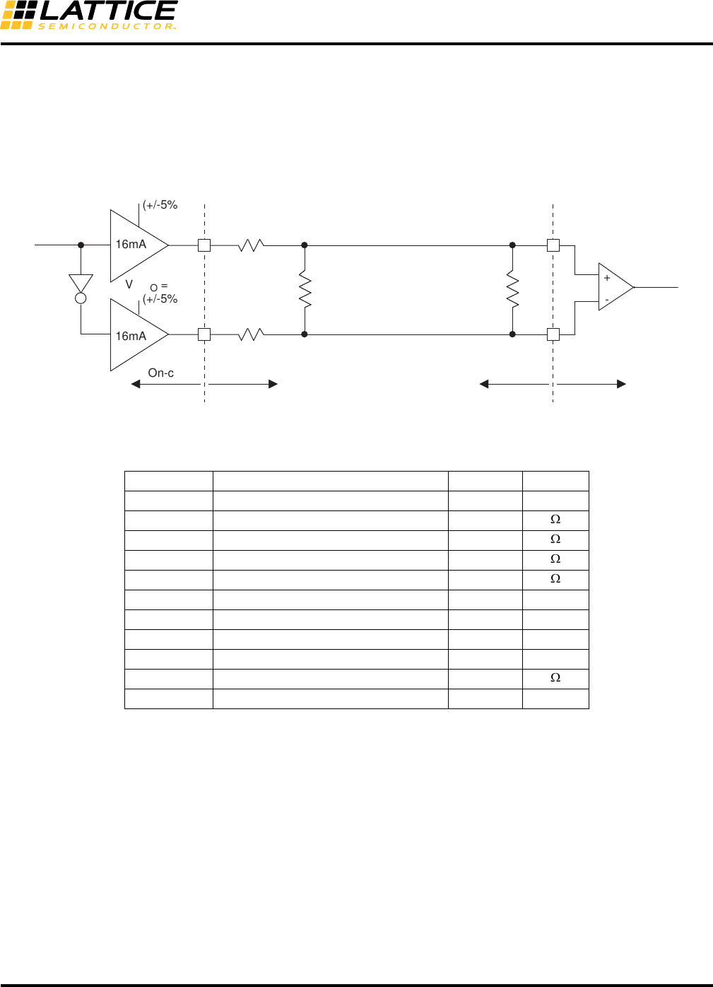
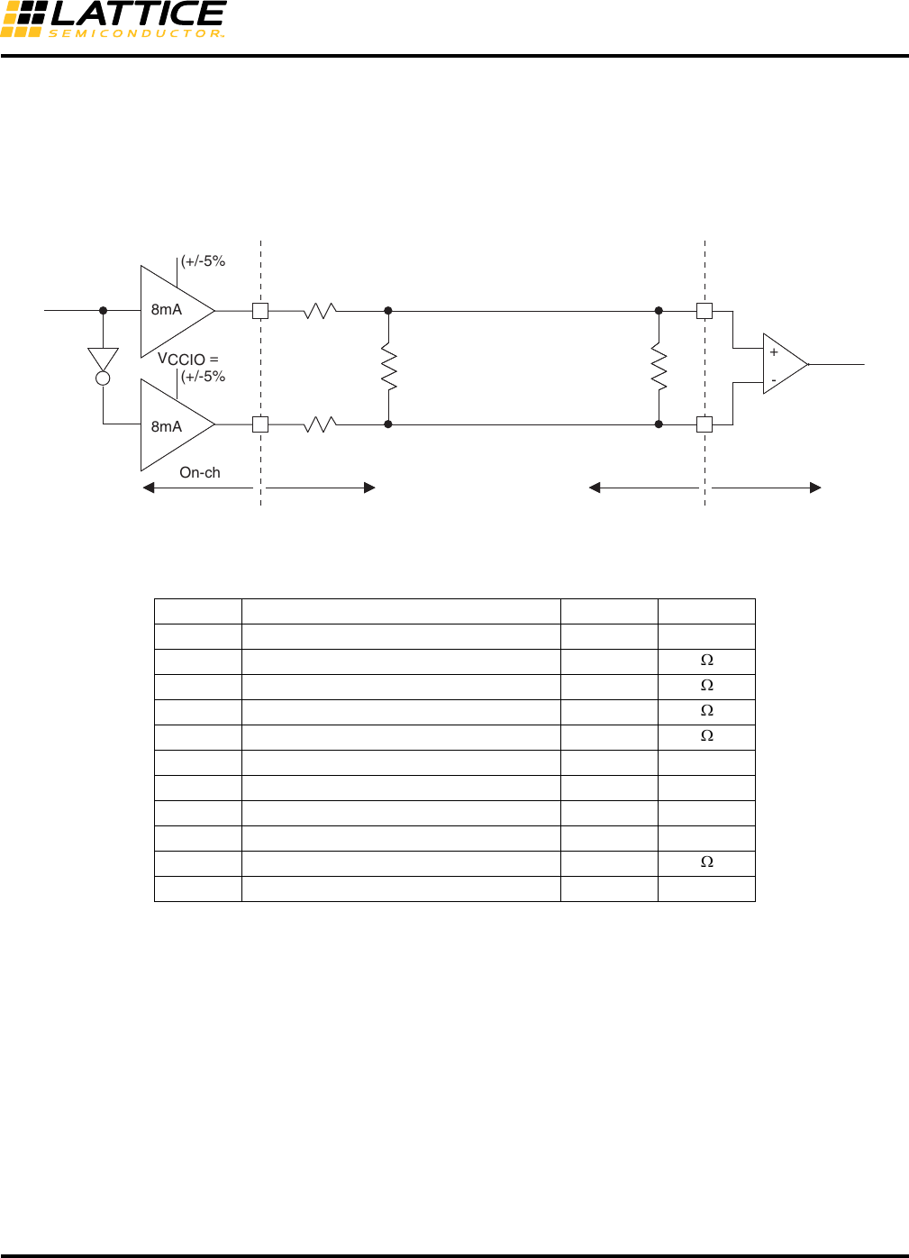
Architecture
LatticeXP2 Family Data Sheet
Table 2-12. Supported Input Standards
Input Standard VREF (Nom.) VCCIO1 (Nom.)
Single Ended Interfaces
LVTT L — —
LVCM O S3 3 — —
LVCM O S2 5 — —
LVCM O S1 8 — 1.8
LVCM O S1 5 — 1.5
LVCM O S1 2 — —
PCI33 — —
HSTL18 Class I, II 0.9 —
HSTL15 Class I 0.75 —
SSTL33 Class I, II 1.5 —
SSTL25 Class I, II 1.25 —
SSTL18 Class I, II 0.9 —
Differential Interfaces
Differential SSTL18 Class I, II — —
Differential SSTL25 Class I, II — —
Differential SSTL33 Class I, II — —
Differential HSTL15 Class I — —
Differential HSTL18 Class I, II — —
LVDS, MLVDS, LVPECL, BLVDS, RSDS — —
1. When not specified, VCCIO can be set anywhere in the valid operating range (page 3-1).

2-37
Architecture
LatticeXP2 Family Data Sheet
Table 2-13. Supported Output Standards
Hot Socketing
LatticeXP2 devices have been carefully designed to ensure predictable behavior during power-up and power-
down. Power supplies can be sequenced in any order. During power-up and power-down sequences, the I/Os
remain in tri-state until the power supply voltage is high enough to ensure reliable operation. In addition, leakage
into I/O pins is controlled to within specified limits. This allows for easy integration with the rest of the system.
These capabilities make the LatticeXP2 ideal for many multiple power supply and hot-swap applications.
IEEE 1149.1-Compliant Boundary Scan Testability
All LatticeXP2 devices have boundary scan cells that are accessed through an IEEE 1149.1 compliant Test Access
Port (TAP). This allows functional testing of the circuit board, on which the device is mounted, through a serial scan
path that can access all critical logic nodes. Internal registers are linked internally, allowing test data to be shifted in
Output Standard Drive VCCIO (Nom.)
Single-ended Interfaces
LVTTL 4mA, 8mA, 12mA, 16mA, 20mA 3.3
LVCMOS33 4mA, 8mA, 12mA 16mA, 20mA 3.3
LVCMOS25 4mA, 8mA, 12mA, 16mA, 20mA 2.5
LVCMOS18 4mA, 8mA, 12mA, 16mA 1.8
LVCMOS15 4mA, 8mA 1.5
LVCMOS12 2mA, 6mA 1.2
LVCMOS33, Open Drain 4mA, 8mA, 12mA 16mA, 20mA —
LVCMOS25, Open Drain 4mA, 8mA, 12mA 16mA, 20mA —
LVCMOS18, Open Drain 4mA, 8mA, 12mA 16mA —
LVCMOS15, Open Drain 4mA, 8mA —
LVCMOS12, Open Drain 2mA, 6mA —
PCI33 N/A 3.3
HSTL18 Class I, II N/A 1.8
HSTL15 Class I N/A 1.5
SSTL33 Class I, II N/A 3.3
SSTL25 Class I, II N/A 2.5
SSTL18 Class I, II N/A 1.8
Differential Interfaces
Differential SSTL33, Class I, II N/A 3.3
Differential SSTL25, Class I, II N/A 2.5
Differential SSTL18, Class I, II N/A 1.8
Differential HSTL18, Class I, II N/A 1.8
Differential HSTL15, Class I N/A 1.5
LVDS1, 2 N/A 2.5
MLVDS1N/A 2.5
BLVDS1N/A 2.5
LVPECL1N/A 3.3
RSDS1N/A 2.5
LVCMOS33D14mA, 8mA, 12mA, 16mA, 20mA 3.3
1. Emulated with external resistors.
2. On the left and right edges, LVDS outputs are supported with a dedicated differential output driver on 50% of the I/Os. This
solution does not require external resistors at the driver.

2-38
Architecture
LatticeXP2 Family Data Sheet
and loaded directly onto test nodes, or test data to be captured and shifted out for verification. The test access port
consists of dedicated I/Os: TDI, TDO, TCK and TMS. The test access port has its own supply voltage VCCJ and can
operate with LVCMOS3.3, 2.5, 1.8, 1.5 and 1.2 standards. For more information, please see TN1141, LatticeXP2
sysCONFIG Usage Guide.
flexiFLASH Device Configuration
The LatticeXP2 devices combine Flash and SRAM on a single chip to provide users with flexibility in device pro-
gramming and configuration. Figure 2-33 provides an overview of the arrangement of Flash and SRAM configura-
tion cells within the device. The remainder of this section provides an overview of these capabilities. See TN1141,
LatticeXP2 sysCONFIG Usage Guide for a more detailed description.
Figure 2-33. Overview of Flash and SRAM Configuration Cells Within LatticeXP2 Devices
At power-up, or on user command, data is transferred from the on-chip Flash memory to the SRAM configuration
cells that control the operation of the device. This is done with massively parallel buses enabling the parts to oper-
ate within microseconds of the power supplies reaching valid levels; this capability is referred to as Instant-On.
The on-chip Flash enables a single-chip solution eliminating the need for external boot memory. This Flash can be
programmed through either the JTAG or Slave SPI ports of the device. The SRAM configuration space can also be
infinitely reconfigured through the JTAG and Master SPI ports. The JTAG port is IEEE 1149.1 and IEEE 1532 com-
pliant.
As described in the EBR section of the data sheet, the FlashBAK capability of the parts enables the contents of the
EBR blocks to be written back into the Flash storage area without erasing or reprogramming other aspects of the
device configuration. Serial TAG memory is also available to allow the storage of small amounts of data such as
calibration coefficients and error codes.
For applications where security is important, the lack of an external bitstream provides a solution that is inherently
more secure than SRAM only FPGAs. This is further enhanced by device locking. The device can be in one of
three modes:
EBR Blocks
Flash Memory
EBR Blocks
SRAM
Configuration
Bits
Massively Parallel
Data Transfer
Instant-ON
Flash for
Single-Chip
Solution
FlashBAK
for EBR
Storage
Decryption
and Device
Lock
SPI and JTAG
TAG
Memory
Device Lock
for Design
Security

2-39
Architecture
LatticeXP2 Family Data Sheet
1. Unlocked
2. Key Locked – Presenting the key through the programming interface allows the device to be unlocked.
3. Permanently Locked – The device is permanently locked.
To further complement the security of the device a One Time Programmable (OTP) mode is available. Once the
device is set in this mode it is not possible to erase or re-program the Flash portion of the device.
Serial TAG Memory
LatticeXP2 devices offer 0.6 to 3.3kbits of Flash memory in the form of Serial TAG memory. The TAG memory is an
area of the on-chip Flash that can be used for non-volatile storage including electronic ID codes, version codes,
date stamps, asset IDs and calibration settings. A block diagram of the TAG memory is shown in Figure 2-34. The
TAG memory is accessed in the same way as external SPI Flash and it can be read or programmed either through
JTAG, an external Slave SPI Port, or directly from FPGA logic. To read the TAG memory, a start address is speci-
fied and the entire TAG memory contents are read sequentially in a first-in-first-out manner. The TAG memory is
independent of the Flash used for device configuration and given its use for general-purpose storage functions is
always accessible regardless of the device security settings. For more information, see TN1137, LatticeXP2 Mem-
ory Usage Guide and TN1141, LatticeXP2 sysCONFIG Usage Guide.
Figure 2-34. Serial TAG Memory Diagram
Live Update Technology
Many applications require field updates of the FPGA. LatticeXP2 devices provide three features that enable this
configuration to be done in a secure and failsafe manner while minimizing impact on system operation.
1. Decryption Support
LatticeXP2 devices provide on-chip, non-volatile key storage to support decryption of a 128-bit AES encrypted
bitstream, securing designs and deterring design piracy.
2. TransFR (Transparent Field Reconfiguration)
TransFR I/O (TFR) is a unique Lattice technology that allows users to update their logic in the field without
interrupting system operation using a single ispVM command. TransFR I/O allows I/O states to be frozen dur-
ing device configuration. This allows the device to be field updated with a minimum of system disruption and
downtime. For more information please see TN1087, Minimizing System Interruption During Configuration
Using TransFR Technology.
3. Dual Boot Image Support
Dual boot images are supported for applications requiring reliable remote updates of configuration data for the
system FPGA. After the system is running with a basic configuration, a new boot image can be downloaded
remotely and stored in a separate location in the configuration storage device. Any time after the update the
LatticeXP2 can be re-booted from this new configuration file. If there is a problem such as corrupt data during
download or incorrect version number with this new boot image, the LatticeXP2 device can revert back to the
Flash
JTAG
FPGA Logic
External Slave
SPI Port
JTAG
FPGA Logic
External Slave
SPI Port
TDI TDO
Data Shift Register
Flash Memory Array
Sequential
Address
Counter

2-40
Architecture
LatticeXP2 Family Data Sheet
original backup configuration and try again. This all can be done without power cycling the system. For more
information please see TN1220, LatticeXP2 Dual Boot Feature.
For more information on device configuration, please see TN1141, LatticeXP2 sysCONFIG Usage Guide.
Soft Error Detect (SED) Support
LatticeXP2 devices have dedicated logic to perform Cyclic Redundancy Code (CRC) checks. During configuration,
the configuration data bitstream can be checked with the CRC logic block. In addition, LatticeXP2 devices can be
programmed for checking soft errors in SRAM. SED can be run on a programmed device when the user logic is not
active. In the event a soft error occurs, the device can be programmed to either reload from a known good boot
image (from internal Flash or external SPI memory) or generate an error signal.
For further information on SED support, please see TN1130, LatticeXP2 Soft Error Detection (SED) Usage Guide.
On-Chip Oscillator
Every LatticeXP2 device has an internal CMOS oscillator that is used to derive a Master Clock (CCLK) for configu-
ration. The oscillator and CCLK run continuously and are available to user logic after configuration is complete. The
available CCLK frequencies are listed in Table 2-14. When a different CCLK frequency is selected during the
design process, the following sequence takes place:
1. Device powers up with the default CCLK frequency.
2. During configuration, users select a different CCLK frequency.
3. CCLK frequency changes to the selected frequency after clock configuration bits are received.
This internal CMOS oscillator is available to the user by routing it as an input clock to the clock tree. For further
information on the use of this oscillator for configuration or user mode, please see TN1141, LatticeXP2 sysCON-
FIG Usage Guide.
Table 2-14. Selectable CCLKs and Oscillator Frequencies During Configuration and User Mode
CCLK/Oscillator (MHz)
2.51
3.12
4.3
5.4
6.9
8.1
9.2
10
13
15
20
26
32
40
54
803
1633
1. Software default oscillator frequency.
2. Software default CCLK frequency.
3. Frequency not valid for CCLK.

2-41
Architecture
LatticeXP2 Family Data Sheet
Density Shifting
The LatticeXP2 family is designed to ensure that different density devices in the same family and in the same pack-
age have the same pinout. Furthermore, the architecture ensures a high success rate when performing design
migration from lower density devices to higher density devices. In many cases, it is also possible to shift a lower uti-
lization design targeted for a high-density device to a lower density device. However, the exact details of the final
resource utilization will impact the likely success in each case.

www.latticesemi.com 3-1 DS1009 DC and Switching_02.0
September 2014 Data Sheet DS1009
© 2014 Lattice Semiconductor Corp. All Lattice trademarks, registered trademarks, patents, and disclaimers are as listed at www.latticesemi.com/legal. All other brand
or product names are trademarks or registered trademarks of their respective holders. The specifications and information herein are subject to change without notice.
Absolute Maximum Ratings1, 2, 3
Recommended Operating Conditions
On-Chip Flash Memory Specifications
Supply Voltage VCC . . . . . . . . . . . . . . . . . . . -0.5 to 1.32V
Supply Voltage VCCAUX . . . . . . . . . . . . . . . . -0.5 to 3.75V
Supply Voltage VCCJ . . . . . . . . . . . . . . . . . . -0.5 to 3.75V
Supply Voltage VCCPLL4. . . . . . . . . . . . . . . . -0.5 to 3.75V
Output Supply Voltage VCCIO . . . . . . . . . . . -0.5 to 3.75V
Input or I/O Tristate Voltage Applied5. . . . . . -0.5 to 3.75V
Storage Temperature (Ambient) . . . . . . . . . -65 to 150°C
Junction Temperature Under Bias (Tj). . . . . . . . . +125°C
1. Stress above those listed under the “Absolute Maximum Ratings” may cause permanent damage to the device. Functional operation of the
device at these or any other conditions above those indicated in the operational sections of this specification is not implied.
2. Compliance with the Lattice Thermal Management document is required.
3. All voltages referenced to GND.
4. VCCPLL only available on csBGA, PQFP and TQFP packages.
5. Overshoot and undershoot of -2V to (VIHMAX + 2) volts is permitted for a duration of <20 ns.
Symbol Parameter Min. Max. Units
VCC Core Supply Voltage 1.14 1.26 V
VCCAUX4, 5 Auxiliary Supply Voltage 3.135 3.465 V
VCCPLL1PLL Supply Voltage 3.135 3.465 V
VCCIO2, 3, 4 I/O Driver Supply Voltage 1.14 3.465 V
VCCJ2Supply Voltage for IEEE 1149.1 Test Access Port 1.14 3.465 V
tJCOM Junction Temperature, Commercial Operation 0 85 °C
tJIND Junction Temperature, Industrial Operation -40 100 °C
1. VCCPLL only available on csBGA, PQFP and TQFP packages.
2. If VCCIO or VCCJ is set to 1.2 V, they must be connected to the same power supply as VCC. If VCCIO or VCCJ is set to 3.3V, they must be con-
nected to the same power supply as VCCAUX.
3. See recommended voltages by I/O standard in subsequent table.
4. To ensure proper I/O behavior, VCCIO must be turned off at the same time or earlier than VCCAUX.
5. In fpBGA and ftBGA packages, the PLLs are connected to, and powered from, the auxiliary power supply.
Symbol Parameter Max. Units
NPROGCYC
Flash Programming Cycles per tRETENTION110,000 Cycles
Flash Functional Programming Cycles 100,000
1. The minimum data retention, tRETENTION, is 20 years.
LatticeXP2 Family Data Sheet
DC and Switching Characteristics

3-2
DC and Switching Characteristics
LatticeXP2 Family Data Sheet
Hot Socketing Specifications1, 2, 3, 4
ESD Performance
Please refer to the LatticeXP2 Product Family Qualification Summary for complete qualification data, including
ESD performance.
DC Electrical Characteristics
Over Recommended Operating Conditions
Symbol Parameter Condition Min. Typ. Max. Units
IDK Input or I/O Leakage Current 0 VIN VIH (MAX.) — — +/-1 mA
1. Insensitive to sequence of VCC, VCCAUX and VCCIO. However, assumes monotonic rise/fall rates for VCC, VCCAUX and VCCIO.
2. 0 VCC VCC (MAX), 0 VCCIO VCCIO (MAX) or 0 VCCAUX VCCAUX (MAX).
3. IDK is additive to IPU, IPW or IBH.
4. LVCMOS and LVTTL only.
Symbol Parameter Condition Min. Typ. Max. Units
IIL, IIH1Input or I/O Low Leakage 0 VIN VCCIO ——10µA
VCCIO VIN VIH (MAX) — — 150 µA
IPU I/O Active Pull-up Current 0 VIN 0.7 VCCIO -30 — -150 µA
IPD I/O Active Pull-down Current VIL (MAX) VIN VCCIO 30 — 210 µA
IBHLS Bus Hold Low Sustaining Current VIN = VIL (MAX) 30 — — µA
IBHHS Bus Hold High Sustaining Current VIN = 0.7 VCCIO -30 — — µA
IBHLO Bus Hold Low Overdrive Current 0 VIN VCCIO ——210µA
IBHHO Bus Hold High Overdrive Current 0 VIN VCCIO ——-150µA
VBHT Bus Hold Trip Points VIL (MAX) — VIH (MIN) V
C1 I/O Capacitance2VCCIO = 3.3V, 2.5V, 1.8V, 1.5V, 1.2V,
VCC = 1.2V, VIO = 0 to VIH (MAX) —8—pf
C2 Dedicated Input Capacitance VCCIO = 3.3V, 2.5V, 1.8V, 1.5V, 1.2V,
VCC = 1.2V, VIO = 0 to VIH (MAX) —6—pf
1. Input or I/O leakage current is measured with the pin configured as an input or as an I/O with the output driver tri-stated. It is not measured
with the output driver active. Bus maintenance circuits are disabled.
2. TA 25oC, f = 1.0 MHz.

3-3
DC and Switching Characteristics
LatticeXP2 Family Data Sheet
Supply Current (Standby)1, 2, 3, 4
Over Recommended Operating Conditions
Symbol Parameter Device Typical5 Units
ICC Core Power Supply Current
XP2-5 14 mA
XP2-8 18 mA
XP2-17 24 mA
XP2-30 35 mA
XP2-40 45 mA
ICCAUX Auxiliary Power Supply Current6
XP2-5 15 mA
XP2-8 15 mA
XP2-17 15 mA
XP2-30 16 mA
XP2-40 16 mA
ICCPLL PLL Power Supply Current (per PLL) 0.1 mA
ICCIO Bank Power Supply Current (per bank) 2 mA
ICCJ VCCJ Power Supply Current 0.25 mA
1. For further information on supply current, please see TN1139, Power Estimation and Management for LatticeXP2 Devices.
2. Assumes all outputs are tristated, all inputs are configured as LVCMOS and held at the VCCIO or GND.
3. Frequency 0 MHz.
4. Pattern represents a “blank” configuration data file.
5. TJ = 25oC, power supplies at nominal voltage.
6. In fpBGA and ftBGA packages the PLLs are connected to and powered from the auxiliary power supply. For these packages,
the actual auxiliary supply current is the sum of ICCAUX and ICCPLL. For csBGA, PQFP and TQFP packages the PLLs are
powered independent of the auxiliary power supply.

3-4
DC and Switching Characteristics
LatticeXP2 Family Data Sheet
Initialization Supply Current1, 2, 3, 4, 5
Over Recommended Operating Conditions
Symbol Parameter Device
Typical
(25°C, Max. Supply)6Units
ICC Core Power Supply Current
XP2-5 20 mA
XP2-8 21 mA
XP2-17 44 mA
XP2-30 58 mA
XP2-40 62 mA
ICCAUX Auxiliary Power Supply Current7
XP2-5 67 mA
XP2-8 74 mA
XP2-17 112 mA
XP2-30 124 mA
XP2-40 130 mA
ICCPLL PLL Power Supply Current (per PLL) 1.8 mA
ICCIO Bank Power Supply Current (per Bank) 6.4 mA
ICCJ VCCJ Power Supply Current 1.2 mA
1. For further information on supply current, please see TN1139, Power Estimation and Management for LatticeXP2 Devices.
2. Assumes all outputs are tristated, all inputs are configured as LVCMOS and held at the VCCIO or GND.
3. Frequency 0 MHz.
4. Does not include additional current from bypass or decoupling capacitor across the supply.
5. A specific configuration pattern is used that scales with the size of the device; consists of 75% PFU utilization, 50% EBR, and 25% I/O con-
figuration.
6. TJ = 25°C, power supplies at nominal voltage.
7. In fpBGA and ftBGA packages the PLLs are connected to and powered from the auxiliary power supply. For these packages, the actual
auxiliary supply current is the sum of ICCAUX and ICCPLL. For csBGA, PQFP and TQFP packages the PLLs are powered independent of the
auxiliary power supply.

3-5
DC and Switching Characteristics
LatticeXP2 Family Data Sheet
Programming and Erase Flash Supply Current1, 2, 3, 4, 5
Over Recommended Operating Conditions
Symbol Parameter Device
Typical
(25°C, Max. Supply)6Units
ICC Core Power Supply Current
XP2-5 17 mA
XP2-8 21 mA
XP2-17 28 mA
XP2-30 36 mA
XP2-40 50 mA
ICCAUX Auxiliary Power Supply Current7
XP2-5 64 mA
XP2-8 66 mA
XP2-17 83 mA
XP2-30 87 mA
XP2-40 88 mA
ICCPLL PLL Power Supply Current (per PLL) 0.1 mA
ICCIO Bank Power Supply Current (per Bank) 5 mA
ICCJ VCCJ Power Supply Current814 mA
1. For further information on supply current, please see TN1139, Power Estimation and Management for LatticeXP2 Devices.
2. Assumes all outputs are tristated, all inputs are configured as LVCMOS and held at the VCCIO or GND.
3. Frequency 0 MHz (excludes dynamic power from FPGA operation).
4. A specific configuration pattern is used that scales with the size of the device; consists of 75% PFU utilization, 50% EBR, and 25% I/O con-
figuration.
5. Bypass or decoupling capacitor across the supply.
6. TJ = 25°C, power supplies at nominal voltage.
7. In fpBGA and ftBGA packages the PLLs are connected to and powered from the auxiliary power supply. For these packages, the actual
auxiliary supply current is the sum of ICCAUX and ICCPLL. For csBGA, PQFP and TQFP packages the PLLs are powered independent of the
auxiliary power supply.
8. When programming via JTAG.

3-6
DC and Switching Characteristics
LatticeXP2 Family Data Sheet
sysIO Recommended Operating Conditions
Over Recommended Operating Conditions
Standard
VCCIO VREF (V)
Min. Typ. Max. Min. Typ. Max.
LVCM O S3 3 2 3.135 3.3 3.465 — — —
LVCM O S2 5 2 2.375 2.5 2.625 — — —
LVCMOS18 1.71 1.8 1.89 — — —
LVCMOS15 1.425 1.5 1.575 — — —
LVCM O S1 2 2 1.14 1.2 1.26 — — —
LVT T L 33 2 3.135 3.3 3.465 — — —
PCI33 3.135 3.3 3.465 — — —
SSTL18_I2,
SSTL18_II21.71 1.8 1.89 0.833 0.9 0.969
SSTL25_I2,
SSTL25_II22.375 2.5 2.625 1.15 1.25 1.35
SSTL33_I2,
SSTL33_II23.135 3.3 3.465 1.3 1.5 1.7
HSTL15_I2 1.425 1.5 1.575 0.68 0.75 0.9
HSTL18_I2,
HSTL18_II21.71 1.8 1.89 0.816 0.9 1.08
LVDS 2 52 2.375 2.5 2.625 — — —
MLVDS251 2.375 2.5 2.625 — — —
LVPECL331, 2 3.135 3.3 3.465 — — —
BLVDS251, 2 2.375 2.5 2.625 — — —
RSDS1, 2 2.375 2.5 2.625 — — —
SSTL18D_I2,
SSTL18D_II21.71 1.8 1.89 — — —
SSTL25D_ I2,
SSTL25D_II22.375 2.5 2.625 — — —
SSTL33D_ I2,
SSTL33D_ II23.135 3.3 3.465 — — —
HSTL15D_ I21.425 1.5 1.575 — — —
HSTL18D_ I2,
HSTL18D_ II21.71 1.8 1.89 — — —
1. Inputs on chip. Outputs are implemented with the addition of external resistors.
2. Input on this standard does not depend on the value of VCCIO.

3-7
DC and Switching Characteristics
LatticeXP2 Family Data Sheet
sysIO Single-Ended DC Electrical Characteristics
Over Recommended Operating Conditions
Input/Output
Standard
VIL VIH VOL VOH
IOL1 (mA) IOH1 (mA)Min. (V) Max. (V) Min. (V) Max. (V) Max. (V) Min. (V)
LVCMOS33 -0.3 0.8 2.0 3.6 0.4 VCCIO - 0.4 20, 16,
12, 8, 4
-20, -16,
-12, -8, -4
0.2 VCCIO - 0.2 0.1 -0.1
LVTTL33 -0.3 0.8 2.0 3.6 0.4 VCCIO - 0.4 20, 16,
12, 8, 4
-20, -16,
-12, -8, -4
0.2 VCCIO - 0.2 0.1 -0.1
LVCMOS25 -0.3 0.7 1.7 3.6 0.4 VCCIO - 0.4 20, 16,
12, 8, 4
-20, -16,
-12, -8, -4
0.2 VCCIO - 0.2 0.1 -0.1
LVCMOS18 -0.3 0.35 VCCIO 0.65 VCCIO 3.6 0.4 VCCIO - 0.4 16, 12,
8, 4
-16, -12,
-8, -4
0.2 VCCIO - 0.2 0.1 -0.1
LVCMOS15 -0.3 0.35 VCCIO 0.65 VCCIO 3.6 0.4 VCCIO - 0.4 8, 4 -8, -4
0.2 VCCIO - 0.2 0.1 -0.1
LVCMOS12 -0.3 0.35 VCC 0.65 VCC 3.6 0.4 VCCIO - 0.4 6, 2 -6, -2
0.2 VCCIO - 0.2 0.1 -0.1
PCI33 -0.3 0.3 VCCIO 0.5 VCCIO 3.6 0.1 VCCIO 0.9 VCCIO 1.5 -0.5
SSTL33_I -0.3 VREF - 0.2 VREF + 0.2 3.6 0.7 VCCIO - 1.1 8 -8
SSTL33_II -0.3 VREF - 0.2 VREF + 0.2 3.6 0.5 VCCIO - 0.9 16 -16
SSTL25_I -0.3 VREF - 0.18 VREF + 0.18 3.6 0.54 VCCIO - 0.62 7.6 -7.6
12 -12
SSTL25_II -0.3 VREF - 0.18 VREF + 0.18 3.6 0.35 VCCIO - 0.43 15.2 -15.2
20 -20
SSTL18_I -0.3 VREF - 0.125 VREF + 0.125 3.6 0.4 VCCIO - 0.4 6.7 -6.7
SSTL18_II -0.3 VREF - 0.125 VREF + 0.125 3.6 0.28 VCCIO - 0.28 8-8
11 -11
HSTL15_I -0.3 VREF - 0.1 VREF + 0.1 3.6 0.4 VCCIO - 0.4 4-4
8-8
HSTL18_I -0.3 VREF - 0.1 VREF + 0.1 3.6 0.4 VCCIO - 0.4 8-8
12 -12
HSTL18_II -0.3 VREF - 0.1 VREF + 0.1 3.6 0.4 VCCIO - 0.4 16 -16
1. The average DC current drawn by I/Os between GND connections, or between the last GND in an I/O bank and the end of an I/O bank, as
shown in the logic signal connections table shall not exceed n * 8mA, where n is the number of I/Os between bank GND connections or
between the last GND in a bank and the end of a bank.

3-8
DC and Switching Characteristics
LatticeXP2 Family Data Sheet
sysIO Differential Electrical Characteristics
LVD S
Over Recommended Operating Conditions
Differential HSTL and SSTL
Differential HSTL and SSTL outputs are implemented as a pair of complementary single-ended outputs. All allow-
able single-ended output classes (class I and class II) are supported in this mode.
For further information on LVPECL, RSDS, MLVDS, BLVDS and other differential interfaces please see details in
additional technical notes listed at the end of this data sheet.
LVDS25E
The top and bottom sides of LatticeXP2 devices support LVDS outputs via emulated complementary LVCMOS out-
puts in conjunction with a parallel resistor across the driver outputs. The scheme shown in Figure 3-1 is one possi-
ble solution for point-to-point signals.
Figure 3-1. LVDS25E Output Termination Example
Parameter Description Test Conditions Min. Typ. Max. Units
VINP
, VINM Input Voltage 0 — 2.4 V
VCM Input Common Mode Voltage Half the Sum of the Two Inputs 0.05 — 2.35 V
VTHD Differential Input Threshold Difference Between the Two Inputs +/-100 — — mV
IIN Input Current Power On or Power Off — — +/-10 µA
VOH Output High Voltage for VOP or VOM RT = 100 Ohm — 1.38 1.60 V
VOL Output Low Voltage for VOP or VOM RT = 100 Ohm 0.9V 1.03 — V
VOD Output Voltage Differential (VOP - VOM), RT = 100 Ohm 250 350 450 mV
VOD Change in VOD Between High and
Low ——50mV
VOS Output Voltage Offset (VOP + VOM)/2, RT = 100 Ohm 1.125 1.20 1.375 V
VOS Change in VOS Between H and L — — 50 mV
ISA Output Short Circuit Current VOD = 0V Driver Outputs Shorted to
Ground ——24mA
ISAB Output Short Circuit Current VOD = 0V Driver Outputs Shorted to
Each Other ——12mA
+
-
RS=158 ohms
(±1%)
RS=158 ohms
(±1%)
RP = 140 ohms
(±1%)
RT = 100 ohms
(±1%)
OFF-chip
Transmission line, Zo = 100 ohm differential
VCCIO = 2.5V (±5%)
8 mA
VCCIO = 2.5V (±5%)
ON-chip OFF-chip ON-chip
8 mA

3-9
DC and Switching Characteristics
LatticeXP2 Family Data Sheet
Table 3-1. LVDS25E DC Conditions
LVCMOS33D
All I/O banks support emulated differential I/O using the LVCMOS33D I/O type. This option, along with the external
resistor network, provides the system designer the flexibility to place differential outputs on an I/O bank with 3.3V
VCCIO. The default drive current for LVCMOS33D output is 12mA with the option to change the device strength to
4mA, 8mA, 16mA or 20mA. Follow the LVCMOS33 specifications for the DC characteristics of the LVCMOS33D.
Parameter Description Typical Units
VCCIO Output Driver Supply (+/-5%) 2.50 V
ZOUT Driver Impedance 20
RSDriver Series Resistor (+/-1%) 158
RPDriver Parallel Resistor (+/-1%) 140
RTReceiver Termination (+/-1%) 100
VOH Output High Voltage (after RP)1.43V
VOL Output Low Voltage (after RP)1.07V
VOD Output Differential Voltage (After RP)0.35 V
VCM Output Common Mode Voltage 1.25 V
ZBACK Back Impedance 100.5
IDC DC Output Current 6.03 mA

3-10
DC and Switching Characteristics
LatticeXP2 Family Data Sheet
BLVDS
The LatticeXP2 devices support the BLVDS standard. This standard is emulated using complementary LVCMOS
outputs in conjunction with a parallel external resistor across the driver outputs. BLVDS is intended for use when
multi-drop and bi-directional multi-point differential signaling is required. The scheme shown in Figure 3-2 is one
possible solution for bi-directional multi-point differential signals.
Figure 3-2. BLVDS Multi-point Output Example
Table 3-2. BLVDS DC Conditions1
Over Recommended Operating Conditions
Parameter Description
Typical
UnitsZo = 45Zo = 90
VCCIO Output Driver Supply (+/- 5%) 2.50 2.50 V
ZOUT Driver Impedance 10.00 10.00
RSDriver Series Resistor (+/- 1%) 90.00 90.00
RTL Driver Parallel Resistor (+/- 1%) 45.00 90.00
RTR Receiver Termination (+/- 1%) 45.00 90.00
VOH Output High Voltage (After RTL) 1.38 1.48 V
VOL Output Low Voltage (After RTL) 1.12 1.02 V
VOD Output Differential Voltage (After RTL) 0.25 0.46 V
VCM Output Common Mode Voltage 1.25 1.25 V
IDC DC Output Current 11.24 10.20 mA
1. For input buffer, see LVDS table.
Heavily loaded backplane, effective Zo ~ 45 to 90 ohms differential
2.5V
RTL RTR
RS = 90 ohms
RS = 90 ohms RS =
90 ohms
RS =
90 ohms RS =
90 ohms
RS =
90 ohms
RS =
90 ohms
RS =
90 ohms
45-90
ohms
45-90
ohms
2.5V
2.5V
2.5V 2.5V 2.5V 2.5V
2.5V
+
-
. . .
+
-
. . .
+
-
+
-
16mA
16mA
16mA 16mA 16mA 16mA
16mA
16mA

3-11
DC and Switching Characteristics
LatticeXP2 Family Data Sheet
LVPECL
The LatticeXP2 devices support the differential LVPECL standard. This standard is emulated using complementary
LVCMOS outputs in conjunction with a parallel resistor across the driver outputs. The LVPECL input standard is
supported by the LVDS differential input buffer. The scheme shown in Figure 3-3 is one possible solution for point-
to-point signals.
Figure 3-3. Differential LVPECL
Table 3-3. LVPECL DC Conditions1
Over Recommended Operating Conditions
Parameter Description Typical Units
VCCIO Output Driver Supply (+/-5%) 3.30 V
ZOUT Driver Impedance 10
RSDriver Series Resistor (+/-1%) 93
RPDriver Parallel Resistor (+/-1%) 196
RTReceiver Termination (+/-1%) 100
VOH Output High Voltage (After RP)2.05V
VOL Output Low Voltage (After RP)1.25V
VOD Output Differential Voltage (After RP)0.80 V
VCM Output Common Mode Voltage 1.65 V
ZBACK Back Impedance 100.5
IDC DC Output Current 12.11 mA
1. For input buffer, see LVDS table.
Transmission line,
Zo = 100 ohm differential
Off-chipOn-chip
VCCIO = 3.3V
(+/-5%)
VCCIO = 3.3V
(+/-5%)
RP = 196 ohms
(+/-1%) RT = 100 ohms
(+/-1%)
RS = 93.1 ohms
(+/-1%)
RS = 93.1 ohms
(+/-1%)
16mA
16mA
+
-
Off-chip On-chip

3-12
DC and Switching Characteristics
LatticeXP2 Family Data Sheet
RSDS
The LatticeXP2 devices support differential RSDS standard. This standard is emulated using complementary LVC-
MOS outputs in conjunction with a parallel resistor across the driver outputs. The RSDS input standard is sup-
ported by the LVDS differential input buffer. The scheme shown in Figure 3-4 is one possible solution for RSDS
standard implementation. Resistor values in Figure 3-4 are industry standard values for 1% resistors.
Figure 3-4. RSDS (Reduced Swing Differential Standard)
Table 3-4. RSDS DC Conditions1
Over Recommended Operating Conditions
Parameter Description Typical Units
VCCIO Output Driver Supply (+/-5%) 2.50 V
ZOUT Driver Impedance 20
RSDriver Series Resistor (+/-1%) 294
RPDriver Parallel Resistor (+/-1%) 121
RTReceiver Termination (+/-1%) 100
VOH Output High Voltage (After RP)1.35V
VOL Output Low Voltage (After RP)1.15V
VOD Output Differential Voltage (After RP)0.20V
VCM Output Common Mode Voltage 1.25 V
ZBACK Back Impedance 101.5
IDC DC Output Current 3.66 mA
1. For input buffer, see LVDS table.
R
S
= 294 ohms
(+/-1%)
R
S
= 294 ohms
(+/-1%)
R
P
= 121 ohms
(+/-1%)
R
T
= 100 ohms
(+/-1%)
On-chip On-chip
8mA
8mA
VCCIO = 2.5V
(+/-5%)
VCCIO = 2.5V
(+/-5%)
Transmission line,
Zo = 100 ohm differential
+
-
Off-chipOff-chip

3-13
DC and Switching Characteristics
LatticeXP2 Family Data Sheet
MLVDS
The LatticeXP2 devices support the differential MLVDS standard. This standard is emulated using complementary
LVCMOS outputs in conjunction with a parallel resistor across the driver outputs. The MLVDS input standard is
supported by the LVDS differential input buffer. The scheme shown in Figure 3-5 is one possible solution for
MLVDS standard implementation. Resistor values in Figure 3-5 are industry standard values for 1% resistors.
Figure 3-5. MLVDS (Reduced Swing Differential Standard)
Table 3-5. MLVDS DC Conditions1
For further information on LVPECL, RSDS, MLVDS, BLVDS and other differential interfaces please see details of
additional technical information at the end of this data sheet.
Parameter Description
Typical
UnitsZo=50Zo=70
VCCIO Output Driver Supply (+/-5%) 2.50 2.50 V
ZOUT Driver Impedance 10.00 10.00
RSDriver Series Resistor (+/-1%) 35.00 35.00
RTL Driver Parallel Resistor (+/-1%) 50.00 70.00
RTR Receiver Termination (+/-1%) 50.00 70.00
VOH Output High Voltage (After RTL)1.521.60V
VOL Output Low Voltage (After RTL)0.980.90V
VOD Output Differential Voltage (After RTL)0.54 0.70 V
VCM Output Common Mode Voltage 1.25 1.25 V
IDC DC Output Current 21.74 20.00 mA
1. For input buffer, see LVDS table.
16mA
2.5V
2.5V
+
-
2.5V
2.5V
+
-
2.5V
2.5V
+
-
. . .. . .
Am61
Heavily loaded backplace, effective Zo~50 to 70 ohms differential
50 to 70 ohms +/-1% 50 to 70 ohms +/-1%
R
S
=
35ohms
R
S
=
35ohms
R
S
=
35ohms
R
S
=
35ohms
R
S
=
35ohms
R
S
=
35ohms
R
S
=
35ohms
R
S
=
35ohms
R
TR
R
TL
16mA
2.5V
Am61
2.5V
+
-
Am61
2.5V
Am61
2.5V
+
-
16mA
16mA

3-14
DC and Switching Characteristics
LatticeXP2 Family Data Sheet
Typical Building Block Function Performance1
Pin-to-Pin Performance (LVCMOS25 12mA Drive)
Function -7 Timing Units
Basic Functions
16-bit Decoder 4.4 ns
32-bit Decoder 5.2 ns
64-bit Decoder 5.6 ns
4:1 MUX 3.7 ns
8:1 MUX 3.9 ns
16:1 MUX 4.3 ns
32:1 MUX 4.5 ns
Register-to-Register Performance
Function -7 Timing Units
Basic Functions
16-bit Decoder 521 MHz
32-bit Decoder 537 MHz
64-bit Decoder 484 MHz
4:1 MUX 744 MHz
8:1 MUX 678 MHz
16:1 MUX 616 MHz
32:1 MUX 529 MHz
8-bit Adder 570 MHz
16-bit Adder 507 MHz
64-bit Adder 293 MHz
16-bit Counter 541 MHz
32-bit Counter 440 MHz
64-bit Counter 321 MHz
64-bit Accumulator 261 MHz
Embedded Memory Functions
512x36 Single Port RAM, EBR Output Registers 315 MHz
1024x18 True-Dual Port RAM (Write Through or Normal, EBR Output Registers) 315 MHz
1024x18 True-Dual Port RAM (Write Through or Normal, PLC Output Registers) 231 MHz
Distributed Memory Functions
16x4 Pseudo-Dual Port RAM (One PFU) 760 MHz
32x2 Pseudo-Dual Port RAM 455 MHz
64x1 Pseudo-Dual Port RAM 351 MHz
DSP Functions
18x18 Multiplier (All Registers) 342 MHz
9x9 Multiplier (All Registers) 342 MHz
36x36 Multiply (All Registers) 330 MHz
18x18 Multiply/Accumulate (Input and Output Registers) 218 MHz
18x18 Multiply-Add/Sub-Sum (All Registers) 292 MHz

3-15
DC and Switching Characteristics
LatticeXP2 Family Data Sheet
Derating Timing Tables
Logic timing provided in the following sections of this data sheet and the Diamond design tools are worst case num-
bers in the operating range. Actual delays at nominal temperature and voltage for best case process, can be much
better than the values given in the tables. The Diamond design tool can provide logic timing numbers at a particular
temperature and voltage.
DSP IP Functions
16-Tap Fully-Parallel FIR Filter 198 MHz
1024-pt FFT 221 MHz
8X8 Matrix Multiplication 196 MHz
1. These timing numbers were generated using the ispLEVER design tool. Exact performance may vary with device, design and tool version.
The tool uses internal parameters that have been characterized but are not tested on every device.
Register-to-Register Performance (Continued)
Function -7 Timing Units

3-16
DC and Switching Characteristics
LatticeXP2 Family Data Sheet
LatticeXP2 External Switching Characteristics
Over Recommended Operating Conditions
Parameter Description Device
-7 -6 -5
UnitsMin. Max. Min. Max. Min. Max.
General I/O Pin Parameters (using Primary Clock without PLL)1
tCO Clock to Output - PIO Output
Register
XP2-5 — 3.80 — 4.20 — 4.60 ns
XP2-8 — 3.80 — 4.20 — 4.60 ns
XP2-17 — 3.80 — 4.20 — 4.60 ns
XP2-30 — 4.00 — 4.40 — 4.90 ns
XP2-40 — 4.00 — 4.40 — 4.90 ns
tSU Clock to Data Setup - PIO Input
Register
XP2-5 0.00 — 0.00 — 0.00 — ns
XP2-8 0.00 — 0.00 — 0.00 — ns
XP2-17 0.00 — 0.00 — 0.00 — ns
XP2-30 0.00 — 0.00 — 0.00 — ns
XP2-40 0.00 — 0.00 — 0.00 — ns
tHClock to Data Hold - PIO Input
Register
XP2-5 1.40 — 1.70 — 1.90 — ns
XP2-8 1.40 — 1.70 — 1.90 — ns
XP2-17 1.40 — 1.70 — 1.90 — ns
XP2-30 1.40 — 1.70 — 1.90 — ns
XP2-40 1.40 — 1.70 — 1.90 — ns
tSU_DEL Clock to Data Setup - PIO Input
Register with Data Input Delay
XP2-5 1.40 — 1.70 — 1.90 — ns
XP2-8 1.40 — 1.70 — 1.90 — ns
XP2-17 1.40 — 1.70 — 1.90 — ns
XP2-30 1.40 — 1.70 — 1.90 — ns
XP2-40 1.40 — 1.70 — 1.90 — ns
tH_DEL Clock to Data Hold - PIO Input
Register with Input Data Delay
XP2-5 0.00 — 0.00 — 0.00 — ns
XP2-8 0.00 — 0.00 — 0.00 — ns
XP2-17 0.00 — 0.00 — 0.00 — ns
XP2-30 0.00 — 0.00 — 0.00 — ns
XP2-40 0.00 — 0.00 — 0.00 — ns
fMAX_IO Clock Frequency of I/O and PFU
Register XP2 —420—357—311MHz
General I/O Pin Parameters (using Edge Clock without PLL)1
tCOE Clock to Output - PIO Output
Register
XP2-5 — 3.20 — 3.60 — 3.90 ns
XP2-8 — 3.20 — 3.60 — 3.90 ns
XP2-17 — 3.20 — 3.60 — 3.90 ns
XP2-30 — 3.20 — 3.60 — 3.90 ns
XP2-40 — 3.20 — 3.60 — 3.90 ns
tSUE Clock to Data Setup - PIO Input
Register
XP2-5 0.00 — 0.00 — 0.00 — ns
XP2-8 0.00 — 0.00 — 0.00 — ns
XP2-17 0.00 — 0.00 — 0.00 — ns
XP2-30 0.00 — 0.00 — 0.00 — ns
XP2-40 0.00 — 0.00 — 0.00 — ns

3-17
DC and Switching Characteristics
LatticeXP2 Family Data Sheet
tHE Clock to Data Hold - PIO Input
Register
XP2-5 1.00 — 1.30 — 1.60 — ns
XP2-8 1.00 — 1.30 — 1.60 — ns
XP2-17 1.00 — 1.30 — 1.60 — ns
XP2-30 1.20 — 1.60 — 1.90 — ns
XP2-40 1.20 — 1.60 — 1.90 — ns
tSU_DELE Clock to Data Setup - PIO Input
Register with Data Input Delay
XP2-5 1.00 — 1.30 — 1.60 — ns
XP2-8 1.00 — 1.30 — 1.60 — ns
XP2-17 1.00 — 1.30 — 1.60 — ns
XP2-30 1.20 — 1.60 — 1.90 — ns
XP2-40 1.20 — 1.60 — 1.90 — ns
tH_DELE Clock to Data Hold - PIO Input
Register with Input Data Delay
XP2-5 0.00 — 0.00 — 0.00 — ns
XP2-8 0.00 — 0.00 — 0.00 — ns
XP2-17 0.00 — 0.00 — 0.00 — ns
XP2-30 0.00 — 0.00 — 0.00 — ns
XP2-40 0.00 — 0.00 — 0.00 — ns
fMAX_IOE Clock Frequency of I/O and PFU
Register XP2 —420—357—311MHz
General I/O Pin Parameters (using Primary Clock with PLL)1
tCOPLL Clock to Output - PIO Output
Register
XP2-5 — 3.00 — 3.30 — 3.70 ns
XP2-8 — 3.00 — 3.30 — 3.70 ns
XP2-17 — 3.00 — 3.30 — 3.70 ns
XP2-30 — 3.00 — 3.30 — 3.70 ns
XP2-40 — 3.00 — 3.30 — 3.70 ns
tSUPLL Clock to Data Setup - PIO Input
Register
XP2-5 1.00 — 1.20 — 1.40 — ns
XP2-8 1.00 — 1.20 — 1.40 — ns
XP2-17 1.00 — 1.20 — 1.40 — ns
XP2-30 1.00 — 1.20 — 1.40 — ns
XP2-40 1.00 — 1.20 — 1.40 — ns
tHPLL Clock to Data Hold - PIO Input
Register
XP2-5 0.90 — 1.10 — 1.30 — ns
XP2-8 0.90 — 1.10 — 1.30 — ns
XP2-17 0.90 — 1.10 — 1.30 — ns
XP2-30 1.00 — 1.20 — 1.40 — ns
XP2-40 1.00 — 1.20 — 1.40 — ns
tSU_DELPLL Clock to Data Setup - PIO Input
Register with Data Input Delay
XP2-5 1.90 — 2.10 — 2.30 — ns
XP2-8 1.90 — 2.10 — 2.30 — ns
XP2-17 1.90 — 2.10 — 2.30 — ns
XP2-30 2.00 — 2.20 — 2.40 — ns
XP2-40 2.00 — 2.20 — 2.40 — ns
LatticeXP2 External Switching Characteristics (Continued)
Over Recommended Operating Conditions
Parameter Description Device
-7 -6 -5
UnitsMin. Max. Min. Max. Min. Max.

3-18
DC and Switching Characteristics
LatticeXP2 Family Data Sheet
tH_DELPLL Clock to Data Hold - PIO Input
Register with Input Data Delay
XP2-5 0.00 — 0.00 — 0.00 — ns
XP2-8 0.00 — 0.00 — 0.00 — ns
XP2-17 0.00 — 0.00 — 0.00 — ns
XP2-30 0.00 — 0.00 — 0.00 — ns
XP2-40 0.00 — 0.00 — 0.00 — ns
DDR2 and DDR23 I/O Pin Parameters
tDVADQ Data Valid After DQS
(DDR Read) XP2 — 0.29 — 0.29 — 0.29 UI
tDVEDQ Data Hold After DQS
(DDR Read) XP2 0.71 — 0.71 — 0.71 — UI
tDQVBS Data Valid Before DQS XP2 0.25 — 0.25 — 0.25 — UI
tDQVAS Data Valid After DQS XP2 0.25 — 0.25 — 0.25 — UI
fMAX_DDR DDR Clock Frequency XP2 95 200 95 166 95 133 MHz
fMAX_DDR2 DDR Clock Frequency XP2 133 200 133 200 133 166 MHz
Primary Clock
fMAX_PRI Frequency for Primary Clock
Tre e XP2 —420—357—311MHz
tW_PRI Clock Pulse Width for Primary
Clock XP2 1—1—1—ns
tSKEW_PRI Primary Clock Skew Within a
Bank XP2 —160—160—160ps
Edge Clock (ECLK1 and ECLK2)
fMAX_ECLK Frequency for Edge Clock XP2 — 420 — 357 — 311 MHz
tW_ECLK Clock Pulse Width for Edge
Clock XP2 1—1—1—ns
tSKEW_ECLK Edge Clock Skew Within an
Edge of the Device XP2 —130—130—130ps
1. General timing numbers based on LVCMOS 2.5, 12mA, 0pf load.
2. DDR timing numbers based on SSTL25.
3. DDR2 timing numbers based on SSTL18.
LatticeXP2 External Switching Characteristics (Continued)
Over Recommended Operating Conditions
Parameter Description Device
-7 -6 -5
UnitsMin. Max. Min. Max. Min. Max.

3-19
DC and Switching Characteristics
LatticeXP2 Family Data Sheet
LatticeXP2 Internal Switching Characteristics1
Over Recommended Operating Conditions
Parameter Description
-7 -6 -5
UnitsMin. Max. Min. Max. Min. Max.
PFU/PFF Logic Mode Timing
tLUT4_PFU LUT4 delay (A to D inputs to F
o u t p u t ) — 0.216 — 0.238 — 0.260 ns
tLUT6_PFU LUT6 delay (A to D inputs to OFX
output) — 0.304 — 0.399 — 0.494 ns
tLSR_PFU Set/Reset to output of PFU (Asyn-
chronous) — 0.720 — 0.769 — 0.818 ns
tSUM_PFU Clock to Mux (M0,M1) Input
Setup Time 0.154 — 0.151 — 0.148 — ns
tHM_PFU Clock to Mux (M0,M1) Input Hold
Time -0.061 — -0.057 — -0.053 — ns
tSUD_PFU Clock to D input setup time 0.061 — 0.077 — 0.093 — ns
tHD_PFU Clock to D input hold time 0.002 — 0.003 — 0.003 — ns
tCK2Q_PFU Clock to Q delay, (D-type Register
Configuration) — 0.342 — 0.363 — 0.383 ns
tRSTREC_PFU Asynchronous reset recovery
time for PFU Logic — 0.520 — 0.634 — 0.748 ns
tRST_PFU Asynchronous reset time for PFU
Logic — 0.720 — 0.769 — 0.818 ns
PFU Dual Port Memory Mode Timing
tCORAM_PFU Clock to Output (F Port) — 1.082 — 1.267 — 1.452 ns
tSUDATA_PFU Data Setup Time -0.206 — -0.240 — -0.274 — ns
tHDATA_PFU Data Hold Time 0.239 — 0.275 — 0.312 — ns
tSUADDR_PFU Address Setup Time -0.294 — -0.333 — -0.371 — ns
tHADDR_PFU Address Hold Time 0.295 — 0.333 — 0.371 — ns
tSUWREN_PFU Write/Read Enable Setup Time -0.146 — -0.169 — -0.193 — ns
tHWREN_PFU Write/Read Enable Hold Time 0.158 — 0.182 — 0.207 — ns
PIO Input/Output Buffer Timing
tIN_PIO Input Buffer Delay (LVCMOS25) — 0.858 — 0.766 — 0.674 ns
tOUT_PIO Output Buffer Delay (LVCMOS25) — 1.561 — 1.403 — 1.246 ns
IOLOGIC Input/Output Timing
tSUI_PIO Input Register Setup Time (Data
Before Clock) 0.583 — 0.893 — 1.201 — ns
tHI_PIO Input Register Hold Time (Data
after Clock) 0.062 — 0.322 — 0.482 — ns
tCOO_PIO Output Register Clock to Output
Delay — 0.608 — 0.661 — 0.715 ns
tSUCE_PIO Input Register Clock Enable
Setup Time 0.032 — 0.037 — 0.041 — ns
tHCE_PIO Input Register Clock Enable Hold
Time -0.022 — -0.025 — -0.028 — ns
tSULSR_PIO Set/Reset Setup Time 0.184 — 0.201 — 0.217 — ns
tHLSR_PIO Set/Reset Hold Time -0.080 — -0.086 — -0.093 — ns
tRSTREC_PIO Asynchronous reset recovery
time for IO Logic 0.228 — 0.247 — 0.266 — ns

3-20
DC and Switching Characteristics
LatticeXP2 Family Data Sheet
tRST_PIO Asynchronous reset time for PFU
Logic — 0.386 — 0.419 — 0.452 ns
tDEL Dynamic Delay Step Size 0.035 0.035 0.035 0.035 0.035 0.035 ns
EBR Timing
tCO_EBR Clock (Read) to Output from
Address or Data — 2.774 — 3.142 — 3.510 ns
tCOO_EBR Clock (Write) to Output from EBR
Output Register — 0.360 — 0.408 — 0.456 ns
tSUDATA_EBR Setup Data to EBR Memory
(Write Clk) -0.167 — -0.198 — -0.229 — ns
tHDATA_EBR Hold Data to EBR Memory (Write
Clk) 0.194 — 0.231 — 0.267 — ns
tSUADDR_EBR Setup Address to EBR Memory
(Write Clk) -0.117 — -0.137 — -0.157 — ns
tHADDR_EBR Hold Address to EBR Memory
(Write Clk) 0.157 — 0.182 — 0.207 — ns
tSUWREN_EBR Setup Write/Read Enable to EBR
Memory (Write/Read Clk) -0.135 — -0.159 — -0.182 — ns
tHWREN_EBR Hold Write/Read Enable to EBR
Memory (Write/Read Clk) 0.158 — 0.186 — 0.214 — ns
tSUCE_EBR Clock Enable Setup Time to EBR
Output Register (Read Clk) 0.144 — 0.160 — 0.176 — ns
tHCE_EBR Clock Enable Hold Time to EBR
Output Register (Read Clk) -0.097 — -0.113 — -0.129 — ns
tRSTO_EBR
Reset To Output Delay Time from
EBR Output Register (Asynchro-
nous)
— 1.156 — 1.341 — 1.526 ns
tSUBE_EBR Byte Enable Set-Up Time to EBR
Output Register -0.117 — -0.137 — -0.157 — ns
tHBE_EBR
Byte Enable Hold Time to EBR
Output Register Dynamic Delay
on Each PIO
0.157 — 0.182 — 0.207 — ns
tRSTREC_EBR Asynchronous reset recovery
time for EBR 0.233 — 0.291 — 0.347 — ns
tRST_EBR Asynchronous reset time for EBR — 1.156 — 1.341 — 1.526 ns
PLL Parameters
tRSTKREC_PLL
After RSTK De-assert, Recovery
Time Before Next Clock Edge
Can Toggle K-divider Counter
1.000 — 1.000 — 1.000 — ns
tRSTREC_PLL
After RST De-assert, Recovery
Time Before Next Clock Edge
Can Toggle M-divider Counter
(Applies to M-Divider Portion of
RST Only2)
1.000 — 1.000 — 1.000 — ns
DSP Block Timing
tSUI_DSP Input Register Setup Time 0.135 — 0.151 — 0.166 — ns
tHI_DSP Input Register Hold Time 0.021 — -0.006 — -0.031 — ns
tSUP_DSP Pipeline Register Setup Time 2.505 — 2.784 — 3.064 — ns
LatticeXP2 Internal Switching Characteristics1 (Continued)
Over Recommended Operating Conditions
Parameter Description
-7 -6 -5
UnitsMin. Max. Min. Max. Min. Max.

3-21
DC and Switching Characteristics
LatticeXP2 Family Data Sheet
tHP_DSP Pipeline Register Hold Time -0.787 — -0.890 — -0.994 — ns
tSUO_DSP Output Register Setup Time 4.896 — 5.413 — 5.931 — ns
tHO_DSP Output Register Hold Time -1.439 — -1.604 — -1.770 — ns
tCOI_DSP3Input Register Clock to Output
Time — 4.513 — 4.947 — 5.382 ns
tCOP_DSP3Pipeline Register Clock to Output
Time — 2.153 — 2.272 — 2.391 ns
tCOO_DSP3Output Register Clock to Output
Time — 0.569 — 0.600 — 0.631 ns
tSUADSUB AdSub Input Register Setup Time -0.270 — -0.298 — -0.327 — ns
tHADSUB AdSub Input Register Hold Time 0.306 — 0.338 — 0.371 — ns
1. Internal parameters are characterized, but not tested on every device.
2. RST resets VCO and all counters in PLL.
3. These parameters include the Adder Subtractor block in the path.
LatticeXP2 Internal Switching Characteristics1 (Continued)
Over Recommended Operating Conditions
Parameter Description
-7 -6 -5
UnitsMin. Max. Min. Max. Min. Max.

3-22
DC and Switching Characteristics
LatticeXP2 Family Data Sheet
EBR Timing Diagrams
Figure 3-6. Read/Write Mode (Normal)
Note: Input data and address are registered at the positive edge of the clock and output data appears after the positive edge of the clock.
Figure 3-7. Read/Write Mode with Input and Output Registers
A0 A1 A0 A1
D0 D1
DOA
A0
t
CO_EBR
t
CO_EBR
Invalid Data
t
CO_EBR
t
SU
t
H
D0 D1 D0
DIA
ADA
WEA
CSA
CLKA
A0 A1 A0 A0
D0 D1
output is only updated during a read cycle
A1
D0 D1
Mem(n) data from previous read
DIA
ADA
WEA
CSA
CLKA
DOA (Regs)
tSU tH
tCOO_EBR tCOO_EBR

3-23
DC and Switching Characteristics
LatticeXP2 Family Data Sheet
Figure 3-8. Write Through (SP Read/Write on Port A, Input Registers Only)
Note: Input data and address are registered at the positive edge of the clock and output data appears after the positive edge of the clock.
A0 A1 A0
D0 D1
D4
tSU
tACCESS tACCESS tACCESS
tH
D2 D3 D4
D0 D1 D2
Data from Prev Read
or Write
Three consecutive writes to A0
D3
DOA
DIA
ADA
WEA
CSA
CLKA
tACCESS

3-24
DC and Switching Characteristics
LatticeXP2 Family Data Sheet
LatticeXP2 Family Timing Adders1, 2, 3, 4
Over Recommended Operating Conditions
Buffer Type Description -7 -6 -5 Units
Input Adjusters
LVDS25 LVDS -0.26 -0.11 0.04 ns
BLVDS25 BLVDS -0.26 -0.11 0.04 ns
MLVDS LVDS -0.26 -0.11 0.04 ns
RSDS RSDS -0.26 -0.11 0.04 ns
LVPECL33 LVPECL -0.26 -0.11 0.04 ns
HSTL18_I HSTL_18 class I -0.23 -0.08 0.07 ns
HSTL18_II HSTL_18 class II -0.23 -0.08 0.07 ns
HSTL18D_I Differential HSTL 18 class I -0.28 -0.13 0.02 ns
HSTL18D_II Differential HSTL 18 class II -0.28 -0.13 0.02 ns
HSTL15_I HSTL_15 class I -0.23 -0.09 0.06 ns
HSTL15D_I Differential HSTL 15 class I -0.28 -0.13 0.01 ns
SSTL33_I SSTL_3 class I -0.20 -0.04 0.12 ns
SSTL33_II SSTL_3 class II -0.20 -0.04 0.12 ns
SSTL33D_I Differential SSTL_3 class I -0.27 -0.11 0.04 ns
SSTL33D_II Differential SSTL_3 class II -0.27 -0.11 0.04 ns
SSTL25_I SSTL_2 class I -0.21 -0.06 0.10 ns
SSTL25_II SSTL_2 class II -0.21 -0.06 0.10 ns
SSTL25D_I Differential SSTL_2 class I -0.27 -0.12 0.03 ns
SSTL25D_II Differential SSTL_2 class II -0.27 -0.12 0.03 ns
SSTL18_I SSTL_18 class I -0.23 -0.08 0.07 ns
SSTL18_II SSTL_18 class II -0.23 -0.08 0.07 ns
SSTL18D_I Differential SSTL_18 class I -0.28 -0.13 0.02 ns
SSTL18D_II Differential SSTL_18 class II -0.28 -0.13 0.02 ns
LVTTL33 LVTTL -0.09 0.05 0.18 ns
LVCMOS33 LVCMOS 3.3 -0.09 0.05 0.18 ns
LVCMOS25 LVCMOS 2.5 0.00 0.00 0.00 ns
LVCMOS18 LVCMOS 1.8 -0.23 -0.07 0.09 ns
LVCMOS15 LVCMOS 1.5 -0.20 -0.02 0.16 ns
LVCMOS12 LVCMOS 1.2 -0.35 -0.20 -0.04 ns
PCI33 3.3V PCI -0.09 0.05 0.18 ns
Output Adjusters
LVDS 2 5E LVDS 2 .5 E 5-0.25 0.02 0.30 ns
LVDS25 LVDS 2.5 -0.25 0.02 0.30 ns
BLVDS25 BLVDS 2.5 -0.28 0.00 0.28 ns
MLVDS MLVDS 2.55-0.28 0.00 0.28 ns
RSDS RSDS 2.55-0.25 0.02 0.30 ns
LVPECL33 LVPECL 3.35-0.37 -0.10 0.18 ns
HSTL18_I HSTL_18 class I 8mA drive -0.17 0.13 0.43 ns
HSTL18_II HSTL_18 class II -0.29 0.00 0.29 ns
HSTL18D_I Differential HSTL 18 class I 8mA drive -0.17 0.13 0.43 ns
HSTL18D_II Differential HSTL 18 class II -0.29 0.00 0.29 ns

3-25
DC and Switching Characteristics
LatticeXP2 Family Data Sheet
HSTL15_I HSTL_15 class I 4mA drive 0.32 0.69 1.06 ns
HSTL15D_I Differential HSTL 15 class I 4mA drive 0.32 0.69 1.06 ns
SSTL33_I SSTL_3 class I -0.25 0.05 0.35 ns
SSTL33_II SSTL_3 class II -0.31 -0.02 0.27 ns
SSTL33D_I Differential SSTL_3 class I -0.25 0.05 0.35 ns
SSTL33D_II Differential SSTL_3 class II -0.31 -0.02 0.27 ns
SSTL25_I SSTL_2 class I 8mA drive -0.25 0.02 0.30 ns
SSTL25_II SSTL_2 class II 16mA drive -0.28 0.00 0.28 ns
SSTL25D_I Differential SSTL_2 class I 8mA drive -0.25 0.02 0.30 ns
SSTL25D_II Differential SSTL_2 class II 16mA drive -0.28 0.00 0.28 ns
SSTL18_I SSTL_1.8 class I -0.17 0.13 0.43 ns
SSTL18_II SSTL_1.8 class II 8mA drive -0.18 0.12 0.42 ns
SSTL18D_I Differential SSTL_1.8 class I -0.17 0.13 0.43 ns
SSTL18D_II Differential SSTL_1.8 class II 8mA drive -0.18 0.12 0.42 ns
LVTTL33_4mA LVTTL 4mA drive -0.37 -0.05 0.26 ns
LVTTL33_8mA LVTTL 8mA drive -0.45 -0.18 0.10 ns
LVTTL33_12mA LVTTL 12mA drive -0.52 -0.24 0.04 ns
LVTTL33_16mA LVTTL 16mA drive -0.43 -0.14 0.14 ns
LVTTL33_20mA LVTTL 20mA drive -0.46 -0.18 0.09 ns
LVCMOS33_4mA LVCMOS 3.3 4mA drive, fast slew rate -0.37 -0.05 0.26 ns
LVCMOS33_8mA LVCMOS 3.3 8mA drive, fast slew rate -0.45 -0.18 0.10 ns
LVCMOS33_12mA LVCMOS 3.3 12mA drive, fast slew rate -0.52 -0.24 0.04 ns
LVCMOS33_16mA LVCMOS 3.3 16mA drive, fast slew rate -0.43 -0.14 0.14 ns
LVCMOS33_20mA LVCMOS 3.3 20mA drive, fast slew rate -0.46 -0.18 0.09 ns
LVCMOS25_4mA LVCMOS 2.5 4mA drive, fast slew rate -0.42 -0.15 0.13 ns
LVCMOS25_8mA LVCMOS 2.5 8mA drive, fast slew rate -0.48 -0.21 0.05 ns
LVCMOS25_12mA LVCMOS 2.5 12mA drive, fast slew rate 0.00 0.00 0.00 ns
LVCMOS25_16mA LVCMOS 2.5 16mA drive, fast slew rate -0.45 -0.18 0.08 ns
LVCMOS25_20mA LVCMOS 2.5 20mA drive, fast slew rate -0.49 -0.22 0.04 ns
LVCMOS18_4mA LVCMOS 1.8 4mA drive, fast slew rate -0.46 -0.18 0.10 ns
LVCMOS18_8mA LVCMOS 1.8 8mA drive, fast slew rate -0.52 -0.25 0.02 ns
LVCMOS18_12mA LVCMOS 1.8 12mA drive, fast slew rate -0.56 -0.30 -0.03 ns
LVCMOS18_16mA LVCMOS 1.8 16mA drive, fast slew rate -0.50 -0.24 0.03 ns
LVCMOS15_4mA LVCMOS 1.5 4mA drive, fast slew rate -0.45 -0.17 0.11 ns
LVCMOS15_8mA LVCMOS 1.5 8mA drive, fast slew rate -0.53 -0.26 0.00 ns
LVCMOS12_2mA LVCMOS 1.2 2mA drive, fast slew rate -0.46 -0.19 0.08 ns
LVCMOS12_6mA LVCMOS 1.2 6mA drive, fast slew rate -0.55 -0.29 -0.02 ns
LVCMOS33_4mA LVCMOS 3.3 4mA drive, slow slew rate 0.98 1.41 1.84 ns
LVCMOS33_8mA LVCMOS 3.3 8mA drive, slow slew rate 0.74 1.16 1.58 ns
LVCMOS33_12mA LVCMOS 3.3 12mA drive, slow slew rate 0.56 0.97 1.38 ns
LVCMOS33_16mA LVCMOS 3.3 16mA drive, slow slew rate 0.77 1.19 1.61 ns
LVCMOS33_20mA LVCMOS 3.3 20mA drive, slow slew rate 0.57 0.98 1.40 ns
LatticeXP2 Family Timing Adders1, 2, 3, 4 (Continued)
Over Recommended Operating Conditions
Buffer Type Description -7 -6 -5 Units

3-26
DC and Switching Characteristics
LatticeXP2 Family Data Sheet
LVCMOS25_4mA LVCMOS 2.5 4mA drive, slow slew rate 1.05 1.43 1.81 ns
LVCMOS25_8mA LVCMOS 2.5 8mA drive, slow slew rate 0.78 1.15 1.52 ns
LVCMOS25_12mA LVCMOS 2.5 12mA drive, slow slew rate 0.59 0.96 1.33 ns
LVCMOS25_16mA LVCMOS 2.5 16mA drive, slow slew rate 0.81 1.18 1.55 ns
LVCMOS25_20mA LVCMOS 2.5 20mA drive, slow slew rate 0.61 0.98 1.35 ns
LVCMOS18_4mA LVCMOS 1.8 4mA drive, slow slew rate 1.01 1.38 1.75 ns
LVCMOS18_8mA LVCMOS 1.8 8mA drive, slow slew rate 0.72 1.08 1.45 ns
LVCMOS18_12mA LVCMOS 1.8 12mA drive, slow slew rate 0.53 0.90 1.26 ns
LVCMOS18_16mA LVCMOS 1.8 16mA drive, slow slew rate 0.74 1.11 1.48 ns
LVCMOS15_4mA LVCMOS 1.5 4mA drive, slow slew rate 0.96 1.33 1.71 ns
LVCMOS15_8mA LVCMOS 1.5 8mA drive, slow slew rate -0.53 -0.26 0.00 ns
LVCMOS12_2mA LVCMOS 1.2 2mA drive, slow slew rate 0.90 1.27 1.65 ns
LVCMOS12_6mA LVCMOS 1.2 6mA drive, slow slew rate -0.55 -0.29 -0.02 ns
PCI33 3.3V PCI -0.29 -0.01 0.26 ns
1. Timing Adders are characterized but not tested on every device.
2. LVCMOS timing measured with the load specified in Switching Test Condition table.
3. All other standards tested according to the appropriate specifications.
4. The base parameters used with these timing adders to calculate timing are listed in the LatticeXP2 Internal Switching Characteristics table
under PIO Input/Output Timing.
5. These timing adders are measured with the recommended resistor values.
LatticeXP2 Family Timing Adders1, 2, 3, 4 (Continued)
Over Recommended Operating Conditions
Buffer Type Description -7 -6 -5 Units

3-27
DC and Switching Characteristics
LatticeXP2 Family Data Sheet
sysCLOCK PLL Timing
Over Recommended Operating Conditions
Parameter Description Conditions Min. Typ. Max. Units
fIN Input Clock Frequency (CLKI, CLKFB) 10 — 435 MHz
fOUT Output Clock Frequency (CLKOP,
CLKOS) 10 — 435 MHz
fOUT2 K-Divider Output Frequency CLKOK 0.078 — 217.5 MHz
CLKOK2 3.3 — 145 MHz
fVCO PLL VCO Frequency 435 — 870 MHz
fPFD Phase Detector Input Frequency 10 — 435 MHz
AC Characteristics
tDT Output Clock Duty Cycle Default duty cycle selected 345 50 55 %
tCPA Coarse Phase Adjust -5 0 5 %
tPH4Output Phase Accuracy -5 0 5 %
tOPJIT1Output Clock Period Jitter
fOUT > 400 MHz — — ±50 ps
100 MHz < fOUT < 400 MHz — — ±125 ps
fOUT < 100 MHz — — 0.025 UIPP
tSK Input Clock to Output Clock Skew N/M = integer — — ±240 ps
tOPW Output Clock Pulse Width At 90% or 10% 1 — — ns
tLOCK2PLL Lock-in Time 25 to 435 MHz — — 50 µs
10 to 25 MHz — — 100 µs
tIPJIT Input Clock Period Jitter — — ±200 ps
tFBKDLY External Feedback Delay — — 10 ns
tHI Input Clock High Time 90% to 90% 0.5 — — ns
tLO Input Clock Low Time 10% to 10% 0.5 — — ns
tRSTKW Reset Signal Pulse Width (RSTK) 10 — — ns
tRSTW Reset Signal Pulse Width (RST) 500 — — ns
1. Jitter sample is taken over 10,000 samples of the primary PLL output with clean reference clock.
2. Output clock is valid after tLOCK for PLL reset and dynamic delay adjustment.
3. Using LVDS output buffers.
4. Relative to CLKOP.

3-28
DC and Switching Characteristics
LatticeXP2 Family Data Sheet
LatticeXP2 sysCONFIG Port Timing Specifications
Over Recommended Operating Conditions
Parameter Description Min Max Units
sysCONFIG POR, Initialization and Wake Up
tICFG Minimum Vcc to INITN High — 50 ms
tVMC Time from tICFG to valid Master CCLK — 2 µs
tPRGMRJ PROGRAMN Pin Pulse Rejection — 12 ns
tPRGM PROGRAMN Low Time to Start Configuration 50 — ns
tDINIT1PROGRAMN High to INITN High Delay — 1 ms
tDPPINIT Delay Time from PROGRAMN Low to INITN Low — 50 ns
tDPPDONE Delay Time from PROGRAMN Low to DONE Low — 50 ns
tIODISS User I/O Disable from PROGRAMN Low — 35 ns
tIOENSS User I/O Enabled Time from CCLK Edge During Wake-up Sequence — 25 ns
tMWC Additional Wake Master Clock Signals after DONE Pin High 0 — Cycles
sysCONFIG SPI Port (Master)
tCFGX INITN High to CCLK Low — 1 µs
tCSSPI INITN High to CSSPIN Low — 2 µs
tCSCCLK CCLK Low before CSSPIN Low 0 — ns
tSOCDO CCLK Low to Output Valid — 15 ns
tCSPID CSSPIN[0:1] Low to First CCLK Edge Setup Time 2cyc 600+6cyc ns
fMAXSPI Max CCLK Frequency — 20 MHz
tSUSPI SOSPI Data Setup Time Before CCLK 7 — ns
tHSPI SOSPI Data Hold Time After CCLK 10 — ns
sysCONFIG SPI Port (Slave)
fMAXSPIS Slave CCLK Frequency — 25 MHz
tRF Rise and Fall Time 50 — mV/ns
tSTCO Falling Edge of CCLK to SOSPI Active — 20 ns
tSTOZ Falling Edge of CCLK to SOSPI Disable — 20 ns
tSTSU Data Setup Time (SISPI) 8 — ns
tSTH Data Hold Time (SISPI) 10 — ns
tSTCKH CCLK Clock Pulse Width, High 0.02 200 µs
tSTCKL CCLK Clock Pulse Width, Low 0.02 200 µs
tSTVO Falling Edge of CCLK to Valid SOSPI Output — 20 ns
tSCS CSSPISN High Time 25 — ns
tSCSS CSSPISN Setup Time 25 — ns
tSCSH CSSPISN Hold Time 25 — ns
1. Re-toggling the PROGRAMN pin is not permitted until the INITN pin is high. Avoid consecutive toggling of PROGRAMN.

3-29
DC and Switching Characteristics
LatticeXP2 Family Data Sheet
On-Chip Oscillator and Configuration Master Clock Characteristics
Over Recommended Operating Conditions
Figure 3-9. Master SPI Configuration Waveforms
Parameter Min. Max. Units
Master Clock Frequency Selected value -30% Selected value +30% MHz
Duty Cycle 40 60 %
Opcode Address
0 1 2 3 … 7 8 9 10 … 31 32 33 34 … 127 128
VCC
PROGRAMN
DONE
INITN
CSSPIN
CCLK
SISPI
SOSPI
Capture CFGx
Capture CR0
Ignore Valid Bitstream

3-30
DC and Switching Characteristics
LatticeXP2 Family Data Sheet
Flash Download Time (from On-Chip Flash to SRAM)
Over Recommended Operating Conditions
Flash Program Time
Over Recommended Operating Conditions
Flash Erase Time
Over Recommended Operating Conditions
Symbol Parameter Min. Typ. Max. Units
tREFRESH
PROGRAMN Low-to-
High. Transition to Done
High.
XP2-5 — 1.8 2.1 ms
XP2-8 — 1.9 2.3 ms
XP2-17 — 1.7 2.0 ms
XP2-30 — 2.0 2.1 ms
XP2-40 — 2.0 2.3 ms
Power-up refresh when
PROGRAMN is pulled
up to VCC
(VCC=VCC Min)
XP2-5 — 1.8 2.1 ms
XP2-8 — 1.9 2.3 ms
XP2-17 — 1.7 2.0 ms
XP2-30 — 2.0 2.1 ms
XP2-40 — 2.0 2.3 ms
Device Flash Density
Program Time
UnitsTyp.
XP2-5 1.2M TA G 1 . 0 m s
Main Array 1.1 s
XP2-8 2.0M TA G 1 . 0 m s
Main Array 1.4 s
XP2-17 3.6M TAG 1 . 0 m s
Main Array 1.8 s
XP2-30 6.0M TAG 2 . 0 m s
Main Array 3.0 s
XP2-40 8.0M TAG 2 . 0 m s
Main Array 4.0 s
Device Flash Density
Erase Time
UnitsTyp.
XP2-5 1.2M TA G 1 . 0 s
Main Array 3.0 s
XP2-8 2.0M TA G 1 . 0 s
Main Array 4.0 s
XP2-17 3.6M TAG 1 . 0 s
Main Array 5.0 s
XP2-30 6.0M TAG 2 . 0 s
Main Array 7.0 s
XP2-40 8.0M TAG 2 . 0 s
Main Array 9.0 s

3-31
DC and Switching Characteristics
LatticeXP2 Family Data Sheet
FlashBAK Time (from EBR to Flash)
Over Recommended Operating Conditions
JTAG Port Timing Specifications
Over Recommended Operating Conditions
Device EBR Density (Bits) Time (Typ.) Units
XP2-5 166K 1.5 s
XP2-8 221K 1.5 s
XP2-17 276K 1.5 s
XP2-30 387K 2.0 s
XP2-40 885K 3.0 s
Symbol Parameter Min. Max. Units
fMAX TCK Clock Frequency — 25 MHz
tBTCP TCK [BSCAN] clock pulse width 40 — ns
tBTCPH TCK [BSCAN] clock pulse width high 20 — ns
tBTCPL TCK [BSCAN] clock pulse width low 20 — ns
tBTS TCK [BSCAN] setup time 8 — ns
tBTH TCK [BSCAN] hold time 10 — ns
tBTRF TCK [BSCAN] rise/fall time 50 — mV/ns
tBTCO TAP controller falling edge of clock to valid output — 10 ns
tBTCODIS TAP controller falling edge of clock to valid disable — 10 ns
tBTCOEN TAP controller falling edge of clock to valid enable — 10 ns
tBTCRS BSCAN test capture register setup time 8 — ns
tBTCRH BSCAN test capture register hold time 25 — ns
tBUTCO BSCAN test update register, falling edge of clock to valid output — 25 ns
tBTUODIS BSCAN test update register, falling edge of clock to valid disable — 25 ns
tBTUPOEN BSCAN test update register, falling edge of clock to valid enable — 25 ns

3-32
DC and Switching Characteristics
LatticeXP2 Family Data Sheet
Figure 3-10. JTAG Port Timing Waveforms
TMS
TDI
TCK
TDO
Data to be
captured
from I/O
Data to be
driven out
to I/O
ataD dilaVataD dilaV
ataD dilaVataD dilaV
Data Captured
t
BTCPH
t
BTCPL
t
BTCOEN
t
BTCRS
t
BTUPOEN
t
BUTCO
t
BTUODIS
t
BTCRH
t
BTCO
t
BTCODIS
t
BTS
t
BTH
t
BTCP

3-33
DC and Switching Characteristics
LatticeXP2 Family Data Sheet
Switching Test Conditions
Figure 3-11 shows the output test load that is used for AC testing. The specific values for resistance, capacitance,
voltage, and other test conditions are shown in Table 3-6.
Figure 3-11. Output Test Load, LVTTL and LVCMOS Standards
Table 3-6. Test Fixture Required Components, Non-Terminated Interfaces
Test Condition R1R2CLTiming Ref. VT
LVTTL and other LVCMOS settings (L -> H, H -> L)
0pF
LVCMOS 3.3 = 1.5V —
LVCMOS 2.5 = VCCIO/2 —
LVCMOS 1.8 = VCCIO/2 —
LVCMOS 1.5 = VCCIO/2 —
LVCMOS 1.2 = VCCIO/2 —
LVCMOS 2.5 I/O (Z -> H) 1MVCCIO/2 —
LVCMOS 2.5 I/O (Z -> L) 1MVCCIO/2 VCCIO
LVCMOS 2.5 I/O (H -> Z) 100 VOH - 0.10 —
LVCMOS 2.5 I/O (L -> Z) 100 VOL + 0.10 VCCIO
Note: Output test conditions for all other interfaces are determined by the respective standards.
DUT
V
T
R1
R2
CL*
Test Poi nt
*CL Includes Test Fixture and Probe Capacitance

www.latticesemi.com 4-1 Pinout Information_01.7
February 2012 Data Sheet DS1009
© 2012 Lattice Semiconductor Corp. All Lattice trademarks, registered trademarks, patents, and disclaimers are as listed at www.latticesemi.com/legal. All other brand
or product names are trademarks or registered trademarks of their respective holders. The specifications and information herein are subject to change without notice.
Signal Descriptions
Signal Name I/O Description
General Purpose
P[Edge] [Row/Column Number*]_[A/B] I/O
[Edge] indicates the edge of the device on which the pad is located. Valid
edge designations are L (Left), B (Bottom), R (Right), T (Top).
[Row/Column Number] indicates the PFU row or the column of the device on
which the PIC exists. When Edge is T (Top) or B (Bottom), only need to spec-
ify Row Number. When Edge is L (Left) or R (Right), only need to specify Col-
umn Number.
[A/B] indicates the PIO within the PIC to which the pad is connected. Some of
these user-programmable pins are shared with special function pins. These
pins, when not used as special purpose pins, can be programmed as I/Os for
user logic. During configuration the user-programmable I/Os are tri-stated
with an internal pull-up resistor enabled. If any pin is not used (or not bonded
to a package pin), it is also tri-stated with an internal pull-up resistor enabled
after configuration.
GSRN I Global RESET signal (active low). Any I/O pin can be GSRN.
NC — No connect.
GND — Ground. Dedicated pins.
VCC — Power supply pins for core logic. Dedicated pins.
VCCAUX —
Auxiliary power supply pin. This dedicated pin powers all the differential and
referenced input buffers.
VCCPLL — PLL supply pins. csBGA, PQFP and TQFP packages only.
VCCIOx — Dedicated power supply pins for I/O bank x.
VREF1_x, VREF2_x —Reference supply pins for I/O bank x. Pre-determined pins in each bank are
assigned as VREF inputs. When not used, they may be used as I/O pins.
PLL and Clock Functions (Used as user programmable I/O pins when not in use for PLL or clock pins)
[LOC][num]_VCCPLL — Power supply pin for PLL: LLC, LRC, URC, ULC, num = row from center.
[LOC][num]_GPLL[T, C]_IN_A I General Purpose PLL (GPLL) input pads: LLC, LRC, URC, ULC, num = row
from center, T = true and C = complement, index A,B,C...at each side.
[LOC][num]_GPLL[T, C]_FB_A I Optional feedback GPLL input pads: LLC, LRC, URC, ULC, num = row from
center, T = true and C = complement, index A,B,C...at each side.
PCLK[T, C]_[n:0]_[3:0] I Primary Clock pads, T = true and C = complement, n per side, indexed by
bank and 0,1,2,3 within bank.
[LOC]DQS[num] I
DQS input pads: T (Top), R (Right), B (Bottom), L (Left), DQS, num = ball
function number. Any pad can be configured to be output.
Test and Programming (Dedicated Pins)
TMS I Test Mode Select input, used to control the 1149.1 state machine. Pull-up is
enabled during configuration.
TCK I
Test Clock input pin, used to clock the 1149.1 state machine. No pull-up
enabled.
TDI I
Test Data in pin. Used to load data into device using 1149.1 state machine.
After power-up, this TAP port can be activated for configuration by sending
appropriate command. (Note: once a configuration port is selected it is
locked. Another configuration port cannot be selected until the power-up
sequence). Pull-up is enabled during configuration.
LatticeXP2 Family Data Sheet
Pinout Information

4-2
Pinout Information
LatticeXP2 Family Data Sheet
TDO O Output pin. Test Data Out pin used to shift data out of a device using 1149.1.
VCCJ — Power supply pin for JTAG Test Access Port.
Configuration Pads (Used during sysCONFIG)
CFG[1:0] I Mode pins used to specify configuration mode values latched on rising edge
of INITN. During configuration, an internal pull-up is enabled.
INITN1I/O Open Drain pin. Indicates the FPGA is ready to be configured. During config-
uration, a pull-up is enabled.
PROGRAMN I
Initiates configuration sequence when asserted low. This pin always has an
active pull-up.
DONE I/O
Open Drain pin. Indicates that the configuration sequence is complete, and
the startup sequence is in progress.
CCLK I/O Configuration Clock for configuring an FPGA in sysCONFIG mode.
SISPI2I/O Input data pin in slave SPI mode and Output data pin in Master SPI mode.
SOSPI2I/O Output data pin in slave SPI mode and Input data pin in Master SPI mode.
CSSPIN2OChip select for external SPI Flash memory in Master SPI mode. This pin has
a weak internal pull-up.
CSSPISN I Chip select in Slave SPI mode. This pin has a weak internal pull-up.
TOE I
Test Output Enable tristates all I/O pins when driven low. This pin has a weak
internal pull-up, but when not used an external pull-up to VCC is recom-
mended.
1. If not actively driven, the internal pull-up may not be sufficient. An external pull-up resistor of 4.7k to 10k is recommended.
2. When using the device in Master SPI mode, it must be mutually exclusive from JTAG operations (i.e. TCK tied to GND) or the JTAG TCK
must be free-running when used in a system JTAG test environment. If Master SPI mode is used in conjunction with a JTAG download
cable, the device power cycle is required after the cable is unplugged.
Signal Descriptions (Cont.)
Signal Name I/O Description

4-3
Pinout Information
LatticeXP2 Family Data Sheet
PICs and DDR Data (DQ) Pins Associated with the DDR Strobe (DQS) Pin
PICs Associated with
DQS Strobe PIO Within PIC
DDR Strobe (DQS) and
Data (DQ) Pins
For Left and Right Edges of the Device
P[Edge] [n-4] ADQ
BDQ
P[Edge] [n-3] ADQ
BDQ
P[Edge] [n-2] ADQ
BDQ
P[Edge] [n-1] ADQ
BDQ
P[Edge] [n] A[Edge]DQSn
BDQ
P[Edge] [n+1] ADQ
BDQ
P[Edge] [n+2] ADQ
BDQ
P[Edge] [n+3] ADQ
BDQ
For Top and Bottom Edges of the Device
P[Edge] [n-4] ADQ
BDQ
P[Edge] [n-3] ADQ
BDQ
P[Edge] [n-2] ADQ
BDQ
P[Edge] [n-1] ADQ
BDQ
P[Edge] [n] A [Edge]DQSn
BDQ
P[Edge] [n+1] ADQ
BDQ
P[Edge] [n+2] ADQ
BDQ
P[Edge] [n+3] ADQ
BDQ
P[Edge] [n+4] ADQ
BDQ
Notes:
1. “n” is a row PIC number.
2. The DDR interface is designed for memories that support one DQS strobe up to 16 bits
of data for the left and right edges and up to 18 bits of data for the top and bottom
edges. In some packages, all the potential DDR data (DQ) pins may not be available.
PIC numbering definitions are provided in the “Signal Names” column of the Signal
Descriptions table.

4-4
Pinout Information
LatticeXP2 Family Data Sheet
Pin Information Summary
Pin Type
XP2-5 XP2-8 XP2-17 XP2-30 XP2-40
132
csBGA
144
TQFP
208
PQFP
256
ftBGA
132
csBGA
144
TQFP
208
PQFP
256
ftBGA
208
PQFP
256
ftBGA
484
fpBGA
256
ftBGA
484
fpBGA
672
fpBGA
484
fpBGA
672
fpBGA
Single Ended User I/O 86 100 146 172 86 100 146 201 146 201 358 201 363 472 363 540
Differential Pair
User I/O
Normal 35 39 57 66 35 39 57 77 57 77 135 77 137 180 137 204
Highspeed 8 11 16 20 8 11 16 23 16 23 44 23 44 56 44 66
Configuration
TAP 5555555555555555
Muxed 9999999999999999
Dedicated1111111111111111
Non Configura-
tion
Muxed 5 57 7 7 79 9111121 7 11131113
Dedicated1111111111111111
Vcc 6 49 6 6 49 6 9 6 16 6 16201620
Vccaux 4444444444848888
VCCPLL 222-222-4-------
VCCIO
Bank0 2222222222424444
Bank1 1122112222424444
Bank2 2222222222424444
Bank3 1122112222424444
Bank4 1122112222424444
Bank5 2222222222424444
Bank6 1122112222424444
Bank7 2222222222424444
GND, GND0-GND7 15 15 20 20 15 15 22 20 22 20 56 20 56 64 56 64
NC - -431- -22-2722692 1
Single Ended/
Differential I/O
per Bank
Bank0 18/9 20/10 20/10 26/13 18/9 20/10 20/10 28/14 20/10 28/14 52/26 28/14 52/26 70/35 52/26 70/35
Bank1 4/2 6/3 18/9 18/9 4/2 6/3 18/9 22/11 18/9 22/11 36/18 22/11 36/18 54/27 36/18 70/35
Bank2 16/8 18/9 18/9 22/11 16/8 18/9 18/9 26/13 18/9 26/13 46/23 26/13 46/23 56/28 46/23 64/32
Bank3 4/2 4/2 16/8 20/10 4/2 4/2 16/8 24/12 16/8 24/12 44/22 24/12 46/23 56/28 46/23 66/33
Bank4 8/4 8/4 18/9 18/9 8/4 8/4 18/9 26/13 18/9 26/13 36/18 26/13 38/19 54/27 38/19 70/35
Bank5 14/7 18/9 20/10 24/12 14/7 18/9 20/10 24/12 20/10 24/12 52/26 24/12 53/26 70/35 53/26 70/35
Bank6 6/3 8/4 18/9 22/11 6/3 8/4 18/9 27/13 18/9 27/13 46/23 27/13 46/23 56/28 46/23 66/33
Bank7 16/8 18/9 18/9 22/11 16/8 18/9 18/9 24/12 18/9 24/12 46/23 24/12 46/23 56/28 46/23 64/32
True LVDS Pairs
Bonding Out per
Bank
Bank0 0000000000000000
Bank1 0000000000000000
Bank2 3 44 5 3 44 6 4 6 11 6 11141116
Bank3 1 14 5 1 14 6 4 6 11 6 11141117
Bank4 0000000000000000
Bank5 0000000000000000
Bank6 1 24 5 1 24 6 4 6 11 6 11141117
Bank7 3 44 5 3 44 5 4 5 11 5 11141116
DDR Banks
Bonding Out per
I/O Bank1
Bank0 1111111111312424
Bank1 0011001111212324
Bank2 1111111111213334
Bank3 0011001111213334
Bank4 0011001111212324
Bank5 1111111111312424
Bank6 0011001111213334
Bank7 1111111111213334

4-5
Pinout Information
LatticeXP2 Family Data Sheet
Logic Signal Connections
Package pinout information can be found under “Data Sheets” on the LatticeXP2 product page of the Lattice web-
site a www.latticesemi.com/products/fpga/xp2 and in the Lattice Diamond design software.
Thermal Management
Thermal management is recommended as part of any sound FPGA design methodology. To assess the thermal
characteristics of a system, Lattice specifies a maximum allowable junction temperature in all device data sheets.
Designers must complete a thermal analysis of their specific design to ensure that the device and package do not
exceed the junction temperature limits. Refer to the Lattice Thermal Management document to find the device/
package specific thermal values.
For Further Information
• TN1139, Power Estimation and Management for LatticeXP2 Devices
• Power Calculator tool is included with the Lattice Diamond design tool or as a standalone download from
www.latticesemi.com/products/designsoftware
PCI capable I/Os
Bonding Out per
Bank
Bank0 18202026182020282028522852705270
Bank1 4 61818 4 618221822362236543670
Bank2 0000000000000000
Bank3 0000000000000000
Bank4 8 81818 8 818261826362638543870
Bank5 14182024141820242024522453705370
Bank6 0000000000000000
Bank7 0000000000000000
1. Minimum requirement to implement a fully functional 8-bit wide DDR bus. Available DDR interface consists of at least 12 I/Os (1 DQS + 1 DQSB + 8 DQs + 1 DM
+ Bank VREF1).
Pin Information Summary (Cont.)
Pin Type
XP2-5 XP2-8 XP2-17 XP2-30 XP2-40
132
csBGA
144
TQFP
208
PQFP
256
ftBGA
132
csBGA
144
TQFP
208
PQFP
256
ftBGA
208
PQFP
256
ftBGA
484
fpBGA
256
ftBGA
484
fpBGA
672
fpBGA
484
fpBGA
672
fpBGA

www.latticesemi.com 5-1 Order Info_01.3
February 2012 Data Sheet DS1009
© 2012 Lattice Semiconductor Corp. All Lattice trademarks, registered trademarks, patents, and disclaimers are as listed at www.latticesemi.com/legal. All other brand
or product names are trademarks or registered trademarks of their respective holders. The specifications and information herein are subject to change without notice.
Part Number Description
LFXP2 – XX E – X XXXXX X
Grade
C = Commercial
I = Industrial
Logic Capacity
5 = 5K LUTs
8 = 8K LUTs
17 = 17K LUTs
30 = 30K LUTs
40 = 40K LUTs
Supply Voltage
E = 1.2V
Speed
5 = Slowest
6
7 = Fastest
Package
M132 = 132-ball csBGA
FT256 = 256-ball ftBGA
F484 = 484-ball fpBGA
F672 = 672-ball fpBGA
MN132 = 132-ball Lead-Free csBGA
TN144 = 144-pin Lead-Free TQFP
QN208 = 208-pin Lead-Free PQFP
FTN256 = 256-ball Lead-Free ftBGA
FN484 = 484-ball Lead-Free fpBGA
FN672 = 672-ball Lead-Free fpBGA
Device Family
XP2
Ordering Information
The LatticeXP2 devices are marked with a single temperature grade, either Commercial or Industrial, as shown
below.
LFXP2-17E
7FT256C
Datecode
LFXP2-17E
6FT256I
Datecode
LatticeXP2 Family Data Sheet
Ordering Information

5-2
Ordering Information
LatticeXP2 Family Data Sheet
Lead-Free Packaging
Commercial
Part Number Voltage Grade Package Pins Temp. LUTs (k)
LFXP2-5E-5MN132C 1.2V -5 Lead-Free csBGA 132 COM 5
LFXP2-5E-6MN132C 1.2V -6 Lead-Free csBGA 132 COM 5
LFXP2-5E-7MN132C 1.2V -7 Lead-Free csBGA 132 COM 5
LFXP2-5E-5TN144C 1.2V -5 Lead-Free TQFP 144 COM 5
LFXP2-5E-6TN144C 1.2V -6 Lead-Free TQFP 144 COM 5
LFXP2-5E-7TN144C 1.2V -7 Lead-Free TQFP 144 COM 5
LFXP2-5E-5QN208C 1.2V -5 Lead-Free PQFP 208 COM 5
LFXP2-5E-6QN208C 1.2V -6 Lead-Free PQFP 208 COM 5
LFXP2-5E-7QN208C 1.2V -7 Lead-Free PQFP 208 COM 5
LFXP2-5E-5FTN256C 1.2V -5 Lead-Free ftBGA 256 COM 5
LFXP2-5E-6FTN256C 1.2V -6 Lead-Free ftBGA 256 COM 5
LFXP2-5E-7FTN256C 1.2V -7 Lead-Free ftBGA 256 COM 5
Part Number Voltage Grade Package Pins Temp. LUTs (k)
LFXP2-8E-5MN132C 1.2V -5 Lead-Free csBGA 132 COM 8
LFXP2-8E-6MN132C 1.2V -6 Lead-Free csBGA 132 COM 8
LFXP2-8E-7MN132C 1.2V -7 Lead-Free csBGA 132 COM 8
LFXP2-8E-5TN144C 1.2V -5 Lead-Free TQFP 144 COM 8
LFXP2-8E-6TN144C 1.2V -6 Lead-Free TQFP 144 COM 8
LFXP2-8E-7TN144C 1.2V -7 Lead-Free TQFP 144 COM 8
LFXP2-8E-5QN208C 1.2V -5 Lead-Free PQFP 208 COM 8
LFXP2-8E-6QN208C 1.2V -6 Lead-Free PQFP 208 COM 8
LFXP2-8E-7QN208C 1.2V -7 Lead-Free PQFP 208 COM 8
LFXP2-8E-5FTN256C 1.2V -5 Lead-Free ftBGA 256 COM 8
LFXP2-8E-6FTN256C 1.2V -6 Lead-Free ftBGA 256 COM 8
LFXP2-8E-7FTN256C 1.2V -7 Lead-Free ftBGA 256 COM 8
Part Number Voltage Grade Package Pins Temp. LUTs (k)
LFXP2-17E-5QN208C 1.2V -5 Lead-Free PQFP 208 COM 17
LFXP2-17E-6QN208C 1.2V -6 Lead-Free PQFP 208 COM 17
LFXP2-17E-7QN208C 1.2V -7 Lead-Free PQFP 208 COM 17
LFXP2-17E-5FTN256C 1.2V -5 Lead-Free ftBGA 256 COM 17
LFXP2-17E-6FTN256C 1.2V -6 Lead-Free ftBGA 256 COM 17
LFXP2-17E-7FTN256C 1.2V -7 Lead-Free ftBGA 256 COM 17
LFXP2-17E-5FN484C 1.2V -5 Lead-Free fpBGA 484 COM 17
LFXP2-17E-6FN484C 1.2V -6 Lead-Free fpBGA 484 COM 17
LFXP2-17E-7FN484C 1.2V -7 Lead-Free fpBGA 484 COM 17

5-3
Ordering Information
LatticeXP2 Family Data Sheet
Industrial
Part Number Voltage Grade Package Pins Temp. LUTs (k)
LFXP2-30E-5FTN256C 1.2V -5 Lead-Free ftBGA 256 COM 30
LFXP2-30E-6FTN256C 1.2V -6 Lead-Free ftBGA 256 COM 30
LFXP2-30E-7FTN256C 1.2V -7 Lead-Free ftBGA 256 COM 30
LFXP2-30E-5FN484C 1.2V -5 Lead-Free fpBGA 484 COM 30
LFXP2-30E-6FN484C 1.2V -6 Lead-Free fpBGA 484 COM 30
LFXP2-30E-7FN484C 1.2V -7 Lead-Free fpBGA 484 COM 30
LFXP2-30E-5FN672C 1.2V -5 Lead-Free fpBGA 672 COM 30
LFXP2-30E-6FN672C 1.2V -6 Lead-Free fpBGA 672 COM 30
LFXP2-30E-7FN672C 1.2V -7 Lead-Free fpBGA 672 COM 30
Part Number Voltage Grade Package Pins Temp. LUTs (k)
LFXP2-40E-5FN484C 1.2V -5 Lead-Free fpBGA 484 COM 40
LFXP2-40E-6FN484C 1.2V -6 Lead-Free fpBGA 484 COM 40
LFXP2-40E-7FN484C 1.2V -7 Lead-Free fpBGA 484 COM 40
LFXP2-40E-5FN672C 1.2V -5 Lead-Free fpBGA 672 COM 40
LFXP2-40E-6FN672C 1.2V -6 Lead-Free fpBGA 672 COM 40
LFXP2-40E-7FN672C 1.2V -7 Lead-Free fpBGA 672 COM 40
Part Number Voltage Grade Package Pins Temp. LUTs (k)
LFXP2-5E-5MN132I 1.2V -5 Lead-Free csBGA 132 IND 5
LFXP2-5E-6MN132I 1.2V -6 Lead-Free csBGA 132 IND 5
LFXP2-5E-5TN144I 1.2V -5 Lead-Free TQFP 144 IND 5
LFXP2-5E-6TN144I 1.2V -6 Lead-Free TQFP 144 IND 5
LFXP2-5E-5QN208I 1.2V -5 Lead-Free PQFP 208 IND 5
LFXP2-5E-6QN208I 1.2V -6 Lead-Free PQFP 208 IND 5
LFXP2-5E-5FTN256I 1.2V -5 Lead-Free ftBGA 256 IND 5
LFXP2-5E-6FTN256I 1.2V -6 Lead-Free ftBGA 256 IND 5
Part Number Voltage Grade Package Pins Temp. LUTs (k)
LFXP2-8E-5MN132I 1.2V -5 Lead-Free csBGA 132 IND 8
LFXP2-8E-6MN132I 1.2V -6 Lead-Free csBGA 132 IND 8
LFXP2-8E-5TN144I 1.2V -5 Lead-Free TQFP 144 IND 8
LFXP2-8E-6TN144I 1.2V -6 Lead-Free TQFP 144 IND 8
LFXP2-8E-5QN208I 1.2V -5 Lead-Free PQFP 208 IND 8
LFXP2-8E-6QN208I 1.2V -6 Lead-Free PQFP 208 IND 8
LFXP2-8E-5FTN256I 1.2V -5 Lead-Free ftBGA 256 IND 8
LFXP2-8E-6FTN256I 1.2V -6 Lead-Free ftBGA 256 IND 8

5-4
Ordering Information
LatticeXP2 Family Data Sheet
Part Number Voltage Grade Package Pins Temp. LUTs (k)
LFXP2-17E-5QN208I 1.2V -5 Lead-Free PQFP 208 IND 17
LFXP2-17E-6QN208I 1.2V -6 Lead-Free PQFP 208 IND 17
LFXP2-17E-5FTN256I 1.2V -5 Lead-Free ftBGA 256 IND 17
LFXP2-17E-6FTN256I 1.2V -6 Lead-Free ftBGA 256 IND 17
LFXP2-17E-5FN484I 1.2V -5 Lead-Free fpBGA 484 IND 17
LFXP2-17E-6FN484I 1.2V -6 Lead-Free fpBGA 484 IND 17
Part Number Voltage Grade Package Pins Temp. LUTs (k)
LFXP2-30E-5FTN256I 1.2V -5 Lead-Free ftBGA 256 IND 30
LFXP2-30E-6FTN256I 1.2V -6 Lead-Free ftBGA 256 IND 30
LFXP2-30E-5FN484I 1.2V -5 Lead-Free fpBGA 484 IND 30
LFXP2-30E-6FN484I 1.2V -6 Lead-Free fpBGA 484 IND 30
LFXP2-30E-5FN672I 1.2V -5 Lead-Free fpBGA 672 IND 30
LFXP2-30E-6FN672I 1.2V -6 Lead-Free fpBGA 672 IND 30
Part Number Voltage Grade Package Pins Temp. LUTs (k)
LFXP2-40E-5FN484I 1.2V -5 Lead-Free fpBGA 484 IND 40
LFXP2-40E-6FN484I 1.2V -6 Lead-Free fpBGA 484 IND 40
LFXP2-40E-5FN672I 1.2V -5 Lead-Free fpBGA 672 IND 40
LFXP2-40E-6FN672I 1.2V -6 Lead-Free fpBGA 672 IND 40

5-5
Ordering Information
LatticeXP2 Family Data Sheet
Conventional Packaging
Commercial
Part Number Voltage Grade Package Pins Temp. LUTs (k)
LFXP2-5E-5M132C 1.2V -5 csBGA 132 COM 5
LFXP2-5E-6M132C 1.2V -6 csBGA 132 COM 5
LFXP2-5E-7M132C 1.2V -7 csBGA 132 COM 5
LFXP2-5E-5FT256C 1.2V -5 ftBGA 256 COM 5
LFXP2-5E-6FT256C 1.2V -6 ftBGA 256 COM 5
LFXP2-5E-7FT256C 1.2V -7 ftBGA 256 COM 5
Part Number Voltage Grade Package Pins Temp. LUTs (k)
LFXP2-8E-5M132C 1.2V -5 csBGA 132 COM 8
LFXP2-8E-6M132C 1.2V -6 csBGA 132 COM 8
LFXP2-8E-7M132C 1.2V -7 csBGA 132 COM 8
LFXP2-8E-5FT256C 1.2V -5 ftBGA 256 COM 8
LFXP2-8E-6FT256C 1.2V -6 ftBGA 256 COM 8
LFXP2-8E-7FT256C 1.2V -7 ftBGA 256 COM 8
Part Number Voltage Grade Package Pins Temp. LUTs (k)
LFXP2-17E-5FT256C 1.2V -5 ftBGA 256 COM 17
LFXP2-17E-6FT256C 1.2V -6 ftBGA 256 COM 17
LFXP2-17E-7FT256C 1.2V -7 ftBGA 256 COM 17
LFXP2-17E-5F484C 1.2V -5 fpBGA 484 COM 17
LFXP2-17E-6F484C 1.2V -6 fpBGA 484 COM 17
LFXP2-17E-7F484C 1.2V -7 fpBGA 484 COM 17
Part Number Voltage Grade Package Pins Temp. LUTs (k)
LFXP2-30E-5FT256C 1.2V -5 ftBGA 256 COM 30
LFXP2-30E-6FT256C 1.2V -6 ftBGA 256 COM 30
LFXP2-30E-7FT256C 1.2V -7 ftBGA 256 COM 30
LFXP2-30E-5F484C 1.2V -5 fpBGA 484 COM 30
LFXP2-30E-6F484C 1.2V -6 fpBGA 484 COM 30
LFXP2-30E-7F484C 1.2V -7 fpBGA 484 COM 30
LFXP2-30E-5F672C 1.2V -5 fpBGA 672 COM 30
LFXP2-30E-6F672C 1.2V -6 fpBGA 672 COM 30
LFXP2-30E-7F672C 1.2V -7 fpBGA 672 COM 30

5-6
Ordering Information
LatticeXP2 Family Data Sheet
Industrial
Part Number Voltage Grade Package Pins Temp. LUTs (k)
LFXP2-40E-5F484C 1.2V -5 fpBGA 484 COM 40
LFXP2-40E-6F484C 1.2V -6 fpBGA 484 COM 40
LFXP2-40E-7F484C 1.2V -7 fpBGA 484 COM 40
LFXP2-40E-5F672C 1.2V -5 fpBGA 672 COM 40
LFXP2-40E-6F672C 1.2V -6 fpBGA 672 COM 40
LFXP2-40E-7F672C 1.2V -7 fpBGA 672 COM 40
Part Number Voltage Grade Package Pins Temp. LUTs (k)
LFXP2-5E-5M132I 1.2V -5 csBGA 132 IND 5
LFXP2-5E-6M132I 1.2V -6 csBGA 132 IND 5
LFXP2-5E-6FT256I 1.2V -6 ftBGA 256 IND 5
Part Number Voltage Grade Package Pins Temp. LUTs (k)
LFXP2-8E-5M132I 1.2V -5 csBGA 132 IND 8
LFXP2-8E-6M132I 1.2V -6 csBGA 132 IND 8
LFXP2-5E-5FT256I 1.2V -5 ftBGA 256 IND 5
LFXP2-8E-5FT256I 1.2V -5 ftBGA 256 IND 8
LFXP2-8E-6FT256I 1.2V -6 ftBGA 256 IND 8
Part Number Voltage Grade Package Pins Temp. LUTs (k)
LFXP2-17E-5FT256I 1.2V -5 ftBGA 256 IND 17
LFXP2-17E-6FT256I 1.2V -6 ftBGA 256 IND 17
LFXP2-17E-5F484I 1.2V -5 fpBGA 484 IND 17
LFXP2-17E-6F484I 1.2V -6 fpBGA 484 IND 17
Part Number Voltage Grade Package Pins Temp. LUTs (k)
LFXP2-30E-5FT256I 1.2V -5 ftBGA 256 IND 30
LFXP2-30E-6FT256I 1.2V -6 ftBGA 256 IND 30
LFXP2-30E-5F484I 1.2V -5 fpBGA 484 IND 30
LFXP2-30E-6F484I 1.2V -6 fpBGA 484 IND 30
LFXP2-30E-5F672I 1.2V -5 fpBGA 672 IND 30
LFXP2-30E-6F672I 1.2V -6 fpBGA 672 IND 30

5-7
Ordering Information
LatticeXP2 Family Data Sheet
Part Number Voltage Grade Package Pins Temp. LUTs (k)
LFXP2-40E-5F484I 1.2V -5 fpBGA 484 IND 40
LFXP2-40E-6F484I 1.2V -6 fpBGA 484 IND 40
LFXP2-40E-5F672I 1.2V -5 fpBGA 672 IND 40
LFXP2-40E-6F672I 1.2V -6 fpBGA 672 IND 40

February 2012 Data Sheet DS1009
© 2012 Lattice Semiconductor Corp. All Lattice trademarks, registered trademarks, patents, and disclaimers are as listed at www.latticesemi.com/legal. All other brand
or product names are trademarks or registered trademarks of their respective holders. The specifications and information herein are subject to change without notice.
www.latticesemi.com 6-1 Further Info_01.2
For Further Information
A variety of technical notes for the LatticeXP2 FPGA family are available on the Lattice Semiconductor web site at
www.latticesemi.com.
• TN1136, LatticeXP2 sysIO Usage Guide
• TN1137, LatticeXP2 Memory Usage Guide
• TN1138, LatticeXP2 High Speed I/O Interface
• TN1126, LatticeXP2 sysCLOCK PLL Design and Usage Guide
• TN1139, Power Estimation and Management for LatticeXP2 Devices
• TN1140, LatticeXP2 sysDSP Usage Guide
• TN1141, LatticeXP2 sysCONFIG Usage Guide
• TN1142, LatticeXP2 Configuration Encryption and Security Usage Guide
• TN1087, Minimizing System Interruption During Configuration Using TransFR Technology
• TN1220, LatticeXP2 Dual Boot Feature
• TN1130, LatticeXP2 Soft Error Detection (SED) Usage Guide
• TN1143, LatticeXP2 Hardware Checklist
For further information on interface standards refer to the following websites:
• JEDEC Standards (LVTTL, LVCMOS, SSTL, HSTL): www.jedec.org
• PCI: www.pcisig.com
LatticeXP2 Family Data Sheet
Supplemental Information

September 2014 Data Sheet DS1009
© 2014 Lattice Semiconductor Corp. All Lattice trademarks, registered trademarks, patents, and disclaimers are as listed at www.latticesemi.com/legal. All other brand
or product names are trademarks or registered trademarks of their respective holders. The specifications and information herein are subject to change without notice.
www.latticesemi.com 7-1
Revision History
Date Version Section Change Summary
May 2007 01.1 — Initial release.
September 2007 01.2 DC and Switching
Characteristics
Added JTAG Port Timing Waveforms diagram.
Updated sysCLOCK PLL Timing table.
Pinout Information Added Thermal Management text section.
February 2008 01.3 Architecture Added LVCMOS33D to Supported Output Standards table.
Clarified: “This Flash can be programmed through either the JTAG or
Slave SPI ports of the device. The SRAM configuration space can also
be infinitely reconfigured through the JTAG and Master SPI ports.”
Added External Slave SPI Port to Serial TAG Memory section. Updated
Serial TAG Memory diagram.
DC and Switching
Characteristics
Updated Flash Programming Specifications table.
Added “8W” specification to Hot Socketing Specifications table.
Updated Timing Tables
Clarifications for IIH in DC Electrical Characteristics table.
Added LVCMOS33D section
Updated DOA and DOA (Regs) to EBR Timing diagrams.
Removed Master Clock Frequency and Duty Cycle sections from the
LatticeXP2 sysCONFIG Port Timing Specifications table. These are
listed on the On-chip Oscillator and Configuration Master Clock Charac-
teristics table.
Changed CSSPIN to CSSPISN in description of tSCS, tSCSS, and tSCSH
parameters. Removed tSOE parameter.
Clarified On-chip Oscillator documentation
Added Switching Test Conditions
Pinout Information Added “True LVDS Pairs Bonding Out per Bank,” “DDR Banks Bonding
Out per I/O Bank,” and “PCI capable I/Os Bonding Out per Bank” to Pin
Information Summary in place of previous blank table “PCI and DDR
Capabilities of the Device-Package Combinations”
Removed pinout listing. This information is available on the LatticeXP2
product web pages
Ordering Information Added XP2-17 “8W” and all other family OPNs.
April 2008 01.4 DC and Switching
Characteristics
Updated Absolute Maximum Ratings footnotes.
Updated Recommended Operating Conditions Table footnotes.
Updated Supply Current (Standby) Table
Updated Initialization Supply Current Table
Updated Programming and Erase Flash Supply Current Table
Updated Register to Register Performance Table
Updated LatticeXP2 External Switching Characteristics Table
Updated LatticeXP2 Internal Switching Characteristics Table
Updated sysCLOCK PLL Timing Table
LatticeXP2 Family Data Sheet
Revision History

7-2
Revision History
LatticeXP2 Family Data Sheet
April 2008
(cont.)
01.4
(cont.)
DC and Switching
Characteristics (cont.)
Updated Flash Download Time (From On-Chip Flash to SRAM) Table
Updated Flash Program Time Table
Updated Flash Erase Time Table
Updated FlashBAK (from EBR to Flash) Table
Updated Hot Socketing Specifications Table footnotes
Pinout Information Updated Signal Descriptions Table
June 2008 01.5 Architecture Removed Read-Before-Write sysMEM EBR mode.
Clarification of the operation of the secondary clock regions.
DC and Switching
Characteristics
Removed Read-Before-Write sysMEM EBR mode.
Pinout Information Updated DDR Banks Bonding Out per I/O Bank section of Pin Informa-
tion Summary Table.
August 2008 01.6 — Data sheet status changed from preliminary to final.
Architecture Clarification of the operation of the secondary clock regions.
DC and Switching
Characteristics
Removed “8W” specification from Hot Socketing Specifications table.
Removed "8W" footnote from DC Electrical Characteristics table.
Updated Register-to-Register Performance table.
Ordering Information Removed “8W” option from Part Number Description.
Removed XP2-17 “8W” OPNs.
April 2011 01.7 DC and Switching
Characteristics
Recommended Operating Conditions table, added footnote 5.
On-Chip Flash Memory Specifications table, added footnote 1.
BLVDS DC Conditions, corrected column title to be Z0 = 90 ohms.
sysCONFIG Port Timing Specifications table, added footnote 1 for
tDINIT
.
January 2012 01.8 Multiple Added support for Lattice Diamond design software.
Architecture Corrected information regarding SED support.
DC and Switching
Characteristics
Added reference to ESD Performance Qualification Summary informa-
tion.
May 2013 01.9 All Updated document with new corporate logo.
Architecture Architecture Overview – Added information on the state of the
register on power up and after configuration.
Added information regarding SED support.
DC and Switching
Characteristics
Removed Input Clock Rise/Fall Time 1ns max from the sysCLOCK PLL
Timing table.
Ordering Information Updated topside mark in Ordering Information diagram.
March 2014 02.0 Architecture Updated Typical sysIO I/O Behavior During Power-up section. Added
information on POR signal deactivation.
August 2014 02.1 Architecture Updated Typical sysIO I/O Behavior During Power-up section.
Described user I/Os during power up and before FPGA core logic is
active.
September 2014 2.2 DC and Switching
Characteristics
Updated Switching Test Conditions section. Re-linked missing figure.
Date Version Section Change Summary
Products related to this Datasheet
IC FPGA 86 I/O 132CSBGA
IC FPGA 146 I/O 208QFP
IC FPGA 100 I/O 144TQFP
IC FPGA 86 I/O 132CSBGA
IC FPGA 100 I/O 144TQFP
IC FPGA 86 I/O 132CSBGA
IC FPGA 86 I/O 132CSBGA
IC FPGA 146 I/O 208QFP
IC FPGA 363 I/O 484FBGA
IC FPGA 146 I/O 208QFP
IC FPGA 201 I/O 256FTBGA
IC FPGA 146 I/O 208QFP
IC FPGA 201 I/O 256FTBGA
IC FPGA 201 I/O 256FTBGA
IC FPGA 540 I/O 672FPBGA
IC FPGA 201 I/O 256FTBGA
IC FPGA 100 I/O 144TQFP
IC FPGA 172 I/O 256FTBGA
IC FPGA 100 I/O 144TQFP
IC FPGA 100 I/O 144TQFP
IC FPGA 201 I/O 256FTBGA
IC FPGA 363 I/O 484FBGA
IC FPGA 201 I/O 256FTBGA
IC FPGA 100 I/O 144TQFP
IC FPGA 172 I/O 256FTBGA
IC FPGA 146 I/O 208QFP
IC FPGA 146 I/O 208QFP
IC FPGA 146 I/O 208QFP
IC FPGA 358 I/O 484FBGA
KIT DEV LATTICE XP2 BREVIA2