MAX9940 Datasheet by Maxim Integrated

View All Related Products | Download PDF Datasheet
lVI/JXI/VI 4T_ $5 T H E ,,,,, ; fl Jul * 45% [MAXI/VI
General Description
The MAX9940 signal-line overvoltage protector for low-
voltage digital communication ports provides protection
against high-voltage faults and ESD strikes. The
MAX9940 is especially useful for sensitive communica-
tion protocols such as Maxim 1-Wire®that cannot
afford standard means of fault protection, such as large
series resistors or large line capacitances.
The MAX9940 operates from a single supply voltage of
+2.2V to +5.5V and consumes only 13µA of quiescent
supply current. The EXT port is protected up to 28V.
The device features a reaction time of 60ns for fast
action during fault conditions and operates over the
-40°C to +125°C automotive temperature range.
Applications
Notebook Computers
Portable Devices
Industrial Equipment
Features
28V Protection on EXT
Extended ESD Protection
±4kV IEC 61000-4 Contact on EXT
+2.2V to +5.5V Supply Voltage Range
13µA Quiescent Supply Current
60ns Fault Reaction Time
Small, 5-Pin SC70
-40°C to +125°C Temperature Range
MAX9940
Signal-Line Overvoltage Protector
for Low-Voltage Devices
________________________________________________________________
Maxim Integrated Products
1
19-4168; Rev 0; 2/09
For pricing, delivery, and ordering information, please contact Maxim Direct at 1-888-629-4642,
or visit Maxim’s website at www.maxim-ic.com.
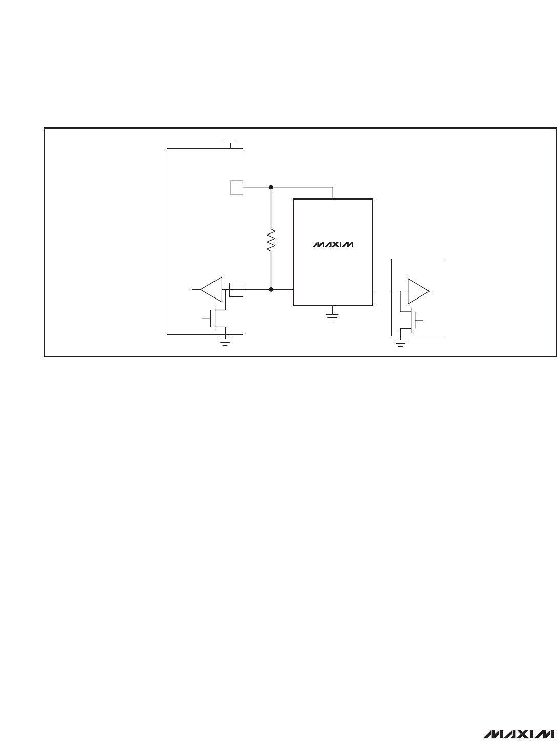
NOTEBOOK ADAPTER
MICROCONTROLLER
EXT
GND
INT
1-Wire
DEVICE
2kΩ
20V
+
-
N
PROTECTION
CIRCUIT
ENABLE VCC
DATA
P
NOTEBOOK
BATTERY
CHARGER
LOAD
VDD = 3.3V
MAX9940
Rx
Tx
Rx
Tx
Block Diagram/Typical Application Circuit
Ordering Information
PART TEMP RANGE PIN-
PACKAGE
TOP
MARK
MAX9940AXK+ -40°C to +125°C 5 SC70 ATC
+
Denotes a lead(Pb)-free/RoHS-compliant package.
1-Wire is a registered trademark of Maxim Integrated Products, Inc.
[MAXI/VI
MAX9940
Signal-Line Overvoltage Protector
for Low-Voltage Devices
2 _______________________________________________________________________________________
ABSOLUTE MAXIMUM RATINGS
Stresses beyond those listed under “Absolute Maximum Ratings” may cause permanent damage to the device. These are stress ratings only, and functional
operation of the device at these or any other conditions beyond those indicated in the operational sections of the specifications is not implied. Exposure to
absolute maximum rating conditions for extended periods may affect device reliability.
(All voltages with respect to GND.)
VCC ...........................................................................-0.3V to +6V
INT ............................................................................-0.3V to +6V
EXT .........................................................................-0.3V to +30V
Continuous Input Current into Any Terminal.....................±20mA
Continuous Power Dissipation (TA= +70°C)
5-Pin SC70 (derate 3.1mW/°C above +70°C)..............245mW
Operating Temperature Range .........................-40°C to +125°C
Junction Temperature......................................................+150°C
Storage Temperature Range .............................-65°C to +150°C
PARAMETER SYMBOL CONDITIONS MIN TYP MAX UNITS
POWER SUPPLY
Power-Supply Voltage VCC 2.2 5.5 V
Quiescent Supply Current ICC VINT = 0 13 21 µA
DC CHARACTERISTICS
INT Voltage Range VINT 0 5.5 V
EXT Voltage Range VEXT (Note 2) -0.7 +28 V
EXT Rising Threshold VTHR VCC +
0.19
VCC +
0.26
VCC +
0.30 V
EXT Falling Threshold VTHF VCC +
0.09
VCC +
0.13
VCC +
0.16 V
SWITCH CHARACTERISTICS
On-Resistance RON 0 < VEXT < VCC, IEXT = ±10mA 43.5 77.5 Ω
On-Capacitance CON Capacitance to GND 38 pF
INT Off-Capacitance COFF Capacitance to GND 27 pF
INT Normal Operation Leakage
Current (to GND) 0 < VINT < VCC, VCC = 5.5V 3 4.2 µA
EXT Normal Operation Leakage
Current (to GND) 0 < VEXT < VCC, VCC = 5.5V 3 5 µA
INT Fault Leakage Current VINT = 3.3V, VEXT = 28V 2 10 nA
EXT Fault Leakage Current VINT = 3.3V, VEXT = 28V 341 510 µA
VCC = VDD = 0, 2.2V < VDD < 5.5V,
RINT_PULLUP = 2kΩ to VDD 38 70 µA
INT Shutdown Leakage Current
(to GND) VCC = VDD = 0 1 nA
AC CHARACTERISTICS
Power-Up Delay Time tPUP 500 µs
Fault, VEXT = 10V, RINT_PULLUP = 200Ω98 200
Fault Reaction Time tOFF Fault, VEXT = 16V, RINT_PULLUP = 200Ω60 ns
Fault Recovery Time tON Fault removed, VEXT < VCC - 0.8V 271 375 ns
Note 1: All devices are 100% production tested at TA= +25°C. Specifications over temperature limits are guaranteed by design.
Note 2: Minimum EXT voltage of -0.7V is allowed only with a maximum drawn current of 20mA.
ELECTRICAL CHARACTERISTICS
(VCC = +3.3V, RINT_PULLUP = 2kΩto VDD, VDD = 3.3V, TA= TMIN to TMAX, unless otherwise noted. Typical values are at
TA= +25°C.) (Note 1)
owgswswcu \ [VI A X I [VI urr \suLA‘mNmE) m ‘23 nu no» my FREUUENEY \sz mM mum WT anuwcd 1 3n
MAX9940
Signal-Line Overvoltage Protector
for Low-Voltage Devices
_______________________________________________________________________________________ 3
0
20
10
40
30
50
60
0231456
ON-RESISTANCE
vs. VCM
MAX9940 toc01
VCM (V)
ON-RESISTANCE (Ω)
VCC = 2.5V
VCC = 3.3V
VCC = 5.5V
0
10
20
30
40
50
60
01.00.5 1.5 2.0 2.5 3.0 3.5 4.0
ON-RESISTANCE
vs. VCM
MAX9940 toc02
VCM (V)
ON-RESISTANCE (Ω)
TA = +125°C
TA = +85°C
TA = +25°C
TA = -40°C
0
50
100
150
200
250
300
-50 0-25 25 50 75 100 125 150
TURN-ON/TURN-OFF TIME
vs. TEMPERATURE
MAX9940 toc03
TEMPERATURE (°C)
TURN-ON/TURN-OFF TIME (ns)
TURN-ON
TURN-OFF
EXT = 0 TO 10V
SQUARE WAVE
RPULLUP = 200Ω
0
50
100
150
200
250
300
-50 0-25 25 50 75 100 125 150
TURN-ON/TURN-OFF TIME
vs. TEMPERATURE
MAX9940 toc04
TEMPERATURE (°C)
TURN-ON/TURN-OFF TIME (ns)
TURN-ON
TURN-OFF
EXT = 0 TO 16V
SQUARE WAVE
RPULLUP = 200Ω
12.0
13.0
12.5
14.0
13.5
14.5
15.0
15.5
16.0
2.0 3.0 3.52.5 4.0 4.5 5.0 5.5 6.0
SUPPLY CURRENT
vs. SUPPLY VOLTAGE
MAX9940 toc05
SUPPLY VOLTAGE (V)
SUPPLY CURRENT (µA)
TA = +125°C
TA = +85°C
TA = +25°C
TA = -40°C
INSERTION LOSS vs. FREQUENCY
MAX9940 toc06
FREQUENCY (Hz)
INSERTION LOSS (dB)
10M1M100k10k
-6
-5
-4
-3
-2
-1
0
1
2
3
-7
1k 100M
OFF-ISOLATION
vs. FREQUENCY
MAX9940 toc07
FREQUENCY (Hz)
OFF-ISOLATION (dB)
10M1M100k10k
-100
-80
-60
-40
-20
0
-120
1k 100M
INT
500mV/div
EXT
1V/div
TIME (40
μ
s/div)
FAULT TURN-ON AND RECOVERY TIME
MAX9940 toc08
VDD = VCC = 3.3V
0
0
Typical Operating Characteristics
(VCC = +3.3V, RINT_PULLUP = 2kΩto VDD, VDD = 3.3V, TA= TMIN to TMAX, unless otherwise noted.)
EXT 5de v WT WIN 0 303 253 203 ‘53 mo vnmm THREanm 3 AMEmm-sru A FAUU "JEN-DH Alll'l REGDVEKV 'IIME (snunnuv man: mm m Tn v“) 20 25 muwzzsz T ME «awn A an Allll er Is. SUPPLY “In“! an m 35 4D 45 suPPmuLMuEm 5a AMEmm-sru A m me n WE (mm-yaw) E [MAXI/VI
MAX9940
Signal-Line Overvoltage Protector
for Low-Voltage Devices
4 _______________________________________________________________________________________
Typical Operating Characteristics (continued)
(VCC = +3.3V, RINT_PULLUP = 2kΩto VDD, VDD = 3.3V, TA= TMIN to TMAX, unless otherwise noted.)
FAULT RECOVERY TIME
MAX9940 toc10
TIME (100ns/div)
INT
500mV/div
EXT
5V/div
RPULLUP = 2kΩ
0
0
FAULT TURN-ON AND RECOVERY TIME
(SCHOTTKY DIODE FROM INT TO VCC)
MAX9940 toc11
TIME (40μs/div)
INT
1V/div
EXT
5V/div
RPULLUP = 2Ω
0
0
FAULT TURN-ON TIME
(SCHOTTKY DIODE FROM INT TO VCC)
MAX9940 toc12
TIME (100ns/div)
INT
1V/div
EXT
5V/div
0
0
0
50
100
150
200
250
300
2.0 3.02.5 3.5 4.0 4.5 5.0 5.5 6.0
VTHR AND VTHF
vs. SUPPLY VOLTAGE
MAX9940 toc13
SUPPLY VOLTAGE (V)
VOLTAGE THRESHOD (mV)
VTHR
VTHF
0
100
50
200
150
250
300
-50 25 50-25 0 75 100 125
VTHR AND VTHF
vs. TEMPERATURE
MAX9940 toc14
TEMPERATURE (°C)
VOLTAGE THRESHOLD (mV)
VTHR
VTHF
FAULT TURN-ON TIME
MAX9940 toc09
TIME (100ns/div)
INT
2V/div
EXT
5V/div
RPULLUP = 200Ω
0
0
[VI A X I [VI
Detailed Description
The MAX9940 is a signal-line overvoltage protector for
low-voltage devices that provides circuit protection
from high-voltage faults and ESD strikes. The device
provides protection in digital communication lines such
as 1-Wire and I2C protocols where large series resis-
tance and capacitances cannot be used to provide
protection due to their impact on VIL/VIH levels and
communication timing. The MAX9940 includes a series
switch that connects INT to EXT. When a high-voltage
fault condition occurs on EXT, the MAX9940 quickly
shuts off the series switch and isolates the low-voltage
device from the fault condition. In addition to providing
DC fault isolation, the MAX9940 also provides up to
±4kV IEC 61000-4 contact ESD protection on EXT. The
MAX9940 is ideal for circuits that require low-voltage
devices that communicate to the outside world over
connector ports that can expose them to hazardous
high-voltage DC faults and ESD strikes.
Series Switch
The MAX9940 features a series switch to connect a
low-voltage device such as a microcontroller to an
external communication device such as a 1-Wire or I2C
slave. The internal switch is turned off when disabled or
if a fault condition exists, isolating the microcontroller
from any possible damage. The nominal switch resis-
tance is 38Ω(typ). The series switch is composed of
parallel DMOS and HV-pMOS devices as shown in the
Block Diagram/Typical Application Circuit
. The series
switch cell contains circuitry that ensures the pMOS
device turns off properly when the voltage at EXT
exceeds the supply voltage. The switch can withstand
a maximum voltage of 28V at EXT.
Comparator
The MAX9940 features a low-power, high-speed com-
parator that is used to turn off the series switch if a
high-voltage condition is detected on EXT. The nominal
hysteresis of the comparator is 128mV (typical). Fault
voltages on EXT that are slightly above VCC trigger the
comparator to quickly isolate INT and EXT channels
from each other. In this mode, the MAX9940 is able to
withstand 28V on EXT. Negative voltages on EXT are
allowed as long as they are current-limited to less than
20mA.
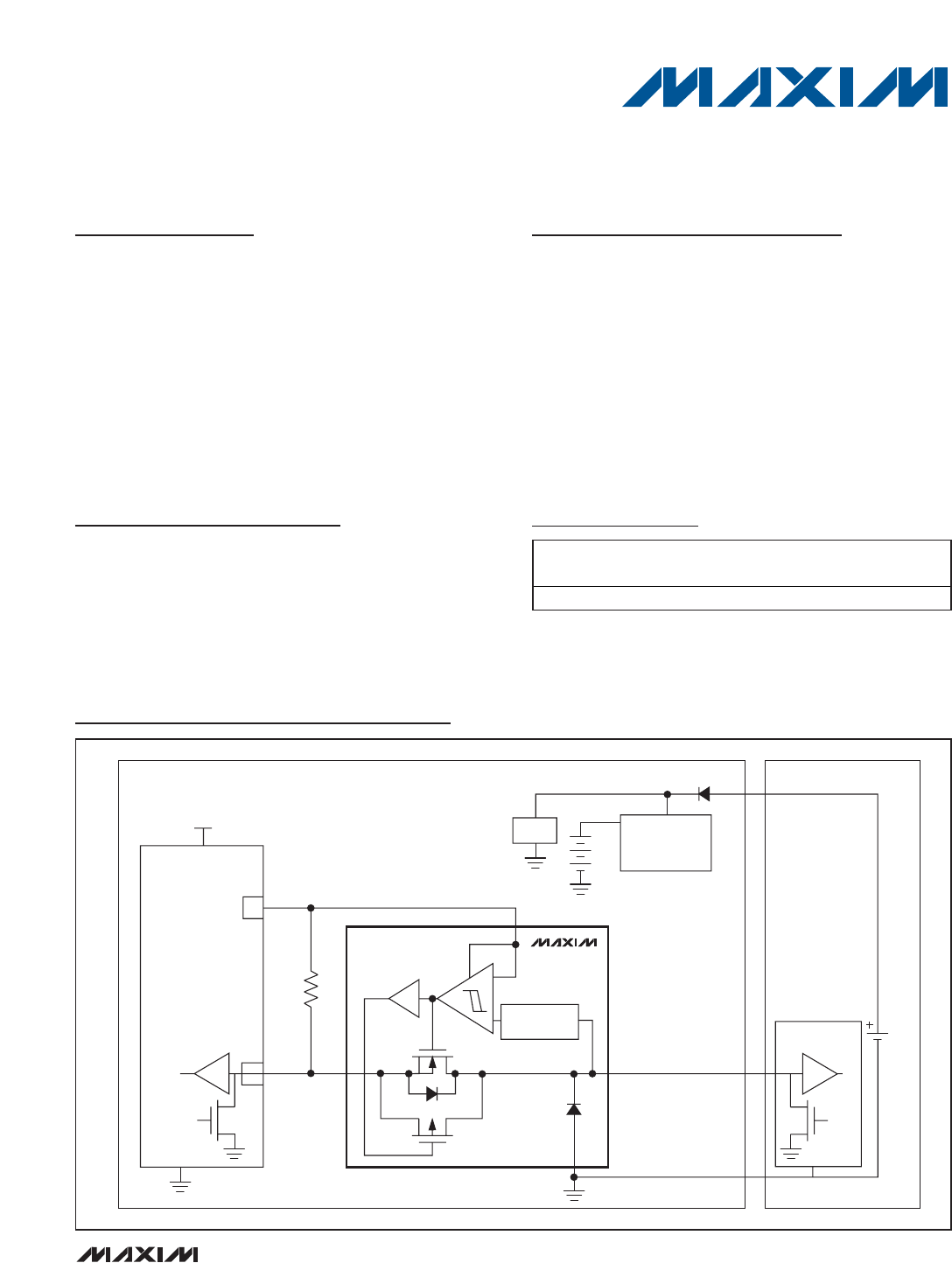
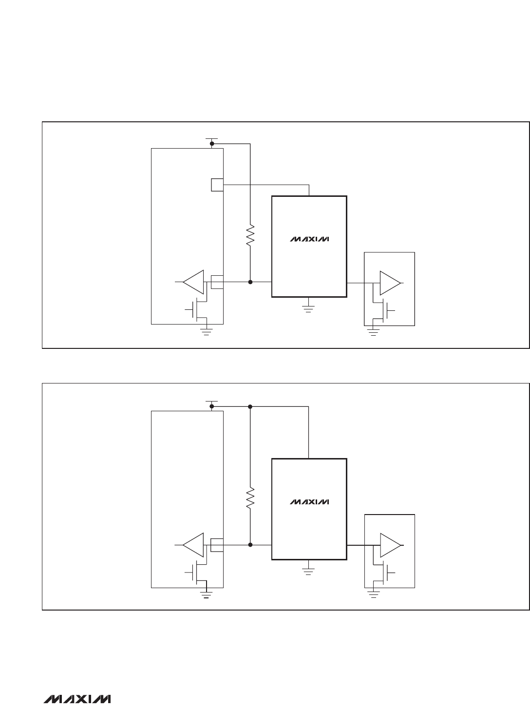
Typical Application Circuits
The innovative design of the MAX9940 allows it to with-
stand large DC voltages up to 28V at INT and EXT even
when VCC is 0. This allows application-specific power-
saving and fault-protection schemes to be implemented.
Figures 1 and 2 show two methods of powering the
MAX9940 from an ENABLE digital output port of the
microcontroller. Figure 3 shows the conventional method
of operating the MAX9940 with both pullup resistor for
digital communication on DATA (RP) and VCC being
connected directly to VDD of the microcontroller.
MAX9940
Signal-Line Overvoltage Protector
for Low-Voltage Devices
_______________________________________________________________________________________ 5_______________________________________________________________________________________ 5
Pin Description
PIN NAME FUNCTION
1V
CC Power Supply. Can be connected to a microcontroller enable input.
2 GND Ground
3 N.C. No Connection. Not internally connected.
4 INT Microcontroller I/O Port. Connection to a microcontroller data port.
5 EXT External Connector Port. Connection to a 1-Wire device.
MAXIM HF [VI/J X I [VI
MAX9940
In all three schemes, the MAX9940 protects the micro-
controller from both DC fault voltages above VCC and
ESD strikes on EXT. The difference in the three
schemes lies in the impact on power consumption in
battery-operated devices during normal and short to
GND fault conditions.
Figure 1 shows a recommended configuration for battery-
operated devices that need to conserve power both on
a continuous basis as well as during short to GND fault
conditions. In this scheme, the ENABLE port of a micro-
controller supplies the quiescent current for the
MAX9940 as well as that required for digital communi-
cation (i.e., RPpullup resistor). By forcing a 0 on the
ENABLE digital output port of the microcontroller, the
MAX9940 is in a zero-power shutdown mode, while also
preventing any power drain to occur in the event of a
short to GND fault on EXT. As stated earlier, EXT main-
tains the ability to withstand DC voltages up to 28V
even when VCC = 0.
In Figure 2, the ENABLE port of a microcontroller pow-
ers the MAX9940. The low 13µA operating current
allows standard digital I/O ports to easily supply the
operating current of the MAX9940 without any substan-
tial voltage drop (VOH VDD). By forcing a 0 on the
ENABLE port of the microcontroller, the MAX9940 can
be put into a zero-power mode, thus conserving battery
power. It should be noted that there is no internal ESD
diode from INT to VCC. This allows the voltage at INT to
stay at VDD even though VCC = 0, thus drawing no cur-
rent from RPor the battery. However, an internal diode
does exist from INT to EXT, and therefore, in the event
of a short to GND fault on EXT, current is drawn through
RP, causing a power drain from VDD, and can potential-
ly reduce battery life.
In Figure 3, VDD powers the MAX9940 directly, and
consumes quiescent current on a continuous basis. In
this mode, the internal FET between INT and EXT is
kept on as long as the voltage on EXT is below VCC. As
a result, in the event of a short to GND fault on EXT,
current is drawn through RP, causing a power drain
from VDD and potentially reducing battery life.
Signal-Line Overvoltage Protector
for Low-Voltage Devices
6 _______________________________________________________________________________________
MICROCONTROLLER
EXT
GND
INT
ENABLE VCC
RP
2kΩ
VDD = 3.3V
MAX9940
DATA
Rx
Tx
1-Wire
DEVICE
Rx
Tx
Figure 1. Recommended Scheme for Battery-Operated Devices that Need to Shut Down the MAX9940 and Prevent Power Draw
During Short to GND Faults
lVl/le/VI [[[[[[[[ [VI/JXIIVI
MAX9940
Signal-Line Overvoltage Protector
for Low-Voltage Devices
_______________________________________________________________________________________ 7
MICROCONTROLLER
EXT
GND
INT
VCC
RP
2kΩ
VDD = 3.3V
MAX9940
DATA
Rx
Tx
1-Wire
DEVICE
Rx
Tx
Figure 3. Recommended Operating Circuit for Nonbattery-Operated Applications
MICROCONTROLLER
EXT
GND
INT
ENABLE VCC
RP
2kΩ
VDD = 3.3V
MAX9940
1-Wire
DEVICE
Rx
Tx
DATA
Rx
Tx
Figure 2. Recommended Scheme for Applications that Require the MAX9940 to be Put into Shutdown
W MAXIM [VI/J X I [VI
MAX9940
Signal-Line Overvoltage Protector
for Low-Voltage Devices
8 _______________________________________________________________________________________
GND
INTN.C.
1 5 EXTVCC
MAX9940
SC70
+
TOP VIEW
2
34
Pin Configuration Chip Information
PROCESS: BiCMOS
Fol the Iatest package Ou‘hfle Informauon and Iand patterns. go to wwwtmaxim-ic.comlgackages m ms REF E CEIMMEIN DIMENSIEINS -—D—- x swam MIN NUM MAX E A nan 0.55 mm , , I I At um um um 1% A2 was 0.5“ mu U I L b MS nae nan —F c m on ms Ammax f )1 Isl] eun 22a A e ‘65 ESE. H E HE Inn 220 an L nas 03A ms 2' L1 noes rw mtnm/ — m m | 025 I am mm 7 can: X5 1 _ a 0| 4 P: Nut:: 1. ALL DIMENSIEINS ARE IN MILLIMETERSI a DIMENSIENS ARE INCLUSIVE [IF FLAUNEI 3tDIMEN31mS ARE EXCLUSIVE LIE MEILD FLASH a. METAL meat I EDMPLY m JEHA Stiflfih EXCEPT run uIMENsIuN 'L't ALL DIMENSIDNS CEIMFLV m JEDEC Mu-znat IEDPLANARIYY 4 MILE MAXt rum LENGTH MEASURED AI INIERCEPI PEIINT IIENEEN HATUM 'A- Am: LEAD SHRFAEE AMARKING I: FDR FACKAEE DRIENTATIDN REFERENCE uNLv. 3‘ LEAD CENYERLINES In BE AI YRUE PEISI'UEIN AS DEFINED Iav BASIC DIMENSIDN '9', was .L)A I “I EDW zvmxuw / -nRAVINE NEW In SEALE-
MAX9940
Signal-Line Overvoltage Protector
for Low-Voltage Devices
Maxim cannot assume responsibility for use of any circuitry other than circuitry entirely embodied in a Maxim product. No circuit patent licenses are
implied. Maxim reserves the right to change the circuitry and specifications without notice at any time.
Maxim Integrated Products, 120 San Gabriel Drive, Sunnyvale, CA 94086 408-737-7600 _____________________
9
© 2009 Maxim Integrated Products Maxim is a registered trademark of Maxim Integrated Products, Inc.
PACKAGE TYPE PACKAGE CODE DOCUMENT NO.
5 SC70 X5-1 21-0076
Package Information
For the latest package outline information and land patterns, go to www.maxim-ic.com/packages.
SC70, 5L.EPS
PACKAGE OUTLINE, 5L SC70
21-0076
1
1
E

Products related to this Datasheet

IC OVERVOLTAGE PROTECTOR SC70-5
IC OVERVOLTAGE PROTECTOR SC70-5
EVALUATION KIT FOR MAX9940
IC OVERVOLTAGE PROTECTOR SC70-5