
Tab is
VOUT
INPUT
OUTPUT
ADJ/GND
VOUT INPUT
OUTPUT
ADJ/GND
LMS1585A/87-3.3VIN 4.75V 3.3V
3A, 5A
+ + C2*
10 µF
C1
10 µF
* Required for Stability
LMS1585A , LMS1587
www.ti.com
SNVS061G –MONTH 2003–REVISED JULY 2013
LMS1585A 5A/LMS1587 5A and 3A Low Dropout Fast Response Regulators
Check for Samples: LMS1585A ,LMS1587
1FEATURES DESCRIPTION
The LMS1585A and LMS1587 are low dropout
234• Fast Transient Response positive regulators with output load current of 5A and
• Available in Adjustable, 1.5V, and 3.3V 3A respectively. Their low dropout voltage (1.2V) and
versions fast transient response make them an excellent
• Current Limiting and Thermal Protection solution for low voltage microprocessor applications.
• Commercial Temp. Tange: 0°C to 125°C The LMS1585A/87 are available in adjustable
versions, which can set the output voltage with only
• Industrial Temp. Range: −40°C to 125°C two external resistors. In addition, they are also
• Line Regulation 0.005% (typical) available in 1.5V and 3.3V fixed voltage versions(1).
• Load Regulation 0.05% (typical) The LMS1585A/87 circuits include a zener trimmed
• Direct Replacement for LT®1585A/87 bandgap reference, current limiting and thermal
shutdown. The LMS1585A/87 series are available in
APPLICATIONS KTT (TO-263) and NDE (TO-220) packages.
• Pentium®processor supplies
• PowerPC®supplies
• Other microprocessor supplies
• Low voltage logic supplies (1) Consult factory for other fixed voltage options.
Typical Application
Figure 1. NDE (TO-220) Figure 2. KTT (TO-263)
(Top View) (Top View)
1
Please be aware that an important notice concerning availability, standard warranty, and use in critical applications of
Texas Instruments semiconductor products and disclaimers thereto appears at the end of this data sheet.
2PowerPC is a registered trademark of IBM.
3Pentium is a registered trademark of Intel Corporation.
4LT is a registered trademark of Linear Technology.
PRODUCTION DATA information is current as of publication date. Copyright © 2003–2013, Texas Instruments Incorporated
Products conform to specifications per the terms of the Texas
Instruments standard warranty. Production processing does not
necessarily include testing of all parameters.

Thermal
Limit
VIN
VOUT
Substrate
GND (Fixed Output)
tADJ. (Adjustable Output)ttt
LMS1585A , LMS1587
SNVS061G –MONTH 2003–REVISED JULY 2013
www.ti.com
Table 1. LMS1585A/LMS1587 Device Options
Operating
Part Number Output Voltage Package Drawing Package Type Output Current
Temperature
LMS1585AIS-1.5 1.5V -40°C to 125°C
LMS1585AIS-3.3 3.3V
LMS1585ACS-ADJ Adjustable KTT TO-263 5A
LMS1585ACS-1.5 1.5V
LMS1585ACS-3.3 3.3V 0°C to 125°C
LMS1585ACT-1.5 1.5V NDE TO-220 5A
LMS1585ACT-3.3 3.3V
LMS1587IS-ADJ Adjustable
LMS1587IS-1.5 1.5V –40°C to 125°C
LMS1587IS-3.3 3.3V KTT TO-263
LMS1587CS-ADJ Adjustable
LMS1587CS-3.3 3.3V 0°C to 125°C 3A
LMS1587CS-1.5 1.5V
LMS1587IT-1.5 1.5V –40°C to 125C
LMS1587CT-ADJ Adjustable NDE TO-220
0°C to 125°C
LMS1587CT-3.3 3.3V
These devices have limited built-in ESD protection. The leads should be shorted together or the device placed in conductive foam
during storage or handling to prevent electrostatic damage to the MOS gates.
2Submit Documentation Feedback Copyright © 2003–2013, Texas Instruments Incorporated
Product Folder Links: LMS1585A LMS1587

LMS1585A , LMS1587
www.ti.com
SNVS061G –MONTH 2003–REVISED JULY 2013
ABSOLUTE MAXIMUM RATINGS(1)(2)
Maximum Input to Output Voltage (VIN to GND) 13V
Power Dissipation(3) Internally Limited
Junction Temperature (TJ)(3) 150˚C
Storage Temperature Range -65˚C to 150˚C
Lead Temperature 260˚C, 10 sec
ESD Tolerance(4) 2000V
(1) Absolute Maximum Ratings indicate limits beyond which damage to the device may occur. Operating Ratings indicate conditions for
which the device is intended to be functional, but specific performance is not ensured. For ensured specifications and the test
conditions, see the Electrical Characteristics.
(2) If Military/Aerospace specified devices are required, please contact the TI Sales Office/ Distributors for availability and specifications.
(3) The maximum power dissipation is a function of TJ(max) ,θJA, and TA. The maximum allowable power dissipation at any ambient
temperature is PD= (TJ(max)–T A)/θJA. All numbers apply for packages soldered directly into a PC board.
(4) For testing purposes, ESD was applied using human body model, 1.5 kΩin series with 100 pF.
Copyright © 2003–2013, Texas Instruments Incorporated Submit Documentation Feedback 3
Product Folder Links: LMS1585A LMS1587

LMS1585A , LMS1587
SNVS061G –MONTH 2003–REVISED JULY 2013
www.ti.com
ELECTRICAL CHARACTERISTICS
Typicals and limits appearing in normal type apply for TJ= 25˚C. Limits appearing in Boldface type apply over the entire
junction temperature range for operation, 0˚C to 125˚C for commercial grade and −40˚C to 125˚C for industrial grade.
Symbol Parameter Conditions Min(1) Typ(2) Max(1) Units
VREF Reference Voltage LMS1585A-ADJ
VIN−VOUT = 3V, IOUT = 10mA 1.238 1.250 1.262 V
10mA ≤IOUT ≤5A, 1.5V ≤VIN−VOUT ≤5.75V 1.225 1.250 1.275 V
LMS1587-ADJ
10mA ≤IOUT ≤3A, 1.5V ≤VIN−VOUT ≤5.75V 1.225 1.250 1.275 V
VOUT Output Voltage LMS1585A-1.5
IOUT = 0mA, VIN = 5V 1.485 1.500 1.515 V
0≤IOUT ≤5A, 3V ≤VIN ≤7V 1.470 1.530 V
LMS1585A-3.3
IOUT = 0mA, V IN = 5V 3.267 3.300 3.333 V
0≤IOUT ≤5A, 4.75V ≤VIN ≤7V 3.235 3.300 3.365 V
LMS1587-1.5
VIN = 5V, I OUT = 0mA, TJ = 25˚C 1.485 1.500 1.515 V
0≤IOUT ≤3A, 3V ≤VIN ≤7V 1.470 1.500 1.530 V
LMS1587-3.3
0≤IOUT ≤3A, 4.75V ≤VIN ≤7V 3.235 3.300 3.365 V
∆VOUT Line Regulation(3) LMS1585A/87-ADJ
IOUT = 10mA, 2.75V ≤VIN ≤7V 0.005 0.2 %
LMS1585A/87-3.3
IOUT = 0mA, 4.75V ≤VIN ≤7V 0.005 0.2 %
LMS1585A/87-1.5
IOUT = 0mA, 3V ≤VIN ≤7V 0.005 0.2 %
∆VOUT Load Regulation(3) LMS1585A-ADJ 0.3 %
VIN−VOUT = 3V, 10mA ≤IOUT ≤5A 0.05 0.5
LMS1585A-1.5/LMS1585A-3.3 0.05 0.3 %
VIN = 5V, 0 ≤IOUT ≤5A 0.05 0.5
LMS1587-ADJ 0.05 0.3
VIN−VOUT = 3V, 10mA ≤IOUT ≤3A 0.05 0.5 %
LMS1587-1.5/LMS1587-3.3 0.05 0.3 %
VIN = 5V, 0 ≤IOUT ≤3A 0.05 0.5 %
VIN−VOUT Dropout Voltage LMS1585A-ADJ/LMS1587-ADJ
∆VREF = 1%, IOUT = 3A 1.15 1.3 V
LMS1585A-3.3/LMS1587-3.3/
LMS1585A-1.5/LMS1587-1.5
∆VOUT = 1%, IOUT = 3A 1.15 1.3 V
LMS1585A-ADJ
∆VREF = 1%, IOUT = 5A 1.2 1.4 V
LMS1585A-1.5/LMS1585A-3.3
∆VOUT = 1%, IOUT = 5A 1.2 1.4 V
(1) All limits are specified by testing or statistical analysis.
(2) Typical Values represent the most likely parametric norm.
(3) Load and line regulation are measured at constant junction temperature, and are ensured up to the maximum power dissipation of 30W.
Power dissipation is determined by the input/output differential and the output current. Ensured maximum power dissipation will not be
available over the full input/output range.
4Submit Documentation Feedback Copyright © 2003–2013, Texas Instruments Incorporated
Product Folder Links: LMS1585A LMS1587

LMS1585A , LMS1587
www.ti.com
SNVS061G –MONTH 2003–REVISED JULY 2013
ELECTRICAL CHARACTERISTICS (continued)
Typicals and limits appearing in normal type apply for TJ= 25˚C. Limits appearing in Boldface type apply over the entire
junction temperature range for operation, 0˚C to 125˚C for commercial grade and −40˚C to 125˚C for industrial grade.
ILIMIT Current Limit LMS1585A-ADJ/LMS1585A-3.3/LMS1585A-1.5
VIN−VOUT = 5.5V 5.0 6.6 A
LMS1587-ADJ/LMS1587-3.3/LMS1587-1.5
VIN−VOUT = 5.5V 3.1 4.3 A
Minimum Load LMS1585A/87-ADJ
Current (4) 1.5V ≤VIN−VOUT ≤5.75V 2.0 10.0 mA
Quiescent Current LMS1585A-3.3/LMS1587-3.3/
LMS1585A-1.5/LMS1587-1.5
VIN = 5V 7.0 13.0 mA
Thermal Regulation TA = 25˚C, 30ms Pulse 0.003 %/W
Ripple Rejection LMS1585A-ADJ
fRIPPLE = 120Hz, VIN−VOUT = 3V,
IOUT = 5A, COUT = 25µF Tantalum 72 dB
LMS1585A-1.5
fRIPPLE = 120Hz, COUT = 25µF
Tantalum, IOUT = 5A, VIN = 4.5V 60 72 dB
LMS1585A-3.3
fRIPPLE = 120Hz, COUT = 25µF
Tantalum, IOUT = 5A, VIN = 6.3V 72 dB
LMS1587-ADJ
fRIPPLE = 120 Hz, VIN−VOUT = 3V, IOUT = 3A
COUT = 25 µF Tantalum 72 dB
LMS1587-1.5
fRIPPLE = 120 Hz, COUT = 25µF Tantalum,
IOUT = 3A, VIN = 4.5V 60 72 dB
LMS1587-3.3
fRIPPLE = 120 Hz, COUT = 25µF Tantalum,
IOUT = 3A, VIN = 6.3V 72 dB
Adjust Pin Current 55 120 µA
Adjust Pin Current 10mA ≤IOUT ≤IFULLLOAD,
1.5V ≤VIN−VOUT ≤5.75V(5) 0.2 µA
Temperature Stability 0.5 %
Long Term Stability TA = 125˚C, 1000Hrs 0.03 %
RMS Output Noise 10Hz ≤f≤10kHz 0.003 %
(% of VOUT)
Thermal Resistance 3-Lead KTT (TO-263): Control/Output Section 0.65/2.7 *C/W
Junction-to-Case 3-Lead NDE (TO-220): Control/Output Section 0.65/2.7 *C/W
(4) The minimum output current required to maintain regulation.
(5) IFULLLOAD is 5A for LMS1585A and 3A for LMS1587.
Copyright © 2003–2013, Texas Instruments Incorporated Submit Documentation Feedback 5
Product Folder Links: LMS1585A LMS1587

VOUT
VIN
I1
10 µF
VREF
10 µF
R1
R2
IADJ
VIN VOUT
ADJ
VOUT = VREF (1 + R2) + IADJR2
R2
R1
LMS1585A , LMS1587
SNVS061G –MONTH 2003–REVISED JULY 2013
www.ti.com
APPLICATION NOTE
OUTPUT VOLTAGE
The adjustable version develops at 1.25V reference voltage, (VREF), between the output and the adjust terminal.
As shown in Figure 3, this voltage is applied across resistor R1 to generate a constant current I1. This constant
current then flows through R2. The resulting voltage drop across R2 adds to the reference voltage to sets the
desired output voltage.
The current IADJ from the adjustment terminal introduces an output error. But since it is small (120μA max), it
becomes negligible when R1 is in the 100Ωrange.
For fixed voltage devices, R1 and R2 are integrated inside the devices.
Figure 3. Basic Adjustable Regulator
6Submit Documentation Feedback Copyright © 2003–2013, Texas Instruments Incorporated
Product Folder Links: LMS1585A LMS1587

PACKAGE OPTION ADDENDUM
www.ti.com 19-Apr-2022
Addendum-Page 1
PACKAGING INFORMATION
Orderable Device Status
(1)
Package Type Package
Drawing Pins Package
Qty Eco Plan
(2)
Lead finish/
Ball material
(6)
MSL Peak Temp
(3)
Op Temp (°C) Device Marking
(4/5)
Samples
LMS1585ACS-1.5 NRND DDPAK/
TO-263 KTT 3 45 Non-RoHS
& Green Call TI Level-3-235C-168 HR 0 to 125 LMS1585
ACS-1.5
LMS1585ACS-1.5/NOPB ACTIVE DDPAK/
TO-263 KTT 3 45 RoHS-Exempt
& Green SN Level-3-245C-168 HR 0 to 125 LMS1585
ACS-1.5
LMS1585ACS-3.3 NRND DDPAK/
TO-263 KTT 3 45 Non-RoHS
& Green Call TI Level-3-235C-168 HR 0 to 125 LMS1585
ACS-3.3
LMS1585ACS-3.3/NOPB ACTIVE DDPAK/
TO-263 KTT 3 45 RoHS-Exempt
& Green SN Level-3-245C-168 HR 0 to 125 LMS1585
ACS-3.3
LMS1585ACSX-1.5/NOPB ACTIVE DDPAK/
TO-263 KTT 3 500 RoHS-Exempt
& Green SN Level-3-245C-168 HR 0 to 125 LMS1585
ACS-1.5
LMS1585ACSX-3.3/NOPB ACTIVE DDPAK/
TO-263 KTT 3 500 RoHS-Exempt
& Green SN Level-3-245C-168 HR 0 to 125 LMS1585
ACS-3.3
LMS1585ACSX-ADJ/NOPB ACTIVE DDPAK/
TO-263 KTT 3 500 RoHS-Exempt
& Green SN Level-3-245C-168 HR 0 to 125 LMS1585
ACS-ADJ
LMS1585ACT-1.5/NOPB ACTIVE TO-220 NDE 3 45 RoHS & Green SN Level-1-NA-UNLIM 0 to 125 LMS1585ACT
1.5
LMS1585ACT-3.3/NOPB ACTIVE TO-220 NDE 3 45 RoHS & Green SN Level-1-NA-UNLIM 0 to 125 LMS1585
ACT-3.3
LMS1585AIS-1.5 NRND DDPAK/
TO-263 KTT 3 45 Non-RoHS
& Green Call TI Level-3-235C-168 HR -40 to 125 LMS1585
AIS-1.5
LMS1585AIS-1.5/NOPB ACTIVE DDPAK/
TO-263 KTT 3 45 RoHS-Exempt
& Green SN Level-3-245C-168 HR -40 to 125 LMS1585
AIS-1.5
LMS1585AIS-3.3/NOPB ACTIVE DDPAK/
TO-263 KTT 3 45 RoHS-Exempt
& Green SN Level-3-245C-168 HR -40 to 125 LMS1585
AIS-3.3
LMS1585AISX-3.3/NO ACTIVE DDPAK/
TO-263 KTT 3 500 RoHS-Exempt
& Green SN Level-3-245C-168 HR -40 to 125 LMS1585
AIS-3.3
LMS1587CS-1.5/NOPB ACTIVE DDPAK/
TO-263 KTT 3 45 RoHS-Exempt
& Green SN Level-3-245C-168 HR 0 to 125 LMS1587
CS-1.5
LMS1587CS-3.3/NOPB ACTIVE DDPAK/
TO-263 KTT 3 45 RoHS-Exempt
& Green SN Level-3-245C-168 HR 0 to 125 LMS1587
CS-3.3
LMS1587CS-ADJ NRND DDPAK/
TO-263 KTT 3 45 Non-RoHS
& Green Call TI Level-3-235C-168 HR 0 to 125 LMS1587
CS-ADJ

PACKAGE OPTION ADDENDUM
www.ti.com 19-Apr-2022
Addendum-Page 2
Orderable Device Status
(1)
Package Type Package
Drawing Pins Package
Qty Eco Plan
(2)
Lead finish/
Ball material
(6)
MSL Peak Temp
(3)
Op Temp (°C) Device Marking
(4/5)
Samples
LMS1587CS-ADJ/NOPB ACTIVE DDPAK/
TO-263 KTT 3 45 RoHS-Exempt
& Green SN Level-3-245C-168 HR 0 to 125 LMS1587
CS-ADJ
LMS1587CSX-1.5/NOPB ACTIVE DDPAK/
TO-263 KTT 3 500 RoHS-Exempt
& Green SN Level-3-245C-168 HR 0 to 125 LMS1587
CS-1.5
LMS1587CSX-3.3/NOPB ACTIVE DDPAK/
TO-263 KTT 3 500 RoHS-Exempt
& Green SN Level-3-245C-168 HR 0 to 125 LMS1587
CS-3.3
LMS1587CSX-ADJ/NOPB ACTIVE DDPAK/
TO-263 KTT 3 500 RoHS-Exempt
& Green SN Level-3-245C-168 HR 0 to 125 LMS1587
CS-ADJ
LMS1587CT-3.3 NRND TO-220 NDE 3 45 Non-RoHS
& Green Call TI Level-1-NA-UNLIM 0 to 125 LMS1587
CT-3.3
LMS1587CT-3.3/NOPB ACTIVE TO-220 NDE 3 45 RoHS & Green SN Level-1-NA-UNLIM 0 to 125 LMS1587
CT-3.3
LMS1587CT-ADJ/NOPB ACTIVE TO-220 NDE 3 45 RoHS & Green SN Level-1-NA-UNLIM 0 to 125 LMS1587
CT-ADJ
LMS1587IS-1.5 NRND DDPAK/
TO-263 KTT 3 45 Non-RoHS
& Green Call TI Level-3-235C-168 HR -40 to 125 LMS1587
IS-1.5
LMS1587IS-1.5/NOPB ACTIVE DDPAK/
TO-263 KTT 3 45 RoHS-Exempt
& Green SN Level-3-245C-168 HR -40 to 125 LMS1587
IS-1.5
LMS1587IS-3.3 NRND DDPAK/
TO-263 KTT 3 45 Non-RoHS
& Green Call TI Level-3-235C-168 HR -40 to 125 LMS1587
IS-3.3
LMS1587IS-3.3/NOPB ACTIVE DDPAK/
TO-263 KTT 3 45 RoHS-Exempt
& Green SN Level-3-245C-168 HR -40 to 125 LMS1587
IS-3.3
LMS1587IS-ADJ NRND DDPAK/
TO-263 KTT 3 45 Non-RoHS
& Green Call TI Level-3-235C-168 HR -40 to 125 LMS1587
IS-ADJ
LMS1587IS-ADJ/NOPB ACTIVE DDPAK/
TO-263 KTT 3 45 RoHS-Exempt
& Green SN Level-3-245C-168 HR -40 to 125 LMS1587
IS-ADJ
LMS1587ISX-3.3/NOPB ACTIVE DDPAK/
TO-263 KTT 3 500 RoHS-Exempt
& Green SN Level-3-245C-168 HR -40 to 125 LMS1587
IS-3.3
LMS1587ISX-ADJ/NOPB ACTIVE DDPAK/
TO-263 KTT 3 500 RoHS-Exempt
& Green SN Level-3-245C-168 HR -40 to 125 LMS1587
IS-ADJ
LMS1587IT-1.5/NOPB ACTIVE TO-220 NDE 3 45 RoHS & Green SN Level-1-NA-UNLIM -40 to 125 LMS1587
IT-1.5
(1) The marketing status values are defined as follows:
ACTIVE: Product device recommended for new designs.
LIFEBUY: TI has announced that the device will be discontinued, and a lifetime-buy period is in effect.

PACKAGE OPTION ADDENDUM
www.ti.com 19-Apr-2022
Addendum-Page 3
NRND: Not recommended for new designs. Device is in production to support existing customers, but TI does not recommend using this part in a new design.
PREVIEW: Device has been announced but is not in production. Samples may or may not be available.
OBSOLETE: TI has discontinued the production of the device.
(2) RoHS: TI defines "RoHS" to mean semiconductor products that are compliant with the current EU RoHS requirements for all 10 RoHS substances, including the requirement that RoHS substance
do not exceed 0.1% by weight in homogeneous materials. Where designed to be soldered at high temperatures, "RoHS" products are suitable for use in specified lead-free processes. TI may
reference these types of products as "Pb-Free".
RoHS Exempt: TI defines "RoHS Exempt" to mean products that contain lead but are compliant with EU RoHS pursuant to a specific EU RoHS exemption.
Green: TI defines "Green" to mean the content of Chlorine (Cl) and Bromine (Br) based flame retardants meet JS709B low halogen requirements of <=1000ppm threshold. Antimony trioxide based
flame retardants must also meet the <=1000ppm threshold requirement.
(3) MSL, Peak Temp. - The Moisture Sensitivity Level rating according to the JEDEC industry standard classifications, and peak solder temperature.
(4) There may be additional marking, which relates to the logo, the lot trace code information, or the environmental category on the device.
(5) Multiple Device Markings will be inside parentheses. Only one Device Marking contained in parentheses and separated by a "~" will appear on a device. If a line is indented then it is a continuation
of the previous line and the two combined represent the entire Device Marking for that device.
(6) Lead finish/Ball material - Orderable Devices may have multiple material finish options. Finish options are separated by a vertical ruled line. Lead finish/Ball material values may wrap to two
lines if the finish value exceeds the maximum column width.
Important Information and Disclaimer:The information provided on this page represents TI's knowledge and belief as of the date that it is provided. TI bases its knowledge and belief on information
provided by third parties, and makes no representation or warranty as to the accuracy of such information. Efforts are underway to better integrate information from third parties. TI has taken and
continues to take reasonable steps to provide representative and accurate information but may not have conducted destructive testing or chemical analysis on incoming materials and chemicals.
TI and TI suppliers consider certain information to be proprietary, and thus CAS numbers and other limited information may not be available for release.
In no event shall TI's liability arising out of such information exceed the total purchase price of the TI part(s) at issue in this document sold by TI to Customer on an annual basis.

PACKAGE MATERIALS INFORMATION
www.ti.com 9-Aug-2022
TAPE AND REEL INFORMATION
Reel Width (W1)
REEL DIMENSIONS
A0
B0
K0
W
Dimension designed to accommodate the component length
Dimension designed to accommodate the component thickness
Overall width of the carrier tape
Pitch between successive cavity centers
Dimension designed to accommodate the component width
TAPE DIMENSIONS
K0 P1
B0 W
A0
Cavity
QUADRANT ASSIGNMENTS FOR PIN 1 ORIENTATION IN TAPE
Pocket Quadrants
Sprocket Holes
Q1 Q1Q2 Q2
Q3 Q3Q4 Q4 User Direction of Feed
P1
Reel
Diameter
*All dimensions are nominal
Device Package
Type Package
Drawing Pins SPQ Reel
Diameter
(mm)
Reel
Width
W1 (mm)
A0
(mm) B0
(mm) K0
(mm) P1
(mm) W
(mm) Pin1
Quadrant
LMS1585ACSX-1.5/NOPB DDPAK/
TO-263 KTT 3 500 330.0 24.4 10.75 14.85 5.0 16.0 24.0 Q2
LMS1585ACSX-3.3/NOPB DDPAK/
TO-263 KTT 3 500 330.0 24.4 10.75 14.85 5.0 16.0 24.0 Q2
LMS1585ACSX-
ADJ/NOPB DDPAK/
TO-263 KTT 3 500 330.0 24.4 10.75 14.85 5.0 16.0 24.0 Q2
LMS1585AISX-3.3/NO DDPAK/
TO-263 KTT 3 500 330.0 24.4 10.75 14.85 5.0 16.0 24.0 Q2
LMS1587CSX-1.5/NOPB DDPAK/
TO-263 KTT 3 500 330.0 24.4 10.75 14.85 5.0 16.0 24.0 Q2
LMS1587CSX-3.3/NOPB DDPAK/
TO-263 KTT 3 500 330.0 24.4 10.75 14.85 5.0 16.0 24.0 Q2
LMS1587CSX-ADJ/NOPB DDPAK/
TO-263 KTT 3 500 330.0 24.4 10.75 14.85 5.0 16.0 24.0 Q2
LMS1587ISX-3.3/NOPB DDPAK/
TO-263 KTT 3 500 330.0 24.4 10.75 14.85 5.0 16.0 24.0 Q2
LMS1587ISX-ADJ/NOPB DDPAK/
TO-263 KTT 3 500 330.0 24.4 10.75 14.85 5.0 16.0 24.0 Q2
Pack Materials-Page 1

PACKAGE MATERIALS INFORMATION
www.ti.com 9-Aug-2022
TAPE AND REEL BOX DIMENSIONS
Width (mm)
W
L
H
*All dimensions are nominal
Device Package Type Package Drawing Pins SPQ Length (mm) Width (mm) Height (mm)
LMS1585ACSX-1.5/NOPB DDPAK/TO-263 KTT 3 500 367.0 367.0 45.0
LMS1585ACSX-3.3/NOPB DDPAK/TO-263 KTT 3 500 367.0 367.0 45.0
LMS1585ACSX-
ADJ/NOPB DDPAK/TO-263 KTT 3 500 367.0 367.0 45.0
LMS1585AISX-3.3/NO DDPAK/TO-263 KTT 3 500 367.0 367.0 45.0
LMS1587CSX-1.5/NOPB DDPAK/TO-263 KTT 3 500 367.0 367.0 45.0
LMS1587CSX-3.3/NOPB DDPAK/TO-263 KTT 3 500 367.0 367.0 45.0
LMS1587CSX-ADJ/NOPB DDPAK/TO-263 KTT 3 500 367.0 367.0 45.0
LMS1587ISX-3.3/NOPB DDPAK/TO-263 KTT 3 500 367.0 367.0 45.0
LMS1587ISX-ADJ/NOPB DDPAK/TO-263 KTT 3 500 367.0 367.0 45.0
Pack Materials-Page 2

PACKAGE MATERIALS INFORMATION
www.ti.com 9-Aug-2022
TUBE
L - Tube length
T - Tube
height
W - Tube
width
B - Alignment groove width
*All dimensions are nominal
Device Package Name Package Type Pins SPQ L (mm) W (mm) T (µm) B (mm)
LMS1585ACS-1.5 KTT TO-263 3 45 502 25 8204.2 9.19
LMS1585ACS-1.5 KTT TO-263 3 45 502 25 8204.2 9.19
LMS1585ACS-1.5/NOPB KTT TO-263 3 45 502 25 8204.2 9.19
LMS1585ACS-3.3 KTT TO-263 3 45 502 25 8204.2 9.19
LMS1585ACS-3.3 KTT TO-263 3 45 502 25 8204.2 9.19
LMS1585ACS-3.3/NOPB KTT TO-263 3 45 502 25 8204.2 9.19
LMS1585ACT-1.5/NOPB NDE TO-220 3 45 502 33 6985 4.06
LMS1585ACT-3.3/NOPB NDE TO-220 3 45 502 33 6985 4.06
LMS1585AIS-1.5 KTT TO-263 3 45 502 25 8204.2 9.19
LMS1585AIS-1.5 KTT TO-263 3 45 502 25 8204.2 9.19
LMS1585AIS-1.5/NOPB KTT TO-263 3 45 502 25 8204.2 9.19
LMS1585AIS-3.3/NOPB KTT TO-263 3 45 502 25 8204.2 9.19
LMS1587CS-1.5/NOPB KTT TO-263 3 45 502 25 8204.2 9.19
LMS1587CS-3.3/NOPB KTT TO-263 3 45 502 25 8204.2 9.19
LMS1587CS-ADJ KTT TO-263 3 45 502 25 8204.2 9.19
LMS1587CS-ADJ KTT TO-263 3 45 502 25 8204.2 9.19
LMS1587CS-ADJ/NOPB KTT TO-263 3 45 502 25 8204.2 9.19
LMS1587CT-3.3 NDE TO-220 3 45 502 33 6985 4.06
LMS1587CT-3.3 NDE TO-220 3 45 502 33 6985 4.06
LMS1587CT-3.3/NOPB NDE TO-220 3 45 502 33 6985 4.06
LMS1587CT-ADJ/NOPB NDE TO-220 3 45 502 33 6985 4.06
LMS1587IS-1.5 KTT TO-263 3 45 502 25 8204.2 9.19
LMS1587IS-1.5 KTT TO-263 3 45 502 25 8204.2 9.19
LMS1587IS-1.5/NOPB KTT TO-263 3 45 502 25 8204.2 9.19
LMS1587IS-3.3 KTT TO-263 3 45 502 25 8204.2 9.19
LMS1587IS-3.3 KTT TO-263 3 45 502 25 8204.2 9.19
LMS1587IS-3.3/NOPB KTT TO-263 3 45 502 25 8204.2 9.19
LMS1587IS-ADJ KTT TO-263 3 45 502 25 8204.2 9.19
LMS1587IS-ADJ KTT TO-263 3 45 502 25 8204.2 9.19
Pack Materials-Page 3

PACKAGE MATERIALS INFORMATION
www.ti.com 9-Aug-2022
Device Package Name Package Type Pins SPQ L (mm) W (mm) T (µm) B (mm)
LMS1587IS-ADJ/NOPB KTT TO-263 3 45 502 25 8204.2 9.19
LMS1587IT-1.5/NOPB NDE TO-220 3 45 502 33 6985 4.06
Pack Materials-Page 4

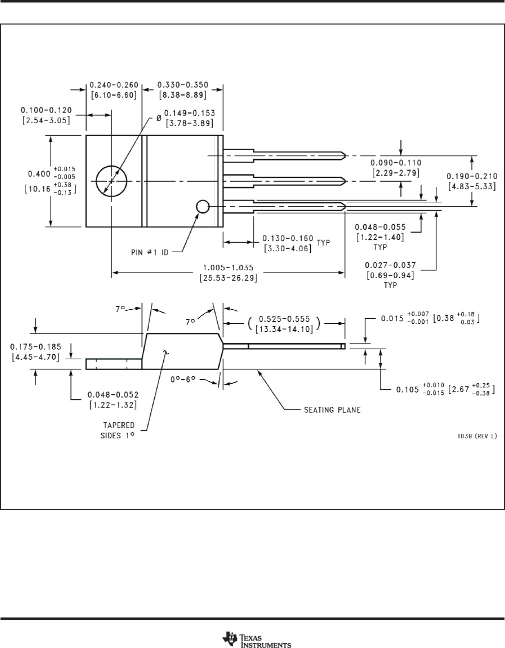
MECHANICAL DATA
NDE0003B
www.ti.com

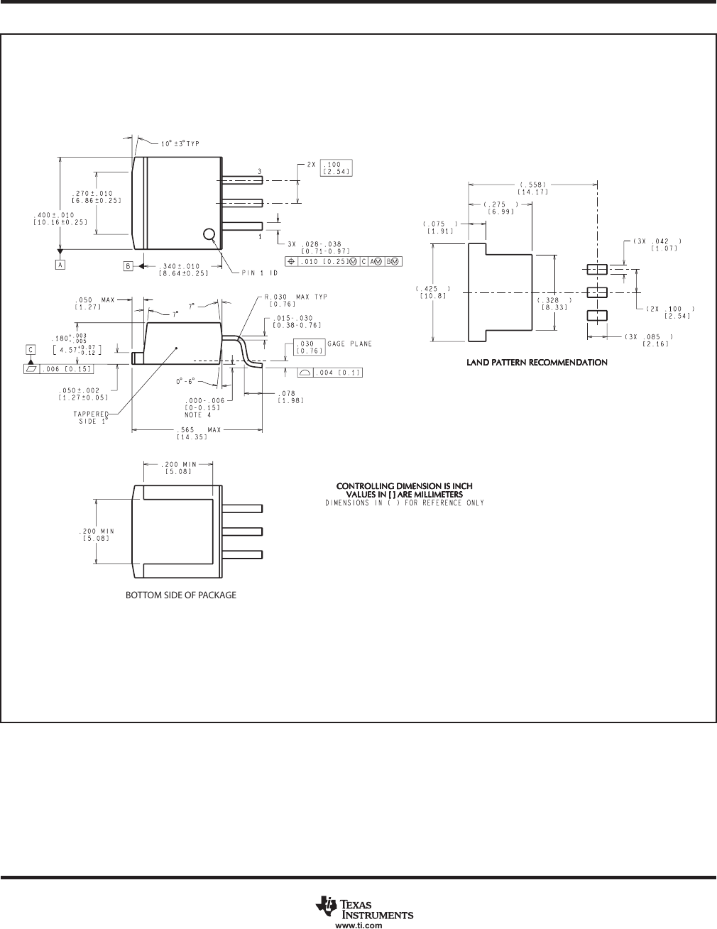
MECHANICAL DATA
KTT0003B
www.ti.com
BOTTOM SIDE OF PACKAGE
TS3B (Rev F)
IMPORTANT NOTICE AND DISCLAIMER
TI PROVIDES TECHNICAL AND RELIABILITY DATA (INCLUDING DATA SHEETS), DESIGN RESOURCES (INCLUDING REFERENCE
DESIGNS), APPLICATION OR OTHER DESIGN ADVICE, WEB TOOLS, SAFETY INFORMATION, AND OTHER RESOURCES “AS IS”
AND WITH ALL FAULTS, AND DISCLAIMS ALL WARRANTIES, EXPRESS AND IMPLIED, INCLUDING WITHOUT LIMITATION ANY
IMPLIED WARRANTIES OF MERCHANTABILITY, FITNESS FOR A PARTICULAR PURPOSE OR NON-INFRINGEMENT OF THIRD
PARTY INTELLECTUAL PROPERTY RIGHTS.
These resources are intended for skilled developers designing with TI products. You are solely responsible for (1) selecting the appropriate
TI products for your application, (2) designing, validating and testing your application, and (3) ensuring your application meets applicable
standards, and any other safety, security, regulatory or other requirements.
These resources are subject to change without notice. TI grants you permission to use these resources only for development of an
application that uses the TI products described in the resource. Other reproduction and display of these resources is prohibited. No license
is granted to any other TI intellectual property right or to any third party intellectual property right. TI disclaims responsibility for, and you
will fully indemnify TI and its representatives against, any claims, damages, costs, losses, and liabilities arising out of your use of these
resources.
TI’s products are provided subject to TI’s Terms of Sale or other applicable terms available either on ti.com or provided in conjunction with
such TI products. TI’s provision of these resources does not expand or otherwise alter TI’s applicable warranties or warranty disclaimers for
TI products.
TI objects to and rejects any additional or different terms you may have proposed. IMPORTANT NOTICE
Mailing Address: Texas Instruments, Post Office Box 655303, Dallas, Texas 75265
Copyright © 2022, Texas Instruments Incorporated